Pytanie 1
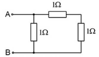
Zastępcza rezystancja obwodu widziana od strony zacisków A i B wynosi

Wynik: 32/40 punktów (80,0%)
Wymagane minimum: 20 punktów (50%)
Zastępcza rezystancja obwodu widziana od strony zacisków A i B wynosi

Urządzenie do pomiaru o zakresie od 0,1 do 10 m3/s to
Czynniki zagrażające zdrowiu ludzi, związane z użyciem urządzeń hydraulicznych, są w głównej mierze spowodowane przez
Aby zredukować prędkość ruchu tłoczyska w pneumatycznym siłowniku dwustronnego działania, jakie urządzenie należy zastosować?
W jakim urządzeniu dochodzi do przemiany energii promieniowania słonecznego na energię elektryczną?
Najważniejszym parametrem opisującym kondensator jest
W wyniku kontaktu dłoni pracownika ze strumieniem wysoko sprężonego dwutlenku węgla doszło do odmrożenia drugiego stopnia (zaczerwienienie dłoni, pojawienie się pęcherzy). Jakie czynności należy podjąć udzielając pierwszej pomocy?
Nie wolno stosować gaśnicy do gaszenia pożaru sprzętu elektrycznego, który jest pod napięciem
Który z zaworów pozwala na przepływ czynnika roboczego tylko w jednym kierunku?
Wskaź prawidłową sekwencję montażu składników w systemie przygotowania sprężonego powietrza?
Wskaź zasady, która stosowana jest wyłącznie przy demontażu urządzenia o złożonej konstrukcji?
Izolacja w kolorze niebieskim jest używana dla kabli
Którą metodę łączenia materiałów przedstawiono na rysunku?

W układzie zastosowano przetworniki ciśnienia o prądowych sygnałach wyjściowych. Na podstawie danych katalogowych przetworników oraz wyników przeprowadzonych pomiarów wskaż, który z przetworników nie działa prawidłowo.
| Przetwornik | Zakres sygnału wejściowego [MPa]  | Zakres sygnału wyjściowego [mA]  | Wartość sygnału wejściowego [MPa]  | Wartość sygnału wyjściowego [mA]  | 
|---|---|---|---|---|
| 1 | 0 ÷ 1 | 0 ÷ 20 | 0,50 | 10 | 
| 2 | 0 ÷ 2 | 0 ÷ 20 | 0,50 | 5 | 
| 3 | 0 ÷ 1 | 4 ÷ 20 | 0,50 | 12 | 
| 4 | 0 ÷ 2 | 4 ÷ 20 | 0,50 | 5 | 
Z wymienionych materiałów wybierz ten, który jest najczęściej używany w produkcji łożysk ślizgowych?
Do pracy związanej z lutowaniem elementów dyskretnych na płytce drukowanej powinno się założyć
Jakie urządzenie chroni silnik przed zwarciem i przeciążeniem?
Funkcją czujnika hallotronowego w urządzeniach do monitorowania i pomiarów jest detekcja
Stal używana do wytwarzania zbiorników ciśnieniowych oznaczana jest w symbolu głównym literą
Aby usunąć stycznik zamontowany na szynie, należy wykonać działania w poniższej kolejności:
Jakie czynności są charakterystyczne dla utrzymania układów pneumatycznych?
Pomiary izolacyjności w instalacjach elektrycznych realizuje się
Prąd jałowy transformatora wynosi około 10% prądu znamionowego. Aby precyzyjnie zmierzyć prąd jałowy transformatora o parametrach SN = 2300 VA, U1N = 230 V, U2N = 10 V, należy zastosować amperomierz prądu przemiennego o zakresie pomiarowym
Wielkością charakterystyczną układu elektrycznego, mierzona w watach, jest jaka?
Aby zmierzyć napięcie na cewce elektrozaworu o nominalnym Un = 24 V, zastosowano analogowy woltomierz z 75 podziałami na skali, ustawiony na zakres 30 V. Ile podziałów wskaże ten woltomierz, jeśli napięcie na cewce elektrozaworu jest poprawne?
W przypadku oparzenia kwasem siarkowym, jak najszybciej należy usunąć kwas z oparzonej powierzchni dużą ilością wody, a potem zastosować kompres z
Silnik liniowy przekształca
Na obudowie urządzenia wystąpiło niebezpieczne napięcie dotykowe. Który wyłącznik zredukowałby zasilanie urządzenia, gdy ktoś dotknie jego obudowy?
Jaką liczbę stopni swobody posiada manipulator przedstawiony na diagramie?
Cechy medium energii pneumatycznej, jakim jest sprężone powietrze, eliminują ryzyko powstania zagrożenia takiego jak
Transformator specjalny działający w warunkach zbliżonych do zwarcia, do którego podłącza się przyrząd pomiarowy, nosi nazwę
Rurka Bourdona stanowi część
Jakie narzędzia powinno się zastosować do montażu przewlekanego komponentów elektronicznych na płytce PCB?
Osoba pracująca z urządzeniami pneumatycznymi emitującymi głośny dźwięk jest narażona na
Silnik komutatorowy przez dłuższy czas był przeciążony, co doprowadziło do powstania zwarć międzyzwojowych. Proces naprawy silnika obejmuje wymianę
Zależność między ciśnieniem p, temperaturą T i objętością V powietrza opisuje zależność poniżej. Obniżenie temperatury powietrza przy jego stałej objętości 
p · V T  | = const | 
Jakie urządzenia służą do pomiaru wartości przyśpieszenia drgań elektrycznego silnika napędowego pompy hydraulicznej, działającego w systemie mechatronicznym?
Jakiego materiału powinno się użyć do ekranowania urządzeń pomiarowych, aby zredukować wpływ pól elektromagnetycznych na ich funkcjonowanie?
Który z wymienionych materiałów znajduje zastosowanie w konstrukcjach spawanych?
Jaki aparat elektryczny jest wykorzystywany do ochrony silnika indukcyjnego przed przeciążeniem?