Pytanie 1
Zgodnie z obowiązującymi przepisami, minimalna rezystancja izolacji uzwojeń silnika asynchronicznego o mocy 5 kW w temperaturze 20˚C powinna wynosić
Wynik: 25/40 punktów (62,5%)
Wymagane minimum: 20 punktów (50%)
Zgodnie z obowiązującymi przepisami, minimalna rezystancja izolacji uzwojeń silnika asynchronicznego o mocy 5 kW w temperaturze 20˚C powinna wynosić
Która z poniższych czynności nie jest częścią badań eksploatacyjnych silnika elektrycznego?
To pytanie jest dostępne tylko dla zalogowanych użytkowników. Zaloguj się lub utwórz konto aby zobaczyć pełną treść pytania.
Odpowiedzi dostępne po zalogowaniu.
Wyjaśnienie dostępne po zalogowaniu.
To pytanie jest dostępne tylko dla zalogowanych użytkowników. Zaloguj się lub utwórz konto aby zobaczyć pełną treść pytania.
Odpowiedzi dostępne po zalogowaniu.
Wyjaśnienie dostępne po zalogowaniu.
To pytanie jest dostępne tylko dla zalogowanych użytkowników. Zaloguj się lub utwórz konto aby zobaczyć pełną treść pytania.
Odpowiedzi dostępne po zalogowaniu.
Wyjaśnienie dostępne po zalogowaniu.
Która z poniższych czynności nie jest częścią badań eksploatacyjnych silnika elektrycznego?
To pytanie jest dostępne tylko dla zalogowanych użytkowników. Zaloguj się lub utwórz konto aby zobaczyć pełną treść pytania.
Odpowiedzi dostępne po zalogowaniu.
Wyjaśnienie dostępne po zalogowaniu.
To pytanie jest dostępne tylko dla zalogowanych użytkowników. Zaloguj się lub utwórz konto aby zobaczyć pełną treść pytania.
Odpowiedzi dostępne po zalogowaniu.
Wyjaśnienie dostępne po zalogowaniu.
To pytanie jest dostępne tylko dla zalogowanych użytkowników. Zaloguj się lub utwórz konto aby zobaczyć pełną treść pytania.
Odpowiedzi dostępne po zalogowaniu.
Wyjaśnienie dostępne po zalogowaniu.
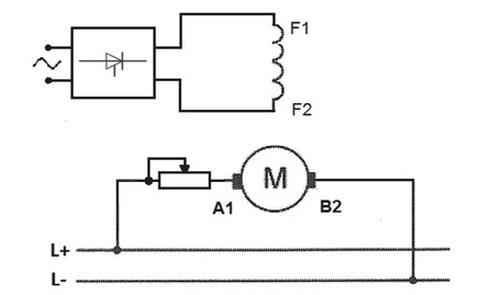
Silnik obcowzbudny prądu stałego, którego schemat układu połączeń zamieszczono na rysunku, pracuje w warunkach znamionowego zasilania i obciążenia. Po zwiększeniu rezystancji regulatora w obwodzie twornika nastąpi

Podczas użytkowania instalacji elektrycznych w pobliżu urządzeń elektrycznych znajdujących się pod napięciem niedozwolone są prace (z wyłączeniem prac określonych w instrukcji eksploatacji dotyczących obsługi)?
W silniku odkurzacza po wyjęciu z obudowy i załączeniu pełnego napięcia w serwisie zauważono zmniejszone obroty i iskrzenie na komutatorze. Na podstawie zamieszczonej tabeli wskaż, prawidłową kolejność czynności przy wykrywaniu i naprawie uszkodzenia w silniku odkurzacza.
| Czynność | |
|---|---|
| 1 | demontaż elementów silnika |
| 2 | próbne uruchomienie silnika przy zmniejszonym napięciu i doszlifowanie szczotek |
| 3 | sprawdzenie długości szczotek i ich prawidłowego docisku do komutatora |
| 4 | wykonanie badania na obecność zwarć w wirniku |
| 5 | wymiana uszkodzonych podzespołów |
| 6 | montaż podzespołów silnika |
To pytanie jest dostępne tylko dla zalogowanych użytkowników. Zaloguj się lub utwórz konto aby zobaczyć pełną treść pytania.
Odpowiedzi dostępne po zalogowaniu.
Wyjaśnienie dostępne po zalogowaniu.
Inspekcje instalacji u odbiorców energii elektrycznej powinny być realizowane nie rzadziej niż co
Jaką wkładkę topikową bezpiecznikową powinno się wykorzystać do ochrony silnika indukcyjnego przed skutkami zwarć?
Jak, w przybliżeniu, zmieni się moc wydobywana przez grzejnik elektryczny, jeśli jego spiralę grzejną skróci się o połowę, a napięcie zasilania pozostanie niezmienione?
W instalacji jednofazowej o częstotliwości 50 Hz oraz napięciu znamionowym 230 V, wartość napięcia pomiędzy przewodem fazowym a przewodem neutralnym nie powinna wynosić
Jaką wartość prądu znamionowego powinien mieć wyłącznik nadprądowy o charakterystyce B, żeby zabezpieczyć grzejnik jednofazowy o parametrach UN = 230 V, PN = 2,4 kW?
To pytanie jest dostępne tylko dla zalogowanych użytkowników. Zaloguj się lub utwórz konto aby zobaczyć pełną treść pytania.
Odpowiedzi dostępne po zalogowaniu.
Wyjaśnienie dostępne po zalogowaniu.
Jakie prace są dozwolone w instalacjach elektrycznych, które nie są wyłączone spod napięcia w sieci TN?
To pytanie jest dostępne tylko dla zalogowanych użytkowników. Zaloguj się lub utwórz konto aby zobaczyć pełną treść pytania.
Odpowiedzi dostępne po zalogowaniu.
Wyjaśnienie dostępne po zalogowaniu.
Jakie elementy wykorzystuje się w silnikach elektrycznych, aby chronić je przed negatywnymi skutkami wzrostu temperatury uzwojeń?
To pytanie jest dostępne tylko dla zalogowanych użytkowników. Zaloguj się lub utwórz konto aby zobaczyć pełną treść pytania.
Odpowiedzi dostępne po zalogowaniu.
Wyjaśnienie dostępne po zalogowaniu.
Co należy zrobić w przypadku przeciążenia silnika elektrycznego podczas pracy?
To pytanie jest dostępne tylko dla zalogowanych użytkowników. Zaloguj się lub utwórz konto aby zobaczyć pełną treść pytania.
Odpowiedzi dostępne po zalogowaniu.
Wyjaśnienie dostępne po zalogowaniu.
Włączenie grzejnika skutkuje natychmiastowym działaniem zabezpieczenia nadprądowego. Co to oznacza?
To pytanie jest dostępne tylko dla zalogowanych użytkowników. Zaloguj się lub utwórz konto aby zobaczyć pełną treść pytania.
Odpowiedzi dostępne po zalogowaniu.
Wyjaśnienie dostępne po zalogowaniu.
Ruch napędu należy zatrzymać w sytuacji zagrożenia bezpieczeństwa operatora lub otoczenia, jak również w przypadku wykrycia uszkodzeń lub zakłóceń uniemożliwiających jego prawidłowe działanie, a szczególnie gdy występuje
To pytanie jest dostępne tylko dla zalogowanych użytkowników. Zaloguj się lub utwórz konto aby zobaczyć pełną treść pytania.
Odpowiedzi dostępne po zalogowaniu.
Wyjaśnienie dostępne po zalogowaniu.
To pytanie jest dostępne tylko dla zalogowanych użytkowników. Zaloguj się lub utwórz konto aby zobaczyć pełną treść pytania.
Odpowiedzi dostępne po zalogowaniu.
Wyjaśnienie dostępne po zalogowaniu.
To pytanie jest dostępne tylko dla zalogowanych użytkowników. Zaloguj się lub utwórz konto aby zobaczyć pełną treść pytania.
Odpowiedzi dostępne po zalogowaniu.
Wyjaśnienie dostępne po zalogowaniu.
To pytanie jest dostępne tylko dla zalogowanych użytkowników. Zaloguj się lub utwórz konto aby zobaczyć pełną treść pytania.
Odpowiedzi dostępne po zalogowaniu.
Wyjaśnienie dostępne po zalogowaniu.
Jaka powinna być wartość prądu znamionowego bezpiecznika chroniącego uzwojenie pierwotne transformatora bezpieczeństwa 230/24 V, jeżeli przewidziano go do pracy z maksymalnym obciążeniem rezystancyjnym 200 W?
To pytanie jest dostępne tylko dla zalogowanych użytkowników. Zaloguj się lub utwórz konto aby zobaczyć pełną treść pytania.
Odpowiedzi dostępne po zalogowaniu.
Wyjaśnienie dostępne po zalogowaniu.
To pytanie jest dostępne tylko dla zalogowanych użytkowników. Zaloguj się lub utwórz konto aby zobaczyć pełną treść pytania.
Odpowiedzi dostępne po zalogowaniu.
Wyjaśnienie dostępne po zalogowaniu.
W instalacji trójfazowej natężenie prądu obciążenia przewodów fazowych Ib wynosi 21 A, a maksymalne dopuszczalne obciążenie tych przewodów Id to 30 A. Który z wymienionych wyłączników nadprądowych powinien być użyty do ochrony tej instalacji?
To pytanie jest dostępne tylko dla zalogowanych użytkowników. Zaloguj się lub utwórz konto aby zobaczyć pełną treść pytania.
Odpowiedzi dostępne po zalogowaniu.
Wyjaśnienie dostępne po zalogowaniu.
To pytanie jest dostępne tylko dla zalogowanych użytkowników. Zaloguj się lub utwórz konto aby zobaczyć pełną treść pytania.
Odpowiedzi dostępne po zalogowaniu.
Wyjaśnienie dostępne po zalogowaniu.
Jakie znaczenie ma klasa izolacji (np. kl. B) na tabliczce znamionowej silnika elektrycznego?
To pytanie jest dostępne tylko dla zalogowanych użytkowników. Zaloguj się lub utwórz konto aby zobaczyć pełną treść pytania.
Odpowiedzi dostępne po zalogowaniu.
Wyjaśnienie dostępne po zalogowaniu.