Pytanie 1
To pytanie jest dostępne tylko dla uczniów i nauczycieli. Zaloguj się lub utwórz konto aby zobaczyć pełną treść pytania.
Odpowiedzi dostępne po zalogowaniu.
Wyjaśnienie dostępne po zalogowaniu.
Wynik: 34/40 punktów (85,0%)
Wymagane minimum: 20 punktów (50%)
To pytanie jest dostępne tylko dla uczniów i nauczycieli. Zaloguj się lub utwórz konto aby zobaczyć pełną treść pytania.
Odpowiedzi dostępne po zalogowaniu.
Wyjaśnienie dostępne po zalogowaniu.
Zawory zwrotno-dławiące, w przedstawionym na rysunku układzie sterowania pneumatycznego, realizują dławienie

Zbyt mała lepkość oleju hydraulicznego może być wynikiem zbyt
Wskaż tabliczkę znamionową urządzenia napędowego przeznaczonego do zasilania napięciem stałym.

W celu uzupełnienia smaru w łożysku przedstawionym na rysunku należy użyć

To pytanie jest dostępne tylko dla uczniów i nauczycieli. Zaloguj się lub utwórz konto aby zobaczyć pełną treść pytania.
Odpowiedzi dostępne po zalogowaniu.
Wyjaśnienie dostępne po zalogowaniu.
W trakcie użytkowania urządzenia mechatronicznego pracownik doznał porażenia prądem, lecz po chwili odzyskał oddech. Co należy zrobić?
Na rysunku przedstawiono frezowanie

To pytanie jest dostępne tylko dla uczniów i nauczycieli. Zaloguj się lub utwórz konto aby zobaczyć pełną treść pytania.
Odpowiedzi dostępne po zalogowaniu.
Wyjaśnienie dostępne po zalogowaniu.
Na rysunku przedstawiono m.in.

Zastępcza rezystancja obwodu widziana od strony zacisków A i B wynosi

Który symbol graficzny oznacza cewkę przekaźnika o opóźnionym załączaniu?

Jaką funkcję w układzie sterowania przedstawionym na schemacie pełni element 1V3?

Określ prawidłową kolejność dokręcania śrub lub nakrętek części podzespołu, przedstawionej na rysunku.

To pytanie jest dostępne tylko dla uczniów i nauczycieli. Zaloguj się lub utwórz konto aby zobaczyć pełną treść pytania.
Odpowiedzi dostępne po zalogowaniu.
Wyjaśnienie dostępne po zalogowaniu.
To pytanie jest dostępne tylko dla uczniów i nauczycieli. Zaloguj się lub utwórz konto aby zobaczyć pełną treść pytania.
Odpowiedzi dostępne po zalogowaniu.
Wyjaśnienie dostępne po zalogowaniu.
Element zaznaczony na zdjęciu to

Który symbol oznacza czujnik ultradźwiękowy?

Niewielkie, drobne zarysowania na tłoczysku hydraulicznego siłownika eliminuje się za pomocą
Zawór szybkiego spustu przestawia rysunek

Silnik elektryczny generuje hałas z powodu kontaktu wentylatora z osłoną wentylacyjną. Aby obniżyć poziom hałasu, należy
Jakiego typu przewód jest zalecany do komunikacji w magistrali CAN?
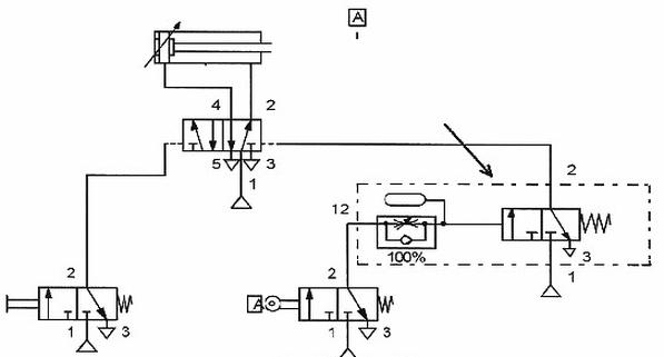
W układzie pneumatycznym, którego schemat przedstawiono na rysunku, podzespół wskazany strzałką (otoczony linią przerywaną) ma za zadanie

To pytanie jest dostępne tylko dla uczniów i nauczycieli. Zaloguj się lub utwórz konto aby zobaczyć pełną treść pytania.
Odpowiedzi dostępne po zalogowaniu.
Wyjaśnienie dostępne po zalogowaniu.
Którego z wymienionych przyrządów pomiarowych należy użyć do wykonania pomiaru szerokości bardzo głębokiego otworu nieprzelotowego blisko dna w sposób przedstawiony na ilustracji?

To pytanie jest dostępne tylko dla uczniów i nauczycieli. Zaloguj się lub utwórz konto aby zobaczyć pełną treść pytania.
Odpowiedzi dostępne po zalogowaniu.
Wyjaśnienie dostępne po zalogowaniu.
To pytanie jest dostępne tylko dla uczniów i nauczycieli. Zaloguj się lub utwórz konto aby zobaczyć pełną treść pytania.
Odpowiedzi dostępne po zalogowaniu.
Wyjaśnienie dostępne po zalogowaniu.
W układzie przedstawionym na schemacie zawór zasadniczy jest sterowany

Jakie obwody elektroniczne gwarantują utrzymanie stałego napięcia na wyjściu, niezależnie od zmian obciążenia oraz fluktuacji napięcia zasilającego?
Siłownik pneumatyczny ze sprężyną zwrotną przeznaczony jest do podnoszenia masy (ruch powolny, obciążenie na całym skoku). Ciśnienie robocze w instalacji pneumatycznej wynosi 6*105 N/m2. Obliczona średnica cylindra, z uwzględnieniem sprawności siłownika η = 0,75 oraz stwierdzonych w instalacji pneumatycznej wahań ciśnienia roboczego rzędu 5% wartości nominalnej, wynosi 65 mm. Z zamieszczonego w tabeli typoszeregu siłowników dobierz średnicę cylindra spełniającą powyższe warunki.
| Tabl. 1. Parametry siłowników | ||||||||||||||
|---|---|---|---|---|---|---|---|---|---|---|---|---|---|---|
| średnica cylindra w mm | 12 | 16 | 20 | 25 | 32 | 40 | 50 | 63 | 80 | 100 | 125 | 160 | 200 | |
| średnica tłoczyska w mm | 6 | 8 | 8 | 10 | 12 | 16 | 20 | 20 | 25 | 25 | 32 | 40 | 40 | |
| gwinty otworów przyłączeniowych | M5 | M5 | G⅛ | G⅛ | G⅛ | G¼ | G¼ | G⅜ | G⅜ | G⅜ | G½ | G¾ | G¾ | |
| siła pchająca przy po = 6 bar w N | siłownik jednostron. dział. | 50 | 96 | 151 | 241 | 375 | 644 | 968 | 1560 | 2530 | 4010 | -- | -- | -- |
| siłownik dwustron. dział. | 58 | 106 | 164 | 259 | 422 | 665 | 1040 | 1650 | 2660 | 4150 | 6450 | 10600 | 16600 | |
| siła ciągnąca przy po = 6 bar w N | siłownik dwustronnego działania | 54 | 79 | 137 | 216 | 364 | 550 | 870 | 1480 | 2400 | 3890 | 6060 | 9960 | 15900 |
| siłownik jednostron. dział. | 10, 25, 50 | 25, 50, 80, 100 | -- | |||||||||||
| skoki w mm | siłownik dwustron. dział. | do 160 | do 200 | do 320 | 10, 25, 50, 80, 100, 160, 200, 250, 320, 400, 500........2000 | |||||||||
Na podstawie widoku płytki drukowanej i schematu ideowego wskaż który element należy zamontować w miejscu oznaczonym C3.

Jeśli w trakcie standardowych warunków eksploatacji pneumatyczne urządzenie mechatroniczne generuje duże drgania, to osoba obsługująca powinna być wyposażona w
To pytanie jest dostępne tylko dla uczniów i nauczycieli. Zaloguj się lub utwórz konto aby zobaczyć pełną treść pytania.
Odpowiedzi dostępne po zalogowaniu.
Wyjaśnienie dostępne po zalogowaniu.
Jakie napięcie wyjściowe przetwornika ciśnienia będzie przy wartościach ciśnienia wynoszących 450 kPa, jeśli jego napięcie wyjściowe mieści się w zakresie od 0 V do 10 V dla ciśnienia od 0 kPa do 600 kPa przy liniowej charakterystyce?
To pytanie jest dostępne tylko dla uczniów i nauczycieli. Zaloguj się lub utwórz konto aby zobaczyć pełną treść pytania.
Odpowiedzi dostępne po zalogowaniu.
Wyjaśnienie dostępne po zalogowaniu.
W układzie nawrotnym sterowania stycznikowego silnika indukcyjnego klatkowego stwierdzono, że po wciśnięciu przycisku S1 a następnie S2, zadziałają zabezpieczenia w obwodzie siłowym silnika. Przyczyną zadziałania jest

Przed wykonaniem czynności konserwacyjnych zawsze należy
Który z programów przekształca kod napisany w danym języku programowania na kod maszynowy stosowany przez mikrokontroler?
Na obudowie urządzenia wystąpiło niebezpieczne napięcie dotykowe. Który wyłącznik zredukowałby zasilanie urządzenia, gdy ktoś dotknie jego obudowy?
Które narzędzia należy zastosować podczas wymiany rezystora R1 przedstawionego na rysunku?
