Pytanie 1
Zgodnie z PN-IEC 60364-4-41:2000, maksymalny dozwolony czas wyłączenia w systemach typu TN przy napięciu zasilania 230 V wynosi
Wynik: 19/40 punktów (47,5%)
Wymagane minimum: 20 punktów (50%)
Zgodnie z PN-IEC 60364-4-41:2000, maksymalny dozwolony czas wyłączenia w systemach typu TN przy napięciu zasilania 230 V wynosi
Przedstawiona na ilustracji wstawka kalibrowa bezpiecznika przeznaczona jest do instalacji o napięciu znamionowym

Na której ilustracji przedstawiono kabel typu YAKY?

Jakim symbolem oznacza się jednożyłowy przewód z wielodrutową miedzianą żyłą o przekroju 2,5 mm² w izolacji z PVC?
Wyłącznik różnicowoprądowy reagujący na prądy różnicowe przemienne, jednopołówkowe ze składową stałą do 6 mA i na prądy wyprostowane, oznaczony jest symbolem graficznym

Jak nazywa się element stosowany w instalacjach mieszkaniowych przedstawiony na rysunku?

Jakiego urządzenia należy użyć do pomiaru rezystancji izolacji w instalacji elektrycznej?
Zamieszczony na rysunku zrzut ekranu przyrządu pomiarowego przedstawia wyniki pomiaru

Który z rodzajów kabli ma zewnętrzną osłonę wykonaną z polwinitu?
Zmywarka, która jest na stałe zainstalowana, powinna być podłączona do obwodu
W układzie przedstawionym na rysunku zmierzono rezystancję pomiędzy poszczególnymi żyłami kabla, otrzymując następujące wyniki: RA-B = 0; RB-C = ∞; RC-D = ∞; RD-A= 0. Z wyników pomiarów wynika, że przerwana jest

Jaka maksymalna wartość impedancji pętli zwarcia jest dopuszczalna w trójfazowym obwodzie elektrycznym o napięciu nominalnym 230/400 V, aby zapewnić skuteczną ochronę przed porażeniem w przypadku uszkodzenia izolacji, jeżeli wiadomo, że zasilanie tego obwodu ma odłączyć instalacyjny wyłącznik nadprądowy B20?
Jakie czynności nie są częścią przeglądów instalacji elektrycznej?
W prawidłowo działającej instalacji elektrycznej w kuchni wymieniono uszkodzone gniazdo wtykowe. Po uruchomieniu odbiornika zadziałał wyłącznik różnicowoprądowy. Jaki błąd wystąpił przy montażu gniazda?
W instalacji elektrycznej, której schemat przedstawiono na rysunku, po wykonanym montażu włączono pierwszy klawisz łącznika i wszystkie żarówki się tylko żarzyły, natomiast po włączeniu drugiego klawisza, przy włączonym pierwszym, zaświeciły się cztery żarówki. W celu ustalenia przyczyny nieprawidłowego działania instalacji należy sprawdzić poprawność połączeń przewodów do zacisków

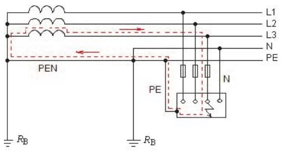
Na rysunku pokazano pętlę zwarciową w układzie typu

Fragment dokumentacji technicznej określonej jako schemat zasadniczy (ideowy) znajduje się na rysunku

Który z poniższych sposobów ochrony przed porażeniem elektrycznym jest weryfikowany przez pomiar rezystancji pętli zwarcia w instalacji elektrycznej?
Do jakiej kategorii urządzeń elektrycznych należą linie napowietrzne i kablowe?
Na którym rysunku przedstawiono przewód elektroenergetyczny stosowany do wykonywania napowietrznych przyłączy budynków mieszkalnych?

Błędne podłączenie przewodu PE zamiast N na wejściu i wyjściu wyłącznika różnicowoprądowego spowoduje
Którym symbolem graficznym oznacza się instalację prowadzoną na drabinkach kablowych?

W dokumentacji dotyczącej instalacji elektrycznej w łazience podano, że gniazdo zasilające dla pralki powinno być umieszczone poza strefą II. Jaką minimalną odległość od wanny powinno mieć to gniazdo?
W instalacjach TN-S wyłączniki różnicowoprądowe są używane jako ochrona przed
Która z wymienionych przyczyn może spowodować samoczynne wyłączenie wyłącznika nadprądowego obwodu gniazd wtyczkowych kuchni w przedstawionej instalacji?

Na podstawie przedstawionego schematu instalacji określ liczbę jednofazowych obwodów gniazd wtyczkowych.

Którego typu gniazda elektrycznego dotyczy symbol graficzny przedstawiony na ilustracji?

Jaki element przewodu oznaczony jest cyfrą 1?

Jakim kolorem oznaczona jest wkładka topikowa, której wartość prądu znamionowego wynosi 20 A?
Przedstawiona na rysunku puszka rozgałęźna przeznaczona jestdo instalacji elektrycznej natynkowejprowadzonej przewodami

Po połączeniu układu sterowania oświetlenia przekaźnikiem bistabilnym przeprowadzono kilkukrotnie próbę działania. Na podstawie diagramu działania przekaźnika i powtarzającej się tabeli działania układu można stwierdzić, że

Jakie oznaczenie, zgodnie z Europejskim Komitetem Normalizacyjnym Elektrotechniki CENELEC posiada przewód przedstawiony na rysunku?

Ile powinna wynosić minimalna liczba żył przewodów w miejscach oznaczonych X oraz Y na przedstawionym schemacie instalacji elektrycznej, aby po jej wykonaniu zgodnie z tym schematem możliwe było jednoczesne sterowanie oświetleniem w obu punktach oświetleniowych niezależnie czterema łącznikami?

Którym symbolem oznacza się, przedstawiony na rysunku, przewód do wykonania instalacji oświetleniowej wtynkowej?

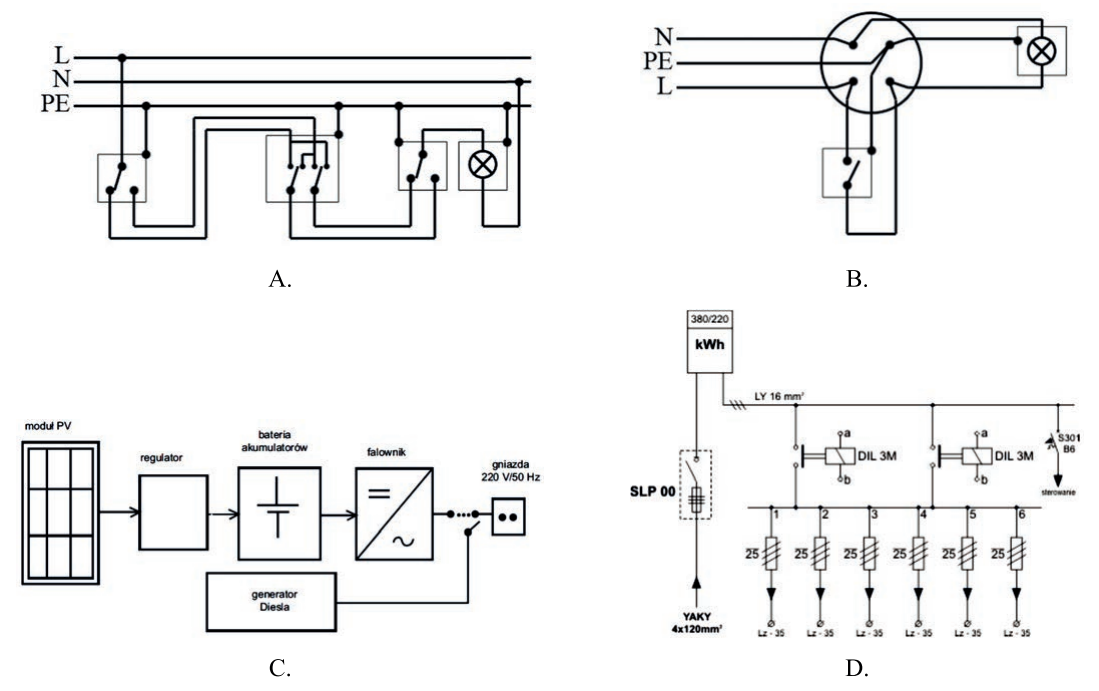
Na którym rysunku przedstawiono typ schematu, na podstawie którego istnieje możliwość lokalizacji braku ciągłości rzeczywistych połączeń w instalacji elektrycznej?

Na podstawie danych katalogowych przedstawionych w tabeli określ, którym wyłącznikiem należy zastąpić uszkodzony wyłącznik różnicowoprądowy P304 25/0,03 A w instalacji mieszkaniowej trójfazowej o napięciu znamionowym 230/400 V.
| Prąd znamionowy | 25 A | 25 A | 25 A | 25 A |
| Liczba biegunów | 2P | 4P | 4P | 2P |
| Znamionowy prąd różnicowy | 30 mA | 30 mA | 300 mA | 300 mA |
| Typ wyłączania | AC | AC | AC | AC |
| Znamionowe napięcie izolacji | 500 V | 500 V | 500 V | 500 V |
| Częstotliwość znamionowa | 50 Hz | 50 Hz | 50 Hz | 50 Hz |
| Wytrzymałość elektryczna (liczba cykli) | 2 000 | 2 000 | 2 000 | 2 000 |
| Temperatura pracy | -25°C ÷ 40°C | -25°C ÷ 40°C | -25°C ÷ 40°C | -25°C ÷ 40°C |
| Znamionowa zwarciowa zdolność łączeniowa | 15 kA | 15 kA | 15 kA | 15 kA |
| A. | B. | C. | D. |
Zakres działania wyzwalaczy elektromagnetycznych w instalacyjnych wyłącznikach nadprądowych dla charakterystyki C mieści się w przedziale
Który sposób połączenia zacisków gniazda wtyczkowego jednofazowegow instalacji mieszkaniowejpracującej w sieci TN-S jest prawidłowy?

Na rysunku przedstawiono

Który z podanych odbiorników energii elektrycznej charakteryzuje się najkorzystniejszym współczynnikiem mocy w aspekcie ekonomicznym?