Pytanie 1
Gdy prędkość wiatru zwiększy się dwukrotnie, to energia wiatru wzrośnie
Wynik: 18/40 punktów (45,0%)
Wymagane minimum: 20 punktów (50%)
Gdy prędkość wiatru zwiększy się dwukrotnie, to energia wiatru wzrośnie
Całkowity koszt materiałów do zainstalowania systemu pompy ciepła wynosi 62 000 zł, a koszt sprzętu to 8 900 zł. Wiedząc, że koszt robocizny wynosi 20 % wartości materiałów, oblicz całkowitą wartość inwestycji?
Aby w zbiorniku buforowym umożliwić dostarczanie na różnych poziomach czynnika o określonej temperaturze, trzeba zainstalować
Korzystając z przedstawionego fragmentu instrukcji określ, w jakiej odległości od odgromnika należy usytuować ogniwo fotowoltaiczne, jeżeli na budynku istnieje już instalacja antyodgromowa.
| Jeżeli istnieje już na budynku instalacja antypiorunowa, to konstrukcja mocująca generatora PV musi zostać połączona najkrótszą drogą z odgromnikiem. |
Klient, który pragnie jednocześnie uzyskiwać energię elektryczną oraz ciepło z odnawialnych źródeł, powinien rozważyć użycie
Przy transporcie kolektora słonecznego na dach, co należy zrobić?
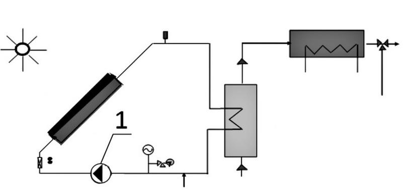
Na rysunku przedstawiono grupę pompową układu solarnego. Cyfrą 1 oznaczono

Podczas łączenia modułów fotowoltaicznych w układzie szeregowym, jakie efekty się uzyskuje?
Materiał o najwyższym współczynniku absorpcji spośród wymienionych to
Czym jest niskotemperaturowe źródło energii cieplnej?
Kogenerator w trakcie spalania np. biogazu wytwarza energię
Zawór STB w kotłach opalanych biomasą z wentylatorem i podajnikiem chroni kocioł przed
Gdzie w instalacji solarnej umieszcza się mieszacz wody użytkowej?
Jaki maksymalny roczny poziom wydajności jednostkowej może uzyskać instalacja solarna z powierzchnią absorberów kolektorów słonecznych równą 15 m2, zaplanowana do podgrzewania wody użytkowej przy dobowym zapotrzebowaniu wynoszącym 500 dm3?
Osoba inwestująca w system fotowoltaiczny, który ma zapewnić energię elektryczną dla domu jednorodzinnego i umożliwić sprzedaż nadwyżki prądu do sieci energetycznej, powinna dysponować
Nie należy stosować technologii PEX-Al-PEX w słonecznych instalacjach grzewczych, ponieważ
W celu przygotowania materiałowego zestawienia do montażu instalacji solarnej, tworzy się
W skład odnawialnych źródeł energii wchodzą
Na przedstawionym schemacie pośredniego przygotowania ciepłej wody użytkowej cyfrą 1 oznaczono

Aby ochronić kocioł na biomasę przed niską temperaturą czynnika powracającego z systemu c.o., należy zainstalować zawór
Ile wynosi współczynnik wydajności pompy ciepła COP, obliczony na podstawie danych technicznych urządzenia zamieszczonych w tabeli, dla temperatury otoczenia 7°C i temperatury wody 50°C?
| Dane techniczne | |||
|---|---|---|---|
| Warunki pomiaru | Opis | Jednostka | Wartość |
| Temp. otoczenia 7°C Temp. wody 50°C | Moc grzewcza | kW | 3,0 |
| Moc elektryczna doprowadzona do sprężarki | kW | 1,0 | |
| Pobór prądu | A | 4,5 | |
| Temp. otoczenia 2°C Temp. wody 30°C | Moc grzewcza | kW | 3,2 |
| Moc elektryczna doprowadzona do sprężarki | kW | 0,98 | |
| Pobór prądu | A | 4,45 | |
| Zasilanie elektryczne | V/Hz | 230/50 | |
| Temperatura maksymalna | °C | 60 | |
Który typ podłoża wspomaga przekazywanie ciepła do kolektora gruntowego?
Jakie narzędzie należy wykorzystać do łączenia rur miedzianych w systemie biogazowym, w obiekcie, gdzie nie można stosować technologii termicznych?
Do instalacji ogrzewania podłogowego zasilanego pompą ciepła wykorzystuje się rury
Tworząc harmonogram prac związanych z montażem instalacji do usuwania pyłów z gazów spalinowych, wybrano cyklon, którego rolą jest zatrzymywanie zanieczyszczeń powietrza pod wpływem działania
Urządzenie przedstawione na rysunku przeznaczone jest do

Głównym składnikiem biogazu jest
Jakie narzędzie powinno być zastosowane do eliminacji zadziorów powstających po przecięciu rury polietylenowej o średnicy 40 mm?
Jaka jest najbardziej korzystna wartość współczynnika efektywności pompy ciepła COP?
W trakcie modernizacji elektrowni wodnej dokonano wymiany turbiny na nowy model o znamionowym przepływie Qn większym o 20%. Następnie zainstalowano rurę ssącą, co spowodowało wzrost użytecznego spadu Hu na turbinie z 1,6 m do 2 m. W rezultacie moc nominalna elektrowni Pn, wyrażona równaniem Pn = 9,81xQnxHuxη, wzrosła o około
Największa dozwolona wysokość hałd przy magazynowaniu materiału aktywnego biologicznie powinna wynosić
Jaką maksymalną różnicę temperatur Δt pomiędzy kolektorem a zbiornikiem solarnym należy osiągnąć, aby uruchomić pompę solarną?
W jakiej technologii łączy się kolektor słoneczny z wymiennikiem ciepła?
W ciągu roku pompa ciepła funkcjonowała przez 1 950 godzin, pobierając średnio moc wynoszącą około 1,67 kW. To przekłada się na roczne zużycie energii równe 3 257 kWh, głównie w czasie nocnej taryfy. Zakładając przeciętny koszt 1 kWh na poziomie 0,30 zł, ile wyniesie roczny wydatek na ogrzewanie oraz przygotowanie CWU?
Do kotła, który spala zrębki, można za jednym razem załadować 0,5 m3 paliwa. W ciągu 24 godzin kocioł powinien być załadowany 3 razy. Jaki będzie tygodniowy koszt paliwa, jeśli jego cena za 1 m3 wynosi 50,00 zł?
Która z boków dachu jest najodpowiedniejsza do instalacji kolektorów słonecznych?
Klejenie stanowi kluczową metodę łączenia rur oraz kształtek
Aby chronić instalację centralnego ogrzewania przed nadmiernym wzrostem ciśnienia czynnika grzewczego spowodowanym temperaturą i związanym ze wzrostem objętości, należy zastosować
Umiejscowienie kolektorów gruntowych należy realizować
Do pełnego systemu fotowoltaicznego, który produkuje energię elektryczną z wykorzystaniem energii słonecznej, zaliczają się: