Pytanie 1
Badanie złącza p-n w tranzystorze bipolarnym można przeprowadzić przy użyciu
Wynik: 8/40 punktów (20,0%)
Wymagane minimum: 20 punktów (50%)
Badanie złącza p-n w tranzystorze bipolarnym można przeprowadzić przy użyciu
Multiswitch to urządzenie, które pozwala na
Jakie urządzenie jest łączone za pomocą interfejsu SATA?
Na rysunku przedstawiony jest symbol

Która z poniższych czynności nie należy do konserwacji instalacji urządzeń elektronicznych?
Multimetr oznaczony symbolem X na rysunku mierzy

Jakiego pomiaru można dokonać za pomocą pirometru przedstawionego na rysunkach?

W jakiej kolejności należy wykonać czynności związane z wymianą kamery w systemie telewizji dozorowej?
| A. | B. |
| archiwizacja nagrań, odłączenie rejestratora od zasilania, odłączenie przewodów od kamery, wymiana kamery, podłączenie przewodów do kamery, podłączenie rejestratora do zasilania, rozpoczęcie rejestracji. | odłączenie rejestratora od zasilania, archiwizacja nagrań, odłączenie przewodów od kamery, wymiana kamery, podłączenie przewodów do kamery, podłączenie rejestratora do zasilania, rozpoczęcie rejestracji. |
| C. | D. |
| archiwizacja nagrań, odłączenie przewodów od kamery, odłączenie rejestratora od zasilania, wymiana kamery, podłączenie przewodów do kamery, rozpoczęcie rejestracji, podłączenie rejestratora do zasilania. | archiwizacja nagrań, odłączenie rejestratora od zasilania, odłączenie przewodów od kamery, wymiana kamery, podłączenie rejestratora do zasilania, podłączenie przewodów do kamery, rozpoczęcie rejestracji. |
W tabeli wymieniono dane techniczne
| Przetwornik | 2 Mpx high-performance CMOS |
| Rozdzielczość | 1920 × 1080 (2 Mpx) |
| Czułość | 0 lux z IR |
| Obiektyw | 2,8 mm |
| Kąt widzenia | 103° |
| Funkcje | AGC, BLC, DWDR |
| Zasilanie | 12 V DC |
| Zastosowanie | Zewnętrzne, IP66 |
Aby podłączyć sygnalizator optyczno-akustyczny z syreną, należy zastosować złącze śrubowe. Mając na uwadze, że syrena działa na napięciu 24 V i zużywa prąd 3,45 A, wskaż odpowiednie złącze spełniające te parametry?
Jakie narzędzie wykorzystuje się do usuwania resztek topnika z płytek drukowanych?
Który z wymienionych komponentów obwodów elektronicznych wytwarza sygnał napięciowy pod działaniem pola magnetycznego i znajduje zastosowanie w miernikach pola magnetycznego?
W tabeli przedstawiono wybrane dane techniczne regulatora. Który czujnik można podłączyć bezpośrednio do wejścia tego urządzenia?
| Napięcie zasilające | 230 V AC; 50 Hz |
| Wejście pomiarowe | Pt100/Pt500/Pt1000 |
| Rezystancja przewodów pomiarowych | maksymalnie 20 Ω w każdym przewodzie |
| Wyjścia przekaźnikowe | 2 styki zwierne; 2 A/250 V AC (cosφ=1) |
| Interfejs komunikacyjny | RS485 |
| Szybkość transmisji | 1 200 b/s ÷ 115 200 b/s |
| Pamięć danych | EEPROM |
Miernik cęgowy przedstawiony na rysunku służy do pomiaru

Wykonano pomiar napięcia stałego za pomocą woltomierza cyfrowego w zakresie 20 V, uzyskując wynik 5 V. Błąd przyrządu wynosi ± 1 % ± 2 D, a pole odczytowe miernika to 3,5 cyfry. Która forma zapisu wyniku pomiaru jest właściwa?
Gdy po zainstalowaniu domofonu i podłączeniu zasilania w słuchawce słychać piski, co należy zrobić?
Brak odpowiedzi na to pytanie.
Zerowanie omomierza to proces polegający na
Brak odpowiedzi na to pytanie.
W układzie sterowania automatyki przemysłowej został uszkodzony tyrystor BT138-600. Na podstawie parametrów przedstawionych w tabeli dobierz tyrystor zastępczy.
| Typ | UDRM | IT(RMS) | ITSM | IGT | UGT |
|---|---|---|---|---|---|
| V | A | A | mA | V | |
| BT136-500 | 500 | 4 | 25 | 35 | 1,5 |
| BT138-600 | 600 | 12 | 90 | 35 | 1,5 |
| BT138-800 | 800 | 12 | 90 | 35 | 1,5 |
| BT138-500F | 500 | 12 | 90 | 35 | 1,5 |
| BTA16-800B | 800 | 16 | 160 | 50 | 1,5 |
Brak odpowiedzi na to pytanie.
Jaką funkcję pełni rezystor RE we wzmacniaczu OE, którego schemat przedstawiono na rysunku?

Brak odpowiedzi na to pytanie.
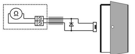
Jaką rezystancję powinien wskazać omomierz, jeżeli podczas normalnej pracy elektrozaczep zasilany 12 V DC pobiera prąd o natężeniu 500 mA?

Brak odpowiedzi na to pytanie.
W analizowanym układzie przeprowadzono pomiar rezystancji Rx. Zgodnie z normami wartość rezystancji Rx=(10,06±0,03) Ω. Który z wyników pomiarowych nie jest zgodny z normą?
Brak odpowiedzi na to pytanie.
W systemach zabezpieczeń najbardziej podatna na przeciągi w strzeżonym pomieszczeniu jest
Brak odpowiedzi na to pytanie.
W specyfikacji diody prostowniczej znajduje się maksymalny średni prąd obciążenia (Ifav) oraz maksymalny szczytowy prąd przewodzenia (Ifsm). Jaką relację można zapisać między tymi wartościami?
Brak odpowiedzi na to pytanie.
Skutkiem widocznego na zdjęciu zaśnieżenia anteny jest

Brak odpowiedzi na to pytanie.
Programowanie mikrokontrolera bez konieczności jego wylutowania z obwodu jest realizowane za pomocą metody
Brak odpowiedzi na to pytanie.
W procesie technologicznym konieczne jest, aby w pomieszczeniu o objętości 18 m3 utrzymywana była temperatura 40 st. C +- 5 st. C. Najczęściej wybieranym urządzeniem do sterowania elementami grzejnymi będzie
Brak odpowiedzi na to pytanie.
Jakie jest przybliżone wartości rezystancji trzech rezystorów połączonych równolegle, jeżeli rezystancja każdego z nich wynosi 30 kΩ?
Brak odpowiedzi na to pytanie.
Zaciski wyjściowe przekaźnika czujnika ruchu nie są oznaczone literami
Brak odpowiedzi na to pytanie.
Która z poniższych czynności nie należy do serwisowania systemu domofonowego?
Brak odpowiedzi na to pytanie.
Jaką czynność należy wykonać najpierw, gdy podczas serwisowania instalacji antenowej telewizji naziemnej zauważono obniżenie poziomu sygnału antenowego?
Brak odpowiedzi na to pytanie.
Weryfikacja parametrów instalacji antenowej DVB-T wymaga dokonania
Brak odpowiedzi na to pytanie.
Całkowity koszt wykonania instalacji alarmowej, przy wartości materiałów wynoszącej 2 000 zł netto oraz kosztach robocizny w wysokości 1 000 zł netto, wyniesie ile, jeżeli materiały są objęte 23% a usługa 8% podatkiem VAT?
Brak odpowiedzi na to pytanie.
Do połączenia przerwanego kabla doprowadzającego sygnał telewizyjny do gniazda abonenckiego wykorzystuje się łącznik wtyków F (beczka) przedstawiony na rysunku

Brak odpowiedzi na to pytanie.
Jaką rolę pełnią przedstawione na rysunkach elementy?

Brak odpowiedzi na to pytanie.
Na ilustracji przedstawiono tester

Brak odpowiedzi na to pytanie.
Metalowa obudowa urządzenia elektronicznego powinna być połączona z przewodem ochronnym instalacji zasilającej poprzez przewód o izolacji w odcieniu
Brak odpowiedzi na to pytanie.
Urządzenie pozwalające na podłączenie większej ilości czujników do systemu alarmowego nosi nazwę
Brak odpowiedzi na to pytanie.
Do styku oznaczonego jako TMP w czytniku kart umiejscowionym przy wejściu należy podłączyć
Brak odpowiedzi na to pytanie.
Czujnik kontaktronowy, często wykorzystywany w systemach alarmowych, zmienia swój stan pod wpływem
Brak odpowiedzi na to pytanie.
Co należy zrobić, gdy pracownik, który został odizolowany od źródła prądu, jest nieprzytomny, ale zachowuje prawidłowy oddech oraz funkcje serca?
Brak odpowiedzi na to pytanie.