Pytanie 1
Który z pomiarów służy do oceny efektywności zabezpieczenia przed dotykiem bezpośrednim w instalacjach do 1 kV?
Wynik: 31/40 punktów (77,5%)
Wymagane minimum: 20 punktów (50%)
Który z pomiarów służy do oceny efektywności zabezpieczenia przed dotykiem bezpośrednim w instalacjach do 1 kV?
Który zestaw oznaczeń literowych barw izolacji żył jest właściwy dla przewodu przedstawionego na ilustracji?

Jakiej z wymienionych czynności nie przeprowadza się w trakcie oględzin urządzenia napędowego z silnikiem elektrycznym podczas pracy?
Podaj skuteczność świetlną źródła światła o etykiecie przedstawionej na rysunku.

Narzędzie przedstawione na ilustracji przeznaczone jest

Jaką maksymalną wartość impedancji pętli zwarcia powinien mieć obwód o napięciu 230/400 V, aby wyłącznik instalacyjny nadprądowy C10 mógł skutecznie zapewnić ochronę przed porażeniem?
Który z podanych łączników elektrycznych jest przeznaczony do osobnego sterowania dwiema sekcjami oświetlenia w żyrandolu?
Woltomierz działający na zasadzie magnetoelektrycznej, który mierzy napięcie sinusoidalnie z dodatkiem składowej stałej, wskaże wartość
Na rysunku przedstawiono symbol graficzny

Którym symbolem graficznym oznacza się instalację prowadzoną na drabinkach kablowych?

Jakie oznaczenie powinna posiadać wkładka topikowa do ochrony przewodów przed skutkami zwarć i przeciążeń w obwodzie jednofazowego elektrycznego bojlera o parametrach znamionowych: PN = 3 kW, UN = 230 V?
Które czynności powinien wykonać elektryk, posiadający uprawnienia do eksploatacji urządzeń i instalacji do 1 kV, przed wymianą uszkodzonego wyłącznika nadprądowego B16 w obwodzie gniazd wtyczkowych, aby nie pozbawić zasilania płyty grzewczej i piekarnika?

Który z łączników instalacyjnych przedstawionych na rysunkach należy zastosować w układzie realizującym sterowanie oświetleniem z dwóch miejsc?

Wkładka topikowa bezpiecznika oznaczona symbolem gL służy do ochrony
Który rodzaj przewodu przedstawiono na rysunku?

Narzędziem niezbędnym do wymiany łącznika pokazanego na zdjęciu jest wkrętak

Który łącznik przedstawiono na rysunku?

Jaką z wymienionych czynności kontrolnych należy przeprowadzić po zainstalowaniu trójfazowego silnika elektrycznego?
Które z poniższych oznaczeń dotyczy wyłącznika silnikowego?
Na podstawie tabeli 2 dobierz dławik indukcyjny do oprawy oświetleniowej, w której znajdują się dwie świetlówki o długości 60 cm, wybrane z tabeli 1.

Jaką metodę należy zastosować do bezpośredniego pomiaru rezystancji przewodów?
Jakie działania są uwzględnione w procederze oględzin systemu elektrycznego w budynku mieszkalnym?
W jakiej kolejności należy włączać styczniki w układzie przedstawionym na schemacie, aby przeprowadzić prawidłowy rozruch silnika, przy zamkniętym wyłączniku Q1?

Jakie oznaczenia oraz jaka wartość minimalnego prądu znamionowego powinna mieć wkładka topikowa, służąca do ochrony przewodów przed skutkami zwarć i przeciążeń w obwodzie jednofazowego elektrycznego bojlera o danych znamionowych: PN = 3 kW, UN = 230 V?
W trakcie korzystania z instalacji elektrycznej często dochodzi do zadziałania wyłącznika różnicowoprądowego. Jakie mogą być przyczyny tej usterki?
Rysunek przedstawia oprawę oświetlenia

Jakie czynności nie są częścią przeglądów instalacji elektrycznej?
Jakie urządzenia elektryczne są częścią instalacji przyłączeniowej obiektu budowlanego?
Na podstawie opisu określ, jaką puszkę instalacyjną przedstawiono na rysunku.

W celu sprawdzenia poprawności działania dwóch wyłączników różnicowoprądowych EFI-2-25/003 pracujących w instalacji elektrycznej zmierzono ich różnicowe prądy zadziałania. Na podstawie wyników pomiarów zamieszczonych w tabeli, określ poprawność działania tych wyłączników przy założeniu, że zmierzony różnicowy prąd zadziałania powinien wynosić (0,5 ÷ 1) IΔN.
| Wyłącznik różnicowoprądowy | Zmierzony prąd różnicowoprądowy IΔ w mA |
|---|---|
| 1 | 15 |
| 2 | 25 |
Który schemat montażowy instalacji oświetleniowej przedstawionej na zamieszczonym planie jest prawidłowy?

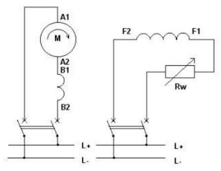
Którego silnika dotyczy przedstawiony schemat?

Który rodzaj źródła światła przedstawiono na ilustracji?

Jaką wielkość przekroju powinien mieć przewód ochronny PE, który stanowi żyłę w wielożyłowym przewodzie, jeżeli przewody fazowe mają przekrój 16 mm2?
Które aparaty oznaczono na schemacie cyframi 1 i 2?

Miernikiem, którego przełącznik zakresów przedstawiono na rysunku, nie można zmierzyć

Na której ilustracji przedstawiono kabel typu YAKY?

Który przewód jest oznaczony literami PE?
W instalacjach elektrycznych w budynkach mieszkalnych o napięciu 230 V nie wolno używać opraw oświetleniowych zrealizowanych w klasie ochrony
Wyznacz całkowity względny błąd pomiarowy rezystancji izolacyjnej przewodów, jeśli wskazania miernika wyniosły 200,0 MΩ, a jego niepewność to ± (3% w.w. + 8 cyfr)?