Pytanie 1
Podczas użytkowania standardowej instalacji z żarowym źródłem światła zaobserwowano po kilku minutach działania częste wahania natężenia oświetlenia (migotanie światła). Najrzadziej występującą przyczyną usterki może być
Wynik: 18/40 punktów (45,0%)
Wymagane minimum: 20 punktów (50%)
Podczas użytkowania standardowej instalacji z żarowym źródłem światła zaobserwowano po kilku minutach działania częste wahania natężenia oświetlenia (migotanie światła). Najrzadziej występującą przyczyną usterki może być
To pytanie jest dostępne tylko dla zalogowanych użytkowników. Zaloguj się lub utwórz konto aby zobaczyć pełną treść pytania.
Odpowiedzi dostępne po zalogowaniu.
Wyjaśnienie dostępne po zalogowaniu.
To pytanie jest dostępne tylko dla zalogowanych użytkowników. Zaloguj się lub utwórz konto aby zobaczyć pełną treść pytania.
Odpowiedzi dostępne po zalogowaniu.
Wyjaśnienie dostępne po zalogowaniu.
Które z wymienionych urządzeń służy do ochrony przewodów w systemach elektrycznych przed skutkami zwarć?
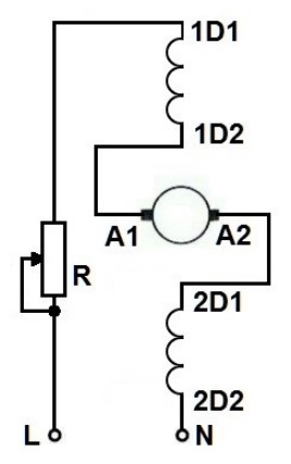
Jaka jest przyczyna pojawiających się zakłóceń RTV w czasie pracy jednofazowego silnika komutatorowego połączonego w układzie, którego schemat przedstawiono na rysunku?

To pytanie jest dostępne tylko dla zalogowanych użytkowników. Zaloguj się lub utwórz konto aby zobaczyć pełną treść pytania.
Odpowiedzi dostępne po zalogowaniu.
Wyjaśnienie dostępne po zalogowaniu.
Którego z przedstawionych urządzeń należy użyć do zabezpieczenia przed skutkami zmiany kolejności faz i zaniku napięcia fazowego w instalacji elektrycznej?

Jakie urządzenie jest wykorzystywane do ochrony przewodów instalacyjnych przed skutkami przeciążeń?
Który z poniższych przyrządów pozwala na zidentyfikowanie przerwy w przewodzie PE techniką bezpośrednią?
Którymi numerami oznaczono na rysunku z dokumentacji techniczno-ruchowej części zamienne, wchodzące w skład silnika szlifierki?

To pytanie jest dostępne tylko dla zalogowanych użytkowników. Zaloguj się lub utwórz konto aby zobaczyć pełną treść pytania.
Odpowiedzi dostępne po zalogowaniu.
Wyjaśnienie dostępne po zalogowaniu.
Jakiej informacji nie jest konieczne zawarcie w instrukcji użytkowania instalacji elektrycznych chronionych wyłącznikami nadmiarowo-prądowymi?
Który z wymienionych bezpieczników powinien być użyty, aby chronić przed skutkami zwarć trójfazowego silnika klatkowego o prądzie znamionowym In = 12 A, jeśli jego prąd rozruchowy Ir = 5×In, a współczynnik rozruchu α = 3?
To pytanie jest dostępne tylko dla zalogowanych użytkowników. Zaloguj się lub utwórz konto aby zobaczyć pełną treść pytania.
Odpowiedzi dostępne po zalogowaniu.
Wyjaśnienie dostępne po zalogowaniu.
To pytanie jest dostępne tylko dla zalogowanych użytkowników. Zaloguj się lub utwórz konto aby zobaczyć pełną treść pytania.
Odpowiedzi dostępne po zalogowaniu.
Wyjaśnienie dostępne po zalogowaniu.
Jak wpłynie na wartość mocy generowanej przez elektryczny grzejnik, jeśli długość jego spirali grzejnej zostanie skrócona o 50%, a napięcie zasilające pozostanie niezmienne?
W jaki sposób zareaguje trójfazowy silnik indukcyjny obciążony momentem znamionowym po podłączeniu zasilania, jeśli jeden z fazowych przewodów zasilających został odłączony od zacisku silnika?
Kontrole okresowe instalacji elektrycznych niskiego napięcia powinny być realizowane co najmniej raz na
W tabeli zamieszczono wyniki pomiarów parametrów wyłączników różnicowoprądowych. Które z wyłączników mogą być dalej eksploatowane w instalacji elektrycznej?
| Lp. | Typ urządzenia różnicowoprądowego | Test | IΔn mA | Iw mA | tw ms | tz ms | Ud V |
|---|---|---|---|---|---|---|---|
| 1 | P 304 80-500-S | tak | 500 | 315 | 252 | 500 | < 1 |
| 2 | P 304 25-100-AC | nie | 100 | 68 | 45 | 200 | < 1 |
| 3 | P 304 25-30-AC | tak | 30 | 33 | 26 | 200 | 2 |
| 4 | P 312 B-20-30-AC | tak | 30 | 11 | 22 | 200 | 1 |
| 5 | P 312 B-20-30-AC | tak | 30 | 22 | 25 | 200 | < 1 |
| 6 | P 312 B-20-30-AC | tak | 30 | 22 | 215 | 200 | 2 |
| IΔn - prąd różnicowy urządzenia różnicowoprądowego, mA Iw - zmierzony prąd różnicowy zadziałania, mA tw - zmierzony czas zadziałania, ms tz - największy dopuszczalny czas zadziałania, ms Ud - spodziewane napięcie dotykowe w czasie zwarcia, V | |||||||
Jakie konsekwencje wystąpią w instalacji elektrycznej po zamianie przewodów ADY 2,5 mm2 na DY 2,5 mm2?
Jaki będzie efekt przesterowania przekształtnika w układzie napędowym przedstawionym na rysunku, wywołanego chwilowym wzrostem momentu obciążenia pracującego silnika, jeżeli wielkością kontrolowaną na wyjściu układu jest jego prędkość obrotowa?

W trakcie pomiarów impedancji pętli zwarcia obwodu gniazda jednofazowego 230 V przyrząd wskazał wartość ZS = 4,5 Ω. Którym z przedstawionych na rysunkach aparatów należy zabezpieczyć mierzony obwód, aby zapewnić ochronę przy uszkodzeniu, realizowaną przez samoczynne wyłączenie zasilania?

Regularne kontrole eksploatacyjne instalacji elektrycznej w budynku jednorodzinnym powinny być realizowane co najmniej raz na
Której z poniższych czynności nie da się zrealizować podczas próbnego uruchamiania zgrzewarki oporowej?
Przy eksploatacji odbiornika, oznaczonego przedstawionym symbolem, przewód zasilający

Którego z przedstawionych urządzeń można użyć do ochrony przeciwporażeniowej w układzie sieciowym TN-C?




Jakie z poniższych warunków powinno być spełnione w instalacji mieszkalnej, aby zagwarantować minimalną ochronę przed porażeniem prądem elektrycznym?
Podczas przeprowadzania okresowych pomiarów instalacji elektrycznej w układzie TN-S, w jednym z obwodów gniazd jednofazowych 230 V stwierdzono zbyt wysoką wartość impedancji pętli zwarcia. Jakie działania należy podjąć w pierwszej kolejności, aby zidentyfikować problem?
Jakie będą konsekwencje zmiany w instalacji elektrycznej w budynku mieszkalnym przewodów ADG 1,5 mm2 na przewody DY 1,5 mm2?
Przed którym z wymienionych rodzajów uszkodzeń transformatora energetycznego olejowego 15/0,4 kV 2500 kVA nie chroni zabezpieczenie przedstawione na rysunku

To pytanie jest dostępne tylko dla zalogowanych użytkowników. Zaloguj się lub utwórz konto aby zobaczyć pełną treść pytania.
Odpowiedzi dostępne po zalogowaniu.
Wyjaśnienie dostępne po zalogowaniu.
Zgodnie z zasadami przestrzegania tajemnicy zawodowej i tajemnicy przedsiębiorstwa, pracownik nie ujawnia informacji
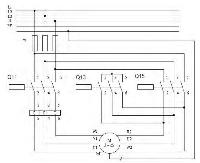
W układzie zasilania silnika, którego schemat przedstawiono na rysunku, uszkodzeniu uległ stycznik Q11. Której kategorii użytkowania powinien być stycznik przeznaczony do wymiany uszkodzonego?

Który z wymienionych przetworników należy zastosować do pomiaru momentu obrotowego działającego na wał napędowy silnika elektrycznego?
Który z wymienionych materiałów eksploatacyjnych nie jest konieczny do wykorzystania przy przezwajaniu trójfazowego silnika indukcyjnego o mocy 7,5 kW?
Który z silników o parametrach zamieszczonych w tabeli może pracować zgodnie z przedstawionym układem zasilania bez przerw przy znamionowym obciążeniu?
| Parametry znamionowe | |||||
|---|---|---|---|---|---|
| Silnik 1. | 5,5 kW | 400/690 V Δ/Y | IP55 | S2 | 2 920 obr./min |
| Silnik 2. | 1,5 kW | 400/690 V Δ/Y | IP45 | S1 | 1 430 obr./min |
| Silnik 3. | 5,5 kW | 230/400 V Δ/Y | IP55 | S1 | 2 920 obr./min |
| Silnik 4. | 1,5 kW | 230/400 V Δ/Y | IP45 | S2 | 1 430 obr./min |

To pytanie jest dostępne tylko dla zalogowanych użytkowników. Zaloguj się lub utwórz konto aby zobaczyć pełną treść pytania.
Odpowiedzi dostępne po zalogowaniu.
Wyjaśnienie dostępne po zalogowaniu.
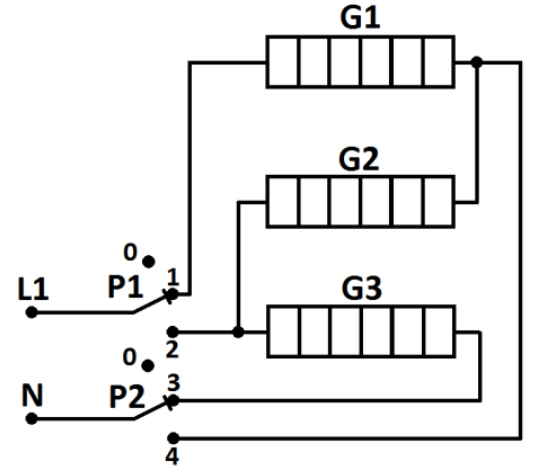
Na podstawie zawartych w tabeli wyników pomiarów rezystancji wykonanych na zaciskach L1 i N grzejnika jednofazowego, przedstawionego na schemacie, określ stan techniczny jego grzałek.
| Położenie przełącznika P1 | Położenie przełącznika P2 | Rezystancja między zaciskami L1 i N w Ω |
|---|---|---|
| 1 | 3 | ∞ |
| 1 | 4 | ∞ |
| 2 | 3 | 44 |
| 2 | 4 | 53 |

W układzie przedstawionym na schemacie dokonano sprawdzenia wyłącznika pokazanego na zdjęciu. Przy której wartości prądu wskazywanej przez amperomierz nie powinien zadziałać sprawny wyłącznik?

Do sprawdzenia poprawności łączenia styków łącznika krzyżowego wykorzystano omomierz, którego wskazania przedstawiono w tabeli. Na podstawie zamieszczonych wyników pomiarów określ miejsce i rodzaj usterki.
| WYNIKI POMIARÓW | ||
| Numer styku | Przed przełączeniem | Po przełączeniu |
| 1-2 | ∞ | 0 |
| 1-4 | 0 | ∞ |
| 2-3 | 0 | 0 |
| 1-3 | ∞ | 0 |
| 2-4 | ∞ | ∞ |
