Pytanie 1
Kto jest zobowiązany do utrzymania odpowiedniego stanu technicznego układów pomiarowych i rozliczeniowych energii elektrycznej w biurowcu?
Wynik: 27/40 punktów (67,5%)
Wymagane minimum: 20 punktów (50%)
Kto jest zobowiązany do utrzymania odpowiedniego stanu technicznego układów pomiarowych i rozliczeniowych energii elektrycznej w biurowcu?
To pytanie jest dostępne tylko dla zalogowanych użytkowników. Zaloguj się lub utwórz konto aby zobaczyć pełną treść pytania.
Odpowiedzi dostępne po zalogowaniu.
Wyjaśnienie dostępne po zalogowaniu.
Jakie zadanie związane z utrzymaniem sprawności technicznej instalacji elektrycznej spoczywa na dostawcy energii?
Którymi numerami oznaczono na rysunku z dokumentacji techniczno-ruchowej części zamienne, wchodzące w skład silnika szlifierki?

Jaka jest minimalna wartość natężenia oświetlenia, która powinna być zapewniona w klasie, jeżeli na biurkach uczniów nie są umieszczone monitory ekranowe?
Która z przedstawionych tabel zawiera minimalne wartości napięć probierczych i rezystancji izolacji, wymagane dla instalacji elektrycznych do 1 kV?

Która z wymienionych norm elektrycznych wprowadza normę europejską?
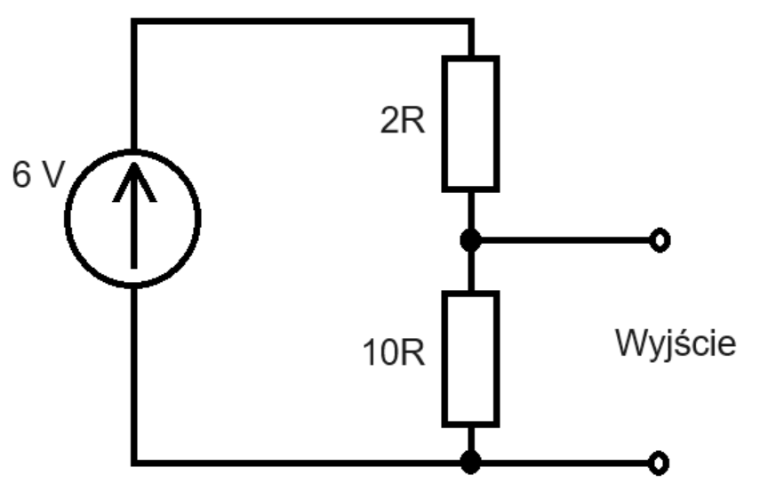
Układ przedstawiony na schemacie pełni funkcję

Inspekcje instalacji u odbiorców energii elektrycznej powinny być realizowane nie rzadziej niż co
To pytanie jest dostępne tylko dla zalogowanych użytkowników. Zaloguj się lub utwórz konto aby zobaczyć pełną treść pytania.
Odpowiedzi dostępne po zalogowaniu.
Wyjaśnienie dostępne po zalogowaniu.
Które z przedstawionych na rysunkach oznaczeń powinno się znajdować na wyłączniku różnicowoprądowym przeznaczonym do ochrony przeciwporażeniowej w sieci prądu stałego?

Wirnik w szlifierce uległ uszkodzeniu. Na schemacie z dokumentacji techniczno-ruchowej jest on oznaczony numerem

Jakie grupy połączeń transformatorów trójfazowych działających w konfiguracji trójkąt-gwiazda są rekomendowane przez PN do zastosowań praktycznych?
Osoby zajmujące się naprawą instalacji elektrycznych w budynkach mieszkalnych powinny posiadać
Jak często powinny być przeprowadzane okresowe kontrole użytkowe instalacji elektrycznej w budynku jednorodzinnym, minimalnie raz w czasie?
Zgodnie z zasadami przestrzegania tajemnicy zawodowej i tajemnicy przedsiębiorstwa, pracownik nie ujawnia informacji
Czas pomiędzy kolejnymi kontroli oraz próbami instalacji elektrycznych w budynkach użyteczności zbiorowej nie powinien przekraczać
To pytanie jest dostępne tylko dla zalogowanych użytkowników. Zaloguj się lub utwórz konto aby zobaczyć pełną treść pytania.
Odpowiedzi dostępne po zalogowaniu.
Wyjaśnienie dostępne po zalogowaniu.
Które z poniższych wymagań nie jest konieczne do spełnienia przy wprowadzaniu do użytku po remoncie urządzenia napędowego z silnikiem trójfazowym Pn = 15 kW, Un = 400 V (Δ), fn = 50 Hz?
Przewodem o jakim przekroju powinno się wykonać obwody gniazd wtyczkowych w instalacji mieszkaniowej podtynkowej?
Które z wymienionych czynności przy instalacjach elektrycznych do 1 kV wymagają wydania polecenia?
Dokumentacja użytkowania instalacji elektrycznych, które są chronione wyłącznikami nadmiarowo-prądowymi, nie musi zawierać
W którym z wymienionych przypadków instalacja elektryczna w pomieszczeniu biurowym musi być poddawana konserwacji i naprawie?
Który z przedstawionych znaków bezpieczeństwa należy umieścić w widocznym miejscu przy urządzeniu elektrycznym, dla którego obowiązuje czasowy zakaz uruchamiania?




Kto jest zobowiązany do opracowania planów regularnych przeglądów oraz konserwacji instalacji elektrycznej w obiekcie mieszkalnym?
To pytanie jest dostępne tylko dla zalogowanych użytkowników. Zaloguj się lub utwórz konto aby zobaczyć pełną treść pytania.
Odpowiedzi dostępne po zalogowaniu.
Wyjaśnienie dostępne po zalogowaniu.
Kontrole instalacji elektrycznej w obiektach użyteczności publicznej powinny być przeprowadzane nie rzadziej niż co
Dokumentacja użytkowania instalacji elektrycznych chronionych wyłącznikami nadprądowymi nie musi obejmować
Gdy prace pomiarowe i kontrolne w instalacjach elektrycznych są wymagane do wykonania przez dwie osoby, to osoba przeprowadzająca pomiary powinna mieć odpowiednie kwalifikacje, a druga osoba wspierająca
Jakiej informacji nie jest konieczne zawarcie w instrukcji użytkowania instalacji elektrycznych chronionych wyłącznikami nadmiarowo-prądowymi?
Osoby wykonujące wymianę instalacji elektrycznej o napięciu 230/400 V w obiekcie przemysłowym powinny mieć kwalifikacje potwierdzone świadectwem, które jest co najmniej typu
To pytanie jest dostępne tylko dla zalogowanych użytkowników. Zaloguj się lub utwórz konto aby zobaczyć pełną treść pytania.
Odpowiedzi dostępne po zalogowaniu.
Wyjaśnienie dostępne po zalogowaniu.
Który z wymienionych elementów nie powinien być używany jako uziom PE?
Kontrola instalacji elektrycznych w obiektach użyteczności publicznej powinna być przeprowadzana nie rzadziej niż co
W którym wierszu tabeli protokołu ze sprawdzenia skuteczności samoczynnego wyłączenia napięcia, którego fragment przedstawiono na rysunku, należy w kolumnie "Ocena" wpisać "nie"?
| Lp. | Nazwa obwodu lub urządzenia | Typ zabezpieczenia | In A | Ia A | Zs Ω | Zs Ω | tw s | Ocena tak/nie |
|---|---|---|---|---|---|---|---|---|
| parter | ||||||||
| 1 | tablica TO-1 | WT gG | 63 | 269 | 0,44 | 0,78 | 5 | |
| 2 | gniazdo 10A/Z | S191 B | 10 | 50 | 0,98 | 4,60 | 0,4 | |
| 3 | gniazdo 10A/Z | S191 B | 10 | 50 | 8,80 | 4,60 | 0,4 | |
| 4 | gniazdo podwójne 10A/Z bolec 1 | P 121 | 0,03 | 0,03 | 2 | 1667 | 0,2 | |
| In – prąd znamionowy urządzenia dla urządzeń RCD In = IΔn | ||||||||
| Ia – prąd powodujący samoczynne wyłączenie: Ia = k·In, dla urządzeń RCD Ia = IΔn | ||||||||
| k – współczynnik przeliczony z charakterystyki czasowo-prądowej badanego typu zabezpieczenia | ||||||||
| Zs – impedancja pętli zmierzona | ||||||||
| Zs – największa dopuszczalna impedancja pętli: Zs = Wk·U0/Ia | ||||||||
| gdzie Wk - współczynnik korekcyjny obostrzający wartość wymaganą | ||||||||
| tw – największy dopuszczalny czas zadziałania zabezpieczenia | ||||||||
Zgodnie z aktualnymi regulacjami, czas pomiędzy następnymi kontrolami skuteczności ochrony przed porażeniem prądem dla instalacji elektrycznych w pomieszczeniach z wyziewami żrącymi, w strefach zagrożonych wybuchem oraz na terenie otwartym nie może przekraczać
Kto powinien sporządzać plany okresowych kontroli i napraw instalacji elektrycznej w budynku mieszkalnym?
Jakie czynności związane z eksploatacją instalacji elektrycznych powinny być realizowane jedynie na podstawie pisemnego zlecenia?
W przypadku gdy instrukcje stanowiskowe nie określają szczegółowych terminów, przegląd urządzeń napędowych powinien być przeprowadzany przynajmniej raz na
Które z poniższych działań nie są przypisane do zadań eksploatacyjnych osób obsługujących urządzenia elektryczne?