Pytanie 1
Na którym rysunku przedstawiono żarówkę halogenową?

Wynik: 16/40 punktów (40,0%)
Wymagane minimum: 20 punktów (50%)
Na którym rysunku przedstawiono żarówkę halogenową?

Na której ilustracji przedstawiono kabel przeznaczony do wykonania trójfazowego przyłącza ziemnego do budynku jednorodzinnego w sieci TN-S?

W jakim typie układu sieciowego można zrealizować instalację trójfazową za pomocą przewodu trzyżyłowego?
Który z poniższych jest podstawowym elementem ochrony przeciwporażeniowej w instalacjach elektrycznych?
Który element instalacji, montowany w rozdzielnicy, przedstawiono na rysunku?

Jakie narzędzia, poza przymiaru kreskowego i młotka, należy wybrać do instalacji sztywnych rur elektroinstalacyjnych z PVC?
Jakie akcesoria są wymagane do podłączenia gniazda wtyczkowego do instalacji zrealizowanej przewodami LY?
Który z przedstawionych na rysunkach zestawów narzędzi należy dobrać do montażu elementów mieszkaniowych instalacji elektrycznych?

W układzie zasilania jakiej lampy oświetleniowej wykorzystuje się tyrystorowy system zapłonowy?
Kabel oznaczony symbolem DYd 750 jest wykonany z
Na którym rysunku przedstawiono prawidłowe połączenie łącznika świecznikowego z żyrandolem?

Jaki rodzaj łącznika zastosowany jest w obwodzie przedstawionym na schemacie?

Który element przedstawiono na ilustracji?

Jakie urządzenia elektryczne są częścią instalacji przyłączeniowej obiektu budowlanego?
Rysunek przedstawia sposób zainstalowania urządzenia ochronnego różnicowoprądowego w sieci typu

Który z wymienionych parametrów można zmierzyć przyrządem przedstawionym na ilustracji?

Do ochrony obwodu przed przeciążeniem oraz zwarciem wykorzystuje się wyłącznik
Które oznaczenie dotyczy przedstawionego trzonka elektrycznego źródła światła?

Który z symboli przedstawionych na rysunkach jest stosowany na schematach montażowych?

Jaki stopień ochrony powinno mieć urządzenie, które jest odporne na działanie wody zalewającej obudowę z każdej strony?
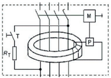
W instalacji elektrycznej wykorzystującej przekaźnik priorytetowy, po osiągnięciu ustawionej w tym przekaźniku wartości natężenia prądu w obwodzie
W lokalu, który jest zasilany napięciem 400 V (3/N/PE 50Hz), zainstalowano następujące urządzenia:
1. przepływowy podgrzewacz wody (12 kW) - obwód trójfazowy
2. zmywarka do naczyń (3,5 kW) - obwód jednofazowy
3. kuchenka elektryczna (9,5 kW) - obwód trójfazowy
4. pralka automatyczna (4,5 kW) - obwód jednofazowy
Odbiorniki jednofazowe i trójfazowe są zasilane z dwóch różnych obwodów. W celu zabezpieczenia wykorzystano wyłączniki instalacyjne. Jakie wartości prądu znamionowego powinny być zastosowane dla zabezpieczeń obwodu jedno- i trójfazowego?
Schemat jakiego łącznika instalacyjnego przedstawiono na rysunku?

Elektryczne połączenie, które umożliwia przesył energii elektrycznej, znajdujące się pomiędzy złączem a systemem odbiorczym w budynku, określane jest mianem
Zmierzono różnicowy prąd zadziałania wyłączników różnicowoprądowych w instalacji elektrycznej. Jaki wniosek można wyciągnąć z pomiarów przedstawionych w tabeli?
| Nr wyłącznika | Oznaczenie | Różnicowy prąd zadziałania |
|---|---|---|
| I | P 304 40-30-AC | 25 mA |
| II | P 304 40-100-AC | 70 mA |
| III | P 302 25-30-AC | 12 mA |
W jaki sposób realizowana jest ochrona przed porażeniem elektrycznym poprzez dotyk pośredni w oprawie oświetleniowej drugiej klasy ochronności działającej w sieci TN-S?
Na rysunku przedstawiono przewód

Jakie narzędzia powinny być użyte do montażu urządzeń oraz realizacji połączeń elektrycznych w rozdzielnicy w budynku mieszkalnym?
Który z wymienionych parametrów można zmierzyć przedstawionym przyrządem?

Jakie jest minimalne napięcie znamionowe izolacji, jakie powinien posiadać przewód przeznaczony do instalacji trójfazowej 230/400 V, umieszczonej w rurkach stalowych?
Podłączenie gniazda wtykowego pozbawionego styku ochronnego do urządzenia elektrycznego klasy I ochronności spowoduje
Na podstawie tabeli określ znamionowy prąd wyłącznika nadprądowego do zabezpieczenia jednofazowego obwodu oświetlenia złożonego z dwunastu lamp 2×36 W z kompensacją mocy biernej.

Którego z przedstawionych narzędzi należy użyć do zamontowania zworek w tabliczce silnikowej?

Na schematach instalacji elektrycznych symbol z rysunku oznacza

Schemat którego aparatu elektrycznego przedstawiono na rysunku?

Wybierz zestaw narzędzi koniecznych do zamocowania listew instalacyjnych w natynkowej instalacji elektrycznej z użyciem kołków szybkiego montażu?
Który parametr instalacji elektrycznej można sprawdzić za pomocą testera przedstawionego na rysunku?

Na którym schemacie przedstawiono prawidłowy sposób połączenia rozdzielnicy mieszkaniowej z wewnętrzną linią zasilającą?

Jaką proporcję strumienia świetlnego kieruje się w dół w oprawie oświetleniowej klasy V?
Na którym rysunku przedstawiono przewód instalacyjny wtynkowy typu YDYt?
