Pytanie 1
Na którym rysunku przedstawiono poprawny sposób podłączenia dwóch wyłączników RCD zgodnie ze schematem?

Wynik: 18/40 punktów (45,0%)
Wymagane minimum: 20 punktów (50%)
Na którym rysunku przedstawiono poprawny sposób podłączenia dwóch wyłączników RCD zgodnie ze schematem?

Na którym rysunku przedstawiono przyrząd do lokalizowania trasy przebiegu przewodów instalacyjnych pod tynkiem?

Jakie źródło światła przedstawiono na rysunku?

Minimalna akceptowalna wartość rezystancji izolacji dla przewodów instalacji przeznaczonej na napięcie znamionowe nieprzekraczające 500 V, w tym FELV, wynosi
Na podstawie danych z tabliczki znamionowej wyłącznika różnicowoprądowego zebrano informacje: IN25 A; IΔN0,030 A; 230 V~; Im 1000 A. Jakie obciążenie prądowe może wytrzymać ten wyłącznik w trybie ciągłym?
Elementy którego silnika elektrycznego przedstawiono na rysunku?

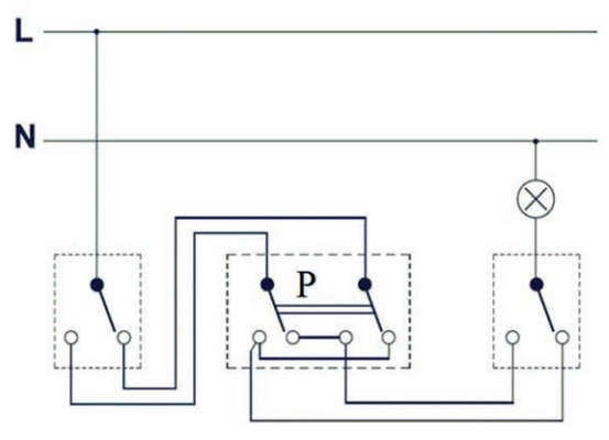
Który łącznik oznaczono symbolem literowym P na schemacie montażowym zamieszczonym na rysunku?

Na rysunku przedstawiono charakterystykę wyłącznika nadmiarowo-prądowego KS6 B32/3 znajdującą się w katalogu producenta. Wyłącznik ten można zastosować do zabezpieczenia przewodów o obciążalności długotrwałej

Który z wymienionych zestawów narzędzi jest konieczny do realizacji połączeń przewodów typu DY w instalacji elektrycznej, w puszkach rozgałęźnych, przy użyciu złączek śrubowych?
Na rysunku przedstawiono

Które z przedstawionych na rysunkach narzędzi przeznaczone jest do zaciskania końcówek tulejkowych izolowanych?

Podczas pomiarów kontrolnych, przed odbiorem mieszkania, wykryto usterkę w instalacji oświetleniowej. Na zdjęciu przedstawiono fragment pomieszczenia przed tynkowaniem i wykonaniem wylewek. W celu wymiany uszkodzonych przewodów typu DY 1,5 mm2, prowadzonych w rurach instalacyjnych giętkich, należy w pierwszej kolejności

Jakie rury instalacyjne powinny być używane do kładzenia przewodów na łatwopalnym podłożu?
Która z przedstawionych opraw oświetleniowych najlepiej nadaje się do oświetlenia ogólnego?

Przy sprawdzaniu kabla wykonano dwie serie pomiarów rezystancji pomiędzy końcami żył na jednym końcu kabla. Na drugim końcu kabla w pierwszej serii zwarto wszystkie żyły ze sobą, a w drugiej serii żyły pozostały rozwarte. Wyniki pomiarów zapisano w tabeli. Jakie wnioski można wyciągnąć na podstawie tych wyników?

Kierunek rotacji wirnika silnika elektrycznego ustala się, obserwując jego wał z perspektywy
Narzędzie przestawione na ilustracji przeznaczone jest do

Jaka jest wartość bezwzględna błędu pomiaru natężenia prądu, jeśli multimetr pokazał wynik 35,00 mA, a producent określił dokładność urządzenia dla danego zakresu pomiarowego na
±(1 % +2 cyfry)?
Który z wymienionych parametrów można zmierzyć przyrządem przedstawionym na ilustracji?

Który symbol graficzny w ideowym schemacie jednoliniowym instalacji elektrycznej obrazuje łącznik ze schematu wieloliniowego pokazany na rysunku?

Który rodzaj źródła światła przedstawiono na ilustracji?

Według przedstawionego schematu instalacji elektrycznej ochronnik przeciwprzepięciowy powinien być włączony między uziemienie oraz

Na którym rysunku przedstawiono narzędzie niezbędne do formowania oczek na przewodzie instalacyjnym?

Przy sprawdzaniu kabla wykonano dwie serie pomiarów rezystancji pomiędzy końcami żył na jednym z jego końców. Na drugim końcu kabla w pierwszej serii zwarto wszystkie żyły ze sobą, a w drugiej serii żyły pozostały rozwarte. Wyniki pomiarów zapisano w tabeli. Jakie wnioski można wyciągnąć na podstawie tych wyników?

Do zacisku odbiornika podłączonego na stałe w instalacji TN-S oznaczonego symbolem graficznym przedstawionym na rysunku należy podłączyć przewód

Którą funkcję pomiarową powinien posiadać miernik, aby można było wyznaczyć impedancję pętli zwarcia w układzie przedstawionym na schemacie?

Układ przedstawiony na rysunku służy do pomiaru

Jakiego urządzenia należy użyć do pomiaru rezystancji izolacji w instalacji elektrycznej?
W jaki sposób można zweryfikować funkcjonowanie wyłącznika różnicowoprądowego?
Wymagana izolacja przewodów używanych w trójfazowej sieci niskiego napięcia 230/400 V powinna wynosić co najmniej
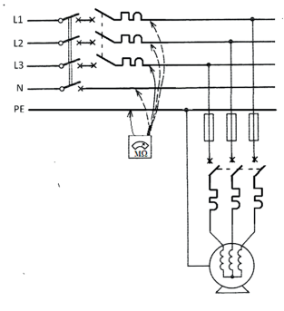
Na podstawie przedstawionego schematu, przy odłączonych łącznikach, można wykonać pomiar

Które z wymienionych urządzeń elektrycznych jest pokazane na ilustracji?

Który środek ochrony przeciwporażeniowej przy uszkodzeniu zastosowano w układzie przedstawionym na schemacie?

Jaką metodę należy zastosować do bezpośredniego pomiaru rezystancji przewodów?
Jakiego zestawu narzędzi potrzebujesz do złożenia aparatury oraz wykonania połączeń elektrycznych w rozdzielnicy w mieszkaniu?
Na którym rysunku przedstawiono schemat układu do wykonania pomiaru impedancji pętli zwarcia instalacji w układzie TN?

Co symbolizuje kod literowo-cyfrowy C10, umieszczony na wyłączniku nadmiarowo-prądowym?
Na podstawie danych katalogowych przedstawionych w tabeli określ, którym wyłącznikiem należy zastąpić uszkodzony wyłącznik różnicowoprądowy P304 25/0,03 A w instalacji mieszkaniowej trójfazowej o napięciu znamionowym 230/400 V.
| Prąd znamionowy | 25 A | 25 A | 25 A | 25 A |
| Liczba biegunów | 2P | 4P | 4P | 2P |
| Znamionowy prąd różnicowy | 30 mA | 30 mA | 300 mA | 300 mA |
| Typ wyłączania | AC | AC | AC | AC |
| Znamionowe napięcie izolacji | 500 V | 500 V | 500 V | 500 V |
| Częstotliwość znamionowa | 50 Hz | 50 Hz | 50 Hz | 50 Hz |
| Wytrzymałość elektryczna (liczba cykli) | 2 000 | 2 000 | 2 000 | 2 000 |
| Temperatura pracy | -25°C ÷ 40°C | -25°C ÷ 40°C | -25°C ÷ 40°C | -25°C ÷ 40°C |
| Znamionowa zwarciowa zdolność łączeniowa | 15 kA | 15 kA | 15 kA | 15 kA |
| A. | B. | C. | D. |
Jaki rodzaj łącznika zastosowany jest w obwodzie przedstawionym na schemacie?

Na rysunku przedstawiono sposób podłączenia miernika MZC-201 do pomiaru
