Pytanie 1
Na podstawie przedstawionego schematu instalacji określ liczbę jednofazowych obwodów gniazd wtyczkowych.

Wynik: 29/40 punktów (72,5%)
Wymagane minimum: 20 punktów (50%)
Na podstawie przedstawionego schematu instalacji określ liczbę jednofazowych obwodów gniazd wtyczkowych.

Której piły należy użyć do przycięcia korytka instalacyjnego?

W celu zabezpieczenia przed bezpośrednim kontaktem (ochrona podstawowa) w instalacjach elektrycznych w gospodarstwach domowych wykorzystuje się
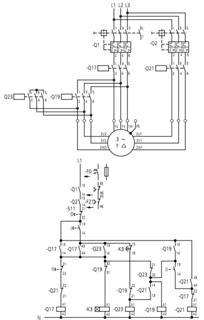
Do realizacji układu przedstawionego na schemacie należy zastosować stycznik Q19 z następującą liczbą i rodzajem zestyków:

W jakim typie układu sieciowego można zrealizować instalację trójfazową za pomocą przewodu trzyżyłowego?
Na rysunku przedstawiono wnętrze jednej z rozdzielnic mieszkaniowych zasilonych z rozdzielnicy głównej trzypiętrowego budynku. Które urządzenie, stanowiące część rozdzielnicy mieszkaniowej, oznaczono strzałką?

Jakiego typu miernik należy zastosować do pomiaru rezystancji uziemienia systemu odgromowego?
Schemat jakiego łącznika instalacyjnego przedstawiono na rysunku?

Wskaż symbol graficzny przycisku zwiernego.

Do realizacji układu przedstawionego na schemacie należy zastosować stycznik Q17 z następującą liczbą i rodzajem zestyków:

Jakie jest minimalne napięcie znamionowe izolacji, jakie powinien posiadać przewód przeznaczony do instalacji trójfazowej 230/400 V, umieszczonej w rurkach stalowych?
Jakie urządzenie powinno zostać zainstalowane w pośrednim układzie pomiarowym mocy czynnej w zakładzie przemysłowym?
Jakie urządzenie, oprócz lutownicy, jest kluczowe podczas naprawy przeciętego przewodu LY poprzez połączenie lutowane?
Na podstawie wyników pomiarów rezystancji w przewodzie elektrycznym przedstawionym na ilustracji można stwierdzić, że żyły
| Pomiar pomiędzy końcami żył | Rezystancja w Ω |
|---|---|
| L1.1 – L1.2 | 0 |
| L2.1 – L2.2 | 0 |
| L3.1 – L3.2 | ∞ |
| N.1 – N.2 | 0 |
| PE.1 – PE.2 | 0 |
| L1.1 – L2.1 | ∞ |
| L1.1 – L3.1 | ∞ |
| L1.1 – N.1 | ∞ |
| L1.1 – PE.1 | ∞ |
| N.1 – PE.1 | 0 |
| N.1 – L2.1 | ∞ |
| N.1 – L3.1 | ∞ |

Montaż gniazda wtykowego pozbawionego styku ochronnego oraz podłączenie do niego urządzenia elektrycznego klasy I ochronności może prowadzić do
Przy sprawdzaniu kabla wykonano dwie serie pomiarów rezystancji pomiędzy końcami żył na jednym z jego końców. Na drugim końcu kabla w pierwszej serii zwarto wszystkie żyły ze sobą, a w drugiej serii żyły pozostały rozwarte. Wyniki pomiarów zapisano w tabeli. Jakie wnioski można wyciągnąć na podstawie tych wyników?

Zgodnie z aktualnymi przepisami prawa budowlanego, w nowych budynkach konieczne jest montowanie gniazdek z zabezpieczeniami.
Oprawa oświetleniowa oznaczona przedstawionym symbolem graficznym należy do klasy oświetlenia

Określ w kolejności od lewej strony nazwy narzędzi przedstawionych na rysunku.

Jaką maksymalną wartość impedancji pętli zwarcia powinien mieć obwód o napięciu 230/400 V, aby wyłącznik instalacyjny nadprądowy C10 mógł skutecznie zapewnić ochronę przed porażeniem?
Jaka jest maksymalna wartość napięcia dotykowego bezpiecznego dla człowieka przy normalnych warunkach eksploatacji?
Który element przedstawionego na rysunku układu zasilania i sterowania silnikiem indukcyjnym steruje przełączeniem układu styczników łączących uzwojenia silnika w gwiazdę i w trójkąt?

Zamieszczony na rysunku zrzut ekranu przyrządu pomiarowego przedstawia wyniki pomiaru

W jakiej z poniższych sytuacji poślizg silnika indukcyjnego będzie najmniejszy?
Które źródło światła przedstawiono na rysunku?

Jaka maksymalna wartość impedancji pętli zwarcia jest dopuszczalna w trójfazowym obwodzie elektrycznym o napięciu nominalnym 230/400 V, aby zapewnić skuteczną ochronę przed porażeniem w przypadku uszkodzenia izolacji, jeżeli wiadomo, że zasilanie tego obwodu ma odłączyć instalacyjny wyłącznik nadprądowy B20?
Który łącznik elektryczny ma dwa przyciski oraz trzy terminale?
Które z przedstawionych narzędzi, oprócz lutownicy, jest niezbędne przy naprawie przeciętego przewodu LY przez połączenie lutowane?

Jaką rolę odgrywa wyzwalacz elektromagnetyczny w wyłączniku nadprądowym?
Jakie wartości krotności prądu znamionowego obejmuje obszar działania wyzwalaczy elektromagnetycznych w samoczynnych wyłącznikach instalacyjnych nadprądowych typu C?
Do której czynności przeznaczone jest narzędzie przedstawione na ilustracji?

Jakie czynności nie są częścią przeglądów instalacji elektrycznej?
Jakie właściwości definiują wyłącznik instalacyjny nadprądowy?
Wybierz z tabeli numer katalogowy wtyczki, która wraz przewodem wystarczy do zasilenia betoniarki z silnikiem trójfazowym pobierającym w warunkach pracy znamionowej moc 12 kVA. Maszyna sterowana jest stycznikiem z cewką na napięcie 230 V i zasilana z sieci TN-S o napięciu 230/400 V.

Korzystając z tabeli obciążalności prądowej przewodów, dobierz przewód o najmniejszym przekroju żył miedzianych do wykonania trójfazowej instalacji wtynkowej, która jest zabezpieczona wyłącznikiem instalacyjnym z oznaczeniem B20.
| Tabela obciążalności prądowej przewodów | ||||||
|---|---|---|---|---|---|---|
| Przekrój przewodu mm2 | Jeden lub kilka kabli 1-żyłowych ułożonych w rurze | Kilka kabli np.: przewody płaszczowe, rurowe, wtynkowe | Pojedynczy w powietrzu, przy czym odstęp odpowiada przynajmniej średnicy kabla | |||
| Żyła Cu, A | Żyła Al, A | Żyła Cu, A | Żyła Al, A | Żyła Cu, A | Żyła Al, A | |
| 0,75 | - | - | 12 | - | 15 | - |
| 1,0 | 11 | - | 15 | - | 19 | - |
| 1,5 | 15 | - | 18 | - | 24 | - |
| 2,5 | 20 | 15 | 26 | 20 | 32 | 26 |
| 4 | 25 | 20 | 34 | 27 | 42 | 33 |
Jaka jest minimalna wartość rezystancji izolacji przewodu, gdy mierzymy induktorem w sieci o napięciu znamionowym badanego obwodu U < 500 V?
Na podstawie przedstawionych na rysunku zależności napięcia na zaciskach akumulatora od prądu i czasu rozładowywania wskaż wartość napięcia akumulatora o pojemności C = 100 Ah, który przez 30 minut był obciążony prądem o wartości 60 A.

Jakiego koloru jest wskaźnik wkładki topikowej o nominalnym natężeniu prądu wynoszącym 6 A?
Prace przeprowadzane pod napięciem w instalacji domowej wymagają użycia narzędzi izolowanych o minimalnym poziomie napięcia izolacji
Jaki rodzaj łącznika zastosowany jest w obwodzie przedstawionym na schemacie?
