Pytanie 1
Rozpoczynając wymianę przekaźnika w obwodzie sterującym, pierwszym krokiem powinno być
Wynik: 33/40 punktów (82,5%)
Wymagane minimum: 20 punktów (50%)
Rozpoczynając wymianę przekaźnika w obwodzie sterującym, pierwszym krokiem powinno być
Jakie parametry zasilacza są wymagane do zasilenia 3 metrów taśmy LED, jeżeli moc jednego metra taśmy wynosi 4,8 W, a napięcie zasilania taśmy LED to 12 V?
W celu odkręcenia śrub mocujących obudowę urządzenia pokazanego na rysunku należy użyć wkrętaka:

Zawarte w tabeli dane techniczne dotyczą czujki
| Typ czujki | NC |
| Dwa tory detekcji | PIR+MW |
| Wymiary obudowy | 65 x 138 x 58 mm |
| Zakres temperatur pracy | -40°C...+55°C |
| Zalecana wysokość montażu | 2,4 m |
| Maksymalny pobór prądu | 20 mA |
| Zasięg działania | 15 m |
Do przetwornicy 12 V DC/ 230 V AC 1 000 W podłączono działający silnik indukcyjny o mocy 120 W. Silnik nie funkcjonuje prawidłowo. Żarówka o mocy 200 W podłączona do tej przetwornicy działa poprawnie. Zmierzona wartość napięcia wyjściowego przetwornicy wynosi 229 V. Na podstawie obserwacji oraz wyniku pomiaru można wnioskować, że
Jakie urządzenie łączy komputer z lokalną siecią komputerową?
Tuner DVB-T pozwala na odbiór sygnałów
Ilość stabilnych stanów przerzutnika astabilnego wynosi
Rysunek przedstawia zasilanie

Uchyb regulacji wynoszący 0 umożliwia działanie regulatora typu
W urządzeniu elektronicznym uszkodzeniu uległ warystor MYG 10K-431 o napięciu znamionowym 275 V AC, 350 V DC, energii tłumienia 55 J/2 ms i rastrze 7,5 mm. Wykorzystując tabelę zamienników wskaż oznaczenie warystora, który można zastosować w zamian za uszkodzony?
| Tabela zamienników | |||
|---|---|---|---|
| Oznaczenie warystora | Napięcie znamionowe | Energia tłumienia | Raster |
| TSV07D471 | 300 V AC 375 V DC | 40 J/2 ms | 5 mm |
| JVR07N431K | 275 V AC 350 V DC | 33 J/2 ms | 5 mm |
| JVR14N431K | 275 V AC 350 V DC | 132 J/2 ms | 7,5 mm |
| B72210S0301K101 | 300 V AC 385 V DC | 47 J/2 ms | 7,5 mm |
Na zdjęciu przedstawiono

Przepustowość transferu danych w sieci wynosząca 256 kb/s odpowiada wartości
Jaki typ generatora powinno się wykorzystać w bloku podstawy czasu oscyloskopu?
Na rysunku przestawiono

W układzie pokazanym na rysunku współczynnik wzmocnienia prądowego tranzystora T1 wynosi 20, natomiast tranzystora T2 wynosi 10. Ile wynosi wypadkowy współczynnik wzmocnienia prądowego całego układu?

Jakie z podanych rodzajów sprzężeń między poszczególnymi stopniami wzmacniacza wielostopniowego gwarantuje separację galwaniczną?
W regulatorze PID wystąpiła awaria, która powoduje, że uchyb ustalony nie zmierza do 0. Przyczyną problemu może być uszkodzenie w elemencie
W układzie próbkującym z pamięcią doszło do uszkodzenia kondensatora, który w wyniku usterki stanowi przerwę. W uszkodzonym układzie, przy włączonym kluczu, napięcie na wyjściu UWY będzie

Mostek wykorzystywany jest do pomiaru parametrów cewek indukcyjnych?
Na podstawie danych technicznych zawartych w tabeli określ rodzaj czujki opisanej przez te parametry.
| Typ czujki | NC |
| Maksymalne napięcie przełączalne kontaktronu | 20 V |
| Maksymalny prąd przełączalny | 20 mA |
| Oporność przejściowa | 150 mΩ |
| Minimalna liczba przełączeń przy obciążeniu 20 V, 20 mA | 360 000 |
| Materiał stykowy | Ru (Ruten) |
| Odległość zamknięcia styków kontaktronu | 18 mm |
| Odległość otwarcia styków kontaktronu | 28 mm |
| Masa | 10 g |
Przedstawiony na ilustracji interfejs sieciowego rejestratora monitoringu umożliwia konfigurowanie nagrywania

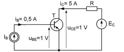
Bipolarny tranzystor mocy typu NPN pracuje w układzie pokazanym na rysunku. Wartość mocy traconej w tranzystorze wynosi

Wymiana uszkodzonego gniazda zasilania przedstawionego na zdjęciu powinna być wykonana za pomocą

Podane w tabeli parametry techniczne charakteryzują
| Dane techniczne | |
|---|---|
| Zaawansowany Dekoder MPEG H.264 | |
| Obsługa Full HD 1920x1089i, 1920x720p, 720x576p | |
| Odtwarzanie MKV H.264 HD | |
| Wejścia: RF In, USB | |
| Wyjścia: HDMI, SCART, Coaxial, RF Out | |
| Obsługa dysków twardych | |
| Funkcja nagrywania z TV | |
| Zakres częstotliwości VHF – H 174-230 MHz, UHF 470- 866 MHz | |
| Poziom sygnału 78 dBM-20 dBm | |
| Modulacja: QPSK, 16 QAM, 64 QAM | |
| Obsługiwane formaty plików: · graficzne: BMP, JPG, · muzyczne: MP3, WMA, WAV, · video: MPEG1/2/4/ HD, XVID HD, AVI, VOB. | |
Na rysunku przedstawiono schemat ideowy

We wzmacniaczu przeciwsobnym klasy B doszło do uszkodzenia jednego z elementów. Wskaż uszkodzony element wiedząc, że na wejście wzmacniacza podłączono napięcie sinusoidalnie zmienne.

Układ do pomiaru, który umożliwia dokładne ustalanie małych i bardzo małych rezystancji, to mostek
W terminologii związanej z sieciami komputerowymi termin 'sterownik urządzenia' odnosi się do
Jakie jest znaczenie tzw. krosowania przewodu skrętki, który jest zakończony dwoma wtykami RJ-45, podczas łączenia różnych urządzeń w sieci LAN?
W przedstawionym układzie D1 = D2, RC1 = RC2, RB1 = RB2, C1 = C2, T1 = T2. Po podłączeniu napięcia świeci światłem przerywanym wyłącznie dioda D . Może to oznaczać, że

W dokumentacji technicznej multimetru stwierdzono, że potrafi on wyświetlać wyniki pomiarów w formacie trzy i pół cyfry. Jaką najwyższą liczbę jednostek jest w stanie pokazać ten multimetr?
Przyrząd przedstawiony na zdjęciu to

W jakim układzie pracuje wzmacniacz operacyjny oznaczony na schemacie literą B?

Poszczególnym paskom w kodzie kreskowym rezystora, którego wartość rezystancji zapisano jako R22, odpowiadają kolory
| Kolor | Cyfra/mnożnik | Tolerancja |
|---|---|---|
| brak | - | 20% |
| srebrny | -2 | 10% |
| złoty | -1 | 5% |
| czarny | 0 | - |
| brązowy | 1 | 1% |
| czerwony | 2 | 2% |
| pomarańczowy | 3 | - |
| żółty | 4 | - |
| zielony | 5 | 0,5% |
| niebieski | 6 | 0,25% |
| fioletowy | 7 | 0,1% |
| szary | 8 | - |
| biały | 9 | - |

Opisz konstrukcję czujki
OPIS KONSTRUKCJI
Podstawowym elementem czujki jest układ detekcyjny, który składa się z: diody emitującej podczerwień oraz diody odbierającej. Oba te elementy są zamontowane w uchwycie w taki sposób, by promieniowanie ze diody nadawczej nie docierało bezpośrednio do diody odbierającej. Układ detekcyjny (uchwyt z diodami) jest przymocowywany bezpośrednio do płytki drukowanej, która zawiera elektronikę z procesorem kontrolującym działanie czujki. Labirynt chroni przed przedostawaniem się zewnętrznego światła do układu detekcyjnego. Metalowa siatka zabezpiecza układ detekcyjny przed niewielkimi owadami oraz większymi zanieczyszczeniami. Całość jest zainstalowana w obudowie wykonanej z białego tworzywa, składającej się z koszyczka, osłony czujki oraz ekranu.
Jaką rolę pełni fotorezystor w wyłączniku zmierzchowym?
Jaką magistralą sterowany jest układ 24C01 przedstawiony na schemacie?

W dokumentacji serwisowej kamery znajduje się informacja: "kamerę zasilać napięciem stałym U = 12 V /15 W". Który zasilacz pozwoli na jednoczesne działanie czterech takich kamer?
Wskaź zestaw narzędzi kontrolnych i pomiarowych do określenia indukcyjności cewki przy użyciu metody rezonansowej?