Pytanie 1
Izolacja przewodów elektrycznych w odcieniu żółto-zielonym określa przewody
Wynik: 33/40 punktów (82,5%)
Wymagane minimum: 20 punktów (50%)
Izolacja przewodów elektrycznych w odcieniu żółto-zielonym określa przewody
Na rysunku przedstawiono oznaczenie graficzne kotła

Aby zamontować kocioł na biomasę inwestor zebrał 4 oferty i dokonał ich zestawienia. Wskaż ofertę, w której sprawność kotła jest największa.
| Nominalna moc kotła kW | Sprawność cieplna % | Zużycie paliwa kg/h | Maksymalna temperatura robocza °C | Pojemność wodna kotła dm³ | |
|---|---|---|---|---|---|
| A. | 23 | 87,7-88,1 | 2,6 | 85 | 100 |
| B. | 23 | 81,8-83,5 | 2,6 | 85 | 100 |
| C. | 25 | 90 | 2,4 | 95 | 190 |
| D. | 30 | 90-92 | 2,4 | 85 | 70 |
W celu uniknięcia niewłaściwego działania systemu solarnego do glikolu wprowadza się inhibitory. Ich zadaniem jest
Montaż paneli słonecznych na płaskim dachu został zrealizowany przez jednego instalatora oraz dwóch asystentów. Wartość stawki instalatora wynosi 50,00 zł za każdą godzinę pracy, a stawka asystenta to 20,00 zł. Jaką łączną wartość robocizny można oszacować, jeśli całkowity czas pracy wynosi 8 godzin?
Czym jest mostek termiczny?
Oznaczenie graficzne przedstawia punkt pomiaru

Ocena właściwości glikolu polega na ustaleniu wartości pH. Glikol powinien być niezwłocznie wymieniony, jeśli jego odczyn spadnie poniżej
Na schemacie instalacji solarnej literą Z oznaczono zawór

Aby przygotować kosztorys powykonawczy, wielkości wydatków na robociznę, materiały oraz sprzęt ustala się na podstawie
Do pełnego systemu fotowoltaicznego, który produkuje energię elektryczną z wykorzystaniem energii słonecznej, zaliczają się:
Jakiego rodzaju zgrzewarki używa się do łączenia rur z PP-R w systemach ciepłej wody użytkowej?
Na przedstawionym schemacie pośredniego przygotowania ciepłej wody użytkowej cyfrą 1 oznaczono

Najwyższą efektywność energetyczną uzyskują panele fotowoltaiczne
W jaki sposób definiuje się współczynnik COP?
W jaki sposób oraz w jakim miejscu powinno się zainstalować fotoogniwo, aby osiągnąć najlepszą wydajność przez cały rok?
Urządzenie przedstawione na rysunku przeznaczone jest do

Jakich informacji nie jest konieczne zawarcie w "Księdze obmiaru" przy instalacji ogniwa fotowoltaicznego?
Czym są zrębki?
Zalecana objętość zbiornika solarnego wynosi
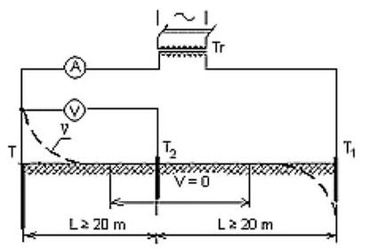
Układ przedstawiony na schemacie ma zastosowanie do pomiaru rezystancji

Czym jest pelet?
Stacja napełniająca zasilana energią słoneczną działa z prędkością 3 dm³/s. Jaką maksymalną objętość może napełnić w przeciągu dwóch godzin?
Czynności przedstawione w instrukcji dotyczą konserwacji
| Instrukcja konserwacji |
| Co sześć miesięcy należy sprawdzać czy złącza elektryczne i mechaniczne są czyste, bezpieczne i nieuszkodzone. Należy sprawdzać czy elementy montażowe, śruby i elementy uziemienia są zabezpieczone i czy nie występuje na nich korozja. Należy sprawdzać czy powierzchnie czynne nie są przysłonięte przez roślinność lub niechciane przeszkody. Nie należy dotykać części przewodów i złączy, które są pod napięciem. |
Podstawą do stworzenia kosztorysu szczegółowego są
W budynku zainstalowana jest zintegrowana ze zbiornikiem powietrzna pompa ciepła przedstawiona na rysunku. Stwierdzono, że podczas pracy pompy, przez wylot oznaczony "spust kondensatu" następuje wypływ wody w ilości kilku litrów na godzinę. Świadczy to o

Określ na podstawie załączonej mapy, w którym z miast są najkorzystniejsze warunki do lokalizacji elektrowni fotowoltaicznych?

Aby zapewnić optymalną wymianę ciepła, absorber kolektora słonecznego powinien być wykonany z blachy
Czujnik termostatyczny systemu "strażak" używany do ochrony kotłów na biomasę powinien być zamontowany
Jeśli całkowity opór cieplny przegrody wynosi 4,00 (m2-K)/W, to jaką wartość ma współczynnik przenikania ciepła?
Na rysunku przedstawiono urządzenie przeznaczone do

Jaką maksymalną różnicę temperatur Δt pomiędzy kolektorem a zbiornikiem solarnym należy osiągnąć, aby uruchomić pompę solarną?
W instalacji grzewczej, jaki element kontroluje pracę sterownik solarny?
Podczas rocznego przeglądu zaleca się przeprowadzanie inspekcji stanu płynu solarnego. Który z parametrów płynu solarnego nie podlega ocenie?
System hydrauliczny instalacji solarnej został zmontowany, jednak odbiorniki ciepła z kolektorów nadal nie są podłączone. W tej sytuacji instalator powinien
W trakcie montażu systemów energii odnawialnej multicyklony wykorzystywane są jako urządzenia redukujące emisję do atmosfery
Na podstawie danych zawartych w tabeli określ koszty pośrednie Kp montażu instalacji kolektorów słonecznych przy założeniu Kp: 75% od (R+S).
| Koszty bezpośrednie montażu instalacji kolektorów słonecznych | Wartość zł |
|---|---|
| Robocizna R | 2200 |
| Materiały M | 5800 |
| Sprzęt S | 1200 |
Który z typów kolektorów słonecznych, używany w systemie do wspierania ogrzewania wody użytkowej i ogrzewania obiektu, charakteryzuje się najwyższą efektywnością w czasie wspomagania ogrzewania obiektu?
Jaką kwotę stanowi kosztorysowa wartość robocizny montażu systemu solarnego i wymiennika, gdyby pracował jeden monter oraz jego asystent, zakładając stawkę 50,00 zł za godzinę pracy montera oraz 25,00 zł za godzinę pracy pomocnika? Czas robocizny wynosi 3 godziny.
Na podstawie danych zawartych w tabeli oblicz koszt materiałów niezbędnych do wymiany 50 metrów sieci biogazu uzbrojonej w 3 zasuwy i 2 trójniki.
| Nazwa urządzenia | Jednostka miary | Cena jednostkowa (zł) |
|---|---|---|
| Rura PE | m | 30,00 |
| Zasuwa | szt. | 300,00 |
| Trójnik | szt. | 250,00 |