Pytanie 1
Wyznacz całkowity względny błąd pomiarowy rezystancji izolacyjnej przewodów, jeśli wskazania miernika wyniosły 200,0 MΩ, a jego niepewność to ± (3% w.w. + 8 cyfr)?
Wynik: 14/40 punktów (35,0%)
Wymagane minimum: 20 punktów (50%)
Wyznacz całkowity względny błąd pomiarowy rezystancji izolacyjnej przewodów, jeśli wskazania miernika wyniosły 200,0 MΩ, a jego niepewność to ± (3% w.w. + 8 cyfr)?
W celu naprawy kabla przyłączeniowego, który został uszkodzony podczas prac ziemnych i został ułożony bez zapasu, potrzebne są
Jaką rolę odgrywa wyzwalacz elektromagnetyczny w wyłączniku nadprądowym?
O czym świadczy słabsze świecenie diody L2 w stosunku do świecących się diod L1 i L3 na wskazanym strzałką urządzeniu w rozdzielni elektrycznej przedstawionej na rysunku?

Co oznacza oznaczenie IP00 widoczne na obudowie urządzenia elektrycznego?
Podaj rodzaj i miejsce uszkodzenia w trójfazowym silniku indukcyjnym o uzwojeniach połączonych w gwiazdę, jeżeli wyniki pomiarów rezystancji jego uzwojeń przedstawione są w tabeli.
| Rezystancja między zaciskami | Wynik |
| U - V | 15 Ω |
| V - W | 15 Ω |
| W - U | 20 Ω |
Jaka jest maksymalna moc kuchni elektrycznej zamontowanej w lokalu zasilanym napięciem 400/230V, jeśli obwód zasilający jest chroniony przez wyłącznik nadprądowy typu S-303 CLS6-C10/3?
Który z podanych symboli oznacza urządzenie, którym należy zastąpić element instalacji elektrycznej przedstawiony na rysunku?

Podczas inspekcji świeżo zrealizowanej instalacji elektrycznej nie ma potrzeby weryfikacji
Który z podanych łączników instalacyjnych dysponuje dwoma klawiszami i trzema zaciskami przyłączeniowymi?
Który element instalacji, montowany w rozdzielnicy, przedstawiono na rysunku?

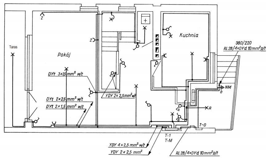
Na podstawie przedstawionego planu instalacji określ, które z wymienionych elementów należy wytrasować w pokoju i na tarasie.

Jakie urządzenie jest używane do pomiaru rezystancji izolacyjnej przewodu?
W którym wierszu tabeli prawidłowo określono funkcje i liczby przewodów jednożyłowych, które należy umieścić w rurach instalacyjnych, aby wykonać poszczególne obwody w układzie sieciowym TN-S, zakończone punktami odbioru o przedstawionych symbolach graficznych?

Podaj rodzaj i miejsce uszkodzenia w trójfazowym silniku indukcyjnym o uzwojeniach połączonych w gwiazdę, jeżeli wyniki pomiarów rezystancji jego uzwojeń przedstawione są w tabeli.
| Rezystancja między zaciskami | Wartość |
| U - V | 20,0 Ω |
| V - W | 15,0 Ω |
| W - U | 15,0 Ω |
Jakim kolorem oznaczona jest wkładka topikowa, której wartość prądu znamionowego wynosi 20 A?
Kontrola instalacji elektrycznych, które są narażone na szkodliwe działanie warunków atmosferycznych lub destrukcyjne oddziaływanie czynników występujących podczas eksploatacji budynku, powinna odbywać się nie rzadziej niż raz na
Jaka maksymalna wartość może mieć impedancja pętli zwarcia w trójfazowym systemie elektrycznym o napięciu nominalnym 230/400 V, aby ochrona przeciwporażeniowa przy awarii izolacji była skuteczna, wiedząc, że odpowiednie szybkie wyłączenie tego obwodu ma zapewnić instalacyjny wyłącznik nadprądowy B20?
Którą z wymienionych funkcji posiada przyrząd przedstawiony na ilustracji?

Dokonując oględzin powykonawczych zabezpieczeń w instalacji elektrycznej przedstawionej na schemacie można stwierdzić, że zamieniono miejscami bezpieczniki

Którą wielkość fizyczną można zmierzyć przyrządem pokazanym na rysunku?

Który z przedstawionych na rysunkach elementów osprzętu należy zastosować do ułożenia dwóch przewodów DY 1,5 mm2 pod tynkiem w pomieszczeniu mieszkalnym?

Na rysunku przedstawiono wnętrze jednej z rozdzielnic mieszkaniowych zasilonych z rozdzielnicy głównej trzypiętrowego budynku. Które urządzenie, stanowiące część rozdzielnicy mieszkaniowej, oznaczono strzałką?

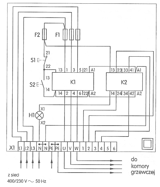
Na podstawie przedstawionego schematu oraz przedstawionych wyników pomiarów zlokalizuj usterkę typowego stycznika w układzie 1-fazowym, 230V.

Zakres działania wyzwalaczy elektromagnetycznych w nadprądowych wyłącznikach instalacyjnych o charakterystyce B mieści się w zakresie
Oprawa oświetleniowa przedstawiona na zdjęciu ma być zamontowana za pomocą wkrętów i dybli, pokazanych na zdjęciu. Jakich narzędzi należy użyć do tego montażu?

Jaką oprawę oświetleniową pokazano na rysunku?

Które urządzenie stosowane w instalacjach elektrycznych przedstawiono na rysunku?

Jakie minimalne napięcie znamionowe może posiadać izolacja przewodów używanych w sieci trójfazowej o niskim napięciu 230/400 V?
Na którym schemacie połączeń przedstawiono zgodne z zamieszczonym planem instalacji podłączenie przewodów w puszce numer 3?

W strefie 0 przedstawionego na rysunku pomieszczenia z wanną można instalować

Na podstawie rysunku montażowego określ, na jakiej wysokości od podłogi należy zamontować dolną krawędź rozdzielnicy.

Którym z kluczy nie da się skręcić stojana silnika elektrycznego śrubami jak przedstawiona na ilustracji?

W instalacji elektrycznej wykorzystującej przekaźnik priorytetowy, po osiągnięciu ustawionej w tym przekaźniku wartości natężenia prądu w obwodzie
Z którym zaciskiem będzie połączony zacisk 42 stycznika K2 według przedstawionego schematu montażowego?

Który łącznik przedstawiono na rysunku?

Który sposób połączenia przewodów jest zgodny z przedstawionym na rysunku schematem ideowym instalacji elektrycznej pracującej w sieci TN-S?

Który element przedstawiono na ilustracji?

Elementy którego silnika elektrycznego przedstawiono na rysunku?

Elektryczne połączenie, które umożliwia przesył energii elektrycznej, znajdujące się pomiędzy złączem a systemem odbiorczym w budynku, określane jest mianem