Pytanie 1
Do czego służy klucz dynamometryczny?
Wynik: 22/40 punktów (55,0%)
Wymagane minimum: 20 punktów (50%)
Do czego służy klucz dynamometryczny?
Narzędzie pomiarowe, przedstawione na rysunku, służy do sprawdzania

To pytanie jest dostępne tylko dla zalogowanych użytkowników. Zaloguj się lub utwórz konto aby zobaczyć pełną treść pytania.
Odpowiedzi dostępne po zalogowaniu.
Wyjaśnienie dostępne po zalogowaniu.
Która pompa hydrauliczna zbudowana jest z elementów przedstawionych na rysunku?

Na podstawie przedstawionego diagramu określ którym symbolem jest oznaczony element powodujący wysterowanie zaworu Y1 w pierwszym kroku działania.

Ile wynosi napięcie między przewodami L3 i N, w sieci pokazanej na rysunku, jeżeli zmierzone napięcia międzyfazowe wynoszą 400 V?

To pytanie jest dostępne tylko dla zalogowanych użytkowników. Zaloguj się lub utwórz konto aby zobaczyć pełną treść pytania.
Odpowiedzi dostępne po zalogowaniu.
Wyjaśnienie dostępne po zalogowaniu.
Przedstawiony kondensator ma pojemność

Jaką metodę łączenia materiałów należy wykorzystać do zestawienia stali nierdzewnej z mosiądzem?
Zespół elementów przedstawiony na rysunku pełni funkcję

Na podstawie tabeli kodów paskowych rezystorów wskaż rezystor o wartości rezystancji 1 kΩ i tolerancji 5%.
| Kolor | Wartość | Mnożnik | Tolerancja ± % | Współczynnik temp. ± ppm/K | |
|---|---|---|---|---|---|
| 1 pasek | 2 pasek | 3 pasek | 4 pasek | Ostatni pasek | |
| czarny | 0 | 0 | x 1 Ω | 20 | 200 |
| brązowy | 1 | 1 | x 10 Ω | 1 | 100 |
| czerwony | 2 | 2 | x 100 Ω | 2 | 50 |
| pomarańczowy | 3 | 3 | x 1 k | 3 | 15 |
| żółty | 4 | 4 | x 10 k | 0 - +100 | 25 |
| zielony | 5 | 5 | x 100 k | 0.5 | |
| niebieski | 6 | 6 | x 1 M | 0.25 | 10 |
| fioletowy | 7 | 7 | x 10 M | 0,1 | 5 |
| szary | 8 | 8 | 0,05 | 1 | |
| biały | 9 | 9 | |||
| złoty | 0,1 Ω | 5 | |||
| srebrny | 0,01 Ω | 10 | |||
| brak | 20 | ||||

W jaki sposób można zamocować przedstawiony na rysunku stycznik?

To pytanie jest dostępne tylko dla zalogowanych użytkowników. Zaloguj się lub utwórz konto aby zobaczyć pełną treść pytania.
Odpowiedzi dostępne po zalogowaniu.
Wyjaśnienie dostępne po zalogowaniu.
Do zdejmowania izolacji z przewodów elektrycznych należy zastosować narzędzie przedstawione na rysunku

Aby odkręcić śrubę z sześciokątnym gniazdem, konieczne jest zastosowanie klucza
Aby sprawdzić stan bezpieczników, znaleźć niedokręcone złącza oraz zidentyfikować przegrzane elementy instalacji bez konieczności wyłączania zasilania, należy wykorzystać
To pytanie jest dostępne tylko dla zalogowanych użytkowników. Zaloguj się lub utwórz konto aby zobaczyć pełną treść pytania.
Odpowiedzi dostępne po zalogowaniu.
Wyjaśnienie dostępne po zalogowaniu.
Wskaż tabliczkę znamionową urządzenia napędowego przeznaczonego do pracy przy stałym momencie obciążającym w nieograniczonym czasie.

Na szynie TH35 trzeba zamontować przedstawiony na ilustracji przekaźnik o 4 zestykach przełącznych. Które gniazdo można zastosować do tego montażu?

To pytanie jest dostępne tylko dla zalogowanych użytkowników. Zaloguj się lub utwórz konto aby zobaczyć pełną treść pytania.
Odpowiedzi dostępne po zalogowaniu.
Wyjaśnienie dostępne po zalogowaniu.
Montaż realizowany według zasady całkowitej zamienności polega na
Jaką sprężarkę klasyfikuje się jako sprężarkę wyporową?
To pytanie jest dostępne tylko dla zalogowanych użytkowników. Zaloguj się lub utwórz konto aby zobaczyć pełną treść pytania.
Odpowiedzi dostępne po zalogowaniu.
Wyjaśnienie dostępne po zalogowaniu.
W przekładni zbudowanej z kół przedstawionych na rysunku należy zastosować pasek

Na której ilustracji przedstawiono zawór odcinający?

To pytanie jest dostępne tylko dla zalogowanych użytkowników. Zaloguj się lub utwórz konto aby zobaczyć pełną treść pytania.
Odpowiedzi dostępne po zalogowaniu.
Wyjaśnienie dostępne po zalogowaniu.
Który z programów przekształca kod napisany w danym języku programowania na kod maszynowy stosowany przez mikrokontroler?
Co znaczy zaświecenie czerwonej diody oznaczonej skrótem BATF na panelu kontrolnym sterownika PLC?
Jaki element odpowiada symbolowi graficznemu przedstawionemu na rysunku?

Czy rdzenie maszyn elektrycznych produkuje się z stali?
W pomiarze deformacji konstrukcji nośnych najczęściej wykorzystuje się czujniki, które działają na zasadzie
To pytanie jest dostępne tylko dla zalogowanych użytkowników. Zaloguj się lub utwórz konto aby zobaczyć pełną treść pytania.
Odpowiedzi dostępne po zalogowaniu.
Wyjaśnienie dostępne po zalogowaniu.
To pytanie jest dostępne tylko dla zalogowanych użytkowników. Zaloguj się lub utwórz konto aby zobaczyć pełną treść pytania.
Odpowiedzi dostępne po zalogowaniu.
Wyjaśnienie dostępne po zalogowaniu.
Stal niskostopowa zawierająca składniki takie jak krzem, mangan, chrom oraz wanad, cechująca się podwyższoną ilością krzemu, znajduje zastosowanie w produkcji
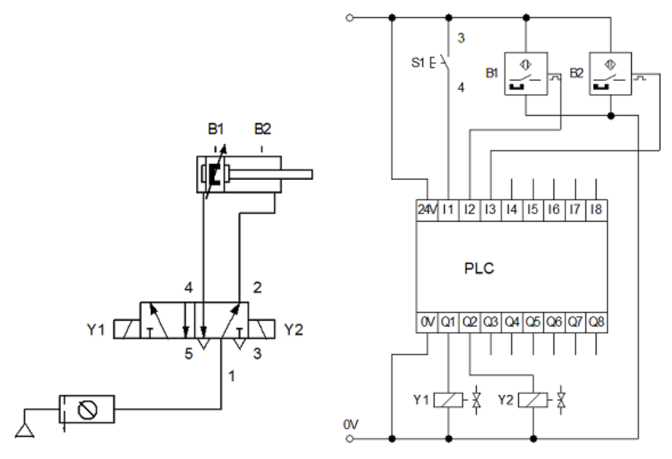
Wskaż stany logiczne wejść I2 i I3 sterownika w układzie przedstawionym na rysunku przy wysuniętym tłoczysku siłownika i poprawnej pracy czujników.

To pytanie jest dostępne tylko dla zalogowanych użytkowników. Zaloguj się lub utwórz konto aby zobaczyć pełną treść pytania.
Odpowiedzi dostępne po zalogowaniu.
Wyjaśnienie dostępne po zalogowaniu.
Który miernik należy zastosować w układzie, którego schemat przedstawiono na ilustracji, w celu pomiaru napięcia metodą bezpośrednią?

Ilustracja przedstawia budowę i działanie zaworu

W przedstawionym na rysunku układzie sterowania siłownikiem jednostronnego działania, którego schemat przedstawiono na rysunku, tłoczysko siłownika wysuwa się po naciśnięciu jednego z przycisków. W opisanej sytuacji znakiem "?" oznaczono zawór

Odczytaj wynik pomiaru wykonanego mikrometrem przedstawionym na rysunku.
