Pytanie 1
Do których zacisków przekaźnika zmierzchowego przedstawionego na schemacie należy podłączyć czujnik światła?

Wynik: 26/40 punktów (65,0%)
Wymagane minimum: 20 punktów (50%)
Do których zacisków przekaźnika zmierzchowego przedstawionego na schemacie należy podłączyć czujnik światła?

Jakim kolorem oznaczona jest wkładka topikowa, której wartość prądu znamionowego wynosi 20 A?
Przedstawiona na ilustracji oprawka jest przeznaczona do źródeł światła z trzonkiem

Kontrola instalacji elektrycznych, które są narażone na szkodliwe działanie warunków atmosferycznych lub destrukcyjne oddziaływanie czynników występujących podczas eksploatacji budynku, powinna odbywać się nie rzadziej niż raz na
Które z oznaczeń posiada trzonek źródła światła przedstawiony na ilustracji?

Jaką maksymalną wartość impedancji pętli zwarcia należy przyjąć w trójfazowym układzie elektrycznym o napięciu 230/400 V, aby zabezpieczenie przeciwporażeniowe działało prawidłowo w przypadku uszkodzenia izolacji, zakładając, że zasilanie tego obwodu ma być odłączone przez instalacyjny wyłącznik nadprądowy B20?
Jaki rodzaj wkładki topikowej powinien być użyty do ochrony nadprądowej obwodu jednofazowych gniazd do użytku ogólnego?
Która z poniższych zasad nie jest zawsze obligatoryjna w trakcie serwisowania i konserwacji instalacji elektrycznych o napięciu do 1 kV?
W celu sprawdzenia poprawności wykonania fragmentu instalacji oświetleniowej, przystosowanej do zasilania napięciem 230 V, zwarto łączniki P1 i P2 i zmierzono rezystancję obwodu. Schemat instalacji wraz z włączonym omomierzem pokazano na rysunku.

Którego z przedstawionych narzędzi należy użyć przy wymianie uszkodzonej wkładki bezpiecznika mocy typu NH?

Jaką wartość ma prędkość obrotowa pola magnetycznego stojana silnika indukcyjnego przy danych: fN = 50 Hz; p = 4?
W elektrycznych instalacjach w mieszkaniach oraz budynkach użyteczności publicznej prace konserwacyjne nie obejmują
Jaki rodzaj uziomu zastosowano w instalacji piorunochronnej przedstawionej na rysunku?

Który z urządzeń umożliwia bezpośredni pomiar cos 9?
Jak długo maksymalnie może trwać samoczynne wyłączenie zasilania w obwodzie odbiorczym z napięciem przemiennym 230 V i prądem obciążenia do 32 A, w sieci TN, spełniający wymagania dotyczące ochrony przed dotykiem pośrednim?
Jakie akcesoria są wymagane do podłączenia gniazda wtyczkowego do instalacji zrealizowanej przewodami LY?
Jakim symbolem oznacza się jednożyłowy przewód z wielodrutową miedzianą żyłą o przekroju 2,5 mm² w izolacji z PVC?
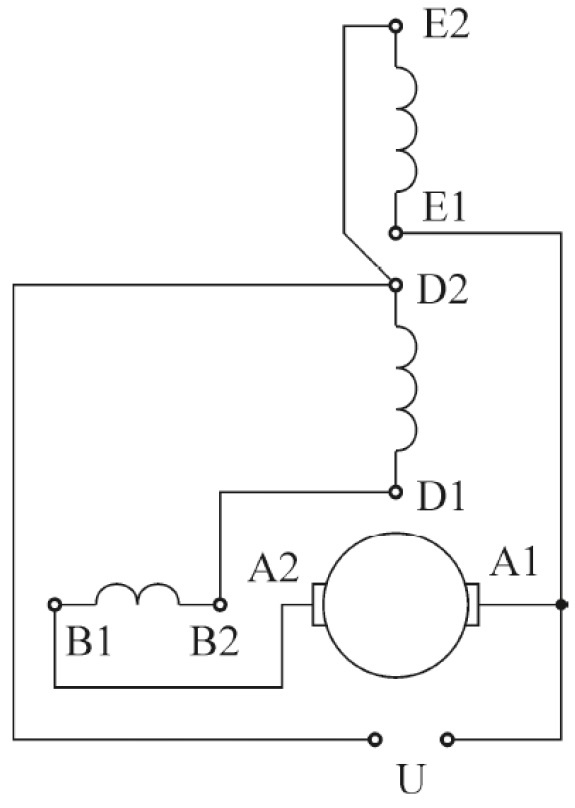
Schemat elektryczny którego silnika przedstawiono na schemacie?

Na podstawie zamieszczonych wyników pomiarów rezystancji w przewodzie elektrycznym przedstawionym na ilustracji można stwierdzić, że żyły

Przewód, który jest oznaczony symbolem SMYp, ma żyły
Który z poniższych przewodów powinien być użyty do zasilania ruchomego odbiornika w II klasie ochronności z sieci jednofazowej?
Na rysunku przedstawiono symbol graficzny przewodu

Minimalna akceptowalna wartość rezystancji izolacji dla przewodów instalacji przeznaczonej na napięcie znamionowe nieprzekraczające 500 V, w tym FELV, wynosi
W układzie zasilania jakiej lampy oświetleniowej wykorzystuje się tyrystorowy system zapłonowy?
Przedstawiony na rysunku przyrząd umożliwia

W którym obwodzie sieci elektrycznej mierzona jest impedancja pętli zwarcia przez miernik parametrów instalacji włączony jak na rysunku?

Przedstawiony zrzut ekranu miernika zawiera między innymi wyświetloną w trakcie pomiaru wartość

W miejsce cyfr dobierz symbole graficzne rodzaju przewodów, zachowując kolejność.

Który sposób połączenia przewodów jest zgodny z przedstawionym na rysunku schematem ideowym instalacji elektrycznej pracującej w sieci TN-S?

Określ przyczynę nadmiernego wzrostu napięcia na zaciskach odbiornika Z1 przy założeniu, że impedancje Z1, Z2 i Z3 znacznie się różnią.

Który rodzaj sterowania zapewnia układ silnika przedstawiony na schemacie?

Wkładka topikowa przedstawiona na ilustracji przeznaczona jest do zabezpieczenia chronionego przewodu przed skutkami

Ile wynosi skuteczność świetlna źródła światła o etykiecie przedstawionej na ilustracji?

Które stwierdzenie dotyczące normalizacji jest prawdziwe?
Który element stosowany w instalacjach mieszkaniowych przedstawiono na rysunku?

Którego z przedstawionych przyrządów pomiarowych należy użyć w celu wyznaczenia tras ułożenia przewodów elektrycznych w instalacjach podtynkowych?

Którym z kluczy nie da się skręcić stojana silnika elektrycznego śrubami jak przedstawiona na ilustracji?

W rozdzielnicy zasilającej instalację niskiego napięcia w budynku doszło do wyzwolenia wyłącznika różnicowoprądowego, podczas gdy inne zabezpieczenia nie zareagowały. Jaką można wskazać przyczynę?
Ile maksymalnie gniazd wtyczkowych można zainstalować w jednym obwodzie w systemach odbiorczych?
Który z wymienionych elementów należy do dodatkowej ochrony przed porażeniem elektrycznym?