Pytanie 1
Jakie urządzenia oraz przyrządy pomiarowe są kluczowe do określenia parametrów filtrów pasmowych?
Wynik: 34/40 punktów (85,0%)
Wymagane minimum: 20 punktów (50%)
Jakie urządzenia oraz przyrządy pomiarowe są kluczowe do określenia parametrów filtrów pasmowych?
Silnik elektryczny generuje hałas z powodu kontaktu wentylatora z osłoną wentylacyjną. Aby obniżyć poziom hałasu, należy
Przyrząd pokazany na rysunku to

Watomierz jest urządzeniem do pomiaru mocy
To pytanie jest dostępne tylko dla uczniów i nauczycieli. Zaloguj się lub utwórz konto aby zobaczyć pełną treść pytania.
Odpowiedzi dostępne po zalogowaniu.
Wyjaśnienie dostępne po zalogowaniu.
To pytanie jest dostępne tylko dla uczniów i nauczycieli. Zaloguj się lub utwórz konto aby zobaczyć pełną treść pytania.
Odpowiedzi dostępne po zalogowaniu.
Wyjaśnienie dostępne po zalogowaniu.
To pytanie jest dostępne tylko dla uczniów i nauczycieli. Zaloguj się lub utwórz konto aby zobaczyć pełną treść pytania.
Odpowiedzi dostępne po zalogowaniu.
Wyjaśnienie dostępne po zalogowaniu.
Licznik impulsów rewersyjnych to urządzenie
Muskuł pneumatyczny przedstawiony na rysunku przystosowany jest do połączenia

Który z programów przekształca kod napisany w danym języku programowania na kod maszynowy stosowany przez mikrokontroler?
To pytanie jest dostępne tylko dla uczniów i nauczycieli. Zaloguj się lub utwórz konto aby zobaczyć pełną treść pytania.
Odpowiedzi dostępne po zalogowaniu.
Wyjaśnienie dostępne po zalogowaniu.
To pytanie jest dostępne tylko dla uczniów i nauczycieli. Zaloguj się lub utwórz konto aby zobaczyć pełną treść pytania.
Odpowiedzi dostępne po zalogowaniu.
Wyjaśnienie dostępne po zalogowaniu.
To pytanie jest dostępne tylko dla uczniów i nauczycieli. Zaloguj się lub utwórz konto aby zobaczyć pełną treść pytania.
Odpowiedzi dostępne po zalogowaniu.
Wyjaśnienie dostępne po zalogowaniu.
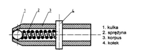
Które elementy przedstawiono na rysunku?

Demontaż smarowniczki przedstawionej na rysunku należy przeprowadzić w kolejności:

Z którym czujnikiem współpracuje magnes zamontowany w siłowniku w sposób przedstawiony na rysunku?

Który rodzaj smaru powinien być regularnie uzupełniany w smarownicy pneumatycznej?
Do czego przeznaczone są cęgi przedstawione na rysunku?

Do sprawdzenia wymiaru ϕ40 należy użyć

Wskaż zawór, który należy zastosować, jako zawór rozdzielający V.

Którą funkcję pełni w układzie element oznaczony na rysunku symbolem X?

Jakiego materiału powinno się użyć do ekranowania urządzeń pomiarowych, aby zredukować wpływ pól elektromagnetycznych na ich funkcjonowanie?
Rezystancja którego z podanych czujników zmniejsza się w miarę wzrostu temperatury?
To pytanie jest dostępne tylko dla uczniów i nauczycieli. Zaloguj się lub utwórz konto aby zobaczyć pełną treść pytania.
Odpowiedzi dostępne po zalogowaniu.
Wyjaśnienie dostępne po zalogowaniu.
Ile napędów jest zastosowanych w manipulatorze, którego schemat przedstawiono na rysunku?

Podsystem mechatroniczny prasy hydraulicznej został wyposażony w terminal HMI. To urządzenie nie pozwala jedynie
Na rysunku przedstawiono zawór rozdzielający przystosowany do sterowania

Na którym rysunku przedstawiono mocowanie kołnierzowe siłowników pneumatycznych?

Wskaż tabliczkę znamionową urządzenia napędowego przeznaczonego do pracy przy stałym momencie obciążającym w nieograniczonym czasie.

Którego z wymienionych narzędzi należy użyć do odkręcenia śruby przedstawionej na ilustracji?

Który z podanych standardów przesyłania sygnałów cyfrowych pozwala na bezprzewodową transmisję danych?
To pytanie jest dostępne tylko dla uczniów i nauczycieli. Zaloguj się lub utwórz konto aby zobaczyć pełną treść pytania.
Odpowiedzi dostępne po zalogowaniu.
Wyjaśnienie dostępne po zalogowaniu.
To pytanie jest dostępne tylko dla uczniów i nauczycieli. Zaloguj się lub utwórz konto aby zobaczyć pełną treść pytania.
Odpowiedzi dostępne po zalogowaniu.
Wyjaśnienie dostępne po zalogowaniu.
Która ilustracja przedstawia tabliczkę zaciskową silnika z poprawnie połączonymi uzwojeniami w układzie gwiazdy?

Aby dokładnie zmierzyć średnicę wałka, należy użyć
Na którym rysunku przedstawiono zawór szybkiego spustu?

~230V Zadaniem kondensatora C1 w układzie, którego schemat przedstawiono na rysunku, jest

Zadaniem czujnika kontaktronowego zamontowanego na siłowniku jest sygnalizacja

Napięcie wyjściowe zasilacza zasilającego sterownik PLC zainstalowany w urządzeniu mechatronicznym, zgodnie z parametrami przedstawionymi w tabeli, może wynosić
| Parametry techniczne sterownika | |
|---|---|
| Normy i przepisy | IEC 61131-2 |
| Typ produktu | Sterownik kompaktowy |
| Liczba wejść dyskretnych | 6 |
| Napięcie wejść dyskretnych | 24 V DC |
| Liczba wyjść dyskretnych | 4 przekaźnikowe |
| Typ wyjść | przekaźnikowe |
| Sygnalizacja stanów | LED |
| Napięcie zasilania | 24 V DC |
| Dopuszczalny zakres napięcia zasilania | 21,2÷28,8 V DC |
| Tętnienia | <5% |
Brak odpowiedzi na to pytanie.
W układzie zastosowano przetworniki ciśnienia o prądowych sygnałach wyjściowych. Na podstawie danych katalogowych przetworników oraz wyników przeprowadzonych pomiarów wskaż, który z przetworników nie działa prawidłowo.
| Przetwornik | Zakres sygnału wejściowego [MPa] | Zakres sygnału wyjściowego [mA] | Wartość sygnału wejściowego [MPa] | Wartość sygnału wyjściowego [mA] |
|---|---|---|---|---|
| 1 | 0 ÷ 1 | 0 ÷ 20 | 0,50 | 10 |
| 2 | 0 ÷ 2 | 0 ÷ 20 | 0,50 | 5 |
| 3 | 0 ÷ 1 | 4 ÷ 20 | 0,50 | 12 |
| 4 | 0 ÷ 2 | 4 ÷ 20 | 0,50 | 5 |