Pytanie 1
Który przekrój kabla najczęściej używa się do tworzenia obwodów gniazdek w instalacjach domowych podtynkowych?
Wynik: 24/40 punktów (60,0%)
Wymagane minimum: 20 punktów (50%)
Który przekrój kabla najczęściej używa się do tworzenia obwodów gniazdek w instalacjach domowych podtynkowych?
Podczas oględzin silników elektrycznych, w czasie ich postoju, należy sprawdzić
Która z podanych przyczyn prowadzi do włączenia przekaźnika Buchholtza w celu odłączenia transformatora?
Jaką maksymalną wartość prądu ustawioną na przekaźniku termobimetalowym można zastosować w obwodzie zasilania silnika asynchronicznego o parametrach znamionowych UN = 400 V, PN = 0,37 kW, I = 1,05 A, n = 2710 l/min, aby zapewnić skuteczną ochronę przed przeciążeniem?
Który z poniższych elementów nie jest częścią transformatora energetycznego?
To pytanie jest dostępne tylko dla zalogowanych użytkowników. Zaloguj się lub utwórz konto aby zobaczyć pełną treść pytania.
Odpowiedzi dostępne po zalogowaniu.
Wyjaśnienie dostępne po zalogowaniu.
Zidentyfikuj uszkodzenie jednofazowego transformatora redukującego napięcie, jeśli jego znamionowa przekładnia napięciowa wynosi 5, a zmierzone w trybie jałowym napięcia na uzwojeniu pierwotnym i wtórnym wyniosły odpowiednio 230 V oraz 460 V?
W instalacji oświetleniowej budynku mieszkalnego zamontowane było oświetlenie żarowe. Które źródło światła należy zastosować, modernizując instalację pod kątem najmniejszego zużycia energii elektrycznej?




W układzie prostego jednofazowego przekształtnika AC-DC zasilanego z sieci 230 V, którego schemat ideowy przedstawiono na rysunku, uległa uszkodzeniu jedna z diod prostowniczych. W czasie pracy odbiornik R0 pobiera znamionowy prąd o wartości 20 A. Pojemność kondensatora wynosi 1 mF. Którą z wymienionych diod można zastosować w miejsce uszkodzonej?

Jakie kroki należy podjąć, gdy całkowita wartość spadków napięć w systemie TN-S pomiędzy złączem ZKP a najodleglejszym gniazdem odbiorczym wynosi 9 V, w sieci elektrycznej o napięciu 230 V?
W tabeli przedstawiono wyniki pomiarów napięć między przewodami w sieci typu TN-C-S. Jakie uszkodzenie występuje w instalacji?
| L1-N | 240 V |
| L2-N | 240 V |
| L3-N | 240 V |
| PEN-N | 0 V |
| PEN-PE | 10 V |
To pytanie jest dostępne tylko dla zalogowanych użytkowników. Zaloguj się lub utwórz konto aby zobaczyć pełną treść pytania.
Odpowiedzi dostępne po zalogowaniu.
Wyjaśnienie dostępne po zalogowaniu.
Jak często, według podanych w tabeli i zalecanych przez Prawo Budowlane czasookresów, należy wykonywać pomiary okresowe skuteczności ochrony przeciwporażeniowej i rezystancji izolacji instalacji elektrycznych w szkołach?
| Zalecana częstotliwość wykonywania okresowych badań sprawności technicznej instalacji elektrycznych w zależności od warunków środowiskowych | |||
| Lp. | Rodzaj pomieszczenia | Pomiar skuteczności ochrony przeciwporażeniowej (nie rzadziej niż): | Pomiar rezystancji izolacji (nie rzadziej niż): |
| 1 | O wyziewach żrących | 1 rok | 1 rok |
| 2 | Zagrożonych wybuchem | 1 rok | 1 rok |
| 3 | Otwarta przestrzeń | 1 rok | 5 lat |
| 4 | Wilgotne i bardzo wilgotne (o wilgotności względnej 75-100%) | 1 rok | 5 lat |
| 5 | Gorące (temperatura powyżej 35 °C) | 1 rok | 5 lat |
| 6 | Zagrożone pożarem | 5 lat | 1 rok |
| 7 | Stwarzające zagrożenie dla ludzi (ZL I, ZL II, ZL III) | 5 lat | 1 rok |
| 8 | Zapylone | 5 lat | 5 lat |
| Pomiar skuteczności ochrony przeciwporażeniowej (nie rzadziej niż): | Pomiar rezystancji izolacji (nie rzadziej niż): | |
|---|---|---|
| A | 1 rok | 1 rok |
| B | 1 rok | 5 lat |
| C | 5 lat | 1 rok |
| D | 5 lat | 5 lat |
Jaki będzie wpływ zmniejszenia nastawy częstotliwości w falowniku, z którego zasilany jest silnik indukcyjny? (U/f = const)

To pytanie jest dostępne tylko dla zalogowanych użytkowników. Zaloguj się lub utwórz konto aby zobaczyć pełną treść pytania.
Odpowiedzi dostępne po zalogowaniu.
Wyjaśnienie dostępne po zalogowaniu.
To pytanie jest dostępne tylko dla zalogowanych użytkowników. Zaloguj się lub utwórz konto aby zobaczyć pełną treść pytania.
Odpowiedzi dostępne po zalogowaniu.
Wyjaśnienie dostępne po zalogowaniu.
Aby przeprowadzić bezpieczne oraz efektywne działania mające na celu zlokalizowanie uszkodzenia w silniku jednofazowym z kondensatorem rozruchowym, należy wykonać kolejność następujących czynności:
Przed rozpoczęciem wymiany uszkodzonych części instalacji elektrycznej do 1 kV, należy najpierw odłączyć napięcie, a następnie stosować się do zasad bezpieczeństwa w poniższej kolejności:
Dodatkowy przewód ochronny w instalacji wykonanej przewodem LYd 750 4x2,5 zamocowanej na uchwytach na ścianie piwnicy powinien być oznaczony symbolem
Jakie przyrządy można zastosować do pomiaru mocy czynnej?
Jakie oznaczenie powinna nosić wkładka bezpiecznikowa, którą trzeba zainstalować w celu zabezpieczenia silników oraz urządzeń rozdzielczych?
W którym z wymienionych urządzeń należy zastosować przedstawione na rysunku zabezpieczenie nadprądowe?

Układ pokazany na rysunku stosowany jest do pomiarów

Jakie powinno być znamionowe natężenie prądu dla instalacyjnego wyłącznika nadprądowego używanego w systemie z napięciem 230 V, 50 Hz, jako zabezpieczenie obwodu wykonanego z przewodu 3x2,5 mm2, który zasila 1-fazowy piec elektryczny o mocy 3 kW?
To pytanie jest dostępne tylko dla zalogowanych użytkowników. Zaloguj się lub utwórz konto aby zobaczyć pełną treść pytania.
Odpowiedzi dostępne po zalogowaniu.
Wyjaśnienie dostępne po zalogowaniu.
Jakiego składnika nie powinien mieć kabel zasilający do głównej rozdzielnicy w strefie przemysłowej, która jest klasyfikowana jako niebezpieczna pod względem pożaru?
To pytanie jest dostępne tylko dla zalogowanych użytkowników. Zaloguj się lub utwórz konto aby zobaczyć pełną treść pytania.
Odpowiedzi dostępne po zalogowaniu.
Wyjaśnienie dostępne po zalogowaniu.
Która z poniższych przyczyn powoduje, że przekaźnik Buchholza działa na wyłączenie transformatora?
Jakie czynności oraz w jakiej kolejności powinny zostać dokonane podczas wymiany uszkodzonego łącznika elektrycznego?
To pytanie jest dostępne tylko dla zalogowanych użytkowników. Zaloguj się lub utwórz konto aby zobaczyć pełną treść pytania.
Odpowiedzi dostępne po zalogowaniu.
Wyjaśnienie dostępne po zalogowaniu.
Przy badaniu uszkodzonego silnika trójfazowego połączonego w gwiazdę zmierzono rezystancje uzwojeń i rezystancje izolacji. Zamieszczone w tabeli wyniki pomiarów pozwalają stwierdzić, że możliwe jest
| Wielkość mierzona | Wartość, Ω |
| Rezystancja uzwojeń między zaciskami silnika: | |
| U1 – V1 | 10,0 |
| V1 – W1 | ∞ |
| W1 – U1 | ∞ |
| Rezystancja izolacji między zaciskami a obudową silnika: | Wartość, MΩ |
| U1 – PE | 15,5 |
| V1 – PE | 15,5 |
| W1 – PE | 0 |

To pytanie jest dostępne tylko dla zalogowanych użytkowników. Zaloguj się lub utwórz konto aby zobaczyć pełną treść pytania.
Odpowiedzi dostępne po zalogowaniu.
Wyjaśnienie dostępne po zalogowaniu.
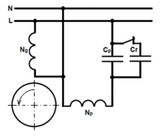
W jakim celu stosuje się kondensator rozruchowy w silniku, którego schemat przedstawiono na rysunku?

Jaką wartość powinien mieć prąd znamionowy bezpiecznika aparatowego zamontowanego w obwodzie uzwojenia pierwotnego transformatora jednofazowego, którego parametry to: U1N = 230 V, U2N = 13 V, używanego w ładowarce do akumulatorów, jeżeli przewidywany prąd obciążenia podczas ładowania akumulatorów wynosi 15 A?
Które z wymienionych uszkodzeń można wykryć w układzie pomiarowym przedstawionym na rysunku?

To pytanie jest dostępne tylko dla zalogowanych użytkowników. Zaloguj się lub utwórz konto aby zobaczyć pełną treść pytania.
Odpowiedzi dostępne po zalogowaniu.
Wyjaśnienie dostępne po zalogowaniu.
Który z mierników przeznaczony jest do bezpośredniego pomiaru napięcia na uzwojeniu wzbudzenia maszyny synchronicznej?

Która z wymienionych operacji jest związana z obsługą przepływu energii elektrycznej w urządzeniu napędowym klasy IV?
Zmierzone parametry rezystancji cewki stycznika umiejscowionej w obwodzie sterującym silnikiem wynoszą 0 Ω. Na tej podstawie można wnioskować, że
W jakim celu stosuje się kondensator rozruchowy w silniku, którego schemat przedstawiono na ilustracji?
