Pytanie 1
Układ cyfrowy sekwencyjny wyróżnia się tym, że sygnał na wyjściu
Wynik: 38/40 punktów (95,0%)
Wymagane minimum: 20 punktów (50%)
Układ cyfrowy sekwencyjny wyróżnia się tym, że sygnał na wyjściu
Urządzenie, które pozwala na przesył sygnału telewizyjnego z kilku anten poprzez jeden kabel, to
Jaką moc generuje rezystor o rezystancji 10 Ω, przez który przepływa prąd o natężeniu 100 mA?
W jakim układzie pracują tranzystory przedstawione na rysunku?

Układ do pomiaru, który umożliwia dokładne ustalanie małych i bardzo małych rezystancji, to mostek
W dokumentacji technicznej multimetru stwierdzono, że potrafi on wyświetlać wyniki pomiarów w formacie trzy i pół cyfry. Jaką najwyższą liczbę jednostek jest w stanie pokazać ten multimetr?
Indywidualny zestaw satelitarny odbiera programy telewizyjne nadawane wyłącznie w polaryzacji "V". Napięcia zasilające i sterujące konwerterem oraz głowicą tunera satelitarnego są zgodne z dokumentacją techniczną. Uszkodzeniu uległ

Rysunek przedstawia zasilanie

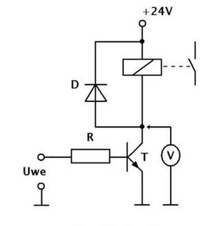
Wykonując pomiar napięcia w układzie sterowania przekaźnikiem, przedstawionym na schemacie, woltomierz wskazał wartość napięcia 24 V. Oznacza to, że

Na rysunku przedstawiono podstawowy schemat blokowy układu automatycznej regulacji. Znakiem X oznaczono

Ilustracja przedstawia przerzutnik JK. Wejście C jest wyzwalane

Sieć komputerowa obejmująca obszar miasta to sieć
Elementem systemu antenowego, który pozwala na połączenie dwóch źródeł sygnału antenowego, aby przesłać je do telewizora za pomocą jednego przewodu antenowego, jest
Aby sprawdzić ciągłość połączeń w obwodach drukowanych w urządzeniach elektronicznych, należy zastosować
Jaką kluczową rolę w tunerze satelitarnym pełni moduł CI (Common Interface)?
Jaki układ wzmacniający z użyciem tranzystora bipolarnego odznacza się względnie wysokim wzmocnieniem napięciowym oraz znacznym wzmocnieniem prądowym?
W systemie z wzmacniaczem oraz głośnikiem kluczowe jest z perspektywy efektywności układu, aby impedancja głośnika
Który z symboli znajdujących się na tabliczce znamionowej określa warunki środowiskowe, w jakich może pracować urządzenie elektroniczne?

W trakcie przeglądu okresowego systemu telewizji kablowej jakość sygnału u poszczególnych abonentów ocenia się, dokonując pomiaru
Amperomierz o klasie precyzji 1 oraz zakresie pomiarowym In=100 mA zarejestrował prąd I=100 mA. Jaki jest maksymalny błąd względny tego pomiaru?
Na który z parametrów fali nośnej oddziałuje sygnał modulujący w modulacji PM?
W trakcie serwisowania instalacji antenowej zauważono błąd popełniony przez instalatora. Zamiast właściwego przewodu o impedancji falowej 75 Ω, podłączono przewód o impedancji falowej 300 Ω. W efekcie tego błędu sygnał, który docierał do odbiornika,
Jaką mniej więcej wartość ma rezystancja włókna świecącej żarówki o specyfikacji 12 V/5 W, działającej w obwodzie prądu stałego?
Które z poniższych urządzeń elektronicznych wymaga zaprogramowania po jego zainstalowaniu, zanim zacznie działać?
W jakim celu w obwodzie sterowania przekaźnika dołącza się dodatkową diodę D?

Aby przeprowadzić ocenę jakości sygnału cyfrowej telewizji satelitarnej, wymagane jest użycie miernika
Ilość stabilnych stanów przerzutnika bistabilnego wynosi
W jakim urządzeniu wykorzystuje się przetwornik cyfrowo-analogowy?
Liczba 3,5 w naturalnym systemie binarnym będzie zapisana jako
Jaki jest standardowy poziom napięcia zasilania dla jednego urządzenia podłączonego do portu USB (pomijając USB Power Delivery)?
Jakiego modułu dotyczy usterka w telewizorze, jeśli nie odbiera on sygnału z zewnętrznej anteny w transmisji naziemnej, a jednocześnie prawidłowo wyświetla obraz z podłączonego tunera satelitarnego przez przewód EUROSCART oraz z kamery VHS-C za pomocą przewodu S-Video?
Elementem systemu alarmowego jest
W wzmacniaczu mocy działającym w klasie A prąd przez element aktywny tego wzmacniacza (tranzystor) przepływa przez czas
Jakie jednostki są używane do określenia tłumienia jednostkowego linii światłowodowej?
Podczas podłączania czujki do rozbicia szyby do systemu alarmowego, konieczne jest użycie kabla
Podczas pomiaru napięcia UCE spoczynkowego punktu pracy tranzystora m.cz. woltomierzem analogowym CE o podziałce 100 działek ustawionym na zakresie 0,3 V wskazówka wskazuje 80 działek. Ile wynosi wartość mierzonego napięcia?

Jaką wartość ma liczba poziomów w dwunastobitowym przetworniku C/A?
Do wejścia Z2 centrali alarmowej podłączono czujkę ruchu typu NC (patrz rysunek). Który typ linii należy ustawić przy programowaniu danego wejścia?

Ile wynosi moc czynna wytwarzana w złączu elementu elektronicznego, jeżeli jego temperatura wynosi Tj=120°C, a otoczenia Tamb=20°C? Całkowita rezystancja termiczna od złącza poprzez obudowę do otoczenia jest równa ΣRt=50°C/W.

HbbTV to skrót oznaczający standard telewizji