Pytanie 1
Oznaczenie YDYn 4x2,5 mm2 znajdujące się na izolacji dotyczy przewodu
Wynik: 31/40 punktów (77,5%)
Wymagane minimum: 20 punktów (50%)
Oznaczenie YDYn 4x2,5 mm2 znajdujące się na izolacji dotyczy przewodu
Złącze wtykowe przedstawione na rysunku przeznaczone jest do zastosowań w obszarach zagrożonych

Którym symbolem graficznym należy oznaczyć łącznik świecznikowy na schemacie ideowym instalacji elektrycznej?

Na rysunku przedstawiono symbol graficzny

W jakich okolicznościach instalacja elektryczna nie wymaga konserwacji ani naprawy?
Który z podanych materiałów najlepiej przewodzi strumień magnetyczny?
Który z symboli oznacza możliwość bezpośredniego montażu oprawy oświetleniowej wyłącznie na podłożu niepalnym?

Który element osprzętu łączeniowego przedstawiono na rysunku?

Na podstawie charakterystyki przedstawionej na rysunku określ przedział czasu, w którym może, lecz nie musi nastąpić zadziałanie wyzwalacza termobimetalowego wyłącznika S301 B10 1P 6 kA, przy przepływie przez niego prądu o wartości 25 A.

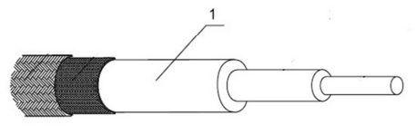
Jaki element przewodu oznaczony jest cyfrą 1?

Jaki jest minimalny dopuszczalny przekrój przewodów miedzianych stosowanych w budynkach jako wewnętrzne linie zasilające (WLZ)?
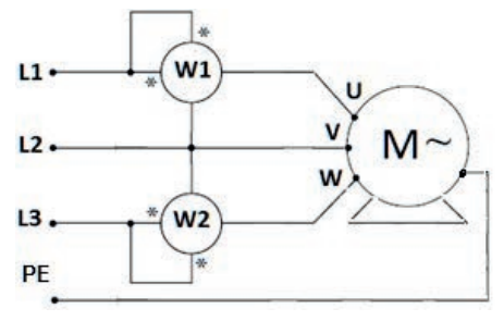
W układzie jak na rysunku po załączeniu wskazówka watomierza W1 wychyliła się w lewą stronę. Po zamianie zacisków napięciowych watomierz wskazał moc 350 W. Jaka jest całkowita moc pobierana przez odbiornik, jeśli watomierz W2 wskazuje 800 W?

Na której ilustracji przedstawiono symbol graficzny rozłącznika?

Jaką wartość maksymalnej dopuszczalnej impedancji pętli zwarcia należy zastosować w trójfazowym obwodzie elektrycznym o napięciu znamionowym 230/400 V, aby ochrona przeciwporażeniowa była skuteczna w przypadku uszkodzenia izolacji, przy założeniu, że wyłączenie zasilania będzie realizowane przez instalacyjny wyłącznik nadprądowy C20?
Strzałka na rysunku wskazuje

Które z przedstawionych narzędzi przeznaczone jest do zdejmowania izolacji z żył przewodów elektrycznych?

Na rysunku przedstawiono schemat

W instalacjach elektrycznych w budynkach mieszkalnych o napięciu 230 V nie wolno używać opraw oświetleniowych zrealizowanych w klasie ochrony
W jaki sposób powinno się przeprowadzać zalecane przez producenta regularne testy działania wyłącznika różnicowoprądowego?
Które parametry techniczne określają stycznik przedstawiony na rysunku?

Który z wymienionych przełączników instalacyjnych służy do kontrolowania dwóch sekcji źródeł światła w żyrandolu?
W jakiej odległości od siebie powinny być umieszczone miejsca montażu dwóch sufitowych lamp w pomieszczeniu o wymiarach 2 m × 4 m, aby uzyskać optymalną równomierność oświetlenia?
Którą puszkę należy zastosować podczas wymiany instalacji, wykonanej na tynku w pomieszczeniu suchym?

W jakim układzie sieciowym punkt neutralny transformatora zasilającego sieć nie jest metalicznie połączony z ziemią?
Który z przedstawionych przyrządów jest przeznaczony do wykrywania pod obciążeniem wadliwych połączeń elektrycznych w torach wielkoprądowych?

Na podstawie przedstawionych na rysunku zależności napięcia na zaciskach akumulatora od prądu i czasu rozładowywania wskaż wartość napięcia akumulatora o pojemności C = 100 Ah, który przez 30 minut był obciążony prądem o wartości 60 A.

Którego miernika należy użyć do pomiaru natężenia oświetlenia w pomieszczeniu biurowym?

Symbol graficzny przedstawiony na rysunku oznacza łącznik

Która z wymienionych list czynności opisuje w jakiej kolejności demontuje się elementy stojana silnika indukcyjnego z uzwojeniem wsypywanym w celu jego przezwojenia?
| 1 | odcięcie połączeń czołowych | odcięcie połączeń czołowych | usunięcie izolacji żłobkowej | usunięcie uzwojenia |
| 2 | usunięcie izolacji żłobkowej | usunięcie uzwojenia | odcięcie połączeń czołowych | odcięcie połączeń czołowych |
| 3 | usunięcie uzwojenia | usunięcie izolacji żłobkowej | usunięcie uzwojenia | usunięcie izolacji żłobkowej |
| A | B | C | D | |
Jakiego pomiaru w instalacji należy dokonać, aby zweryfikować podstawową ochronę przed porażeniem prądem?
Którą funkcję pomiarową powinien posiadać miernik, aby można było wyznaczyć impedancję pętli zwarcia w układzie przedstawionym na rysunku?

Która z podanych metod realizacji instalacji elektrycznych jest przeznaczona do użycia w lokalach mieszkalnych?
Jaki łącznik oznacza się na schematach przedstawionym symbolem graficznym?

Na której ilustracji przedstawiono symbol graficzny przewodu neutralnego?

Jakiego narzędzia należy użyć, aby zweryfikować, czy nie ma napięcia w instalacji elektrycznej 230 V, przed przystąpieniem do prac konserwacyjnych?
Który układ połączeń watomierza jest zgodny z przedstawionym schematem pomiarowym?

Którą klasę ochronności posiada oprawa oświetleniowa oznaczona przedstawionym symbolem graficznym?

Który łącznik przedstawiono na rysunku?

Jakie jest wymagane napięcie testowe przy pomiarze rezystancji izolacji obwodów w instalacjach elektrycznych 230/400 V?
Jakie z podanych powodów wpływa na wzrost iskrzenia na komutatorze w trakcie działania sprawnego silnika bocznikowego prądu stałego po wymianie szczotek?