Pytanie 1
Na podstawie rysunku określ kolejność zamontowanych aparatów elektrycznych w rozdzielnicy.

Wynik: 18/40 punktów (45,0%)
Wymagane minimum: 20 punktów (50%)
Na podstawie rysunku określ kolejność zamontowanych aparatów elektrycznych w rozdzielnicy.

Jaki jest prawidłowy sposób postępowania w przypadku wykrycia uszkodzenia izolacji przewodu zasilającego?
Podaj rodzaj i miejsce uszkodzenia w trójfazowym silniku indukcyjnym o uzwojeniach połączonych w gwiazdę, jeżeli wyniki pomiarów rezystancji jego uzwojeń przedstawione są w tabeli.
| Rezystancja między zaciskami | Wynik |
| U - V | 15 Ω |
| V - W | 15 Ω |
| W - U | 20 Ω |
Który element stosowany w instalacjach mieszkaniowych przedstawiono na rysunku?

Które z parametrów są podane na przedstawionym urządzeniu?

Na którym rysunku przedstawiono schemat połączeń umożliwiający pomiar energii elektrycznej pobranej przez użytkownika?

Które aparaty oznaczono na schemacie cyframi 1 i 2?

Którą funkcję pomiarową powinien posiadać miernik, aby można było wyznaczyć impedancję pętli zwarcia w układzie przedstawionym na schemacie?

Jakiego typu powinna być końcówka wkrętaka dobranego do wkrętu o główce, której kształt przedstawiono na rysunku?

Którą funkcję pomiarową powinien posiadać miernik, aby można było wyznaczyć impedancję pętli zwarcia w układzie przedstawionym na schemacie?

W pomieszczeniu przyłączowym budynku sprawdzono ciągłość głównego połączenia wyrównawczego między główną szyną wyrównawczą a czterema punktami, jak na rysunku. Który pomiar powinien wykazać brak ciągłości połączenia?

Podczas inspekcji świeżo zainstalowanej sieci elektrycznej nie ma konieczności weryfikacji
Który element instalacji elektrycznej przedstawiono na rysunku?

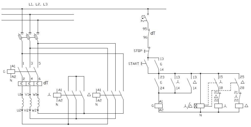
Na ilustracji przedstawiono schemat układu zasilania silnika elektrycznego zawierający

Który element oznaczony jest na przedstawionym schemacie symbolem literowym dT?

Jaką rolę odgrywa wyzwalacz elektromagnetyczny w wyłączniku nadprądowym?
Jaki jest najmniejszy błąd pomiaru natężenia prądu wynoszącego 30 mA, gdy używamy cyfrowego miliamperomierza z wyświetlaczem do 2 miejsc po przecinku oraz miernika o określonej dokładności?
Jaką funkcję w wyłączniku nadprądowym pełni element wskazany na rysunku czerwoną strzałką?

Wyzwalacz elektromagnetyczny wyłącznika toru prądowego, przedstawiamy na schemacie blokowym jak na rysunku, oznacza się na schemacie elektrycznym symbolem graficznym

Na której ilustracji przedstawiono kabel typu YAKY?

W jakiej odległości od siebie powinny być umieszczone miejsca montażu dwóch sufitowych lamp w pomieszczeniu o wymiarach 2 m × 4 m, aby uzyskać optymalną równomierność oświetlenia?
Jakie działania należy podjąć po odłączeniu zasilania, aby zgodnie z PN-HD 60364-6:2008 Instalacje elektryczne niskiego napięcia, przeprowadzić pomiar rezystancji izolacji kabli?
Których aparatów montowanych na szynie TH 35 dotyczą przedstawione w tabeli parametry techniczne?
| Parametry techniczne | ||
| Prąd znamionowy In w A | Szerokość w modułach o wymiarach 17,5 mm | Charakterystyka |
| 6 | 1 | B |
| 10 | 1 | B |
| 16 | 1 | B |
| 20 | 1 | B |
| 25 | 1 | B |
| 32 | 1 | B |
| 40 | 1 | B |
| 50 | 1 | B |
| 63 | 1 | B |
Miernikiem, którego przełącznik zakresów przedstawiono na rysunku, nie można zmierzyć

Które urządzenie przedstawiono na ilustracji?

Do którego rodzaju ochrony przeciwporażeniowej zaliczane są środki ochrony opisane w ramce?
| 1. | Urządzenia ochronne różnicowoprądowe o znamionowym prądzie różnicowym nieprzekraczającym 30 mA. |
| 2. | Dodatkowe połączenia wyrównawcze ochronne. |
Na którym rysunku przedstawiono rozdzielnicę natynkową?

Która zależność musi być spełniona podczas wymiany uszkodzonych przewodów instalacji elektrycznej i ewentualnej zmiany ich zabezpieczeń nadprądowych?
| Iz – prąd obciążalności długotrwałej przewodu |
| Ib – prąd znamionowy zabezpieczenia przeciążeniowego |
| IB – prąd wynikający z przewidywanej mocy przesyłanej przewodem |
Jakim oznaczeniem charakteryzuje się przewód jednożyłowy z żyłą wykonaną z aluminium, w izolacji z PVC, o przekroju 2,5 mm2, przeznaczony na napięcie znamionowe izolacji 500 V?
Który z wymienionych zestawów narzędzi jest konieczny do realizacji połączeń przewodów typu DY w instalacji elektrycznej, w puszkach rozgałęźnych, przy użyciu złączek śrubowych?
Kontrola instalacji elektrycznych, które są narażone na szkodliwe działanie warunków atmosferycznych lub destrukcyjne oddziaływanie czynników występujących podczas eksploatacji budynku, powinna odbywać się nie rzadziej niż raz na
Jakie narzędzia będą konieczne do zamocowania listew elektroizolacyjnych na ścianie z płyt gipsowych?
Na podstawie przedstawionych na rysunku zależności napięcia na zaciskach akumulatora od prądu i czasu rozładowywania wskaż wartość napięcia akumulatora o pojemności C = 100 Ah, który przez 30 minut był obciążony prądem o wartości 60 A.

W jakiego rodzaju instalacjach elektrycznych typowe jest stosowanie przewodów w karbowanych rurkach?
W jaki sposób i przewodem o jakim przekroju ma być wykonana trójfazowa wewnętrzna linia zasilająca (WLZ), której obciążalność prądowa wynosi 220 A?
| Obciążalność prądowa długotrwała w A przewodów o żyłach Cu w izolacji PVC ułożonych w różny sposób | ||
|---|---|---|
| Przekrój znamionowy żył w mm² | Instalacja wykonana sposobami | |
| C | E | |
| 70 | 211 | 216 |
| 95 | 225 | 238 |
| gdzie: C – przewody układane po wierzchu, na ścianie lub suficie drewnianym E – przewody wielożyłowe ułożone swobodnie w powietrzu lub korytku kablowym | ||
Który rodzaj źródła światła pokazano na rysunku?

Którego aparatu należy użyć w celu zastąpienia bezpieczników topikowych w modernizowanej instalacji w obwodzie zasilającym silnik trójfazowy?

Na schematach instalacji elektrycznych symbolem przedstawionym na ilustracji oznacza się przewód prowadzony

Stosując kryterium obciążalności prądowej, dobierz na podstawie tabeli minimalny przekrój przewodu do zasilenia grzejnika elektrycznego o danych: PN = 4,6 kW, UN = 230 V.
| S, mm2 | 1,0 | 1,5 | 2,5 | 4,0 | 6,0 |
| Idd, A | 15 | 19 | 24 | 32 | 42 |
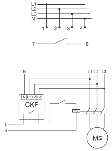
Które wyprowadzenia czujnika kontroli i zaniku faz należy włączyć szeregowo z cewką stycznika zgodnie z przedstawionymi schematami z jego instrukcji fabrycznej?
