Pytanie 1
Jaką mniej więcej wartość ma rezystancja włókna świecącej żarówki o specyfikacji 12 V/5 W, działającej w obwodzie prądu stałego?
Wynik: 3/40 punktów (7,5%)
Wymagane minimum: 20 punktów (50%)
Jaką mniej więcej wartość ma rezystancja włókna świecącej żarówki o specyfikacji 12 V/5 W, działającej w obwodzie prądu stałego?
Który z pokazanych na rysunku piktogramów ostrzega użytkownika przed możliwością samoczynnego uruchomienia się urządzenia?

Na schemacie ideowym odbiornika superheterodynowego pracującego z modulacją AM blok 4 pełni funkcję:

Na rysunku pokazano zależność tłumienia od częstotliwości A=f(f) pewnego filtru. Jaka jest wartość częstotliwości granicznej filtru o tej charakterystyce?

Aby określić współczynnik wypełnienia fali prostokątnej, należy użyć
W najbardziej prawdopodobny sposób ciemny, trudny do zobaczenia obraz na monitorze może być spowodowany
Brak odpowiedzi na to pytanie.
Z uwagi na efektywność połączenia wzmacniacza z głośnikiem, konieczne jest, aby impedancja wyjściowa wzmacniacza była
Brak odpowiedzi na to pytanie.
Podczas konserwacji systemu sygnalizacji włamania i napadu nie jest konieczne sprawdzenie
Brak odpowiedzi na to pytanie.
Zakładając, że bit D jest najbardziej znaczący, określ która cyfra pojawi się na wyświetlaczu siedmiosegmentowym?

Brak odpowiedzi na to pytanie.
Urządzenie, które pozwala na odbiór sygnałów o różnych częstotliwościach z dwóch lub więcej anten odbiorczych, tak aby te sygnały były przesyłane do odbiornika za pomocą jednego kabla, to
Brak odpowiedzi na to pytanie.
Jakim rodzajem energii pobieranej przez telewizor LCD w trybie czuwania (tzw. tryb STANDBY) jest wartość 3 VA, podana w jego specyfikacji technicznej?
Brak odpowiedzi na to pytanie.
Modyfikacja szerokości kąta widzenia w kamerze CCTV to proces polegający na
Brak odpowiedzi na to pytanie.
Pokazane na ilustracji wskazanie woltomierza dla zakresu 300 V wynosi

Brak odpowiedzi na to pytanie.
Na rysunku pokazano wtyk w standardzie

Brak odpowiedzi na to pytanie.
Przyrząd przedstawiony na rysunku to

Brak odpowiedzi na to pytanie.
Który z pokazanych na rysunkach znaków ostrzega przed możliwością kontaktu z gorącą powierzchnią?

Brak odpowiedzi na to pytanie.
Liczba 3,5 w naturalnym systemie binarnym będzie zapisana jako
Brak odpowiedzi na to pytanie.
Topologia fizyczna realizacji sieci komputerowej określa
Brak odpowiedzi na to pytanie.
Sieć komputerowa, która rozciąga się poza granice miast, krajów lub kontynentów, jest siecią
Brak odpowiedzi na to pytanie.
Jaką rolę pełni program debugger?
Brak odpowiedzi na to pytanie.
W specyfikacji katalogowej rezystora SMD podano wartość rezystancji wynoszącą 100 Ω oraz moc 0,25 W. Jakie jest maksymalne natężenie prądu, które może przepływać przez ten rezystor?
Brak odpowiedzi na to pytanie.
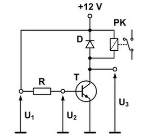
W jakim celu w obwodzie sterowania przekaźnika dołącza się dodatkową diodę D?

Brak odpowiedzi na to pytanie.
Na rysunkach pokazano schemat ideowy układu stabilizatora napięcia zawierającego dwie identyczne diody Zenera D1 i D2 oraz charakterystykę statyczną diod. Jaka jest wartość napięcia UAB, jeżeli przez diody płynie prąd wsteczny o wartości 40 mA?

Brak odpowiedzi na to pytanie.
Wartość błędu przy pomiarze rezystancji metodą techniczną z poprawnie mierzonym napięciem zależy od wartości

Brak odpowiedzi na to pytanie.
Co oznacza %I0.3 w kontekście programowania sterowników?
Brak odpowiedzi na to pytanie.
Indywidualny zestaw satelitarny odbiera programy telewizyjne nadawane wyłącznie w polaryzacji "V". Napięcia zasilające i sterujące konwerterem oraz głowicą tunera satelitarnego są zgodne z dokumentacją techniczną. Uszkodzeniu uległ

Brak odpowiedzi na to pytanie.
Jaki układ wzmacniający z użyciem tranzystora bipolarnego odznacza się względnie wysokim wzmocnieniem napięciowym oraz znacznym wzmocnieniem prądowym?
Brak odpowiedzi na to pytanie.
W przypadku której z czujek do jej prawidłowego funkcjonowania nie jest konieczne posiadanie zewnętrznego (dodatkowego) źródła zasilania?
Brak odpowiedzi na to pytanie.
Parametr Vpp, który znajduje się w dokumentacji technicznej wzmacniacza mocy o niskiej częstotliwości, wskazuje na wartość
Brak odpowiedzi na to pytanie.
W układzie pokazanym na rysunku zmierzono wartości napięć: U1=U2=U3= 12 V. Wyniki pomiarów świadczą, że

Brak odpowiedzi na to pytanie.
W trakcie profesjonalnej wymiany uszkodzonego układu scalonego SMD - kontrolera przetwornicy impulsowej w odbiorniku TV - powinno się zastosować
Brak odpowiedzi na to pytanie.
Zamiana linii asymetrycznej na linię symetryczną w transmisji sygnałów cyfrowych
Brak odpowiedzi na to pytanie.
Jakie z podanych rodzajów sprzężeń między poszczególnymi stopniami wzmacniacza wielostopniowego gwarantuje separację galwaniczną?
Brak odpowiedzi na to pytanie.
Czujnik pojemnościowy PNP-NO przedstawiony na rysunku znajduje zastosowanie w

Brak odpowiedzi na to pytanie.
Kto głównie korzysta z instrukcji serwisowych?
Brak odpowiedzi na to pytanie.
Pokazane na ilustracji wskazanie woltomierza dla zakresu 150 V wynosi

Brak odpowiedzi na to pytanie.
Aby dokonać naprawy przetwornicy zasilającej w telewizorze, należy wykorzystać instrukcję
Brak odpowiedzi na to pytanie.
Jaki najniższy stopień ochrony musi mieć obudowa kontrolera przejścia, aby mogła być używana na zewnątrz budynku?
Brak odpowiedzi na to pytanie.
Do detektorów gazów nie wlicza się detektor
Brak odpowiedzi na to pytanie.
Tuner DVB-T pozwala na odbiór sygnałów
Brak odpowiedzi na to pytanie.