Pytanie 1
Na podstawie przedstawionego planu instalacji określ, które z wymienionych elementów należy wytrasować w pokoju i na tarasie.

Wynik: 28/40 punktów (70,0%)
Wymagane minimum: 20 punktów (50%)
Na podstawie przedstawionego planu instalacji określ, które z wymienionych elementów należy wytrasować w pokoju i na tarasie.

Na którym rysunku przedstawiono źródło światła z trzonkiem typu B?

Brodzik zostanie osłonięty kabiną prysznicową. W której strefie można zainstalować gniazda z kołkiem ochronnym w łazience, aby było to zgodne z przepisami bezpieczeństwa i higieny pracy oraz przepisami przeciwporażeniowymi?

Wiatrołap jest oświetlany dwoma żarówkami. Żarówki w oprawach są włączane przez wyłącznik zmierzchowy. Gdy jedna z żarówek przestała świecić, jakie kroki należy podjąć, aby zidentyfikować i usunąć potencjalne przyczyny tej usterki?
Którą funkcję pomiarową powinien posiadać miernik, aby można było wyznaczyć impedancję pętli zwarcia w układzie przedstawionym na rysunku?

Która z poniższych czynności nie jest częścią badań wyłączników różnicowoprądowych w układzie trójfazowym?
Którym symbolem graficznym oznacza się prowadzenie przewodów elektrycznych na drabinkach kablowych?

Który symbol graficzny w ideowym schemacie jednoliniowym instalacji elektrycznej obrazuje łącznik ze schematu wieloliniowego pokazany na rysunku?

Z jakiego rodzaju metalu oraz w jakiej formie produkowane są żyły przewodu YDYp 4×1,5 mm2?
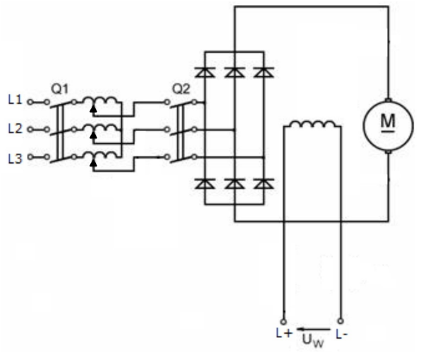
Który element regulacyjny występuje w układzie przedstawionym na schemacie?

Rysunek przedstawia schemat lampy z układem zapłonowym. Jaka to lampa?

Jakie oznaczenia oraz jaka wartość minimalnego prądu znamionowego powinna mieć wkładka topikowa, służąca do ochrony przewodów przed skutkami zwarć i przeciążeń w obwodzie jednofazowego elektrycznego bojlera o danych znamionowych: PN = 3 kW, UN = 230 V?
Do czego służą przy montażu instalacji elektrycznej przedstawione na rysunku kleszcze?

W miejsce cyfr dobierz symbole graficzne rodzaju przewodów, zachowując kolejność.

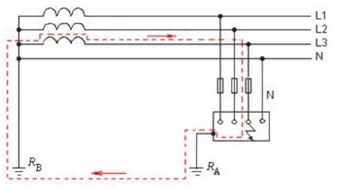
Rysunek przedstawia pętlę zwarciową w układzie

Korzystając z tabeli obciążalności prądowej przewodów, dobierz przewód o najmniejszym przekroju żył miedzianych do wykonania trójfazowej instalacji wtynkowej, która jest zabezpieczona wyłącznikiem instalacyjnym z oznaczeniem B20.
| Tabela obciążalności prądowej przewodów | ||||||
|---|---|---|---|---|---|---|
| Przekrój przewodu mm2 | Jeden lub kilka kabli 1-żyłowych ułożonych w rurze | Kilka kabli np.: przewody płaszczowe, rurowe, wtynkowe | Pojedynczy w powietrzu, przy czym odstęp odpowiada przynajmniej średnicy kabla | |||
| Żyła Cu, A | Żyła Al, A | Żyła Cu, A | Żyła Al, A | Żyła Cu, A | Żyła Al, A | |
| 0,75 | - | - | 12 | - | 15 | - |
| 1,0 | 11 | - | 15 | - | 19 | - |
| 1,5 | 15 | - | 18 | - | 24 | - |
| 2,5 | 20 | 15 | 26 | 20 | 32 | 26 |
| 4 | 25 | 20 | 34 | 27 | 42 | 33 |
Której klasy ogranicznik przepięciowy przedstawiono na rysunku?

Oznaczenie YDYn 4x2,5 mm2 znajdujące się na izolacji dotyczy przewodu
Na wyłączniku różnicowoprądowym są następujące oznaczenia:
| CIF-6 30/4/003 |
| IΔn= 0,03 A |
| In=30 A |
| ~230/400 V |
Na podstawie opisu określ, jaką puszkę instalacyjną przedstawiono na rysunku.

Poślizg silnika indukcyjnego osiągnie wartość 1, gdy
Przygotowując się do wymiany uszkodzonego gniazda siłowego w instalacji elektrycznej, po odłączeniu zasilania w obwodzie tego gniazda, należy przede wszystkim
Jakie narzędzia, poza przymiaru kreskowego i młotka, należy wybrać do instalacji sztywnych rur elektroinstalacyjnych z PVC?
Na którym rysunku przedstawiono prawidłowy sposób wykorzystania zacisku śrubowego?

Jaki najniższy przekrój może mieć przewód ochronny w instalacji oświetleniowej, gdy jest umieszczony w tej samej osłonie co przewody robocze?
Którą czynność przedstawiono na rysunku?

Zakres działania wyzwalaczy elektromagnetycznych w nadprądowych wyłącznikach instalacyjnych o charakterystyce B mieści się w zakresie
Kontrola instalacji elektrycznych, które są narażone na szkodliwe działanie warunków atmosferycznych lub destrukcyjne oddziaływanie czynników występujących podczas eksploatacji budynku, powinna odbywać się nie rzadziej niż raz na
Jakie zmiany w parametrach obwodu elektrycznego wiążą się z zamianą przewodu typu ADYt 3×2,5 na przewód typu YDYt 3×2,5?
Jaka maksymalna wartość impedancji pętli zwarcia jest dopuszczalna w trójfazowym obwodzie elektrycznym o napięciu nominalnym 230/400 V, aby zapewnić skuteczną ochronę przed porażeniem w przypadku uszkodzenia izolacji, jeżeli wiadomo, że zasilanie tego obwodu ma odłączyć instalacyjny wyłącznik nadprądowy B20?
Jakim symbolem oznacza się przewód jednożyłowy z żyłą wykonaną z drutu aluminiowego, w izolacji PCV, o przekroju żyły 2,5 mm2?
Która z poniższych działań jest zaliczana do czynności konserwacyjnych instalacji elektrycznych w domach i obiektach użyteczności publicznej?
Która z poniższych czynności jest częścią oględzin przy konserwacji wirnika silnika komutatorowego?
Jaką wartość ma prąd obciążenia przewodów fazowych, które zasilają odbiornik trójfazowy, jeśli pobiera on moc 2,2 kW przy napięciu 400 V oraz współczynniku mocy równym 0,82?
Jakie jest minimalne napięcie znamionowe izolacji, jakie powinien posiadać przewód przeznaczony do instalacji trójfazowej 230/400 V, umieszczonej w rurkach stalowych?
Minimalna akceptowalna wartość rezystancji izolacji dla przewodów instalacji przeznaczonej na napięcie znamionowe nieprzekraczające 500 V, w tym FELV, wynosi
Który sposób podłączenia instalacji oświetleniowej jest poprawny?

Jakie napięcie powinno być zastosowane w mierniku podczas pomiaru rezystancji izolacyjnej urządzenia elektrycznego o nominalnym napięciu 230/400 V?
Na rysunku przedstawiono

Który rodzaj źródła światła przedstawiono na ilustracji?
