Pytanie 1
Jaką rolę odgrywa konwerter w zestawie odbiorczym telewizji satelitarnej?
Wynik: 20/40 punktów (50,0%)
Wymagane minimum: 20 punktów (50%)
Jaką rolę odgrywa konwerter w zestawie odbiorczym telewizji satelitarnej?
Jaki czujnik pozwala na pomiar naprężeń mechanicznych w konstrukcjach?
Przedstawione na fotografii narzędzie służy do

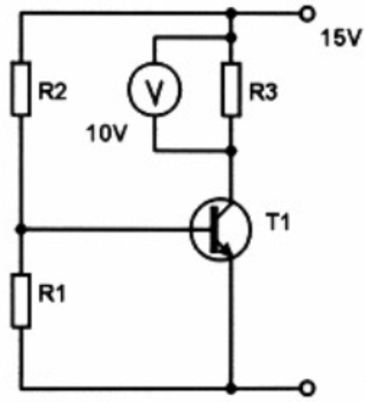
W przedstawionym na rysunku obwodzie woltomierz wskazuje wartość napięcia 10 V. Tranzystor T1

W dokumentach związanych z legalizacją urządzeń pomiarowych skrót GUM oznacza
Podczas wykonywania prac istnieje ryzyko niedotlenienia organizmu z powodu spadku zawartości tlenu w atmosferze. Jakie środki ochrony dróg oddechowych należy zastosować?
Jak nazywa się przedstawiony na zdjęciu przyrząd pomiarowy?

Kiedy instalacja systemu monitoringu realizowana jest przy użyciu przewodu współosiowego zakończonego złączami typu F, do podłączenia kamery analogowej należy użyć złącza typu
Jaką topologię okablowania należy zastosować do zbudowania sieci komputerowej przedstawionej na schemacie?

Element, którego symbol graficzny przedstawiono na rysunku to

Wysokie napięcia w punktach przejściowych, w gniazdach abonenckich, na stacji głównej telewizji kablowej oraz na wejściu urządzenia abonenckiego mogą się pojawić w wyniku
Całkowity koszt wykonania instalacji alarmowej, przy wartości materiałów wynoszącej 2 000 zł netto oraz kosztach robocizny w wysokości 1 000 zł netto, wyniesie ile, jeżeli materiały są objęte 23% a usługa 8% podatkiem VAT?
Ile przewodów potrzeba do standardowego podłączenia czujnika ruchu z antysabotażowym wejściem?
Który typ klucza potrzebny jest do odkręcenia śrub pokazanych na rysunku?

Ile wynosi wskazanie przedstawionego woltomierza, jeśli wiadomo, że pomiaru dokonano na zakresie 150 V?

Założenie opaski uziemiającej na nadgarstek jest niezbędne przed rozpoczęciem wymiany
Aby zidentyfikować brak ciągłości obwodu w instalacjach elektrycznych, należy użyć
Który z parametrów nie dotyczy monitorów LCD?
Przedstawiony na schemacie układ pomiarowy służy do pomiaru

Rezystor podciągający, który jest połączony z wyjściem bramki TTL w cyfrowych układach, stosuje się w celu
Jak wzrost temperatury wpływa na właściwości przewodu miedzianego?
Jakie dodatkowe środki ochrony przeciwporażeniowej nie są wymagane podczas serwisowania urządzeń elektronicznych?
Termin PDP odnosi się do typów wyświetlaczy
Ile wynosi przesunięcie fazowe sygnałów sinusoidalnych o tej samej częstotliwości na przedstawionym rysunku?

Czego można dokonać za pomocą cęgów bocznych?
Antena paraboliczna jest używana do odbioru sygnałów
Wyłącznik nadmiarowoprądowy zabezpiecza instalację zasilającą urządzenie elektroniczne przed skutkami
Jakie oznaczenie skrócone odnosi się do zakresu fal radiowych o częstotliwości mieszczącej się pomiędzy 30 MHz a 300 MHz, w którym swoje audycje nadają stacje radiowe wykorzystujące modulację FM?
Który z parametrów odnosi się do wartości 20 Mpx, podanej w specyfikacji cyfrowego aparatu fotograficznego?
Zasady zabraniają przeprowadzania prac serwisowych na instalacjach antenowych w warunkach
Na rysunku przedstawiono symbol

Elementy urządzeń elektronicznych przeznaczone do recyklingu nie powinny być
Instrukcja CLR P1.7 wskazuje na
Nagłe zmiany temperatury (np. z powodu pieców czy otwartych okien) mogą powodować zakłócenia w działaniu detektora umieszczonego w jego pobliżu?
Który sposób reperacji uszkodzonego kabla antenowego zapewni odpowiednią jakość przesyłu sygnału?
Przedstawiony przyrząd służy do sprawdzania instalacji

Podstawowym celem hermetycznej obudowy urządzenia elektronicznego z tworzywa sztucznego jest zapewnienie właściwej odporności tego urządzenia na wpływ
Jakiego sprzętu należy użyć podczas wymiany uszkodzonej diody w elektrozaczepie drzwi wejściowych?
W regulatorze PID podwojono stałą czasową Ti (czas całkowania), co skutkuje
Przedstawione na fotografii zaproponowane przez firmę Intel - AGP gniazdo rozszerzeń służy do podłączenia
