Filtrowanie pytań
Wykonywanie obsługi techniczn…
A. Gaśnicy pianowej
B. Koca gaśniczego
C. Hydronetki
D. Gaśnicy proszkowej
Wykonywanie obsługi techniczn…
Jakie jest główne zadanie systemu GPWS?
A. Ostrzeganie załogi o zbliżaniu się do powierzchni ziemi
B. Wyznaczanie pozycji geograficznej samolotu
C. Monitorowanie parametrów pracy silnika
D. Kontrola ruchu lotniczego w przestrzeni powietrznej
Wykonywanie obsługi techniczn…
Co oznacza pojęcie 'pułap operacyjny' żyroskopu?
A. Maksymalna prędkość obrotowa żyroskopu
B. Maksymalny kąt przechylenia mierzony przez żyroskop
C. Maksymalna wysokość, na której żyroskop pracuje poprawnie
D. Maksymalny czas pracy żyroskopu bez kalibracji
Wykonywanie obsługi techniczn…
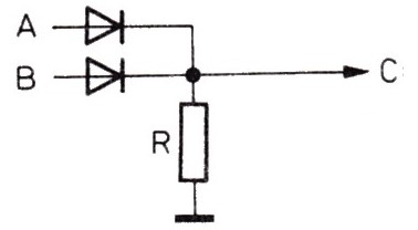
Którą funkcję logiczną realizuje układ przedstawiony na rysunku?

A. NOR
B. OR
C. EXOR
D. AND
Wykonywanie obsługi techniczn…
Organizacja lub osoba, która stwierdzi, że stan statku powietrznego lub podzespołu stanowi poważne zagrożenie dla bezpieczeństwa lotu, musi ten fakt zgłosić do kompetentnych władz w ciągu
A. 72 godzin.
B. 7 dni.
C. 48 godzin.
D. 14 dni.
Wykonywanie obsługi techniczn…
Jakie narzędzie jest najodpowiedniejsze do pomiaru momentu dokręcania połączeń gwintowych?
A. Klucz oczkowy
B. Klucz płaski
C. Klucz dynamometryczny
D. Klucz nasadowy
Wykonywanie obsługi techniczn…
Na ilustracji przedstawiono wskazania prędkości pionowej na tarczy EADI zobrazowane na pasku oznaczonym cyfrą

A. 4
B. 3
C. 2
D. 1
Wykonywanie obsługi techniczn…
Do oceny drgań wału silnika nie wykorzystuje się przetworników/czujników
A. pojemnościowe
B. indukcyjne
C. rezystancyjne
D. piezoelektryczne
Wykonywanie obsługi techniczn…
Jaką funkcję pełni dławik w układach elektronicznych?
A. Stabilizuje napięcie wyjściowe
B. Blokuje składową stałą prądu
C. Blokuje składowe zmienne prądu
D. Filtruje sygnały o wysokiej częstotliwości
Wykonywanie obsługi techniczn…
Błąd północny busoli magnetycznej zależy od szerokości geograficznej i występuje podczas
A. prawidłowego zakrętu.
B. lotu na kursie północnym.
C. lotu z pochyleniem.
D. lotu wznoszącego.
Wykonywanie obsługi techniczn…
Radiostacja przeznaczona do krótkozasięgowej łączności radiowej w lotnictwie to
A. HF w zakresie 20 – 30 MHz
B. UHF w zakresie 420 – 530 MHz
C. VHF w zakresie 118 – 136 MHz
D. VHF w zakresie 58 – 98 MHz
Wykonywanie obsługi techniczn…
Graniczna wartość błędu względnego cyfrowego woltomierza wynosi Δg = 0,1%U + 0,1%Uz. Woltomierz ten w zakresie Uz= 100 V dokonał pomiaru napięcia, uzyskując wskazanie U = 32,5V. Jaki jest błąd graniczny bezwzględny tego pomiaru?
A. 132,5 mV
B. 32,5 mV
C. 13,25 mV
D. 325 mV
TLO.01 Pytanie 373
Wykonywanie obsługi techniczn…
W systemach sterowania negatywne sprzężenie zwrotne prowadzi do zwiększenia
A. precyzji działania
B. tempa działania
C. czułości układu
D. odporności na zakłócenia
Wykonywanie obsługi techniczn…
Na podstawie danych katalogowych zamieszczonych w tabeli określ, który typ alternatora jest stosowany w samolocie PA-31-300.

A. ALX-8521
B. ALY-6521
C. ALU-8521
D. ALY-8520
Wykonywanie obsługi techniczn…
Antena przedstawiona na rysunku jest elementem systemu

A. ILS
B. DME
C. COM
D. ADF
Wykonywanie obsługi techniczn…
Którą z podanych górnych granic zakresu pomiarowego powinno się wybrać, aby zredukować błąd odczytu przy pomiarze napięcia wynoszącego około 14 VDC?
A. 15V
B. 60V
C. 30V
D. 45V
Wykonywanie obsługi techniczn…
Który odcinek charakterystyki diody półprzewodnikowej iₚₙ = f (uₚₙ) stanowi zakres przebicia lawinowego złącza p-n?

A. Od D do E
B. Od A do B
C. Od C do D
D. Od B do C
Wykonywanie obsługi techniczn…
Na rysunku przedstawiono giroskopowy czujnik prędkości kątowej, na którym zaznaczono wypadkowy moment sił zewnętrznych L działających na giroskop. Moment ten wywołuje precesję wokół

A. osi z, a zgodnie z regułą śruby prawoskrętnej zwrot wektora prędkości precesji jest przeciwny do zwrotu tej osi.
B. osi y, a zgodnie z regułą śruby prawoskrętnej zwrot wektora prędkości precesji jest przeciwny do zwrotu tej osi.
C. osi z, a zgodnie z regułą śruby prawoskrętnej zwrot wektora prędkości precesji jest zgodny ze zwrotem tej osi.
D. osi y, a zgodnie z regułą śruby prawoskrętnej zwrot wektora prędkości precesji jest zgodny ze zwrotem tej osi.
Wykonywanie obsługi techniczn…
Jaka jest rola diody freewheelingu (zabezpieczającej) w obwodach z cewkami przekaźników?
A. Ochrona styków przekaźnika przed iskrzeniem
B. Zabezpieczenie przed przepływem prądu w niewłaściwym kierunku
C. Zwiększenie szybkości działania przekaźnika
D. Ochrona przed przepięciami indukowanymi w cewce przy jej wyłączaniu
Wykonywanie obsługi techniczn…
Korektory N-S i E-W umieszczane w busoli magnetycznej służą do usunięcia

A. dewiacji okrężnej.
B. błędów końcowych.
C. dewiacji półokrężnej.
D. dewiacji ćwierćokrężnej.
TLO.01 Pytanie 381
Wykonywanie obsługi techniczn…
Za pomocą którego przyrządu dokonuje się pomiaru indukcyjności cewek?
A. Mostka RLC
B. Woltomierza
C. Amperomierza
D. Omomierza
Wykonywanie obsługi techniczn…
Jakiego urządzenia gaśniczego powinno się użyć do gaszenia ognia z benzyny na powierzchni większej niż 2 m2?
A. Gaśnicy pianowej
B. Koca gaśniczego
C. Gaśnicy proszkowej
D. Hydronetki
Wykonywanie obsługi techniczn…
Amperomierz i woltomierz włączone po stronie wtórnej transformatora jednofazowego wskazują wartości natężenia i napięcia odpowiednio I₂ = 10 A, U₂ = 20 V. Jakie jest wskazanie amperomierza po stronie pierwotnej, jeżeli U₁ = 100 V, a transformator jest idealny / bez strat /?
A. 10 A
B. 8 A
C. 2 A
D. 5 A
Wykonywanie obsługi techniczn…
Na bocznej tabliczce amperomierza widnieją wartości prądu znamionowego 240 A oraz spadku napięcia 30 mV. Jaka jest wartość natężenia prądu płynącego przez odbiornik, gdy miliwoltomierz odczytuje napięcie 23 mV?
A. 180A
B. 176A
C. 188A
D. 184A
TLO.01 Pytanie 385
Wykonywanie obsługi techniczn…
Po ukończeniu szkolenia podstawowego, osoba składająca wniosek o uzyskanie licencji na obsługę techniczną statku powietrznego kategorii B2, zgodnie z Part 66, musi posiadać
A. 4 lata doświadczenia praktycznego w obsłudze samolotów
B. 2 lata doświadczenia praktycznego w obsłudze samolotów
C. 1 rok doświadczenia praktycznego w obsłudze samolotów
D. 3 lata doświadczenia praktycznego w obsłudze samolotów
Wykonywanie obsługi techniczn…
Jakie urządzenie pokładowe zawiera zarówno nadajnik, jak i odbiornik?
A. VOR
B. ADF
C. DME
D. ILS
Wykonywanie obsługi techniczn…
System o najwyższej częstotliwości operacyjnej to
A. DME
B. VOR
C. WRX
D. ILS
Wykonywanie obsługi techniczn…
Którą wartość ciśnienia powinien wskazać manometr wyskalowany w kG/cm², aby odpowiadała ona wartościom podanym na tabliczce informacyjnej umieszczonej na statku powietrznym?
TIRE PRESSURE NOSE-5.00X5.....50 PSI
MAIN-5.00X5.....50 PSI
P/N 135A-08-325
TIRE PRESSURE
NOSE-5.00X5.....50 PSIMAIN-5.00X5.....50 PSI
P/N 135A-08-325
A. 4,5 kG/cm2
B. 3,5 kG/cm2
C. 3,0 kG/cm2
D. 5,0 kG/cm2
Wykonywanie obsługi techniczn…
W razie awarii głównego źródła zasilania energią elektryczną samolotu akumulator pokładowy, zgodnie z normą MIL-STD-704F, powinien zapewnić zasilanie niezbędnych systemów dla lotu IFR / Instrument Flight Rules / przez
A. 0,5 godziny lotu.
B. 2 godziny lotu.
C. 0,1 godziny lotu.
D. 1 godzinę lotu.
Wykonywanie obsługi techniczn…
Jakie oznaczenie ma przewód elektryczny o przekroju 2,5 mm² w amerykańskim systemie AWG?
A. AWG 10
B. AWG 22
C. AWG 14
D. AWG 18
Wykonywanie obsługi techniczn…
Wskaźnik przedstawiony na rysunku współpracuje z przetwornikiem

A. termoelektrycznym.
B. rezystancyjnym.
C. reluktancyjnym.
D. piezoelektrycznym.
Wykonywanie obsługi techniczn…
Na rysunku przedstawiono odpowiedź skokową członu

A. P
B. PID
C. PI
D. PD
Wykonywanie obsługi techniczn…
Na rysunku przedstawiono schemat prędkościomierza

A. IAS
B. EAS
C. CAS
D. TAS
Wykonywanie obsługi techniczn…
Jaką wartość ma pulsacja napięcia zmiennego AC w systemie statku powietrznego?
A. 2 500 rad/s
B. 1 250 rad/s
C. 5 000 rad/s
D. 500 rad/s
Wykonywanie obsługi techniczn…
Który z wymienionych elementów nie występuje w systemie ILS?
A. Nadajnik kierunku
B. Nadajnik ścieżki schodzenia
C. Marker środkowy
D. Nadajnik DME
Wykonywanie obsługi techniczn…
Na rysunku zamieszczono tarczę zakrętomierza z chyłomierzem poprzecznym, który wskazuje zakręt

A. w lewo z wyślizgiem.
B. w lewo, prawidłowy.
C. w prawo z ześlizgiem.
D. w prawo, prawidłowy.
Wykonywanie obsługi techniczn…
Jednym z błędów odczytu manometrów sprężynowych jest tzw. błąd histerezy, który wynika z
A. zmiany temperatury czujnika pomiarowego
B. tarcia w mechanicznym układzie przenoszenia odkształcenia czujnika
C. opóźnienia sprężystego, które sprawia, że element sprężysty nie nadąża za zmianami ciśnienia
D. luźnych połączeń w mechanicznym układzie przenoszenia odkształcenia czujnika
Wykonywanie obsługi techniczn…
Na rysunku przedstawiono antenę systemu

A. ADF
B. COMM
C. DME
D. ILS
Wykonywanie obsługi techniczn…
Rejestrator parametrów lotu FDR służy do rejestrowania
A. rozmów między załogą i kontrolą naziemną lotów.
B. parametrów pracy zespołu napędowego.
C. danych eksploatacyjnych i pilotażowo-nawigacyjnych.
D. obrazu tablic przyrządów podczas lotu.
Wykonywanie obsługi techniczn…
Wielkości charakteryzujące pracę zespołu napędowego są wyświetlane na monitorze?
A. EHSI
B. PFD
C. EICAS
D. MFD