Filtrowanie pytań
TLO.01 Pytanie 41
Wykonywanie obsługi techniczn…
A. natężenia światła
B. częstotliwości płynącego prądu
C. doprowadzonego napięcia
D. pola magnetycznego
TLO.01 Pytanie 42
Wykonywanie obsługi techniczn…
Jaką metodą najczęściej wykonuje się pomiar rezystancji uziemienia w konstrukcji samolotu?
A. Metodą techniczną
B. Metodą mostka Thomsona
C. Metodą woltomierza i amperomierza
D. Metodą mostka Wheatstone'a
TLO.01 Pytanie 43
Wykonywanie obsługi techniczn…
Który z poniższych systemów statku powietrznego jest najbardziej wrażliwy na zakłócenia elektromagnetyczne?
A. System oświetlenia
B. System radiokomunikacyjny
C. System hydrauliczny
D. System klimatyzacji
Wykonywanie obsługi techniczn…
W układzie SI weber stanowi jednostkę
A. indukcji magnetycznej
B. przenikalności magnetycznej
C. strumienia magnetycznego
D. natężenia pola magnetycznego
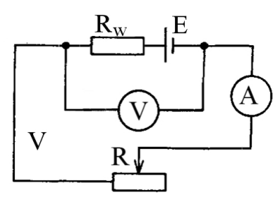
Wykonywanie obsługi techniczn…
W obwodzie jak na rysunku na skutek zwiększenia włączonej w obwód rezystancji R

A. wskazanie woltomierza się zmniejszy, a amperomierza się zwiększy.
B. wskazanie woltomierza się nie zmieni, a amperomierza się zmniejszy.
C. wskazanie woltomierza się zwiększy, a amperomierza się zmniejszy.
D. wskazania woltomierza i amperomierza zwiększą się.
Wykonywanie obsługi techniczn…
Przedstawione zobrazowanie wskazań wyświetlane jest na monitorze

A. EICAS
B. PFD
C. MFD
D. EHSI
Wykonywanie obsługi techniczn…
Jakim symbolem oznaczony jest w dokumentacji techniczej przekaźnik elektromagnetyczny?
A. R
B. T
C. P
D. K
Wykonywanie obsługi techniczn…
Jakie jest napięcie elektryczne między punktami A oraz B?
A. różnica potencjałów pomiędzy tymi punktami
B. suma potencjałów w obrębie tych punktów
C. różnica rezystancji tych punktów
D. iloczyn potencjałów tych punktów
Wykonywanie obsługi techniczn…
Wskaż symbol graficzny wyłącznika.
A. Symbol 4

B. Symbol 3

C. Symbol 1

D. Symbol 2

Wykonywanie obsługi techniczn…
Pierwsze prawo Kirchhoffa dla obwodu magnetycznego dotyczy
A. reluktancji w obwodzie magnetycznym
B. strumieni magnetycznych w punkcie węzłowym obwodu magnetycznego
C. napięć magnetycznych
D. napięć elektrycznych
Wykonywanie obsługi techniczn…
Ile wynosi dokładność pomiaru suwmiarką przedstawioną na rysunku?

A. 0,02 mm
B. 0,20 mm
C. 0,05 mm
D. 0,10 mm
Wykonywanie obsługi techniczn…
Wartość napięcia na wyjściu dzielnika pojemnościowego określa wyrażenie

A. \( U2 = \frac{C1}{C1 + C2} U1 \)
B. \( U2 = \frac{C2}{C1C2} U1 \)
C. \( U2 = \frac{C1}{C1C2} U1 \)
D. \( U2 = \frac{C2}{C1 + C2} U1 \)
Wykonywanie obsługi techniczn…
Zgodnie z rysunkiem wskaźnika systemu ILS samolot jest

A. za wysoko z lewej strony ścieżki schodzenia.
B. za nisko z lewej strony ścieżki schodzenia.
C. za wysoko z prawej strony ścieżki schodzenia.
D. za nisko z prawej strony ścieżki schodzenia.
Wykonywanie obsługi techniczn…
Z ilu elementów składa się urządzenie, którego przekrój zamieszczono na rysunku?

A. Ośmiu elementów.
B. Pięciu elementów.
C. Sześciu elementów.
D. Siedmiu elementów.
Wykonywanie obsługi techniczn…
Które z poniższych narzędzi używane jest do dokładnego pomiaru kątów?
A. Kątomierz optyczny
B. Mikrometr
C. Suwmiarka
D. Szczelinomierz
Wykonywanie obsługi techniczn…
Przedstawiony na rysunku wariometr wskazuje prędkość wznoszenia samolotu równą około

A. 0,75 m/s
B. 1,5 m/s
C. 2,5 m/s
D. 5.0 m/s
Wykonywanie obsługi techniczn…
Jakiego rodzaju sygnał jest przesyłany w systemie ARINC 429?
A. Cyfrowy sygnał szeregowy
B. Cyfrowy sygnał równoległy
C. Analogowy sygnał prądowy
D. Analogowy sygnał napięciowy
Wykonywanie obsługi techniczn…
Jakiego rodzaju paliwo jest stosowane w statku powietrznym z silnikiem tłokowym?
A. JP-4
B. AVGAS
C. JET A-1
D. Diesel
Wykonywanie obsługi techniczn…
Który z poniższych przetworników jest najczęściej stosowany do pomiaru temperatur gazów wylotowych silnika?
A. Termistor
B. Termopara
C. RTD (czujnik rezystancyjny)
D. Czujnik półprzewodnikowy
Wykonywanie obsługi techniczn…
Co jest źródłem zasilania autonomicznego rejestratora parametrów lotu (czarnej skrzynki)?
A. Generator termoelektryczny
B. Bateria słoneczna
C. Akumulator własny
D. System elektryczny samolotu
Wykonywanie obsługi techniczn…
W układzie SI jednostką strumienia świetlnego jest:
A. Kandela
B. Nit
C. Lumen
D. Luks
TLO.01 Pytanie 62
Wykonywanie obsługi techniczn…
Zbiorniki paliwowe samolotu zostały napełnione 5 000 litrami paliwa, co odpowiada mniej więcej
A. 1 300 US gal
B. 1 200 US gal
C. 1 400 US gal
D. 1 500 US gal
Wykonywanie obsługi techniczn…
Turn coordinator przedstawiony na rysunku montowany jest w samolocie w taki sposób, aby oś obrotu ramki ruchomej przyrządu, prostopadła do momentu pędu wirnika, była

A. nachylona do osi x-x samolotu.
B. nachylona do osi y-y samolotu.
C. równoległa do osi y-y samolotu.
D. prostopadła do osi x-x samolotu.
Wykonywanie obsługi techniczn…
Ile wynosi wartość nominalna prędkości obrotowej wirnika trójfazowego generatora prądu przemiennego o trzech parach biegunów wzbudzenia i częstotliwości napięcia wyjściowego f = 400 Hz ?
A. 4 000 obr./min
B. 6 000 obr./min
C. 8 000 obr./min
D. 12 000 obr./min
Wykonywanie obsługi techniczn…
Na schemacie przedstawiono miernik elektroniczny, który stosuje się do pomiaru wartości

A. prądu.
B. rezystancji.
C. częstotliwości.
D. napięcia.
TLO.01 Pytanie 66
Wykonywanie obsługi techniczn…
Wskaż stwierdzenie zgodne z prawem Ohma.
A. Moc w obwodzie jest odwrotnie proporcjonalna do kwadratu prądu.
B. Prąd w obwodzie jest odwrotnie proporcjonalny do siły elektromotorycznej.
C. Prąd w obwodzie jest wprost proporcjonalny do rezystancji obwodu.
D. Prąd w obwodzie jest wprost proporcjonalny do przyłożonej siły elektromotorycznej.
Wykonywanie obsługi techniczn…
Na rysunku przedstawiono schemat blokowy odbiornika

A. DME
B. VOR
C. MLS
D. ILS
Wykonywanie obsługi techniczn…
Jaka jest funkcja filtrów EMI/RFI w instalacjach elektrycznych statku powietrznego?
A. Podwyższenie jakości sygnału audio w systemach łączności
B. Ochrona urządzeń elektronicznych przed przepięciami
C. Eliminacja zakłóceń elektromagnetycznych i radiowych
D. Wyrównanie napięcia w instalacji elektrycznej
Wykonywanie obsługi techniczn…
System DME, którego panel przedstawiono na rysunku, określa następujące parametry lotu:

A. czas dolotu, prędkość GS i odległość do stacji DME.
B. wysokość nad stacją DME i prędkość GS.
C. czas dolotu, prędkość wznoszenia i odległość do stacji DME.
D. wysokość nad stacją i odległość do stacji DME.
Wykonywanie obsługi techniczn…
Co oznacza pojęcie 'efekt pamięciowy' w kontekście akumulatorów?
A. Stopniowy wzrost rezystancji wewnętrznej akumulatora w miarę użytkowania
B. Zdolność akumulatora do przechowywania informacji o cyklach ładowania
C. Zapamiętywanie przez układ sterujący charakterystyki akumulatora
D. Stopniowe zmniejszanie pojemności przy częściowym rozładowywaniu i ładowaniu
Wykonywanie obsługi techniczn…
Na schemacie przedstawiono

A. stabilizator napięcia.
B. mostek Graetza.
C. transformator napięcia.
D. mostek Wheatstone’a.
Wykonywanie obsługi techniczn…
Jaka jest funkcja ogranicznika przepięć w instalacji elektrycznej samolotu?
A. Zapobieganie rozładowaniu akumulatorów pokładowych
B. Ochrona urządzeń elektronicznych przed uszkodzeniem przez przepięcia
C. Stabilizacja napięcia w instalacji elektrycznej
D. Ograniczenie poboru prądu przez urządzenia pokładowe
TLO.01 Pytanie 73
Wykonywanie obsługi techniczn…
W układzie przedstawionym na rysunku moc obciążenia źródła przez rezystory jest równa

A. 72 W
B. 12 W
C. 48 W
D. 24 W
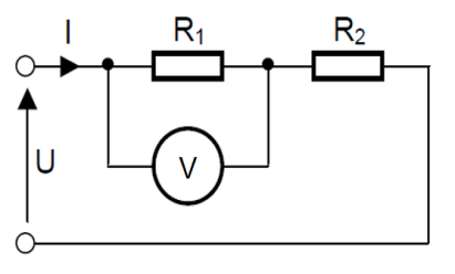
Wykonywanie obsługi techniczn…
W obwodzie zgodnym z zamieszczonym schematem, napięcie zmierzone na rezystorze R₁ jest równe 30 V. Ile wynosi wartość napięcia na rezystorze R₂, jeżeli R₁ = 45 Ω a R₂ = 60 Ω ?

A. 90 V
B. 30 V
C. 40 V
D. 60 V
TLO.01 Pytanie 75
Wykonywanie obsługi techniczn…
Jaka jest funkcja rezystora bocznikującego w amperomierzu analogowym?
A. Ochrona miernika przed uszkodzeniem w przypadku przepływu prądu w przeciwnym kierunku
B. Kompensacja zmian temperatury wpływających na dokładność pomiaru
C. Zwiększenie dokładności pomiaru małych prądów
D. Umożliwienie pomiaru prądów o wartościach większych niż znamionowy prąd miernika
TLO.01 Pytanie 76
Wykonywanie obsługi techniczn…
Ile wynosi rezystancja zastępcza w układzie przedstawionym na schemacie, jeśli R1 = 60 Ω, R2 = 60 Ω, R3 = 10 Ω, R4 = 10 Ω, R5 = 20 Ω, R6 = 20 Ω?

A. 10 Ω
B. 15 Ω
C. 20 Ω
D. 5 Ω
Wykonywanie obsługi techniczn…
Zakres i częstotliwość obsługi technicznej statku powietrznego określone są
A. w charakterystyce organizacji obsługowej.
B. w pokładowym dzienniku technicznym.
C. w podręczniku obsługi technicznej.
D. w programie obsługi technicznej.
Wykonywanie obsługi techniczn…
Akronim, którym określa się stycznik zasilania naziemnego, to
A. BTC
B. GCU
C. EPC
D. BPCU
Wykonywanie obsługi techniczn…
Której z wymienionych substancji można użyć do czyszczenia powierzchni wykonanych ze szkła organicznego?
A. Płynu do mycia naczyń.
B. Zmywacza do szyb.
C. Benzyny bezołowiowej.
D. Rozpuszczalnika acetonowego.
Wykonywanie obsługi techniczn…
Położenia wskazówek kursu K i ścieżki S na rysunku wskaźnika odchyleń ILS informują, że samolot zajmuje pozycję

A. z prawej strony osi podejścia i poniżej ścieżki.
B. z lewej strony osi podejścia i powyżej ścieżki.
C. z prawej strony osi podejścia i powyżej ścieżki.
D. z lewej strony osi podejścia i poniżej ścieżki.