Filtrowanie pytań
Wykonywanie obsługi techniczn…
A. Monitoruje aktualne parametry lotu na potrzeby pilota
B. Rejestruje parametry lotu w celu analizy w przypadku wypadku
C. Kontroluje poprawność działania urządzeń nawigacyjnych
D. Zapisuje historię obsługi technicznej statku powietrznego
Wykonywanie obsługi techniczn…
Na rysunku przedstawiającym wskaźnik RMI widoczne maszyny elektryczne to

A. magnesyny.
B. prądnice.
C. silniki.
D. selsyny.
Wykonywanie obsługi techniczn…
Autopiloty używane w samolotach ogólnego użytku
A. wykorzystują w algorytmach sterowania jakościową analizę sytuacji lotnej
B. utrzymują zdefiniowane parametry lotu w ustalonym zakresie
C. zmniejszają obciążenie pilota w sytuacjach awaryjnych oraz krytycznych etapach lotu
D. zapewniają odpowiedni poziom bezpieczeństwa lotu przez kompensację skutków uszkodzeń konstrukcji statku powietrznego
Wykonywanie obsługi techniczn…
Przedstawiony symbol graficzny oznacza bramkę logiczną

A. AND
B. OR
C. XOR
D. NAND
Wykonywanie obsługi techniczn…
W którym z wymienionych systemów anteny są umieszczone tylko na dolnej stronie statku powietrznego?
A. RA
B. VHF
C. TCAS
D. ILS
Wykonywanie obsługi techniczn…
W przedstawionym na schemacie układzie sterowania fly-by-wire przetwarzanie sygnału sterującego przez człon dynamiczny o podanej charakterystyce skokowej h(t) realizowane jest w bloku opisanym jako

A. FBW computer.
B. Side stick.
C. A/P computer.
D. Actuator.
Wykonywanie obsługi techniczn…
Stała skali przyrządu pomiarowego przedstawionego na rysunku dla zakresu 250 VDC jest równa

A. 1,25 V/dz
B. 2,5 V/dz
C. 10 V/dz
D. 5,0 V/dz
Wykonywanie obsługi techniczn…
Jaki rodzaj przekaźników stosuje się najczęściej w obwodach zabezpieczających instalacji elektrycznej samolotu?
A. Przekaźniki różnicowo-prądowe
B. Przekaźniki napięciowe
C. Przekaźniki czasowe
D. Przekaźniki termiczne
Wykonywanie obsługi techniczn…
Klucz płaski o jakim rozmiarze należy zastosować do dokręcenia sześciokątnej nakrętki normalnej na śrubę M8?
A. 17 mm
B. 10 mm
C. 12 mm
D. 14 mm
Wykonywanie obsługi techniczn…
Na rysunku przedstawiono zależność współczynnika siły nośnej Cz od kąta natarcia α. Cyfrą 3 zaznaczono profil gładki (wyjściowy). Cyfrą 2 oznaczono

A. wychylenia hamulców aerodynamicznych.
B. wychylenie klap tylnych.
C. wychylenie slotów.
D. wychylenie klap przednich.
Wykonywanie obsługi techniczn…
Określ zależność, według której radiowysokościomierz wyznacza rzeczywistą wysokość statku powietrznego.
gdzie:
\( H \) – wysokość lotu
\( C \) – prędkość rozchodzenia się fali elektromagnetycznej
\( a \) – prędkość dźwięku
\( t \) – opóźnienie fali
A. \( H = 2 \cdot C \cdot t \)
B. \( H = 0{,}5 \cdot a/t \)
C. \( H = 2 \cdot a \cdot t \)
D. \( H = 0{,}5 \cdot C \cdot t \)
Wykonywanie obsługi techniczn…
Osoba ubiegająca się o licencję kategorii B2L, która uzyskała wiedzę ogólnolotniczą metodą samokształcenia, musi odbyć praktykę obsługową na statku powietrznym pozostającym w eksploatacji, trwającą co najmniej
A. 2 lata.
B. 5 lat.
C. 3 lata.
D. 1 rok.
Wykonywanie obsługi techniczn…
Jak oznaczany jest w dokumentacji technicznej kondensator?
A. L
B. K
C. R
D. C
TLO.01 Pytanie 294
Wykonywanie obsługi techniczn…
Na podstawie wykresu określ rozmiar przewodu elektrycznego o długości 200 ft przeznaczonego do zastosowania w instalacji elektrycznej o napięciu 28 V i natężeniu prądu do 10 A.

A. 10
B. 14
C. 12
D. 16
Wykonywanie obsługi techniczn…
Jaka jest funkcja układu power management w nowoczesnych instalacjach elektrycznych statku powietrznego?
A. Zmniejszenie strat w przesyle energii
B. Zwiększenie mocy generowanej przez alternatory
C. Optymalizacja dystrybucji energii elektrycznej
D. Obniżenie napięcia w instalacji elektrycznej
Wykonywanie obsługi techniczn…
Przed wykonaniem pomiaru wskazówka omomierza szeregowego zajmowała położenie przedstawione na rysunku. Oznacza to

A. przypadkowe położenie wskazówki.
B. stan zdatności przyrządu.
C. przeciążenie przyrządu.
D. stan niezdatności przyrządu.
Wykonywanie obsługi techniczn…
System alarmujący podczas lotu o ryzyku kolizji jednego statku powietrznego z innym statkiem powietrznym znany jest pod akronimem
A. RNAV
B. TDR
C. EICAS
D. TCAS
TLO.01 Pytanie 298
Wykonywanie obsługi techniczn…
Rysunek przedstawia zasadę działania silnika

A. histerezowego.
B. indukcyjnego.
C. krokowego.
D. Ferrarisa.
Wykonywanie obsługi techniczn…
Który akronim oznacza prędkość lotu odniesioną do warunków atmosfery standardowej?
A. CAS
B. EAS
C. TAS
D. IAS
Wykonywanie obsługi techniczn…
Aby zredukować moment obrotowy na sterze wysokości, stosuje się
A. trymer
B. skrzela
C. sojler
D. fletner
Wykonywanie obsługi techniczn…
Ile jest wtórnych źródeł prądu w układzie elektroenergetycznym samolotu, którego tablicę sterowania przedstawiono na rysunku?

A. 2 źródła.
B. 6 źródeł.
C. 0 źródeł.
D. 4 źródła.
Wykonywanie obsługi techniczn…
Na rysunku zamieszczono oprawę światła

A. antykolizyjnego.
B. awaryjnego.
C. konturowego.
D. nawigacyjnego.
TLO.01 Pytanie 303
Wykonywanie obsługi techniczn…
Selsyn to rodzaj maszyny elektrycznej
A. samowzbudna
B. o wzbudzeniu magnetoelektrycznym
C. synchroniczna
D. indukcyjna
Wykonywanie obsługi techniczn…
Trzy kondensatory: C1=1μF, C2=2μF, C3=3μF zostały połączone w szereg. Jaka jest pojemność zastępcza tych kondensatorów?
A. jest mniejsza niż 1μF
B. przekracza 3μF
C. mieszczą się w zakresie od 1μF do 3μF
D. wynosi 6 μF
Wykonywanie obsługi techniczn…
Jaką funkcję pełni układ Schmidta w elektronice?
A. Modulacja amplitudy
B. Filtrowanie zakłóceń
C. Formowanie impulsów
D. Wzmacnianie sygnału
Wykonywanie obsługi techniczn…
Siemens stanowi jednostkę
A. konduktywności
B. rezystancji
C. konduktancji
D. rezystywności
Wykonywanie obsługi techniczn…
Jaki jest maksymalny dopuszczalny prąd upływu w obwodach elektrycznych samolotu?
A. Zawsze poniżej 100 mA
B. Nie większy niż 1% prądu znamionowego
C. Zgodny z wartością określoną przez producenta
D. Nie większy niż 10 mA dla każdego obwodu
Wykonywanie obsługi techniczn…
Jaka jest funkcja timera watchdog w systemach komputerowych awioniki?
A. Resetowanie systemu w przypadku zawieszenia się programu
B. Synchronizacja pracy poszczególnych modułów systemu
C. Kontrola czasu wykonywania procedur startowych
D. Odliczanie czasu do wymaganego przeglądu technicznego
Wykonywanie obsługi techniczn…
Które z poniższych zjawisk nie występuje w półprzewodnikach?
A. Nadprzewodnictwo
B. Efekt fotoelektryczny
C. Generacja termiczna nośników
D. Rekombinacja par elektron-dziura
Wykonywanie obsługi techniczn…
Jakie elementy składają się na kadłub samolotu o konstrukcji półskorupowej?
A. wręgi i dźwigary
B. dźwigary oraz żebra
C. podłużnice oraz wręgi
D. pokrycie i żebra
Wykonywanie obsługi techniczn…
Jakie jest podstawowe zadanie terminatora w magistrali danych?
A. Eliminacja odbić sygnału na końcu linii transmisyjnej
B. Wzmacnianie sygnału na większych odległościach
C. Konwersja poziomów logicznych pomiędzy urządzeniami
D. Filtrowanie zakłóceń z zewnętrznych źródeł
Wykonywanie obsługi techniczn…
Czym są składniki kadłuba samolotu o konstrukcji półskorupowej?
A. podłużnice i żeberka
B. wręgi oraz dźwigary
C. podłużnice oraz pokrycie
D. dźwigary z pokryciem
Wykonywanie obsługi techniczn…
Jakie jest dziesiętne odwzorowanie liczby binarnej 110010?
A. 30
B. 50
C. 20
D. 40
TLO.01 Pytanie 314
Wykonywanie obsługi techniczn…
Na ilustracji przedstawiono schemat

A. generatora mocy.
B. dekodera.
C. przerzutnika asynchronicznego r s.
D. przetwornika asynchronicznego.
Wykonywanie obsługi techniczn…
Wskaż najczęstszą przyczynę wypalenia styków przerywacza w iskrowniku silnika tłokowego.
A. Przebicia na przewodach wysokiego napięcia.
B. Zwarta cewka iskrownika.
C. Znaczna utrata pojemności kondensatora iskrownika.
D. Zaolejona świeca zapłonowa w silniku.
Wykonywanie obsługi techniczn…
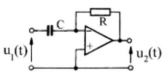
Na rysunku przedstawiono schemat układu

A. całkującego.
B. różniczkującego.
C. sumującego.
D. mnożącego.
Wykonywanie obsługi techniczn…
Na wykresie przedstawiono charakterystykę prądowo-napięciową

A. termistora.
B. tyrystora.
C. tranzystora.
D. diody Zenera.
Wykonywanie obsługi techniczn…
Która z wymienionych wielkości nie jest mierzona przez centralny komputer aerometryczny?
A. Temperatura całkowita powietrza
B. Przyspieszenie liniowe samolotu
C. Prędkość przyrządowa
D. Wysokość barometryczna
Wykonywanie obsługi techniczn…
Kto kontroluje przestrzeganie przepisów oraz decyzji dotyczących lotnictwa cywilnego?
A. wyznaczony przedstawiciel prezesa ULC
B. Prezes Urzędu Lotnictwa Cywilnego
C. pełnomocnik ministra odpowiedzialnego za transport
D. wyznaczony przedstawiciel ministra spraw wewnętrznych
Wykonywanie obsługi techniczn…
Rysunek przedstawia lampę pokładowego światła

A. nawigacyjnego.
B. kołowania.
C. stroboskopowego.
D. antykolizyjnego.