Filtrowanie pytań
Wykonywanie obsługi techniczn…
A. WRX
B. VOR
C. ADF
D. ATC
Wykonywanie obsługi techniczn…
Na rysunku przedstawiono akumulator

A. kadmowo-niklowy.
B. srebrowo-cynkowy.
C. ołowiowy.
D. litowo-żelazowy.
Wykonywanie obsługi techniczn…
Jak jest zbudowany układ elektryczny powodujący automatyczne rozłączenie generatora od sieci w przypadku jego awarii?
A. Generator Control Unit z przekaźnikiem różnicowo-prądowym
B. Automatyczny wyłącznik nadprądowy z wyzwalaczem termicznym
C. Układ zabezpieczający z bezpiecznikiem topikowym
D. Zawór odcinający przepływ paliwa do silnika napędzającego generator
Wykonywanie obsługi techniczn…
Który z wymienionych materiałów ma najlepsze właściwości magnetyczne?
A. Mosiądz
B. Miedź
C. Żelazo-krzem
D. Aluminium
Wykonywanie obsługi techniczn…
Na rysunku przedstawiono odpowiedź y(t) na wymuszenie skokowe x(t) członu

A. inercyjnego.
B. całkującego.
C. opóźniającego.
D. proporcjonalnego.
Wykonywanie obsługi techniczn…
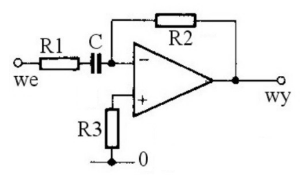
Na schemacie przedstawiono wzmacniacz operacyjny jako element układu

A. całkującego.
B. mnożącego.
C. różniczkującego.
D. sumującego.
Wykonywanie obsługi techniczn…
Wskaźnik oznaczony cyfrą 1 na tablicy przyrządów pokładowych w układzie Basic T to

A. zakrętomierz.
B. wariometr.
C. prędkościomierz.
D. wysokościomierz.
Wykonywanie obsługi techniczn…
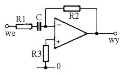
Schemat przedstawia zastosowanie wzmacniacza operacyjnego jako elementu

A. mnożącego.
B. różniczkującego.
C. sumującego.
D. całkującego.
Wykonywanie obsługi techniczn…
Która z poniższych wielkości jest mierzona przez przetwornik indukcyjny?
A. Natężenie pola elektrycznego
B. Wilgotność względna
C. Ciśnienie absolutne
D. Przemieszczenie liniowe
Wykonywanie obsługi techniczn…
W jakim systemie transmisji danych lotniczych każdy nadajnik może transmitować dane do wielu odbiorników jednocześnie?
A. MIL-STD-1553B
B. RS-232
C. ARINC 568
D. ARINC 429
Wykonywanie obsługi techniczn…
Na rysunku przedstawiono schemat urządzenia pomiarowego z przetwornikiem

A. reluktancyjnym.
B. indukcyjnym.
C. transformatorym.
D. halotronowym.
Wykonywanie obsługi techniczn…
Układ AHRS nie generuje informacji o
A. pochyleniu samolotu.
B. ślizgu samolotu.
C. kursie samolotu.
D. przechyleniu samolotu.
Wykonywanie obsługi techniczn…
Jaką funkcję w statku powietrznym pełni falownik (inwerter)?
A. Przekształca prąd stały na przemienny
B. Zmienia napięcie prądu przemiennego
C. Stabilizuje częstotliwość prądu przemiennego
D. Przekształca prąd przemienny na stały
Wykonywanie obsługi techniczn…
W obwodzie, którego schemat zamieszczono na rysunku, po zmniejszeniu rezystancji \( R_x \) wskazania

A. amperomierza i woltomierza wzrosną.
B. amperomierza zmaleją, a woltomierza wzrosną.
C. amperomierza i woltomierza zmaleją.
D. amperomierza wzrosną, a woltomierza zmaleją.
TLO.01 Pytanie 335
Wykonywanie obsługi techniczn…
Przedstawione na rysunku symbole graficzne oznaczają odpowiednio:

A. 1 - potencjometr, 2 - wyłącznik samoczynny, 3 - warystor, 4 - kondensator.
B. 1 - potencjometr, 2 - bezpiecznik, 3 - rezystor, 4 - cewkę indukcyjną.
C. 1 - rezystor nastawny, 2 - bezpiecznik, 3 - dławik, 4 - warystor.
D. 1 - bezpiecznik, 2 - wyłącznik samoczynny, 3 - rezystor, 4 - cewkę indukcyjną.
Wykonywanie obsługi techniczn…
Wskaźnik przedstawiony na rysunku to element zobrazowania informacji systemu

A. DME
B. TACAN
C. ILS
D. NDB
Wykonywanie obsługi techniczn…
Z ilu elementów składa się urządzenie, którego przekrój przedstawiono na rysunku?

A. Dziewięciu elementów.
B. Ośmiu elementów.
C. Sześciu elementów.
D. Siedmiu elementów.
Wykonywanie obsługi techniczn…
Co jest mierzone przez czujnik kąta natarcia?
A. Kąt między kierunkiem lotu a kierunkiem północy magnetycznej
B. Kąt między osią podłużną samolotu a horyzontem
C. Kąt między osią poprzeczną samolotu a horyzontem
D. Kąt między cięciwą profilu a kierunkiem napływu powietrza
Wykonywanie obsługi techniczn…
Która z poniższych jednostek jest jednostką indukcyjności?
A. Farad
B. Tesla
C. Henr
D. Siemens
Wykonywanie obsługi techniczn…
W jakim celu stosuje się modulację sygnału w transmisji radiowej?
A. Do zwiększenia zasięgu bez zmiany mocy
B. Do przenoszenia informacji
C. Do obniżenia częstotliwości nośnej
D. Do zmniejszenia mocy nadajnika
TLO.01 Pytanie 341
Wykonywanie obsługi techniczn…
Pojemność elektryczna układu dwóch kondensatorów połączonych szeregowo o pojemności 47 nF każdy wynosi
A. 23,5 nF
B. 94 nF
C. 11,75 nF
D. 47 nF
Wykonywanie obsługi techniczn…
Przyrząd przedstawiony na rysunku przeznaczony jest do pomiaru

A. mocy biernej.
B. mocy pozornej.
C. mocy czynnej.
D. współczynnika mocy.
Wykonywanie obsługi techniczn…
Czym charakteryzuje się przetwornik typu LVDT?
A. Przekształca ciśnienie na sygnał elektryczny
B. Konwertuje sygnał analogowy na cyfrowy
C. Konwertuje temperaturę na rezystancję
D. Przekształca przesunięcie liniowe na sygnał elektryczny
Wykonywanie obsługi techniczn…
Rurka Prandtla, odbiornik ciśnień powietrznych przeznaczony jest do pomiaru podczas lotu ciśnienia
A. dynamicznego i statycznego.
B. statycznego.
C. całkowitego i statycznego.
D. dynamicznego.
TLO.01 Pytanie 345
Wykonywanie obsługi techniczn…
Które stwierdzenie dotyczące przepływu prądu w obwodzie szeregowym RLC jest prawdziwe?
A. Prąd jest proporcjonalny do impedancji każdego elementu
B. Prąd ma tę samą wartość w każdym elemencie obwodu
C. Prąd ma największą wartość w elemencie o najmniejszej rezystancji
D. Prąd jest przesunięty w fazie względem napięcia o kąt 90°
TLO.01 Pytanie 346
Wykonywanie obsługi techniczn…
Który z wymienionych wymiarów tolerowanych zgodnie z znormalizowanymi pasowaniami pozwala na największą tolerancję wykonania?
A. 25 R7
B. 25 d6
C. 25 f9
D. 25 H12
Wykonywanie obsługi techniczn…
Kapilara jest elementem budowy
A. wysokościomierza.
B. wariometru.
C. prędkościomierza.
D. machometru.
TLO.01 Pytanie 348
Wykonywanie obsługi techniczn…
Ile elementów urządzenia jest widocznych na rysunku?

A. Siedem.
B. Sześć.
C. Osiem.
D. Pięć.
Wykonywanie obsługi techniczn…
Z jakim wskaźnikiem współdziała system ADF?
A. EICAS
B. ALTM
C. RMI
D. EADI
Wykonywanie obsługi techniczn…
Jaka jest główna przyczyna stosowania falowników w instalacjach elektrycznych statku powietrznego?
A. Zwiększenie napięcia zasilającego
B. Zmniejszenie zakłóceń elektromagnetycznych
C. Stabilizacja częstotliwości pracy generatorów
D. Zasilanie urządzeń wymagających prądu przemiennego
TLO.01 Pytanie 351
Wykonywanie obsługi techniczn…
Połączenie diod w sposób równoległy prowadzi do
A. braku zmian parametrów diody
B. podwyższenia napięcia w kierunku przewodzenia
C. obniżenia napięcia w kierunku przewodzenia
D. wzrostu prądu w kierunku przewodzenia
Wykonywanie obsługi techniczn…
Która z wymienionych wielkości nie jest mierzona przez centralny komputer aerometryczny (ADC)?
A. Wysokość barometryczna
B. Prędkość przyrządowa
C. Kurs magnetyczny
D. Prędkość pionowa
Wykonywanie obsługi techniczn…
Której funkcji na pewno nie realizuje autopilot o konfiguracji przedstawionej na rysunku.

A. Damping Dutch roll mode.
B. Coordinating the turn.
C. Heading select and hold.
D. Control wheel steering.
Wykonywanie obsługi techniczn…
Jakie jest główne zastosowanie galwanometru w lotnictwie?
A. Pomiar wysokości barometrycznej
B. Pomiar małych prądów elektrycznych
C. Pomiar kąta wychylenia powierzchni sterowych
D. Pomiar prędkości obrotowej silnika
Wykonywanie obsługi techniczn…
W jakiej kolejności należy odłączać zasilanie od urządzeń elektronicznych statku powietrznego?
A. Kolejność nie ma znaczenia
B. Najpierw obwody główne, potem pomocnicze
C. Najpierw obwody pomocnicze, potem główne
D. Wszystkie obwody jednocześnie
Wykonywanie obsługi techniczn…
Obudowa kasety rejestratora parametrów lotu z nośnikiem danych jest koloru
A. żółtego.
B. czerwonego.
C. niebieskiego.
D. zielonego.
Wykonywanie obsługi techniczn…
O ile w przybliżeniu zredukowano masę układu sterowania dużego pasażerskiego samolotu przy przejściu z techniki przedstawionej na rys. 1 (np. samolot A.300 B, rok produkcji 1974, masa własna 79 000 kg) do techniki przedstawionej na rys. 2 (np. A320, rok produkcji 1987, masa własna 40 835)?

A. 1 500 kg
B. 100 kg
C. 3 000 kg
D. 500 kg
Wykonywanie obsługi techniczn…
Który element elektroniczny pełni funkcję prostownika w układach zasilania?
A. Kondensator
B. Rezystor
C. Dioda
D. Tranzystor
Wykonywanie obsługi techniczn…
Urządzenie przedstawione na rysunku przeznaczone jest do sprawdzania błędów

A. prędkościomierza.
B. busoli magnetycznej.
C. rozchodomierza.
D. zakrętomierza.
Wykonywanie obsługi techniczn…
Na rysunku przedstawiono bezpiecznik o działaniu

A. topikowo-bimetalowym.
B. elektromagnetycznym.
C. topikowym.
D. bimetalowym.