Filtrowanie pytań

Wybierz zawód, aby zobaczyć dostępne kwalifikacje

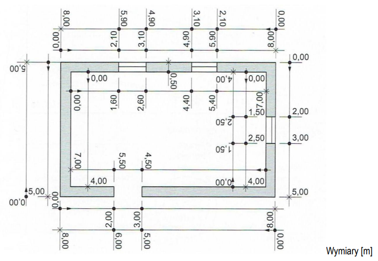
Wykonywanie robót murarskich …

Na rysunku przedstawiono rzut pomieszczenia, w którym zaplanowano wyburzenie ściany.
Oblicz powierzchnię ściany przeznaczonej do rozbiórki, jeżeli wysokość pomieszczenia wynosi 2,70 m.
Wymiary [cm]

Ilustracja do pytania 1
A. 4,59 m2
B. 6,75 m2
C. 7,56 m2
D. 6,48 m2
Organizacja i kontrola robót …

Na każdej zmianie zatrudnionych jest 14 pracowników mających kontakt ze szkodliwymi środkami chemicznymi. Na podstawie przedstawionych wymagań określ minimalną powierzchnię jadalni typu I, jeżeli jednocześnie posiłek będzie spożywać 7 pracowników.

Jadalnie
§ 29.1. Pracodawca zatrudniający powyżej dwudziestu pracowników na jednej zmianie powinien zapewnić pracownikom pomieszczenie do spożywania posiłków, zwane dalej "jadalnią".
2. Obowiązek określony w ust. 1 dotyczy również pracodawców zatrudniających dwudziestu i mniej pracowników, jeżeli narażeni są na kontakt ze szkodliwymi środkami chemicznymi lub promieniotwórczymi, materiałami biologicznie zakaźnymi albo przy pracach szczególnie brudzących.
3. W jadalni należy umieścić w widocznych miejscach napisy lub znaki informujące o zakazie palenia tytoniu.
4. Przepis ust. 1 nie dotyczy zakładów pracy, w których wykonywane są prace wyłącznie o charakterze biurowym.
§ 30. Ustala się następujące typy jadalni:
1) jadalnia przeznaczona do spożywania posiłków własnych (typ I);
2) jadalnia przeznaczona do spożywania posiłków własnych i wydawania napojów (typ II);
3) jadalnia z zapleczem - przeznaczona do spożywania posiłków profilaktycznych (typ III). Dopuszcza się łączenie jadalni typu I i II.
§ 31.1. W pomieszczeniu jadalni typu I powinno przypadać co najmniej 1,1 m² powierzchni na każdego z pracowników jednocześnie spożywających posiłek.
2. Powierzchnia jadalni nie powinna być mniejsza niż 8 m².
[...]

A. 7,7 m2
B. 15,4 m2
C. 16,0 m2
D. 8,0 m2
BUD.14 Pytanie 524
Organizacja i kontrola robót …

W elemencie konstrukcyjnym przedstawionym na fotografii poszczególne kształtowniki stalowe zostały połączone ze sobą za pomocą

Ilustracja do pytania 4
A. sworzni.
B. wkrętów.
C. śrub.
D. nitów.
BUD.14 Pytanie 525
Organizacja i kontrola robót …

Płyta biegowa schodów żelbetowych, których przekrój przedstawiono na rysunku, oparta jest na

Ilustracja do pytania 5
A. wieńcach stropowych.
B. ścianach klatki schodowej.
C. belkach spocznikowych.
D. belkach policzkowych.
Organizacja i kontrola robót …

Zaplanowano rozbiórkę 100 m2 sklepienia odcinkowego o grubości 1/2 cegły na zaprawie cementowej. W zespole roboczym będzie jeden cieśla. Na podstawie danych zawartych w przedstawionej tablicy wskaż, ilu robotników należy zatrudnić, aby wykonali roboty w czasie jednego 40-godzinnego tygodnia pracy.

Ilustracja do pytania 7
A. 3.
B. 4.
C. 5.
D. 6.
Organizacja i kontrola robót …

Na podstawie danych zawartych w tabeli określ, ile wynosi zalecane nachylenie obciążonych skarp wykopu o głębokości 3,7 m, wykonywanego w gruncie kategorii III.

Ilustracja do pytania 9
A. 1 : 1,25
B. 1 : 0,60
C. 1 : 1,00
D. 1 : 0,71
BUD.01 Pytanie 532
Wykonywanie robót zbrojarskic…

Na rysunku przedstawiono transport pionowy wiązki prętów zbrojeniowych z użyciem

Ilustracja do pytania 12
A. splotów lin.
B. zawiesi pasowych.
C. lin z hakiem dwurożnym.
D. zawiesi linowych.
Montaż konstrukcji budowlanych

Na podstawie danych zamieszczonych w tabeli określ dopuszczalną odchyłkę montażową długości drewnianej kratownicy, jeżeli zgodnie z projektem jej długość wynosi 580 cm.

Dopuszczalne odchyłki wymiarowe konstrukcji z drewna
Wymiary elementów
[mm]
Odchyłki wymiarów
elementów
[mm]
0 ÷ 5±0,1
6 ÷ 25±0,5
26 ÷ 100±1,0
101 ÷ 250±2,0
251 ÷ 1200±5,0
1201 ÷ 3000±10,0
3001 ÷ 6000±20,0
6001 ÷ 12000±30,0
ponad 12000±60,0

A. ±20 mm
B. ±10 mm
C. ±15 mm
D. ±5 mm
Organizacja i kontrola robót …

Na podstawie zamieszczonego fragmentu warunków technicznych wykonania i odbioru robót budowlanych określ, jaką średnicę powinien mieć sznur dylatacyjny, jeżeli szerokość szczelin dylatacyjnych wynosi 8 mm.

5.4.3.Wypełnienie szczelin dylatacyjnych
  • Po upływie 30 dni od wykonania posadzki należy powiększyć szczeliny dylatacyjne, krawędzie szczelin sfazować szlifierką kątową, odkurzyć, następnie zagruntować.
  • W szczeliny należy włożyć sznur dylatacyjny o średnicy większej o 25% od szerokości szczeliny.
  • Tak przygotowane szczeliny należy wypełniać masą dylatacyjną, do zlicowania z powierzchnią posadzki.
  • Roboty należy wykonywać w temperaturze 10-25°C.
  • Nawierzchnię można użytkować po 24 godzinach od zakończenia robót.

A. 8 mm
B. 10 mm
C. 6 mm
D. 12 mm
BUD.12 Pytanie 535
Wykonywanie robót murarskich …

Na rysunku przedstawiono układ cegieł

Ilustracja do pytania 15
A. w przenikających się murach o grubości 1.5 i 1.5 cegły.
B. w przenikających się murach o grubości 2.5 i 1.5 cegły.
C. w narożniku murów o grubości 2.5 i 1.5 cegły.
D. w narożniku murów o grubości 1.5 i 1.5 cegły.
BUD.01 Pytanie 537
Wykonywanie robót zbrojarskic…

Na rysunku przedstawiono cięcie prętów zbrojeniowych za pomocą

Ilustracja do pytania 17
A. przecinarki kątowej.
B. nożyc ręcznych.
C. palnika acetylenowego.
D. nożyc hydraulicznych.
Wykonywanie robót murarskich …

Jakie są zasady bezpiecznej rozbiórki muru według przepisów?

A. Mur należy rozbierać w pionowych pasach, a odzyskane cegły układać na stropie
B. Pas muru o wysokości do 50 cm należy podciąć, a pokruszone fragmenty spuszczać za pomocą suwnicy pochyłej
C. Mur o wysokości kondygnacji należy przewrócić na strop, a pokruszone materiały spuszczać specjalną rynną
D. Mur należy rozbierać warstwami od góry do dołu, a cegły spuszczać zsypem
Montaż konstrukcji budowlanych

Który komunikat wyrażony gestem przekazuje robotnik hakowy przedstawiony na rysunku, kierujący pracą operatora żurawia?

Ilustracja do pytania 19
A. Ruch do przodu.
B. Przerwa – koniec ruchu.
C. Uwaga! Początek kierowania.
D. Ruch do tyłu.
BUD.01 Pytanie 540
Wykonywanie robót zbrojarskic…

Aplikacja na powierzchnię deskowania środka o właściwościach antyadhezyjnych realizowana jest w celu

A. wzmocnienia deskowania
B. oddzielenia deskowania od betonu
C. zapobiegania deformacji deskowania
D. uszczelnienia betonu
BUD.12 Pytanie 541
Wykonywanie robót murarskich …

Przed użyciem tynków akrylowych produkowanych w fabryce w pojemnikach, należy je

A. wymieszać bez dodatków
B. wymieszać z wodą
C. dodać pigment
D. dodać utwardzacz
BUD.14 Pytanie 542
Organizacja i kontrola robót …

Według KNR 2-01 norma czasu pracy dla robotników zajmujących się ścinaniem drzew piłą mechaniczną o średnicy 46-55 cm wynosi 308 r-g/100 szt. Ile robotników należy zatrudnić do ścięcia 15 drzew o średnicy 50 cm, jeśli zgodnie z harmonogramem prace te powinny być zrealizowane w jednym 8-godzinnym dniu roboczym?

A. 6 robotników
B. 46 robotników
C. 5 robotników
D. 47 robotników
BUD.12 Pytanie 543
Wykonywanie robót murarskich …

Do prac zanikających oraz tych, które zostają zakryte i wymagają odbioru, zalicza się

A. malowanie
B. układanie podłogi
C. uzupełnianie tynku
D. przygotowanie podłoża
BUD.14 Pytanie 544
Organizacja i kontrola robót …

Gdzie umiejscowiona jest oś obrotu okna uchylnego?

A. na środku szerokości i jest w pionie
B. na dolnej krawędzi i jest w poziomie
C. na bocznej krawędzi i jest w pionie
D. na środku wysokości i jest w poziomie
BUD.14 Pytanie 545
Organizacja i kontrola robót …

Na podstawie zamieszczonego fragmentu przekroju budynku określ, w których miejscach zaprojektowano warstwę poziomą hydroizolacji.

Ilustracja do pytania 25
A. Pod ławą fundamentową, pomiędzy ścianą fundamentową a ścianą parteru, pod termoizolacją podłogi.
B. Na ławie fundamentowej, pomiędzy ścianą fundamentową a ścianą parteru, pod termoizolacją podłogi.
C. Na ławie fundamentowej, pod termoizolacją ściany fundamentowej, pomiędzy wylewką
D. Pod ławą fundamentową, pod termoizolacją ściany fundamentowej, pomiędzy wylewką a termoizolacją podłogi.
Wykonywanie robót zbrojarskic…

Oblicz wydatki na robociznę przy produkcji 10 m3 mieszanki betonowej, jeśli robotnicy wykonują 1 m3 w czasie 1,29 r-g, a cena za 1 r-g wynosi 15,00 zł?

A. 193,50 zł
B. 150,00 zł
C. 1935,00 zł
D. 19,35 zł
BUD.14 Pytanie 548
Organizacja i kontrola robót …

Gładź, którą tworzy się z drobnoziarnistej zaprawy cementowej oraz zacierana stalową packą przy jednoczesnym posypywaniu cementem na zacieranej powierzchni, stanowi wierzchnią warstwę tynku trójwarstwowego?

A. wyselekcjonowanego
B. zwyczajnego
C. szlachetnego
D. wypalanego
BUD.14 Pytanie 549
Organizacja i kontrola robót …

Przed nałożeniem pokrycia z papy zgrzewalnej na podłoże betonowe, należy

A. zagruntować roztworem asfaltowym
B. ponacinać dłutem
C. opalić palnikiem gazowym
D. wzmocnić siatką z włókna szklanego
BUD.14 Pytanie 551
Organizacja i kontrola robót …

Strzępia w ścianach budowlanych tworzy się w celu

A. połączenia murów wznoszonych w różnym czasie
B. wykonania przewodów kominowych
C. połączenia nadproża z stropem
D. wykonania gzymsów
BUD.14 Pytanie 553
Organizacja i kontrola robót …

Na podstawie danych zawartych w tablicy 0820 określ skład zespołu, którego zadaniem będzie wymiana desek podłogowych w czasie jednego 8-godzinnego dnia pracy. Łączna powierzchnia wymienianej podłogi wynosi 12 m2 i w żadnym miejscu nie przekracza 2 m2.

Ilustracja do pytania 33
A. 2 posadzkarzy płytkarzy i 1 robotnik budowlany.
B. 1 cieśla i 2 robotników budowlanych.
C. 1 posadzkarz płytkarz i 2 robotników budowlanych.
D. 2 cieśli i 1 robotnik budowlany.
Organizacja i kontrola robót …

Na podstawie zamieszczonego fragmentu specyfikacji technicznej, określ dopuszczalną maksymalną różnicę długości przekątnych wbudowanej ościeżnicy o szerokości 100 cm i wysokości 100 cm.

Specyfikacja techniczna wykonania i odbioru robót budowlanych (fragment)
[...]
5.4.Montaż stolarki drzwiowej wewnętrznej.
1.Przygotowane warsztatowo i zabezpieczone przed zabrudzeniem ościeżnice należy umieścić w otworach, ustawić do pionu, poziomu i w płaszczyźnie oraz zamocować mechanicznie do ościeży.
2.Szczeliny pomiędzy ościeżami i ościeżnicami należy wypełnić pianką poliuretanową lub kitem trwale plastycznym.
3.Ościeżnice drzwiowa należy mocować za pomocą kotew lub haków osadzonych w ościeżu.
4.Po osadzeniu skrzydeł należy je wyregulować i uzbroić w okucia.
5.Dopuszczalne odchylenie wbudowanych ościeżnic od pionu nie powinno być większe niż 2 mm na 1 metr wysokości ościeżnicy i nie większe niż 3 mm na całej wysokości ościeżnicy.
6.Różnice długości przekątnych wbudowanych ościeżnic nie powinny być większe niż:
– 2 mm przy długości przekątnej do 1 m,
– 3 mm przy długości przekątnej 1÷2 m,
– 4 mm przy długości przekątnej powyżej 2 m.
7.Osadzone drzwi po zmontowaniu należy dokładnie zamknąć i sprawdzić luzy.
8.Dopuszczalne wymiary luzów w stykach elementów stolarskich:
– 2 mm między skrzydłami,
– 1 mm między skrzydłami a ościeżnicą.
[...]

A. 4 mm
B. 3 mm
C. 1 mm
D. 2 mm
BUD.14 Pytanie 556
Organizacja i kontrola robót …

Na podstawie danych zawartych w tablicy z KNR, określ skład zespołu wykonującego tynk zwykły kat. II na biegach klatki schodowej, w czasie jednego 8-godzinnego dnia pracy. Łączna powierzchnia biegów klatek schodowych, przeznaczona do otynkowania wynosi 50 m2.

Ilustracja do pytania 36
A. 4 tynkarzy-grupa II, 1 cieśla, 1 robotnik.
B. 5 tynkarzy-grupa III, 1 cieśla, 1 robotnik.
C. 8 tynkarzy-grupa II, 1 cieśla, 2 robotników.
D. 9 tynkarzy-grupa III, 1 cieśla, 2 robotników.
BUD.12 Pytanie 558
Wykonywanie robót murarskich …

Główne składniki mieszanki betonowej stosowanej do produkcji betonu zwykłego to

A. cement, popiół, keramzyt i woda
B. cement, wapno, piasek i woda
C. cement, piasek, keramzyt i woda
D. cement, piasek, żwir i woda
Wykonywanie robót murarskich …

Zgodnie z wskazówkami producenta, zużycie gotowej mieszanki tynkarskiej do nałożenia tynku o grubości 15 mm wynosi 19,5 kg/m2. Ile worków po 30 kilogramów tej mieszanki jest potrzebnych do pokrycia powierzchni 150 m2 tym tynkiem?

A. 147 worków
B. 225 worków
C. 75 worków
D. 98 worków
Wykonywanie robót murarskich …

Określ właściwą sekwencję technologiczną działań związanych z obniżeniem poziomu posadowienia murowanych ław fundamentowych?

A. Wykonanie wykopu i zabezpieczenie deskowaniem → podbicie fundamentu → odciążenie ław
B. Podbicie fundamentu → odciążenie ław → wykonanie wykopu i zabezpieczenie deskowaniem
C. Wykonanie wykopu i zabezpieczenie deskowaniem → odciążenie ław → podbicie fundamentu
D. Odciążenie ław → podbicie fundamentu → wykonanie wykopu i zabezpieczenie deskowaniem