Kwalifikacja: ELM.02 - Montaż oraz instalowanie układów i urządzeń elektronicznych

Kategorie: Elementy elektroniczne Montaż i instalacje Pomiary i diagnostyka

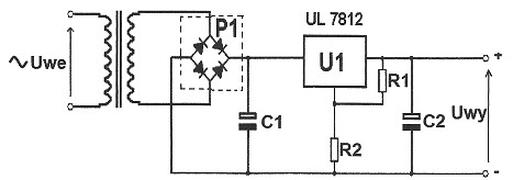
Jaki skutek wywoła zmniejszenie wartości pojemności kondensatora C2 w układzie zasilacza napięcia stałego, którego schemat przedstawiono na rysunku?

Ilustracja do pytania z kwalifikacji ELM.02

Odpowiedzi