Kwalifikacja: ELM.02 - Montaż oraz instalowanie układów i urządzeń elektronicznych
Zawód: Technik elektronik
Kategorie: Montaż i instalacje Pomiary i diagnostyka
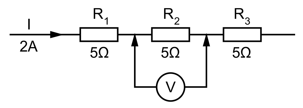
Jakie napięcie wskaże woltomierz po podłączeniu go do obwodu w miejscach wskazanych przez strzałki?

Odpowiedzi
Informacja zwrotna
Odpowiedź 10 V jest poprawna, ponieważ woltomierz mierzy napięcie na rezystorze R2, które można obliczyć na podstawie prawa Ohma. Zgodnie z tym prawem, napięcie (V) równa się iloczynowi prądu (I) płynącego przez rezystor oraz wartości oporu (R). W opisanym przypadku, gdy prąd wynosi 2 A, a opór R2 to 5 Ω, możemy obliczyć napięcie: V = I * R = 2 A * 5 Ω = 10 V. Takie obliczenia są kluczowe w inżynierii elektrycznej i są szeroko stosowane w praktyce, zwłaszcza podczas projektowania obwodów elektronicznych. Zrozumienie, jak obliczać napięcie, jest niezbędne dla prawidłowego działania urządzeń elektrycznych oraz dla zapewnienia ich bezpieczeństwa. Warto również zaznaczyć, że umiejętność dokonywania takich pomiarów jest podstawą analizy obwodów i jest częścią standardów inżynieryjnych, które wymagają dokładności w pomiarach elektrycznych.
Wynikiem 15 V, 5 V oraz 20 V są błędne, ponieważ każde z tych napięć nie odzwierciedla rzeczywistych warunków w obwodzie. W przypadku możliwości uzyskania napięcia 15 V, można by pomyśleć, że źródło zasilania generuje wyższe napięcie, co jest błędne w kontekście wskazania woltomierza. W rzeczywistości, woltomierz mierzy napięcie jedynie na rezystorze R2, a nie na całym obwodzie. W przypadku opcji 5 V, byłoby to możliwe tylko przy założeniu, że R2 miałby znacznie mniejszą wartość oporu lub prąd byłby znacznie niższy, co w analizowanym obwodzie nie ma miejsca, ponieważ prąd wynosi 2 A, a opór R2 wynosi 5 Ω, co jednoznacznie prowadzi do wyniku 10 V. Podobnie, 20 V nie może być osiągnięte, ponieważ przekracza to sumaryczne napięcie w obwodzie i nie jest zgodne z prawem Ohma. Zatem, typowe błędy myślowe, które prowadzą do tych nieprawidłowych odpowiedzi, to nieprawidłowe rozumienie zależności napięcia, prądu i oporu, a także brak uwzględnienia, że woltomierz mierzy napięcie tylko na wyznaczonym obszarze obwodu. Zrozumienie tych podstawowych zasad jest kluczowe dla każdego inżyniera lub technika pracującego w dziedzinie elektroniki.