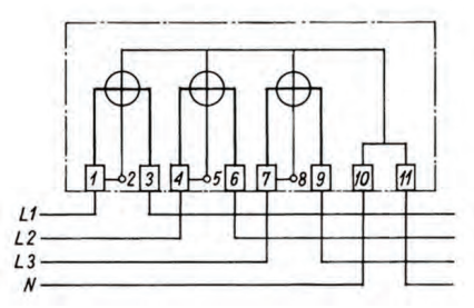
Trójfazowy licznik energii elektrycznej to urządzenie służące do pomiaru zużycia energii elektrycznej w systemach trójfazowych, które są powszechnie stosowane w przemyśle oraz w dużych obiektach komercyjnych. Na rysunku przedstawiono schemat, gdzie widoczne są trzy linie fazowe L1, L2, L3 oraz przewód neutralny N, co jest zgodne z typową konfiguracją podłączenia do takiego licznika. Liczniki energii elektrycznej muszą spełniać normy takie jak PN-EN 62053, które określają dokładność pomiarów oraz wymagania dotyczące instalacji. Przykładowo, w przypadku monitorowania zużycia energii w zakładzie przemysłowym, zastosowanie trójfazowego licznika pozwala na precyzyjne określenie, ile energii jest konsumowane przez różne maszyny, co z kolei umożliwia optymalizację kosztów operacyjnych oraz efektywności energetycznej. Odpowiednia symbolika graficzna na schemacie, jaką zastosowano w tym przypadku, jednoznacznie wskazuje na licznik, co jest zgodne z normami PN-EN 60617, które dotyczą symboliki w dokumentacji elektrycznej.
Wybór odpowiedzi dotyczącej trójfazowego transformatora separacyjnego jest błędny, ponieważ transformator ten jest urządzeniem służącym do izolacji galwanicznej między obwodami oraz do zmiany poziomów napięcia. W przeciwieństwie do licznika, transformator nie mierzy zużycia energii, lecz przetwarza ją, co nie jest zgodne z przedstawionym schematem. Natomiast odpowiedź dotycząca przekładników prądowych w trzech fazach również jest myląca, ponieważ te urządzenia mają na celu pomiar prądu w obwodach elektrycznych i nie są przedstawiane w taki sposób jak na schemacie. Przekładniki prądowe są używane w połączeniu z licznikami, ale nie stanowią ich samodzielnej funkcji, a ich symbolika graficzna różni się od symbolu licznika. Z kolei dławiki w trójfazowej oprawie świetlówkowej to elementy, które mają na celu ograniczenie prądu w obwodach świetlówkowych i nie są związane z pomiarem energii. Typowe błędy myślowe prowadzące do tych niepoprawnych wniosków mogą wynikać z pomieszania funkcji różnych urządzeń elektrycznych oraz braku znajomości ich symboliki. Właściwe rozpoznawanie urządzeń na podstawie schematów elektrycznych jest kluczowe w praktycznej pracy inżynieryjnej, dlatego ważne jest, aby zrozumieć różnice między tymi rodzajami urządzeń oraz ich zastosowanie w systemach elektrycznych.