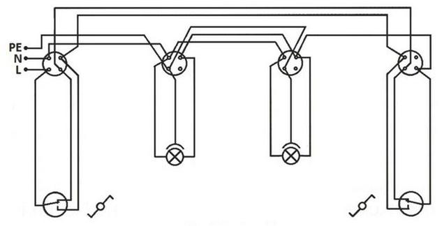
W instalacji oświetleniowej klatki schodowej, której schemat przedstawiono na rysunku, nastąpiło zadziałanie wyłącznika różnicowoprądowego, gdy oświetlenie było załączone. Na podstawie opisu oceń stan techniczny tej instalacji.











| Wyłącznik | Wynik pomiaru różnicowego prądu zadziałania IΔ |
|---|---|
| P302 25-10-AC | 25 mA |
| P202 25-30-AC | 25 mA |
| P304 40-30-AC | 40 mA |
| P304 40-100-AC | 40 mA |










| Przekrój znamionowy żył w mm2 | Sposób ułożenia i liczba żył przewodzących | |||||||
|---|---|---|---|---|---|---|---|---|
| A1 - przewody ułożone w ścianie: jednożyłowe w rurach i wielożyłowe | B1 - przewody jednożyłowe w rurach na ścianie | B2 - przewody wielożyłowe w listwie instalacyjnej z przegrodami | C - przewody jednożyłowe lub wielożyłowe na ścianie | |||||
| 2 | 3 | 2 | 3 | 2 | 3 | 2 | 3 | |
| \( I_{NF} \) – maksymalny znamionowy prąd wkładki topikowej, w A | ||||||||
| 1,5 | 16 | 10 | 16 | 16 | 16 | 16 | 20 | 16 |
| 2,5 | 20 | 16 | 25 | 20 | 20 | 20 | 25 | 25 |
| 4 | 25 | 25 | 25 | 25 | 25 | 25 | 35 | 25 |
| 6 | 35 | 25 | 35 | 35 | 35 | 35 | 35 | 35 |
