Filtrowanie pytań
Eksploatacja maszyn, urządzeń…
A. Zabezpieczenia zwarciowego
B. Zabezpieczenia przeciążeniowego
C. Zabezpieczenia nadnapięciowego
D. Zabezpieczenia podnapięciowego
Montaż, uruchamianie i konser…
Która z wymienionych przyczyn może spowodować samoczynne wyłączenie wyłącznika nadprądowego obwodu gniazd wtyczkowych kuchni w przedstawionej instalacji?

A. Włączenie odbiornika drugiej klasy ochronności.
B. Przerwa w przewodzie uziemiającym instalację.
C. Jednoczesne podłączenie odbiorników o zbyt dużej mocy.
D. Zwarcie przewodu ochronnego z przewodem neutralnym.
Montaż, uruchamianie i konser…
Podaj skuteczność świetlną źródła światła o etykiecie przedstawionej na rysunku.

A. 1 180,0 lm/W
B. 206,9 lm/W
C. 81,4 lm/W
D. 14,5 lm/W
ELE.05 Pytanie 1084
Eksploatacja maszyn, urządzeń…
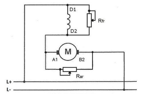
Wirnik silnika pracującego w układzie pokazanym na schemacie po załączeniu napięcia zasilającego nie obraca się, a z sieci pobierany jest prąd stanowiący kilka procent prądu znamionowego silnika. Przyczyną zaistniałej sytuacji może być

A. przerwa w rezystorze Rb
B. zwarcie w rezystorze Rr
C. zwarcie w uzwojeniu komutacyjnym.
D. przerwa w uzwojeniu twornika.
ELE.05 Pytanie 1085
Eksploatacja maszyn, urządzeń…
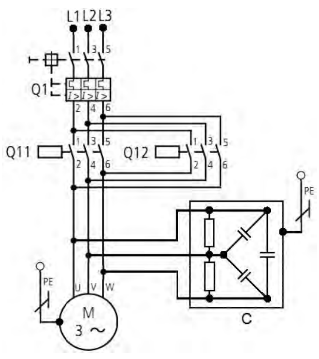
W celu realizacji układu przedstawionego na schemacie należy zastosować styczniki z cewkami na napięcie

A. 230 V DC
B. 24 V DC
C. 230 V AC
D. 24 V AC
Eksploatacja maszyn, urządzeń…
Jakie zadania przy aktywnych urządzeniach elektrycznych można zrealizować bez zlecenia?
A. Przeprowadzane przy użyciu spawania oraz wymagające pracy z otwartym źródłem ognia
B. Realizowane w sytuacjach stwarzających szczególne niebezpieczeństwo dla życia lub zdrowia osób
C. Dotyczące ratowania życia lub zdrowia osób
D. Dotyczące konserwacji bądź napraw urządzeń, które są całkowicie lub częściowo pod napięciem
Montaż, uruchamianie i konser…
Jakie urządzenie jest używane do pomiaru rezystancji izolacyjnej przewodu?
A. megaomomierz
B. omomierz
C. miernik obwodu zwarcia
D. miernik indukcyjny uziemień
ELE.02 Pytanie 1088
Montaż, uruchamianie i konser…
Wskaż właściwą kolejność prac przy wymianie uszkodzonego wyłącznika schodowego.
A. Stwierdzenie braku napięcia, wyłączenie napięcia, montaż wyłącznika, demontaż wyłącznika, sprawdzenie prawidłowości działania, włączenie napięcia.
B. Wyłączenie napięcia, stwierdzenie braku napięcia, demontaż wyłącznika, montaż wyłącznika, włączenie napięcia, sprawdzenie prawidłowości działania.
C. Sprawdzenie prawidłowości działania, włączenie napięcia, stwierdzenie braku napięcia, demontaż wyłącznika, montaż wyłącznika, wyłączenie napięcia.
D. Wyłączenie napięcia, demontaż wyłącznika, montaż wyłącznika, sprawdzenie prawidłowości działania, stwierdzenie braku napięcia, włączenie napięcia.
Montaż, uruchamianie i konser…
Określ w kolejności od lewej strony nazwy narzędzi przedstawionych na rysunku.

A. Obcinaczki czołowe, przyrząd do ściągania izolacji, szczypce uniwersalne, wskaźnik napięcia, szczypce do zaciskania końcówek, wkrętak izolowany płaski.
B. Szczypce do zaciskania końcówek, szczypce uniwersalne, wskaźnik napięcia, obcinaczki czołowe, szczypce do ściągania izolacji, wkrętak izolowany płaski.
C. Szczypce uniwersalne, przyrząd do ściągania izolacji, obcinaczki boczne, szczypce do zaciskania końcówek, wkrętak izolowany, wskaźnik napięcia.
D. Obcinaczki boczne, przyrząd do ściągania izolacji, szczypce do zaciskania końcówek, szczypce uniwersalne, wkrętak izolowany, wskaźnik napięcia.
Montaż, uruchamianie i konser…
W celu naprawy kabla przyłączeniowego, który został uszkodzony podczas prac ziemnych i został ułożony bez zapasu, potrzebne są
A. odcinek kabla oraz zgrzewarka
B. odcinek kabla zakończony głowicami
C. dwie mufy kablowe i odcinek kabla
D. mufa rozgałęźna oraz odcinek kabla
Eksploatacja maszyn, urządzeń…
Który z podanych sposobów ochrony przed porażeniem elektrycznym pełni rolę zabezpieczenia dodatkowego w przypadku uszkodzenia instalacji elektrycznych niskonapięciowych?
A. Umieszczenie części czynnych poza zasięgiem ręki
B. Separacja elektryczna odbiornika
C. Podwójna lub wzmocniona izolacja elektryczna
D. Ochronne miejscowe połączenia wyrównawcze
ELE.05 Pytanie 1092
Eksploatacja maszyn, urządzeń…
Element oznaczony na przedstawionym schemacie symbolem Q21 pełni rolę

A. prostownika niesterowanego.
B. prostownika sterowanego.
C. pośredniego przemiennika częstotliwości.
D. softstartera.
Eksploatacja maszyn, urządzeń…
Kontrolę instalacji elektrycznej, znajdującej się w pomieszczeniach o wysokiej wilgotności (75÷100%), w zakresie efektywności ochrony przed porażeniem elektrycznym należy przeprowadzać co najmniej raz na
A. 2 lata
B. 4 lata
C. 1 rok
D. 3 lata
Eksploatacja maszyn, urządzeń…
Przed którym z wymienionych rodzajów uszkodzeń transformatora energetycznego olejowego 15/0,4 kV 2500 kVA nie chroni zabezpieczenie przedstawione na rysunku

A. Wzrostu strumienia w rdzeniu.
B. Zwarcia wewnątrz kadzi.
C. Przerwy w uziemieniu.
D. Przegrzania uzwojeń.
Eksploatacja maszyn, urządzeń…
W których pomieszczeniach mogą być stosowane środki ochrony przeciwporażeniowej pokazane na rysunku?

A. W pomieszczeniach ruchu elektrycznego.
B. W pomieszczeniach laboratoryjnych.
C. W piwnicach budynków mieszkalnych.
D. W halach hurtowni elektrycznych.
ELE.02 Pytanie 1096
Montaż, uruchamianie i konser…
Które wyprowadzenia czujnika kontroli i zaniku faz należy włączyć szeregowo z cewką stycznika zgodnie z przedstawionymi schematami z jego instrukcji fabrycznej?

A. 1 i 4
B. 7 i 8
C. 4 i 8
D. 1 i 7
Eksploatacja maszyn, urządzeń…
Ile minimum osób powinno zajmować się pracami w warunkach szczególnego zagrożenia?
A. Trzy osoby
B. Cztery osoby
C. Jedna osoba
D. Dwie osoby
Montaż, uruchamianie i konser…
Łącznik przedstawiony na zdjęciu jest oznaczony na schematach symbolem graficznym

A. A.
B. B.
C. D.
D. C.
Montaż, uruchamianie i konser…
Na podstawie opisu określ, jaką puszkę instalacyjną przedstawiono na rysunku.

A. Do montażu gniazd i wyłączników.
B. Przeciwogniową.
C. Natynkową hermetyczną.
D. Podtynkową hermetyczną.
ELE.02 Pytanie 1100
Montaż, uruchamianie i konser…
W którym układzie sieciowym, w przypadku przerwania przewodu ochronno-neutralnego, na obudowach metalowych odbiorników może pojawiać się pełne napięcie fazowe?
A. TT
B. IT
C. TN-S
D. TN-C
Montaż, uruchamianie i konser…
Schemat elektryczny którego silnika przedstawiono na schemacie?

A. Szeregowo-bocznikowego prądu stałego.
B. Indukcyjnego jednofazowego.
C. Obcowzbudnego prądu stałego.
D. Komutatorowego prądu przemiennego.
Montaż, uruchamianie i konser…
Do zacisku odbiornika podłączonego na stałe w instalacji TN-S oznaczonego symbolem graficznym przedstawionym na rysunku należy podłączyć przewód

A. ochronny.
B. odgromowy.
C. neutralny.
D. wyrównawczy.
ELE.05 Pytanie 1103
Eksploatacja maszyn, urządzeń…
Przed przystąpieniem do prac konserwacyjnych w elektrycznym urządzeniu trwale podłączonym do zasilania, po odcięciu napięcia, jak należy postępować w odpowiedniej kolejności?
A. należy zabezpieczyć obwód przed przypadkowym załączeniem, sprawdzić, czy nie ma napięcia, uziemić oraz zewrzeć wszystkie fazy
B. należy sprawdzić, czy nie ma napięcia, uziemić oraz zewrzeć wszystkie fazy, a następnie zabezpieczyć obwód przed przypadkowym załączeniem
C. należy zabezpieczyć obwód przed przypadkowym załączeniem, uziemić oraz zewrzeć wszystkie fazy, a następnie sprawdzić, czy nie ma napięcia
D. należy sprawdzić, czy nie ma napięcia, zabezpieczyć obwód przed przypadkowym załączeniem, uziemić oraz zewrzeć wszystkie fazy
ELE.02 Pytanie 1104
Montaż, uruchamianie i konser…
Jakie kroki oraz w jakiej kolejności należy wykonać przy wymianie uszkodzonego łącznika?
A. Odłączyć zasilanie, sprawdzić brak zasilania, wymontować uszkodzony łącznik
B. Załączyć zasilanie, sprawdzić ciągłość połączeń, wymontować uszkodzony łącznik
C. Wymontować uszkodzony łącznik, odłączyć zasilanie, sprawdzić ciągłość połączeń
D. Odłączyć zasilanie, wymontować uszkodzony łącznik, sprawdzić ciągłość połączeń
Montaż, uruchamianie i konser…
Który sposób połączenia zacisków gniazda wtyczkowego jednofazowegow instalacji mieszkaniowejpracującej w sieci TN-S jest prawidłowy?

A. A.
B. C.
C. B.
D. D.
ELE.05 Pytanie 1106
Eksploatacja maszyn, urządzeń…
Jaka może być przybliżona maksymalna długość przewodu YDY \( 4 \times 16 \, \text{mm}^2 \) do zasilania trójfazowego pieca rezystancyjnego o mocy \( P_n = 55 \, \text{kW} \) i napięciu \( U_n = 400 \, \text{V} \), jeżeli dopuszczalny spadek napięcia w obwodzie wynosi \( 3\% \), a konduktywność miedzi w warunkach zasilania pieca \( \gamma = 50 \, \frac{\text{m}}{\Omega \cdot \text{mm}^2} \)?
Uproszczony wzór na spadek napięcia dla układu trójfazowego:
$$ \Delta U_\% = \frac{100 \cdot P_n \cdot l}{U_n^2 \cdot \gamma \cdot S} $$
A. 23 m
B. 209 m
C. 140 m
D. 70 m
Montaż, uruchamianie i konser…
Która z przedstawionych opraw oświetleniowych najlepiej nadaje się do oświetlenia ogólnego?

A. A.
B. B.
C. D.
D. C.
Eksploatacja maszyn, urządzeń…
Układ energoelektroniczny oznaczony symbolem PT na przedstawionym schemacie układu zasilania silnika trójfazowego zaliczany jest do urządzeń

A. regulacyjnych.
B. rozdzielczych.
C. zabezpieczających.
D. pomiarowych.
Montaż, uruchamianie i konser…
Które z uzwojeń bocznikowego silnika prądu stałego uległo przerwaniu, jeśli nastąpił gwałtowny wzrost prędkości obrotowej jego wirnika?
A. Komutacyjne.
B. Kompensacyjne.
C. Wzbudzenia.
D. Twornika.
ELE.05 Pytanie 1110
Eksploatacja maszyn, urządzeń…
Uszkodzenie izolacji uzwojenia w działającym przekładniku może wystąpić na skutek rozłączenia zacisków jego strony
A. pierwotnej przekładnika napięciowego
B. pierwotnej przekładnika prądowego
C. wtórnej przekładnika napięciowego
D. wtórnej przekładnika prądowego
Montaż, uruchamianie i konser…
Przedstawiona na ilustracji oprawka jest przeznaczona do źródeł światła z trzonkiem

A. E14
B. GU10
C. G9
D. MR11
Eksploatacja maszyn, urządzeń…
Który symbol graficzny przedstawia wciskany przycisk bistabilny z zestykiem zwiernym?

A. Symbol 4.
B. Symbol 2.
C. Symbol 1.
D. Symbol 3.
ELE.05 Pytanie 1113
Eksploatacja maszyn, urządzeń…
Podczas intensywnych opadów śniegu w jednym z rejonów napowietrznej linii niskiego napięcia zaobserwowano zanik napięcia w jednej fazie. Monterzy wymienili uszkodzony bezpiecznik w stacji transformatorowej na słupie, ale po ponownym uruchomieniu zasilania bezpiecznik natychmiast znowu uległ awarii. Jakie mogą być najprawdopodobniejsze przyczyny tej usterki?
A. Zawilgocenie izolacji przewodów AFL do odbiorców
B. Zbyt duża asymetria obciążenia odbiornikami u jednego z odbiorców
C. Przeciążenie obwodu linii spowodowane dogrzewaniem elektrycznym mieszkań
D. Zwarcie doziemne jednej fazy
ELE.05 Pytanie 1114
Eksploatacja maszyn, urządzeń…
Silnik szeregowy prądu stałego pracuje w trybie dorywczym. Co może być najczęstszą przyczyną braku reakcji silnika po włączeniu napięcia zasilającego?
A. Nieodpowiednio dobrane szczotki
B. Zabrudzony komutator
C. Wystająca izolacja między działkami komutatora
D. Przerwa w obwodzie twornika
Eksploatacja maszyn, urządzeń…
W szlifierce uszkodzony został wirnik. Na rysunku z dokumentacji techniczno-ruchowej jest on oznaczony numerem

A. 50
B. 9
C. 35
D. 12
Montaż, uruchamianie i konser…
Którym symbolem graficznym oznacza się prowadzenie przewodów w tynku na schemacie ideowym projektowanej instalacji elektrycznej?

A. C.
B. D.
C. A.
D. B.
Montaż, uruchamianie i konser…
Jaką metodę należy zastosować do bezpośredniego pomiaru rezystancji przewodów?
A. cyfrowy watomierz
B. amperomierz oraz woltomierz
C. watomierz oraz amperomierz
D. analogowy omomierz
ELE.05 Pytanie 1118
Eksploatacja maszyn, urządzeń…
Określ prawidłową sekwencję działań przy wymianie uszkodzonego łącznika świecznikowego w instalacji elektrycznej.
włączenie napięcia, sprawdzenie prawidłowości działania.
A. Wyłączenie napięcia, demontaż łącznika, montaż łącznika, sprawdzenie prawidłowości działania, stwierdzenie braku napięcia, włączenie napięcia
B. Wyłączenie napięcia, stwierdzenie braku napięcia, demontaż łącznika, montaż łącznika, włączenie napięcia, sprawdzenie prawidłowości działania
C. Stwierdzenie braku napięcia, wyłączenie napięcia, demontaż łącznika, montaż łącznika, sprawdzenie
D. Sprawdzenie prawidłowości działania, włączenie napięcia, stwierdzenie braku napięcia, demontaż łącznika, montaż łącznika, wyłączenie napięcia
ELE.02 Pytanie 1119
Montaż, uruchamianie i konser…
Które z parametrów są podane na przedstawionym urządzeniu?

A. Napięcie znamionowe i prąd zadziałania.
B. Napięcie probiercze i prąd zadziałania.
C. Napięcie znamionowe i prąd znamionowy.
D. Napięcie probiercze i prąd znamionowy.
ELE.05 Pytanie 1120
Eksploatacja maszyn, urządzeń…
Do pomiaru całkowitego natężenia prądu w pełni obciążonej instalacji, której schemat przedstawiono na rysunku, należy użyć

A. amperomierza o zakresie 10 A
B. amperomierza o zakresie 20 A
C. amperomierza o zakresie 5 A i przekładnika prądowego o przekładni 50/5
D. amperomierza o zakresie 5 A i przekładnika prądowego o przekładni 20/5