Filtrowanie pytań

Wybierz zawód, aby zobaczyć dostępne kwalifikacje

Eksploatacja maszyn, urządzeń…

W instalacji elektrycznej budynku mieszkalnego wykonanej w układzie TN-S obwody gniazd zasilanych napięciem 230 V zabezpieczone są aparatami S301 B16. W trakcie pomiarów kontrolnych zmierzono impedancję pętli zwarcią tych obwodów i wyniki pomiarów zamieszczono w tabeli. Zakładając, że błąd miernika można pominąć, w którym obwodzie otrzymano negatywny wynik pomiaru?

Warunek poprawności pomiaru: \( Z_s \cdot I_a \leq U_0 \)

Nazwa obwoduWartość impedancji pętli zwarcia, Ω
G12,55
G22,90
G32,66
G42,87

A. G3
B. G1
C. G4
D. G2
Montaż, uruchamianie i konser…

Jaki błąd został popełniony podczas pomiaru rezystancji izolacji instalacji elektrycznej, której schemat przedstawiono na rysunku?

Ilustracja do pytania 4
A. Przewód ochronny powinien być odłączony.
B. Zabezpieczenie główne powinno być zamknięte.
C. Zabezpieczenie silnika powinno być otwarte.
D. Wyłącznik główny powinien być zamknięty.
Montaż, uruchamianie i konser…

Na podstawie zamieszczonych wyników pomiarów rezystancji w przewodzie elektrycznym przedstawionym na ilustracji można stwierdzić, że żyły

Ilustracja do pytania 10
A. L1 i L2 są przerwane.
B. N i L3 są zwarte oraz PE jest przerwana.
C. L1 i L2 są zwarte.
D. N i PE są zwarte oraz L3 jest przerwana.
Montaż, uruchamianie i konser…

Jakie z wymienionych usterek w obwodzie odbiorczym instalacji elektrycznej powinno spowodować automatyczne odcięcie napięcia przez wyłącznik różnicowoprądowy?

A. Upływ prądu
B. Przeciążenie obwodu
C. Skok napięcia
D. Zwarcie międzyfazowe
Montaż, uruchamianie i konser…

Na rysunku przedstawiono charakterystykę wyłącznika nadmiarowo-prądowego KS6 B32/3 znajdującą się w katalogu producenta. Wyłącznik ten można zastosować do zabezpieczenia przewodów o obciążalności długotrwałej

Ilustracja do pytania 14
A. 34 A
B. 29 A
C. 30 A
D. 25 A
Eksploatacja maszyn, urządzeń…

Podczas diagnostyki silnika elektrycznego stwierdzono, że uzwojenie stojana ma obniżoną rezystancję izolacji. Jakie działania należy podjąć?

A. Zmniejszyć prąd wzbudzenia
B. Przeprowadzić osuszanie uzwojenia lub wymienić izolację
C. Zwiększyć częstotliwość napięcia zasilającego
D. Zastosować dodatkowe uziemienie
Montaż, uruchamianie i konser…

Zgodnie z danymi przestawionymi w tabeli dobierz minimalny przekrój przewodu miedzianego jednożyłowego do wykonania jednofazowej natynkowej instalacji o napięciu 230 V, zasilającej piec rezystancyjny o mocy 5 000 W.

Ilustracja do pytania 18
A. 4 mm2
B. 2,5 mm2
C. 6 mm2
D. 1,5 mm2
Montaż, uruchamianie i konser…

W jaki sposób należy wykonać wymianę nożowych wkładek topikowych bezpieczników przemysłowych, zamontowanych w podstawach bezpiecznikowych? 

A. Uchwytem izolacyjnym pod obciążeniem.
B. Za pomocą szczypiec uniwersalnych pod napięciem.
C. Za pomocą szczypiec uniwersalnych bez obecności napięcia.
D. Uchwytem izolacyjnym bez obciążenia. 
Montaż, uruchamianie i konser…

Jakie znaczenie ma opis OMY 500 V 3x1,5 mm2 umieszczony na izolacji przewodu?

A. Sznur mieszkalny trzyżyłowy w izolacji polwinitowej
B. Przewód oponowy warsztatowy pięciożyłowy w izolacji polietylenowej
C. Przewód oponowy mieszkalny trzyżyłowy w izolacji polwinitowej
D. Sznur mieszkalny pięciożyłowy w izolacji polietylenowej
Eksploatacja maszyn, urządzeń…

W jaki sposób zmieni się prędkość obrotowa silnika synchronicznego, gdy liczba par biegunów w jego tworniku zostanie zmieniona z 2 na 1?

A. Czterokrotnie zmniejszy się
B. Czterokrotnie wzrośnie
C. Dwukrotnie zmniejszy się
D. Dwukrotnie wzrośnie
Eksploatacja maszyn, urządzeń…

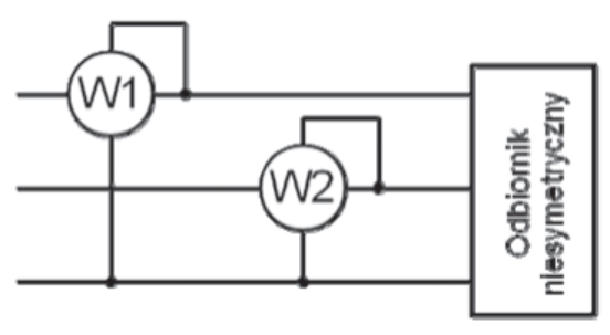
W której z wymienionych sytuacji można zamknąć łącznik Ł, który przyłączy prądnicę synchroniczną do sieci sztywnej w układzie przedstawionym na schemacie?

Ilustracja do pytania 23
A. Żarówki zgasły, a woltomierz V0 wskazuje wartość bliską 0 V
B. Żarówki świecą jednocześnie, a woltomierz V1 wskazuje wartość bliską 400 V
C. Żarówki zgasły, a woltomierz V0 wskazuje wartość bliską 400 V
D. Żarówki zapalają się i gasną niejednocześnie, a woltomierz V2 wskazuje wartość bliską 0 V
ELE.02 Pytanie 105
Montaż, uruchamianie i konser…

Sumienny pracownik w czasie wyznaczonym na zrealizowanie działań

A. wykonuje część zleconych zadań.
B. przekracza dopuszczalne normy wykonywanych zadań.
C. przekracza terminy wszystkich zleconych zadań.
D. wykonuje wszystkie zadania w terminie.
Montaż, uruchamianie i konser…

Które z podanych wskazówek nie odnosi się do realizacji nowych instalacji elektrycznych w lokalach mieszkalnych?

A. Gniazda wtykowe w kuchni powinny być podłączane do oddzielnego obwodu
B. Gniazda wtykowe w każdym pomieszczeniu powinny pochodzić z wydzielonego obwodu
C. Odbiorniki o dużej mocy powinny być zasilane z osobnych obwodów
D. Obwody oświetleniowe należy oddzielić od gniazd wtykowych
Montaż, uruchamianie i konser…

Jakie zadanie dotyczy konserwacji instalacji elektrycznej?

A. Instalacja dodatkowego gniazda elektrycznego
B. Wymiana uszkodzonych źródeł światła
C. Modernizacja rozdzielnicy instalacji elektrycznej
D. Zmiana rodzaju zastosowanych przewodów
Montaż, uruchamianie i konser…

Które z wymienionych zaleceń nie dotyczy wykonywania nowych instalacji elektrycznych w pomieszczeniach mieszkalnych?

A. Gniazda wtyczkowe w kuchni zasilać z osobnego obwodu.
B. Odbiorniki dużej mocy zasilać z wydzielonych obwodów.
C. Gniazda wtyczkowe każdego pomieszczenia zasilać z osobnego obwodu.
D. Rozdzielić obwody oświetleniowe od gniazd wtyczkowych.
Eksploatacja maszyn, urządzeń…

W instalacji trójfazowej natężenie prądu obciążenia przewodów fazowych IB wynosi 21 A, natomiast maksymalna obciążalność długotrwała tych przewodów Idd to 30 A. Który z wymienionych wyłączników nadprądowych powinien być użyty do ochrony tej instalacji przed skutkami zbyt dużego prądu?

A. B16
B. B25
C. B32
D. B20
Eksploatacja maszyn, urządzeń…

Jaką maksymalną wartość prądu zadziałania można ustawić na przekaźniku termobimetalowym w obwodzie zasilającym silnik asynchroniczny o parametrach UN = 400 V, PN = 0,37 kW, I = 1,05 A, n = 2710 l/min, aby zapewnić skuteczną ochronę przed przeciążeniem?

A. It=0,88 A
B. It=1,15 A
C. It=1,05 A
D. It=1,33 A
Montaż, uruchamianie i konser…

Jaka maksymalna wartość może mieć impedancja pętli zwarcia w trójfazowym systemie elektrycznym o napięciu nominalnym 230/400 V, aby ochrona przeciwporażeniowa przy awarii izolacji była skuteczna, wiedząc, że odpowiednie szybkie wyłączenie tego obwodu ma zapewnić instalacyjny wyłącznik nadprądowy B20?

A. 3,8 Ω
B. 6,6 Ω
C. 4,0 Ω
D. 2,3 Ω