Filtrowanie pytań
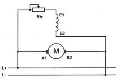
ELE.05 Pytanie 1241
Eksploatacja maszyn, urządzeń…
A. Uszkodzenie rdzenia
B. Zwarcie międzyzwojowe
C. Przeciążenie transformatora
D. Przerwa w uzwojeniu
ELE.05 Pytanie 1242
Eksploatacja maszyn, urządzeń…
Skuteczność ochrony przeciwporażeniowej w sieci typu TN o napięciu 230/400 V jest zapewniona, gdy w czasie zwarcia L-PE (lub L-PEN) w odpowiednich warunkach środowiskowych dojdzie do
A. reakcji zabezpieczeń przednapięciowych
B. reakcji zabezpieczeń przeciwprzepięciowych
C. odłączenia obwodu przez przekaźnik termiczny
D. automatycznego wyłączenia zasilania
ELE.02 Pytanie 1243
Montaż, uruchamianie i konser…
Urządzenie przedstawione na zdjęciu służy do

A. kontroli prądu upływu.
B. określania kolejności faz zasilających.
C. pomiaru rezystancji uziemienia urządzenia.
D. sprawdzania ciągłości przewodów.
Montaż, uruchamianie i konser…
Którą oprawę oświetleniową należy zastosować w piwnicy o zwiększonej wilgotności powietrza?

A. A.
B. B.
C. D.
D. C.
Montaż, uruchamianie i konser…
Na zdjęciu przedstawiono kabel

A. elektroenergetyczny z żyłami miedzianymi o izolacji polwinitowej, na napięcie 0,6/1 kV.
B. kontrolny z żyłami wielodrutowymi na napięcie 300/500 V w izolacji z tworzywa bezhalogenowego, ekranowany.
C. sygnalizacyjny z żyłami wielodrutowymi o wiązkach parowych na napięcie 300/500 V.
D. sygnalizacyjny z żyłami jednodrutowymi na napięcie 0,6/1 kV w osłonie polwinitowej.
ELE.05 Pytanie 1246
Eksploatacja maszyn, urządzeń…
Pomiary okresowe urządzeń elektrycznych, określające ich stan techniczny pod względem niezawodności i bezpieczeństwa pracy, wykonuje się
A. podczas eksploatacji.
B. po awarii.
C. po modernizacji.
D. u wytwórcy.
ELE.05 Pytanie 1247
Eksploatacja maszyn, urządzeń…
Jaki rodzaj oraz liczbę styków głównych i pomocniczych musi posiadać każdy ze styczników zastosowanych w układzie o przedstawionym schemacie połączeń?
| Styki główne | Styki pomocnicze | |
|---|---|---|
| A. | 3 NC | 2 NC |
| B. | 3 NO | 2 NO |
| C. | 3 NO | 1 NO + 1 NC |
| D. | 3 NC | 1 NO + 1 NC |

A. B.
B. C.
C. A.
D. D.
Eksploatacja maszyn, urządzeń…
Który z mierników przeznaczony jest do bezpośredniego pomiaru napięcia na uzwojeniu wzbudzenia maszyny synchronicznej?

A. Miernik 2.
B. Miernik 4.
C. Miernik 3.
D. Miernik 1.
ELE.05 Pytanie 1249
Eksploatacja maszyn, urządzeń…
Na rysunku przedstawiono schemat układu pracy grupy silników trójfazowych w zakładzie przemysłowym. Zmiana wartości pojemności baterii kondensatorów C powoduje zmianę

A. prądu rozruchowego silników.
B. częstotliwości napięcia w układzie.
C. mocy biernej pobieranej przez układ.
D. prędkości obrotowej silników.
Eksploatacja maszyn, urządzeń…
Jakie przyrządy należy zastosować do określenia rezystancji uzwojeń w transformatorze średniej mocy metodą techniczną?
A. Woltomierz oraz watomierz
B. Woltomierz oraz omomierz
C. Amperomierz oraz woltomierz
D. Amperomierz oraz watomierz
ELE.02 Pytanie 1251
Montaż, uruchamianie i konser…
Instalacja elektryczna, której odbiorniki oznaczone są symbolem graficznym pokazanym na rysunku

A. ma uziemione przewodzące obudowy odbiorników.
B. jest zasilana bardzo niskim napięciem.
C. posiada podwójną lub wzmocnioną izolację.
D. nie posiada ochrony przed dotykiem pośrednim.
Montaż, uruchamianie i konser…
Jaką funkcję w wyłączniku nadprądowym pełni element wskazany na rysunku czerwoną strzałką?

A. Styku ruchomego.
B. Komory łukowej.
C. Wyzwalacza przeciążeniowego.
D. Wyzwalacza zwarciowego.
Montaż, uruchamianie i konser…
Jeśli do pomiaru napięcia w sieci 230 V zastosowano miernik analogowy o dokładności 0,5 i zakresie 300 V, jakie będą wskazania tego miernika?
A. 230 V (±1,30 V)
B. 230 V (±1,40 V)
C. 230 V (±1,50 V)
D. 230 V (±1,20 V)
Montaż, uruchamianie i konser…
Na której ilustracji przedstawiono symbol graficzny przewodu neutralnego?

A. Na ilustracji 3.
B. Na ilustracji 2.
C. Na ilustracji 1.
D. Na ilustracji 4.
ELE.05 Pytanie 1255
Eksploatacja maszyn, urządzeń…
Jakie jest minimalne natężenie prądu wymagane do pomiaru ciągłości przewodu ochronnego?
A. 100 mA
B. 400 mA
C. 500 mA
D. 200 mA
Eksploatacja maszyn, urządzeń…
Jakie czynności związane z eksploatacją instalacji elektrycznych powinny być realizowane jedynie na podstawie pisemnego zlecenia?
A. Eksploatacyjne, które mogą prowadzić do szczególnego zagrożenia dla życia i zdrowia ludzi
B. Związane z ratowaniem życia i zdrowia ludzi
C. Dotyczące zabezpieczania instalacji przed uszkodzeniem
D. Eksploatacyjne, wskazane w instrukcjach stanowiskowych i realizowane przez uprawnione osoby
Montaż, uruchamianie i konser…
Który osprzęt przedstawiono na ilustracji?

A. Mufy przelotowe.
B. Dławnice.
C. Kapturki termokurczliwe.
D. Złączki skrętne.
ELE.02 Pytanie 1258
Montaż, uruchamianie i konser…
Którą z wymienionych czynności należy wykonać podczas oględzin instalacji elektrycznej?
A. Poprawić mocowanie przewodów w urządzeniach elektrycznych.
B. Sprawdzić wizualnie osprzęt, zabezpieczenia i środki ochrony przeciwporażeniowej.
C. Zmierzyć rezystancję izolacji przewodów.
D. Wymienić wyłącznik różnicowoprądowy w rozdzielnicy.
ELE.05 Pytanie 1259
Eksploatacja maszyn, urządzeń…
Na podstawie charakterystyki M = f(s) silnika indukcyjnego przedstawionej na rysunku, określ przedział poślizgu dla pełnego zakresu pracy stabilnej maszyny.

A. s3 ÷ s4
B. 0 ÷ s1
C. 0 ÷ s3
D. s2 ÷ s4
Montaż, uruchamianie i konser…
Które źródło światła przedstawiono na rysunku?

A. Świetlówkę kompaktową.
B. Żarówkę wolframową.
C. Lampę neonową.
D. Żarówkę halogenową.
Eksploatacja maszyn, urządzeń…
Jednym z kryteriów oceny jakości eksploatacyjnej maszyn elektrycznych jest użyteczność, do której nie należy
A. łatwość naprawcza.
B. koszt eksploatacji.
C. bezpieczeństwo obsługi.
D. łatwość obsługowa.
Montaż, uruchamianie i konser…
Który z wymienionych przełączników instalacyjnych służy do kontrolowania dwóch sekcji źródeł światła w żyrandolu?
A. Schodowy
B. Krzyżowy
C. Świecznikowy
D. Dwubiegunowy
ELE.05 Pytanie 1263
Eksploatacja maszyn, urządzeń…
W silniku odkurzacza po wyjęciu z obudowy i załączeniu pełnego napięcia w serwisie zauważono zmniejszone obroty i iskrzenie na komutatorze. Na podstawie zamieszczonej tabeli wskaż, prawidłową kolejność czynności przy wykrywaniu i naprawie uszkodzenia w silniku odkurzacza.
| Czynność | |
|---|---|
| 1 | demontaż elementów silnika |
| 2 | próbne uruchomienie silnika przy zmniejszonym napięciu i doszlifowanie szczotek |
| 3 | sprawdzenie długości szczotek i ich prawidłowego docisku do komutatora |
| 4 | wykonanie badania na obecność zwarć w wirniku |
| 5 | wymiana uszkodzonych podzespołów |
| 6 | montaż podzespołów silnika |
A. 4, 1, 5, 3, 6, 2
B. 1, 4, 3, 5, 2, 6
C. 3, 1, 4, 5, 6, 2
D. 3, 4, 2, 1, 5, 6
Montaż, uruchamianie i konser…
Schemat jakiego łącznika instalacyjnego przedstawiono na rysunku?

A. Hotelowego.
B. Krzyżowego.
C. Schodowego.
D. Świecznikowego.
Montaż, uruchamianie i konser…
Który osprzęt przedstawiono na zdjęciu?

A. Złączki skrętne.
B. Kapturki termokurczliwe.
C. Dławnice.
D. Mufy przelotowe.
ELE.05 Pytanie 1266
Eksploatacja maszyn, urządzeń…
Zatrzymanie pracy grzejnika skutkuje natychmiastowym działaniem zabezpieczenia nadprądowego. Co to sugeruje?
A. zwarcie przewodu fazowego oraz neutralnego
B. uszkodzenie w przewodzie fazowym
C. zwarcie przewodu ochronnego z obudową
D. uszkodzenie w grzałce
Eksploatacja maszyn, urządzeń…
Którym z wymienionych łączników można zastąpić uszkodzony łącznik schodowy, aby zachować funkcjonalność instalacji?

A. Jednobiegunowym.
B. Świecznikowym.
C. Krzyżowym.
D. Dwubiegunowym.
ELE.05 Pytanie 1268
Eksploatacja maszyn, urządzeń…
Między którymi z podanych kombinacji przewodów należy wymusić prąd różnicowy, aby sprawdzić poprawność działania trójfazowego wyłącznika różnicowoprądowego?

A. L1 i PE
B. L1 i N
C. L1 i L2
D. L1 i L3
ELE.05 Pytanie 1269
Eksploatacja maszyn, urządzeń…
Na wartość impedancji pętli zwarcia w systemie sieciowym TN-C mają wpływ
A. wytrzymałość napięciowa izolacji przewodów
B. rodzaj zamontowanych ochronników przeciwprzepięciowych
C. pole przekroju poprzecznego żył przewodów
D. liczba zamontowanych ochronników przeciwprzepięciowych
ELE.02 Pytanie 1270
Montaż, uruchamianie i konser…
Zmywarka, która jest na stałe zainstalowana, powinna być podłączona do obwodu
A. zasilającego gniazdka w łazience oraz kuchni
B. oddzielnego dla zmywarki
C. oddzielnego dla urządzeń gospodarstwa domowego
D. zasilającego gniazdka jedynie w kuchni
Montaż, uruchamianie i konser…
Które z podanych narzędzi nie jest potrzebne do zamontowania listew elektroinstalacyjnych na ścianach z użyciem kołków rozporowych?
A. Piła do metalu
B. Ściągacz izolacji
C. Poziomnica
D. Młotek
Montaż, uruchamianie i konser…
Na rysunku przedstawiono schemat

A. programowalnego przełącznika czasowego.
B. łącznika zmierzchowego.
C. wyłącznika różnicowoprądowego.
D. wyłącznika schodowego.
Eksploatacja maszyn, urządzeń…
Jaki stopień ochrony powinny mieć oprawy oświetleniowe w silnie zapylonych pomieszczeniach?
A. IP3X
B. IP4X
C. IP2X
D. IP5X
Montaż, uruchamianie i konser…
Przewód zastosowany na odcinku obwodu elektrycznego wskazanym strzałką powinien mieć żyły o izolacjach w kolorze

A. żółtozielonym i czarnym lub brązowym.
B. tylko czarnym lub brązowym.
C. żółtozielonym, niebieskim i czarnym lub brązowym.
D. niebieskim i czarnym lub brązowym.
Montaż, uruchamianie i konser…
Na którym rysunku przedstawiono prawidłowy schemat sterowania oświetleniem z dwóch niezależnych miejsc?

A. B.
B. D.
C. A.
D. C.
Eksploatacja maszyn, urządzeń…
Jaki parametr silnika elektrycznego można zmierzyć mostkiem tensometrycznym, którego schemat ideowy zamieszczono na rysunku?

A. Moment obrotowy.
B. Prędkość obrotową.
C. Położenie kątowe wału.
D. Temperaturę uzwojeń.
ELE.02 Pytanie 1277
Montaż, uruchamianie i konser…
Stosując kryterium obciążalności prądowej, dobierz przewód kabelkowy o najmniejszym przekroju żył miedzianych do wykonania trójfazowej instalacji wtynkowej w układzie TN-S, która jest zabezpieczona wyłącznikiem instalacyjnym z oznaczeniem B16.
| Przekrój przewodu mm² | Jeden lub kilka kabli 1-żyłowych ułożonych w rurze | Kilka kabli np.: przewody płaszczowe, rurowe, wtynkowe | Pojedynczy w powietrzu, przy czym odstęp odpowiada przynajmniej średnicy kabla | |||
|---|---|---|---|---|---|---|
| Żyła Cu A | Żyła Al A | Żyła Cu A | Żyła Al A | Żyła Cu A | Żyła Al A | |
| 0,75 | - | - | 12 | - | 15 | - |
| 1,0 | 11 | - | 15 | - | 19 | - |
| 1,5 | 15 | - | 18 | - | 24 | - |
| 2,5 | 20 | 15 | 26 | 20 | 32 | 26 |
| 4 | 25 | 20 | 34 | 27 | 42 | 33 |
| 6 | 33 | 26 | 44 | 35 | 54 | 42 |
A. YDY 5x1,5 mm2
B. YDY 5x1 mm2
C. YDY 5x2,5 mm2
D. YADY 5x4 mm2
Eksploatacja maszyn, urządzeń…
W pomieszczeniu, w którym ma powstać pralnia chemiczna należy zmodernizować instalację elektryczną. Którą z przedstawionych na rysunkach opraw oświetleniowych można tam zamontować?

A. A.
B. D.
C. B.
D. C.
ELE.02 Pytanie 1279
Montaż, uruchamianie i konser…
Który z przedstawionych wyłączników należy zastosować do wykrywania prądów różnicowych przemiennych o zwiększonej częstotliwości, zawierających wyższe harmoniczne w układach energoelektronicznych?

A. C.
B. B.
C. D.
D. A.
Montaż, uruchamianie i konser…
Właściciel lokalu w budynku wielorodzinnym, zasilanym z trójfazowej sieci elektrycznej, skarży się na znacznie częstsze od sąsiadów przepalanie żarówek. Jakie mogą być przyczyny tej usterki?
A. Zamiana przewodu neutralnego z fazowym
B. Poluzowany przewód neutralny w głównym złączu budynku
C. Zamiana przewodu neutralnego z ochronnym
D. Poluzowany przewód neutralny w rozdzielnicy mieszkaniowej