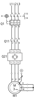
Do realizacji układu przedstawionego na schemacie należy zastosować stycznik Q17 z następującą liczbą i rodzajem zestyków:



| Pomiar pomiędzy końcami żył | Rezystancja Ω |
|---|---|
| L1.1 – L1.2 | 0 |
| L2.1 – L2.2 | 0 |
| L3.1 – L3.2 | 0 |
| N.1 – N.2 | 0 |
| PE.1 – PE.2 | ∞ |
| L1.1 – L2.1 | ∞ |
| L1.1 – L3.1 | ∞ |
| L1.1 – N.1 | ∞ |
| L1.1 – PE.1 | ∞ |
| N.1 – PE.1 | ∞ |
| N.1 – L2.1 | ∞ |
| N.1 – L3.1 | 0 |



| Wyłącznik | Oznaczenie |
|---|---|
| A. | BPC 425/030 4P AC |
| B. | BDC 225/030 2P AC |
| C. | BPC 425/100 4P AC |
| D. | BDC 440/030 4P AC |







Silnik 3~ Typ MAS063-2BA90-Z
0,25 kW 0,69 A Izol. F
IP 54 2755 obr/min cosφ 0,81
400 V (Y) 50 Hz







