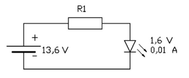
Odpowiedź 1,2 kΩ jest prawidłowa, ponieważ rezystor Rl jest odpowiedzialny za ograniczenie prądu do wartości 0,01 A, co jest kluczowe dla prawidłowego działania diody. Przykładowo, w przypadku diod LED, ich maksymalne natężenie prądu powinno być ściśle kontrolowane, aby uniknąć ich uszkodzenia. W obwodach elektronicznych stosujemy prawo Ohma, które definiuje związek między napięciem (V), natężeniem prądu (I) i rezystancją (R). Wzór V = I * R pozwala obliczyć, że przy napięciu zasilania wynoszącym 12 V, odpowiedni rezystor Rl o wartości 1,2 kΩ jest w stanie ograniczyć prąd do żądanej wartości. Zastosowanie odpowiedniego rezystora jest zgodne z najlepszymi praktykami w projektowaniu obwodów elektronicznych, gdzie precyzyjne ograniczenie prądu jest kluczowe dla niezawodności i trwałości komponentów. Dodatkowo, warto znać metody obliczania rezystancji w obwodach szeregowych i równoległych, co może być przydatne w bardziej złożonych projektach.
Wybór odpowiedzi 120,0 kΩ, 12,0 kΩ lub 1 200,0 kΩ wskazuje na nieprawidłowe zrozumienie zasad działania obwodów elektrycznych oraz roli rezystorów w ograniczaniu prądu. Przede wszystkim, zbyt wysoka rezystancja spowoduje, że natężenie prądu przez diodę będzie zbyt małe, co skutkuje jej niewłaściwym działaniem. Na przykład, jeśli zastosujemy rezystor o wartości 120,0 kΩ, prąd przez diodę będzie znikomy, co nie pozwoli na jej prawidłowe zaświecenie, a w przypadku diody LED, może to prowadzić do braku świecenia całkowicie. Z drugiej strony, zbyt niska rezystancja, jak 1 200,0 kΩ, spowoduje zbyt duży prąd, co może doprowadzić do uszkodzenia diody. Takie błędne obliczenia mogą wynikać z braku znajomości prawa Ohma, które jest fundamentalne w elektrotechnice. Dlatego konieczne jest zrozumienie, że dobór odpowiedniej wartości rezystora jest kluczowy dla stabilności całego układu. Użytkownicy często popełniają błąd, nie uwzględniając napięcia zasilania oraz charakterystyki diody, co prowadzi do niepoprawnych oszacowań rezystancji. Zastosowanie praktycznych przykładów oraz przeprowadzenie kalkulacji w oparciu o rzeczywiste wartości napięcia i prądu, pomoże uniknąć tych powszechnych pułapek w projektowaniu obwodów elektronicznych.