Filtrowanie pytań
Montaż i eksploatacja instala…
A. naziemnej.
B. kablowej.
C. dozorowej.
D. satelitarnej.
Montaż i eksploatacja szeroko…
W transmisji światłowodowej II okno transmisyjne odpowiada fali świetlnej o długości
A. 1625 nm
B. 850 nm
C. 1550 nm
D. 1310 nm
INF.05 Pytanie 243
Montaż i eksploatacja instala…
Które wyniki pomiarów wykonane w gnieździe abonenckim są prawidłowe dla instalacji telewizji naziemnej?
A. Poziom sygnału 30 dBµV, MER 20 dB
B. Poziom sygnału 95 dBµV, MER 70 dB
C. Poziom sygnału 55 dBµV, MER 28 dB
D. Poziom sygnału 60 dBµV, MER 10 dB
INF.06 Pytanie 244
Montaż i eksploatacja szeroko…
Wskaż kolejność alarmów generowanych przez urządzenia cyfrowych sieci rozległych, uporządkowanych od alarmu najważniejszego do najmniej ważnego.
A. Critical, Major, Minor, Warning
B. Major, Critical, Minor, Warning
C. Critical, Warning, Major, Minor
D. Major, Critical, Warning, Minor
Montaż i eksploatacja instala…
Na którym rysunku przedstawiono złącze typu F kompresyjne?
A. Rysunek 1

B. Rysunek 4

C. Rysunek 2

D. Rysunek 3

INF.05 Pytanie 246
Montaż i eksploatacja instala…
Zmiana wartości impedancji falowej kabla może nastąpić na skutek
A. złego zamontowania anteny.
B. uszkodzenia odbiornika.
C. burzy śnieżnej.
D. uszkodzenia kabla.
Montaż i eksploatacja szeroko…
W wyniku pomiarów łącza światłowodowego uzyskano reflektogram, na którym zdarzenie wskazane strzałką reprezentuje

A. strefę martwą zdarzeniową.
B. spaw łukiem elektrycznym.
C. efekt ducha.
D. złącze rozłączne.
Montaż i eksploatacja szeroko…
Transmisja z podziałem częstotliwości na tzw. kanały o określonej szerokości to transmisja
A. BiDi
B. FDMA
C. WDM
D. WDMA
Montaż i eksploatacja szeroko…
Przedstawione na ilustracji złącze stosowane w infrastrukturze sieci komórkowych oraz w systemach przywoławczych, to złącze typu

A. UHF
B. TNC
C. F
D. N
Montaż i eksploatacja instala…
W przypadku konieczności wyznaczenia trasy prowadzenia kabla światłowodowego zgodnie z układem przedstawionym na rysunku należy zwrócić uwagę, aby w stosunku do parametru kabla określanego w katalogu jako minimalny promień gięcia, odległość X była co najmniej

A. trzykrotnie od niego większa.
B. jemu równa.
C. równa jego połowie.
D. dwukrotnie od niego większa.
Montaż i eksploatacja instala…
Aby wykonać regulację i ustawienie odpowiedniego poziomu sygnału telewizyjnego, należy miernik podłączyć do gniazda
A. filtra pasmowego w szafie serwerowej.
B. abonenckiego.
C. antenowego.
D. wzmacniacza w szafie serwerowej.
Montaż i eksploatacja instala…
Aby wykonać regulację i ustawienie odpowiedniego poziomu sygnału telewizyjnego, należy miernik podłączyć do gniazda
A. abonenkiego.
B. wzmacniacza w szafie serwerowej.
C. antenowego.
D. filtra pasmowego w szafie serwerowej.
INF.05 Pytanie 253
Montaż i eksploatacja instala…
Które wyniki pomiarów wykonane w gnieździe abonenckim są prawidłowe dla instalacji telewizji naziemnej?
A. Poziom sygnału 55 dBμV, MER 28 dB
B. Poziom sygnału 30 dBμV, MER 20 dB
C. Poziom sygnału 60 dBμV, MER 10 dB
D. Poziom sygnału 95 dBμV, MER 70 dB
INF.06 Pytanie 254
Montaż i eksploatacja szeroko…
Separator galwaniczny jest montowany w sieci HFC, między innymi w celu zmniejszenia w transmitowanych sygnałach
A. zniekształceń CTB.
B. szumów.
C. prądów wyrównawczych uziemień.
D. zniekształceń CSO.
Montaż i eksploatacja szeroko…
Testowanie poprawności odwzorowania i zwielokrotniania w sieciach szerokopasmowych sprowadza się do określenia bitowej stopy błędów, która dla pojedynczego urządzenia nie powinna być większa niż
A. 10⁻¹⁴ ÷ 10⁻¹³
B. 10⁻¹² ÷ 10⁻¹¹
C. 10⁻¹⁵ ÷ 10⁻¹⁴
D. 10⁻¹³ ÷ 10⁻¹²
Montaż i eksploatacja instala…
Przedstawiony na rysunku plastikowy kołek montażowy przeznaczony jest do przymocowania elementu konstrukcyjnego do ściany wykonanej z

A. desek drewnianych.
B. otynkowanej cegły.
C. płyty kartonowo-gipsowej.
D. płyty OSB.
Montaż i eksploatacja instala…
Które narzędzie należy zastosować do wymiany uszkodzonego wtyku typu F kompresyjnego?
A. Narzędzie 1

B. Narzędzie 4

C. Narzędzie 3

D. Narzędzie 2

Montaż i eksploatacja szeroko…
Miara jakości transmisji w szerokopasmowych sieciach analogowych jest
A. odstęp sygnału od szumu.
B. elementowa stopa błędów.
C. poziom szumu w kanale.
D. moc sygnału odebranego.
Montaż i eksploatacja szeroko…
Na wejście wzmacniacza optycznego podano sygnał o mocy 0,1 mW, a na jego wyjściu uzyskano sygnał o mocy 10 mW. Oznacza to, że wzmocnienie tego wzmacniacza wyrażone w decybelach wynosi
A. 1
B. 10
C. 100
D. 1000
Montaż i eksploatacja szeroko…
W dokumentacji technicznej okablowania pomieszczenia znajduje się opis MMF 50/125, który wskazuje na kabel teleinformatyczny zawierający włókno światłowodowe
A. wielomodowe o średnicy rdzenia 50 μm i średnicy płaszcza 125 μm
B. jednomodowe o średnicy rdzenia 50 μm i średnicy płaszcza 125 μm
C. jednomodowe o średnicy rdzenia 125 μm i średnicy płaszcza 50 μm
D. wielomodowe o średnicy rdzenia 125 μm i średnicy płaszcza 50 μm
Montaż i eksploatacja szeroko…
Który z wymienionych poziomów mocy optycznej na wejściu odbiornika uznaje się za optymalny ze względu na odstęp sygnału zarówno od szumów jak i od zniekształceń?
A. 5 dB
B. 10 dB
C. -10 dB
D. 0 dB
Montaż i eksploatacja szeroko…
Która z wymienionych zestawów par urządzeń jest wystarczająca do wykonania kolejno z obu stron, pomiaru tłumienia toru światłowodowego?
A. Dwa mierniki mocy optycznej.
B. Jeden reflektometr oraz rozbiegówka.
C. Dwa reflektometry optyczne.
D. Jedno źródło światła oraz jeden miernik mocy optycznej.
Montaż i eksploatacja szeroko…
Którym akronimem określa się wykorzystywaną w sieciach telewizji kablowej usługę telewizji na żądanie?
A. VoD
B. BTV
C. IMS
D. Centrex
Montaż i eksploatacja instala…
Współczynnik błędu modulacji MER w gnieździe abonenckim TV naziemnej jest określany w jednostce
A. mV
B. mA
C. kW
D. dB
Montaż i eksploatacja szeroko…
W przypadku zbyt wysokiego poziomu sygnału w instalacjach sieci szerokopasmowych należy zastosować
A. repeater.
B. tłumik międzystopniowy.
C. wzmacniacz kanałowy.
D. symetryzator.
Montaż i eksploatacja instala…
W którym miejscu należy zamontować abonencki ochronnik przeciwprzepięciowy by ochronić całą instalację zbiorczą DVB-T?
A. Bezpośrednio przy antenie.
B. Przed pierwszym urządzeniem aktywnym.
C. Przed każdym tłumikiem.
D. Przed zwrotnicą.
Montaż i eksploatacja szeroko…
Która z wymienionych topologii sieci rozległych odpowiada przedstawionemu opisowi?
„Urządzenia sieciowe można połączyć w układzie zamkniętym za pomocą jednego nośnika informacji. Okablowanie nie posiada żadnych zakończeń, a pomiędzy urządzeniami można stosować różnego typu łącza np. radiolinię bądź światłowód”
A. Drzewa.
B. Pierścienia.
C. Gwiazd.
D. Magistrali.
Montaż i eksploatacja szeroko…
Którą z usług należy przypisać do abonenta sieci szerokopasmowej, aby umożliwić mu korzystanie z materiałów audio bądź wideo w wybranym przez niego czasie, późniejszym niż czas emisji?
A. IMS
B. BTV
C. Centrex
D. VoD
Montaż i eksploatacja szeroko…
Programem komputerowym przeznaczonym do analizy ruchu w sieci jest
A. ConfigMan
B. Workbench
C. Wireshark
D. CloEDIT
Montaż i eksploatacja szeroko…
Transmisja sygnałów w kierunku do abonenta w kablu koncentrycznym wykorzystuje zwielokrotnianie
A. długości fali.
B. kodowe.
C. czasowe.
D. częstotliwościowe.
Montaż i eksploatacja szeroko…
Którą topologię selektywnej sieci WDM przedstawiono na rysunku?

A. Pierścienia.
B. Gwiazd.
C. Drzewa.
D. Łańcucha.
Montaż i eksploatacja szeroko…
W kanale zwrotnym sieci szerokopasmowej jest wymagane stosowanie modulacji odpornych na zakłócenia, do których zalicza się modulację
A. DPCM
B. BPSK
C. FM
D. AM
Montaż i eksploatacja instala…
Jeżeli w instalacji telewizyjnej należy wymienić uszkodzoną zwrotnicę połączoną do anten przez wzmacniacze instalowane bezpośrednio przy antenach, to należy zwrócić szczególną uwagę na to, aby nowa zwrotnica bezwzględnie
A. posiadała dodatkowe gniazdo zasilania dla wzmacniacza.
B. umożliwiała przepływ prądu stałego pomiędzy wejściem i wyjściem.
C. była wyposażona w wyłącznik zasilania wzmacniacza.
D. blokowała przepływ prądu stałego pomiędzy wejściem i wyjściem.
Montaż i eksploatacja szeroko…
Sieć HFC zbudowana jest z kabli
A. wyłącznie koncentrycznych.
B. wyłącznie światłowodowych.
C. światłowodowych i koncentrycznych.
D. światłowodowych i typu skrętka.
Montaż i eksploatacja szeroko…
Patchord światłowodowy jednomodowy oznacza się kolorem
A. żółtym.
B. zielono - brązowym.
C. zielonym.
D. żółto - zielonym.
Montaż i eksploatacja szeroko…
Na której ilustracji przedstawiono kabel światłowodowy?
A. Na ilustracji 4.

B. Na ilustracji 1.

C. Na ilustracji 3.

D. Na ilustracji 2.

Montaż i eksploatacja instala…
Aby przymocować maszt antenowy do komina, należy użyć
A. śrub na przewierconym na wylot kominie.
B. kołków o długości 100 mm.
C. taśm obejmujących komin.
D. gwoździ o długości 100 mm.
Montaż i eksploatacja szeroko…
Którego z wymienionych urządzeń dotyczy zamieszczona w tabeli specyfikacja techniczna?
| Parametr | Opis | |
|---|---|---|
| Calibration wavelengths | 850 nm, 1310 nm, 1550 nm, 1625 nm | |
| Detector type | GaAs | |
| Measurement range | +6 dBm to -60 dBm | |
| Accuracy | ±0,25 dB | |
| Measurement units | dBm or dB | |
| Adapter caps | ST, SC, FC | |
| Operating temperature | -10ºC to 50ºC | |
A. Spawarki światłowodowej.
B. Analizatora widma.
C. Reflektometru optycznego.
D. Miernika mocy optycznej.
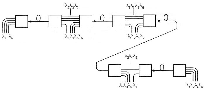
Montaż i eksploatacja szeroko…
Przedstawiona na ilustracji technika multipleksacji sygnałów w sieciach rozległych nazywana jest zwielokrotnianiem w dziedzinie

A. czasu.
B. kodu.
C. długości fali świetlnej.
D. częstotliwości.
INF.05 Pytanie 280
Montaż i eksploatacja instala…
Podczas konserwacji instalacji telewizyjnej pomiar parametrów instalacji antenowej DVB-T wymaga sprawdzenia
A. izolacji kabla.
B. bitowej stopy błędów.
C. długości kabla.
D. rezystancji kabla.