Filtrowanie pytań
Eksploatacja i konfiguracja o…
A. CA (Centrala Abonencka)
B. NTP (Network Termination Point)
C. TE (Terminal Equipment)
D. POTS (Plain Old Telephone Service)
Eksploatacja i konfiguracja o…
Którymi złączami jest zakończony patchcord światłowodowy przedstawiony na rysunku?

A. SC
B. ST
C. LC
D. FC
Montaż i konfiguracja lokalny…
Przynależność komputera do danej sieci wirtualnej nie może być ustalana na podstawie
A. numeru portu przełącznika
B. adresu MAC karty sieciowej komputera
C. nazwa komputera w sieci lokalnej
D. znacznika ramki Ethernet 802.1Q
Montaż i konfiguracja lokalny…
Podczas analizy ruchu sieciowego z użyciem sniffera zaobserwowano, że urządzenia komunikują się za pośrednictwem portów
20 oraz 21. Można stwierdzić, przy założeniu standardowej konfiguracji, że monitorowanym protokołem jest protokół
A. SSH
B. SMTP
C. FTP
D. DHCP
Montaż i konfiguracja lokalny…
W Active Directory, zbiór składający się z jednej lub wielu domen, które dzielą wspólny schemat oraz globalny katalog, określa się mianem
A. siatką
B. lasem
C. gwiazdą
D. liściem
Eksploatacja i konfiguracja o…
Jaką przepływność ma kanał typu D w ISDN PRA?
A. 64 kbps
B. 16 kbps
C. 64 Mbps
D. 16 Mbps
Eksploatacja i konfiguracja o…
Jakiego rodzaju licencji używa się do przypisania oprogramowania wyłącznie do jednego, określonego zestawu komputerowego?
A. BOX
B. GNU GPL
C. CPL
D. OEM
Montaż i konfiguracja lokalny…
Jakie oprogramowanie do wirtualizacji jest dostępne jako rola w systemie Windows Server 2019?
A. Hyper-V
B. Virtual PC
C. Virtual Box
D. VMware
Eksploatacja i konfiguracja o…
Klient podpisał umowę z dostawcą usług internetowych na czas 1 roku. Miesięczna stawka abonamentowa ustalona została na 20 zł brutto, jednak w ramach promocji, przez pierwsze dwa miesiące została zmniejszona do 8 zł brutto. Jak obliczyć średni miesięczny koszt korzystania z Internetu w ramach abonamentu w ciągu 1 roku?
A. 21 zł
B. 20 zł
C. 18 zł
D. 16 zł
Montaż i konfiguracja lokalny…
Jakie znaczenie ma zapis /26 w adresie IPv4 192.168.0.0/26?
A. Liczba bitów o wartości 1 w adresie
B. Liczba bitów o wartości 0 w masce
C. Liczba bitów o wartości 0 w adresie
D. Liczba bitów o wartości 1 w masce
Eksploatacja i konfiguracja o…
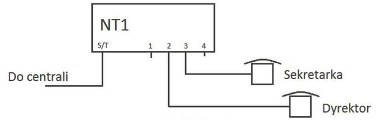
Z centralką PAX nie jest możliwe połączenie ze
A. telefonem analogowym
B. scannerem z interfejsem RS
C. bramofonem (domofonem)
D. drukarką z interfejsem RS
Montaż i konfiguracja lokalny…
Urządzenie warstwy dystrybucji, które odpowiada za połączenie odrębnych sieci oraz zarządzanie przepływem danych między nimi, nazywane jest
A. koncentratorem
B. przełącznikiem
C. serwerem
D. routerem
Eksploatacja i konfiguracja o…
Iloczyn izotropowego zysku anteny oraz mocy wejściowej, zredukowanej o tłumienie kabla pomiędzy nadajnikiem a anteną, określa się jako
A. sprawnością anteny
B. zastępczą mocą promieniową źródła izotropowego
C. kierunkowością
D. zyskiem energetycznym anteny izotropowej
Eksploatacja i konfiguracja o…
Jaką antenę należy wybrać, aby uzyskać maksymalny zysk energetyczny przy realizacji bezprzewodowej transmisji typu punkt – punkt?
A. Dookólną
B. Kierunkową
C. Kolinearną
D. Izotropową
Eksploatacja i konfiguracja o…
Jakie kodowanie jest stosowane w linii abonenckiej systemu ISDN BRA?
A. 2B1Q (2 - Binary 1 - Quarternary)
B. CMI (Coded Mark Inversion)
C. AMI (Alternate Mark Inversion)
D. NRZI (Non Return to Zero Inverted)
Eksploatacja i konfiguracja o…
Modowa dyspersja to zjawisko, które występuje
A. w kablu koncentrycznym
B. w światłowodzie jednomodowym
C. w kablu symetrycznym
D. w światłowodzie wielomodowym
Eksploatacja i konfiguracja o…
Który system plików powinien zostać zainstalowany na komputerze, jeśli istnieje konieczność ochrony danych na poziomie plików i folderów?
A. NTFS
B. UDF
C. SWAP
D. FAT32
Eksploatacja i konfiguracja o…
Przedstawiony na rysunku układ scalony to transoptor

A. z wyjściem Darlingtona.
B. z wyjściem tranzystorowym.
C. z wyjściem triakowym.
D. analogowy z fotodiodą.
Eksploatacja i konfiguracja o…
Średni czas dostępu to miara czasu
A. uruchamiania systemu operacyjnego
B. wyszukiwania danych na dysku twardym
C. wyszukiwania informacji w wyszukiwarce internetowej
D. uruchamiania dysku twardego
Eksploatacja i konfiguracja o…
Klient zażądał zwiększenia pamięci RAM w komputerze o 2 GB w dwóch modułach po 1 GB oraz zainstalowania nagrywarki DVD. Koszt jednego modułu pamięci o pojemności 1 GB wynosi 98 zł, a nagrywarki 85 zł. Całkowita opłata za usługę serwisową związana z rozszerzeniem pamięci wynosi 30 zł, natomiast za zamontowanie nagrywarki DVD 50 zł. Oblicz łączny koszt modernizacji komputera. Wszystkie podane ceny są cenami brutto.
A. 263 zł
B. 361 zł
C. 391 zł
D. 446 zł
Eksploatacja i konfiguracja o…
Jaki system sygnalizacji jest wykorzystywany w dostępie abonenckim ISDN?
A. RI
B. DSSI
C. R2
D. SS7
Eksploatacja i konfiguracja o…
Który z poniższych komunikatów nie jest obecny w pierwotnej wersji protokołu zarządzania siecią SNMPv1 (Simple Network Management Protocol)?
A. Response
B. Get
C. Inform
D. Trap
Montaż i konfiguracja lokalny…
Internet Relay Chat (IRC) to protokół wykorzystywany do
A. przesyłania wiadomości na forum dyskusyjnym
B. realizacji czatów za pomocą interfejsu tekstowego
C. wysyłania wiadomości e-mail
D. transmisji dźwięku przez sieć
Montaż i konfiguracja lokalny…
Jakie jest IP sieci, w której funkcjonuje host o adresie 192.168.176.125/26?
A. 192.168.176.0
B. 192.168.176.192
C. 192.168.176.64
D. 192.168.176.128
Eksploatacja i konfiguracja o…
Jakiego rodzaju sygnalizacja jest używana w systemie PCM 30/32?
A. W szczelinie skojarzonej z kanałem
B. Poza szczeliną we wspólnym kanale
C. W szczelinie we wspólnym kanale
D. Poza szczeliną skojarzoną z kanałem
Eksploatacja i konfiguracja o…
Która technika archiwizacji polega na przechowywaniu w pamięci komputera plików, które zostały zmodyfikowane od czasu ostatniej pełnej kopii zapasowej?
A. Kopia różnicowa
B. Kopia cykliczna
C. Kopia przyrostowa
D. Kopia pojedyncza
Eksploatacja i konfiguracja o…
Jakie funkcje pełni blok MSC (ang. Mobile Switching Center) w sieci GSM?
A. Zarządzanie rejestrem własnych abonentów
B. Utrzymywanie bazy danych zawierającej numery urządzeń
C. Prowadzenie rejestru abonentów odwiedzających
D. Zestawianie, rozłączanie oraz nadzorowanie połączenia
Eksploatacja i konfiguracja o…
Który element centrali telefonicznej pozwala na fizyczne zestawienie połączeń pomiędzy łączami podłączonymi do węzła komutacyjnego?
A. Zespół serwisowy
B. Pole komutacyjne
C. Główna przełącznica
D. Sterownik
Montaż i konfiguracja lokalny…
Na serwerze Windows została włączona usługa DHCP. W trakcie testowania sieci zauważono, że niektóre stacje robocze odbierają adresy IP spoza puli, która została określona w usłudze. Co może być tego przyczyną?
A. Sieć LAN jest przeciążona
B. Na serwerze zostały nieprawidłowo ustawione opcje zapory sieciowej
C. Interfejsy sieciowe na komputerach klienckich mają wyłączoną autokonfigurację
D. W sieci działa inny, dodatkowy serwer DHCP
Eksploatacja i konfiguracja o…
Jakie jest obciążenie łącza, jeśli wartość Erlanga wynosi 0,25?
A. 45 minut
B. 35 minut
C. 25 minut
D. 15 minut
Eksploatacja i konfiguracja o…
Ruter otrzymał pakiet danych skierowany do hosta o adresie IP 131.104.14.130/25. W jakiej sieci znajduje się ten host?
A. 131.104.14.192
B. 131.104.14.128
C. 131.104.14.64
D. 131.104.14.32
Eksploatacja i konfiguracja o…
Na podstawie oferty cenowej pewnej telefonii satelitarnej zaproponuj klientowi, dzwoniącemu średnio 1 000 minut miesięcznie, najtańszą taryfę.
| Plany taryfowe | Taryfa A | Taryfa B | Taryfa C | Taryfa D |
| Taryfa miesięczna | 50 € | 100 € | 250 € | 300 € |
| Pakiet tanszych minut | 100/m | 200/m | 800/m | 1 000/m |
| Opłata za minutę w pakiecie | 0,70 € | 0,50 € | 0,30 € | 0,20 € |
| Opłata za dodatkowe minuty | 1,50 € | 1,00 € | 0,50 € | 0,40 € |
A. Taryfa A
B. Taryfa C
C. Taryfa D
D. Taryfa B
Eksploatacja i konfiguracja o…
Jaką maksymalną liczbę hostów można przydzielić w sieci z prefiksem /26?
A. 254 hosty
B. 26 hostów
C. 510 hostów
D. 62 hosty
Eksploatacja i konfiguracja o…
Aby obliczyć binarną przepustowość systemu plezjochronicznego El, należy
A. podzielić wartość binarnej przepustowości sygnału E4 przez 64
B. podzielić wartość binarnej przepustowości sygnału E2 przez 8
C. pomnożyć częstotliwość próbkowania przez liczbę bitów w jednej szczelinie oraz przez liczbę szczelin czasowych
D. pomnożyć dolną częstotliwość pasma przez liczbę szczelin czasowych i przez liczbę bitów w jednej szczelinie
Eksploatacja i konfiguracja o…
Przetwornik A/C o rozdzielczości 8 bitów zamienia próbkę sygnału na jedną liczbę
A. ze 128 wartości liczbowych
B. z 512 wartości liczbowych
C. z 1024 wartości liczbowych
D. z 256 wartości liczbowych
Eksploatacja i konfiguracja o…
W celu ochrony urządzeń teleinformatycznych przed nagłymi skokami napięcia wykorzystuje się
A. bezpiecznik
B. wyłącznik różnicowoprądowy
C. ogranicznik przepięć
D. wyłącznik nadprądowy
Eksploatacja i konfiguracja o…
Oblicz, według podanej taryfy, wysokość miesięcznego rachunku abonenta, który wysłał 100 SMS-ów, 20 MMS-ów i rozmawiał 10 minut.
| Uwaga! Wszystkie ceny zawierają podatek VAT | |
| Abonament | 25 zł |
| Minuta do wszystkich sieci | 0,49 zł |
| MMS | 0,20 zł |
| SMS | 0,15 zł |
| Taktowanie połączeń | 1s/1s |
A. 59,66 zł
B. 23,90 zł
C. 48,90 zł
D. 29,16 zł
Montaż i konfiguracja lokalny…
W przestawionej na rysunku ramce Ethernet adresem nadawcy i adresem odbiorcy jest
| Bajty | |||||
| 8 | 6 | 6 | 2 | 46 - 1500 | 4 |
| Preambuła | Adres odbiorcy | Adres nadawcy | Typ ramki | Dane | Frame Check Sequence |
A. 6 bajtowy adres IPv4.
B. 32 bitowy adres IPv4.
C. 8 bajtowy adres fizyczny.
D. 48 bitowy adres fizyczny.
Eksploatacja i konfiguracja o…
Który adres docelowy IPv6 nie jest kierowany poza pojedynczy węzeł sieci i nie jest przesyłany przez routery?
A. ::1/128
B. ff00::/8
C. ::/128
D. 2001:db8:0:1::1
Eksploatacja i konfiguracja o…
Reflektometr TDR (Time Domain Reflectometer) służy do
A. analizy natężenia ruchu telekomunikacyjnego
B. lokalizowania uszkodzeń w przewodach z żyłami miedzianymi
C. lokalizowania uszkodzeń w włóknach światłowodowych
D. mierzenia prędkości transmisji sygnałów