Filtrowanie pytań

Wybierz zawód, aby zobaczyć dostępne kwalifikacje

ELM.01 Pytanie 43
Montaż, uruchamianie i obsług…

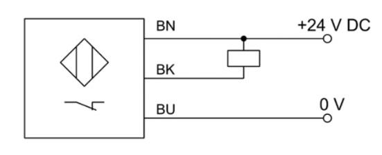
Wskaż stany logiczne wejść I2 i I3 sterownika w układzie przedstawionym na rysunku przy wsuniętym tłoczysku i poprawnej pracy czujników.

Ilustracja do pytania 3
A. I2 = 0, I3 = 0
B. I2 = 1, I3 = 1
C. I2 = 0, I3 = 1
D. I2 = 1, I3 = 0
Montaż, uruchamianie i obsług…

Którego z przedstawionych na rysunkach mierników należy użyć w celu sprawdzenia poprawności wskazań sygnału wyjściowego +Q1 analogowego łącznika krańcowego?

Ilustracja do pytania 4
A. Miernik 2
Ilustracja do odpowiedzi A
B. Miernik 4
Ilustracja do odpowiedzi B
C. Miernik 1
Ilustracja do odpowiedzi C
D. Miernik 3
Ilustracja do odpowiedzi D
ELM.01 Pytanie 45
Montaż, uruchamianie i obsług…

W jaki sposób należy ustawić separator dla toru pomiarowego czujnika 0÷100°C/0÷20 mA dla wejścia sterownika PLC 0÷20 mA?

Ilustracja do pytania 5
A. input SW1 - 01011010, output SW2 - 1001
B. input SW1 - 10001100, output SW2 - 0000
C. input SW1 - 01001001, output SW2 - 0000
D. input SW1 - 01011010, output SW2 - 0110
Montaż, uruchamianie i obsług…

Do pomiaru temperatury w systemie automatyki użyto elementów oznaczonych jako Pt100 z przetwornikami pomiarowymi posiadającymi sygnał wyjściowy 4 ÷ 20 mA. Oznacza to, że w urządzeniu pomiarowym zastosowano czujniki

A. bimetalowe.
B. rezystancyjne metalowe.
C. termoelektryczne.
D. rezystancyjne półprzewodnikowe.
Montaż, uruchamianie i obsług…

Który przyrząd należy zastosować, aby zmierzyć z dokładnością 0,1 mm otwory o średnicy φ10 wykonane pod montaż czujników indukcyjnych?

A. Czujnik zegarowy.
B. Suwmiarkę uniwersalną.
C. Przymiar kreskowy.
D. Mikrometr zewnętrzny.
Montaż, uruchamianie i obsług…

W jaki sposób należy ustawić separator dla toru pomiarowego czujnika 0-100 ºC/0-20 mA dla wejścia sterownika PLC 0-20 mA?

Ilustracja do pytania 14
A. input SW1 - 01001001, output SW2 - 0000.
B. input SW1 - 01011010, output SW2 - 1001.
C. input SW1 - 10001100, output SW2 - 0000.
D. input SW1 - 01011010, output SW2 - 0110.
ELM.01 Pytanie 55
Montaż, uruchamianie i obsług…

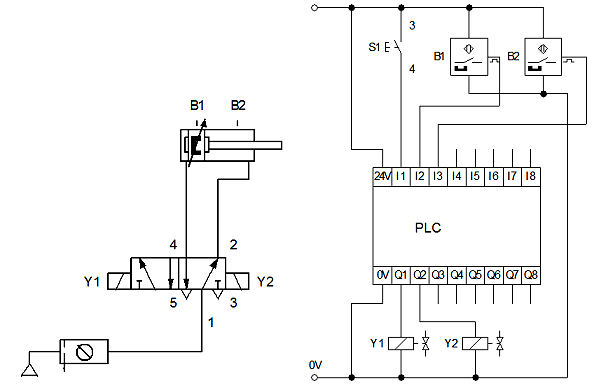
Urządzenie połączone ze sterownikiem PLC, oznaczone ADMC-1801 pełni w układzie przedstawionym na rysunku funkcję

Ilustracja do pytania 15
A. zasilacza sterownika PLC.
B. modułu wejściowego.
C. modułu wyjściowego.
D. interfejsu komunikacyjnego.
Montaż, uruchamianie i obsług…

Do pomiaru temperatury w systemie automatyki użyto elementów oznaczonych jako Pt100 z przetwornikami pomiarowymi posiadającymi sygnał wyjściowy 4÷20 mA. Oznacza to, że w urządzeniu pomiarowym zastosowano czujniki

A. termoelektryczne.
B. rezystancyjne półprzewodnikowe.
C. rezystancyjne metalowe.
D. bimetalowe.
ELM.01 Pytanie 60
Montaż, uruchamianie i obsług…

Urządzenie połączone ze sterownikiem PLC, oznaczone ADMC-1801, pełni w układzie przedstawionym na rysunku funkcję

Ilustracja do pytania 20
A. interfejsu komunikacyjnego.
B. zasilacza sterownika PLC.
C. modułu wyjściowego.
D. modułu wejściowego.
Montaż, uruchamianie i obsług…

Który z czujników należy zamontować w układzie sterowania wyłączarką, jeśli wymagany jest zasięg działania 0,8 ÷ 0,9 mm oraz odporność na wibracje i zmiany temperatury 0 ÷ 90°C?

Ilustracja do pytania 23
A. HPD1408-PK
B. HPD1202-NK
C. HPD1406-NK
D. HPD1204-PK
Montaż, uruchamianie i obsług…

Na podstawie zamieszczonych w tabeli danych katalogowych przetwornika różnicy ciśnień dobierz zakres napięcia zasilania dla prądowego sygnału wyjściowego.

Wybrane dane katalogowe przetwornika różnicy ciśnień
Zasilanie
[V DC]
  • 15 ÷ 30 (sygn. wyj. 0 ÷ 10 V)
  • 10 ÷ 30 (sygn. wyj. 0 ÷ 5 V)
  • 5 ÷ 12 (sygn. wyj. 0 ÷ 3 V)
  • 10 ÷ 36 (sygn. wyj. 4 ÷ 20 mA)
Sygnały
wyjściowe
  • 4 ÷ 20 mA
  • 0 ÷ 10 V, 0 ÷ 5 V, 1 ÷ 5 V
  • 0 ÷ 3 V (low-power)
  • Możliwe jest również wykonanie przetworników
    z dowolnym napięciowym sygnałem wyjściowym,
    mniejszym od 0 ÷ 10 V (np. 0 ÷ 4 V, 2 ÷ 8 V itp.)

A. 5 + 12 V DC
B. 10 + 30 V DC
C. 10 + 36 V DC
D. 15 + 30 V DC
ELM.01 Pytanie 66
Montaż, uruchamianie i obsług…

Na rysunku przedstawiono diagram działania jednego z bloków funkcjonalnych sterownika PLC. Jest to blok

Ilustracja do pytania 26
A. licznika impulsów zliczającego w dół CTD.
B. timera opóźniającego załączenie TON.
C. timera opóźniającego wyłączenie TOF.
D. licznika impulsów zliczającego w górę CTU.
Montaż, uruchamianie i obsług…

Który przyrząd należy zastosować, aby zmierzyć z dokładnością 0,1 mm otwory o średnicy Φ10 wykonane pod montaż czujników indukcyjnych?

A. Suwmiarkę uniwersalną.
B. Przymiar kreskowy.
C. Czujnik zegarowy.
D. Mikrometr zewnętrzny.
ELM.01 Pytanie 71
Montaż, uruchamianie i obsług…

Urządzenie połączone ze sterownikiem PLC, oznaczone ADMC-1801, pełni w układzie przedstawionym na ilustracji funkcję

Ilustracja do pytania 31
A. modułu wejściowego.
B. zasilacza sterownika PLC.
C. modułu wyjściowego.
D. interfejsu komunikacyjnego.
Montaż, uruchamianie i obsług…

Na schemacie przedstawiono

Ilustracja do pytania 34
A. konwerter łącza szeregowego na łącze światłowodowe.
B. regulowany wzmacniacz napięć lub prądów zmiennych.
C. przetwornik napięcia AC na prąd AC.
D. przetwornik pomiarowy prądu lub napięcia AC.
Montaż, uruchamianie i obsług…

Napięcie wyjściowe przetwornika ciśnienia, przy liniowej charakterystyce przetwarzania, przyjmuje wartość z przedziału 0 ÷ 10 V dla ciśnienia z przedziału 0 ÷ 600 kPa. Jaka będzie wartość napięcia wyjściowego dla wartości ciśnienia 450 kPa?

A. 7,5 V
B. 3,0 V
C. 10,0 V
D. 4,5 V