Filtrowanie pytań

Wybierz zawód, aby zobaczyć dostępne kwalifikacje

Wytwarzanie prostych wyrobów …

Do wykonania której czynności służy przyrząd pokazany na rysunku?

Ilustracja do pytania 1
A. Trasowania odcinków okręgu.
B. Pomiaru szczelin w połączeniach.
C. Oznaczania kąta zaostrzenia w wiertłach.
D. Sprawdzania kąta ostrza w dłutach.
Wytwarzanie prostych wyrobów …

Wskaż poprawną kolejność operacji i czynności technologicznych podczas wykonywania czopa.

A. Odsadzanie, pasowanie, trasowanie, nacinanie.
B. Trasowanie, nacinanie, odsadzanie, pasowanie.
C. Nacinanie, odsadzanie, trasowanie, pasowanie.
D. Pasowanie, trasowanie, nacinanie, odsadzanie.
DRM.03 Pytanie 5
Wytwarzanie prostych wyrobów …

Do gięcia elementu ramy siedziska należy zastosować giętarkę

A. z dźwignią dociskową.
B. z formą obrotową.
C. ramieniową z przesuwną formą.
D. ramieniową z hydraulicznym napędem.
Wytwarzanie prostych wyrobów …

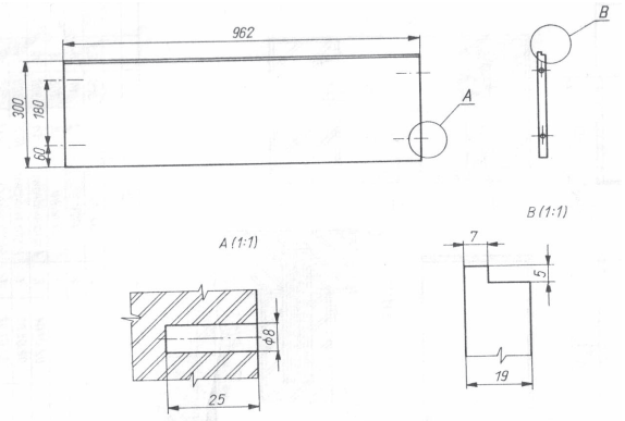
Do wykonania złącza pokazanego na rysunku należy użyć przyrządów do trasowania oraz

Ilustracja do pytania 6
A. płatnicy i krawężnicy.
B. wyrzynarki i zdzieraka.
C. grzbietnicy i dłuta.
D. otwornicy i ośnika.
DRM.03 Pytanie 10
Wytwarzanie prostych wyrobów …

Wskazane strzałką pokrętło frezarki służy do regulacji

Ilustracja do pytania 10
A. kąta wychylenia wrzeciona.
B. prędkości obrotowej wrzeciona.
C. wysokości wrzeciona.
D. wysokości stołu.
DRM.03 Pytanie 11
Wytwarzanie prostych wyrobów …

Które sortymenty tarcicy iglastej są klasyfikowane jako obrzynane lub nieobrzynane?

A. Krawędziak i bal.
B. Belka i łata.
C. Łata i deska.
D. Bal i deska.
Wytwarzanie prostych wyrobów …

W ramce przedstawiono kolejne czynności procesu technologicznego wykonania drzwi okleinowanych fornirem naturalnym. W polu oznaczonym ? należy wpisać

Ilustracja do pytania 13
A. przygotowanie elementu.
B. wykonanie formatek z okleiny.
C. struganie bazowe.
D. struganie grubościowe.
Wytwarzanie prostych wyrobów …

Papier ścierny o ziarnistości P40 stosuje się do

A. szlifowania wstępnego powierzchni drewnianych.
B. polerowania powierzchni lakierowanych.
C. wykończenia powierzchni po bejcowaniu.
D. szlifowania powierzchni okleinowanych.
DRM.03 Pytanie 17
Wytwarzanie prostych wyrobów …

W celu uzyskania określonej grubości i gładkości szerokiej powierzchni elementu płytowego pokazanego na rysunku należy użyć szlifierki

Ilustracja do pytania 17
A. oscylacyjnej.
B. wałkowej.
C. szerokotaśmowej.
D. wąskotaśmowej.
DRM.03 Pytanie 22
Wytwarzanie prostych wyrobów …

Który z wymienionych elementów nie musi być obowiązkowo zamontowany w pilarce tarczowej stolarskiej?

A. Przykładnia boczna.
B. Osłona piły.
C. Wyłącznik bezpieczeństwa.
D. Klin rozszczepiający.
DRM.03 Pytanie 23
Wytwarzanie prostych wyrobów …

Przy piłowaniu wzdłużnym krótkich elementów w celu zapewnienia większego bezpieczeństwa należy zastosować

A. wzornik.
B. posuw mechaniczny.
C. osłonę Filarskiego.
D. popychacz.
DRM.03 Pytanie 24
Wytwarzanie prostych wyrobów …

Które wyposażenie, zapewniające bezpieczną pracę, posiada obrabiarka przedstawiona na ilustracji?

Ilustracja do pytania 24
A. Grzebień dociskowy.
B. Popychacz.
C. Kaptur ochronny.
D. Osłonę wachlarzową wału.
DRM.03 Pytanie 25
Wytwarzanie prostych wyrobów …

W celu pozyskania fryzów, wstępną manipulację cięcia przeprowadza się na pilarkach

A. taśmowej i wzdłużnej.
B. formatowej i wzdłużnej.
C. poprzecznej i wzdłużnej.
D. formatowej i poprzecznej.
DRM.03 Pytanie 26
Wytwarzanie prostych wyrobów …

Wyrywania włókien podczas strugania elementów z drewna mogą powstać w wyniku strugania

A. ze zbyt małą prędkością posuwu.
B. zgodnie z przebiegiem włókien.
C. zbyt ostrymi nożami.
D. niezgodnie z przebiegiem włókien.
Wytwarzanie prostych wyrobów …

Jaką kolejność operacji należy zastosować przy wykonywaniu przedstawionego na rysunku elementu meblowego z płyty wiórowej laminowanej, którego jedna wąska dłuższa płaszczyzna zabezpieczona jest taśmą obrzeżową?

Ilustracja do pytania 30
A. Piłowanie netto, piłowanie brutto, zabezpieczenie wąskiej płaszczyzny, wiercenie, frezowanie.
B. Piłowanie netto, wiercenie, frezowanie, szlifowanie szerokich płaszczyzn, zabezpieczenie wąskiej płaszczyzny.
C. Piłowanie brutto, piłowanie netto, zabezpieczenie wąskiej płaszczyzny, wiercenie frezowanie.
D. Piłowanie brutto, struganie szerokich płaszczyzn, wiercenie, zabezpieczenie wąskiej płaszczyzny, frezowanie.
Wytwarzanie prostych wyrobów …

Do wytrasowania desek długości 4,8 m i szerokości 200 mm z tarcicy nieobrzynanej grubości 32 mm oprócz ołówka należy użyć

A. macek, kątownika nastawnego, przymiaru metrowego.
B. metrówki, liniału i kątownika nastawnego.
C. przymiaru kątowego, liniału i miary zwijanej stalowej.
D. znacznika, cyrkla nastawnego i liniału.
DRM.03 Pytanie 35
Wytwarzanie prostych wyrobów …

Przy piłowaniu z użyciem prowadnicy narasta opór posuwu oraz zwiększa się szerokość na końcu elementu. Przyczyną takiego stanu jest

A. złe ustawienie prowadnicy.
B. złe rozwarcie piły.
C. stępienie się piły.
D. niewłaściwa prędkość posuwu.
DRM.03 Pytanie 36
Wytwarzanie prostych wyrobów …

Podczas pracy na frezarce górnowrzecionowej zauważono zwiększony hałas, pogorszenie się jakości frezowanej powierzchni oraz zwiększony pobór mocy. Co należy zrobić, aby to wyeliminować?

A. Zmniejszyć prędkość posuwu materiału.
B. Naostrzyć narzędzia.
C. Zwiększyć prędkość posuwu materiału.
D. Zwiększyć obroty wrzeciona.
DRM.03 Pytanie 37
Wytwarzanie prostych wyrobów …

Wskaż właściwą kolejność operacji przy ręcznym wykonywaniu złącza czopowego.

A. Odsadzanie, trasowanie, nacinanie.
B. Trasowanie, odsadzanie, nacinanie.
C. Trasowanie, nacinanie, odsadzanie.
D. Nacinanie, trasowanie, odsadzanie.
Wytwarzanie prostych wyrobów …

Która kolejność operacji jest właściwa do przygotowania przed lakierowaniem powierzchni płyt oklejonych okleiną naturalną?

A. Szlifowanie - Barwienie - Naprawianie uszkodzeń i wad - Barwienie
B. Usuwanie przebić klejowych - Usuwanie plam - Usuwanie plam - Usuwanie przebić klejowych
C. Naprawianie uszkodzeń i wad - Usuwanie przebić klejowych - Szlifowanie - Usuwanie plam
D. Usuwanie plam - Naprawianie uszkodzeń i wad - Usuwanie przebić klejowych - Naprawianie uszkodzeń i wad
DRM.03 Pytanie 40
Wytwarzanie prostych wyrobów …

Warunkiem koniecznym właściwego przygotowania pilarki tarczowej do piłowania drewna wzdłuż włókien jest zamocowanie

A. stołu pomocniczego.
B. piły podcinającej.
C. piły z węglikami spiekanymi.
D. klina rozszczepiającego raz.