Filtrowanie pytań
ELM.02 Pytanie 1
Montaż oraz instalowanie ukła…
A. zdalne włączanie i wyłączanie odbiornika radiowego
B. transmisję informacji tekstowych przez emisję UKF FM
C. odbiór cyfrowych danych poprzez emisję UKF FM
D. odsłuch z zaawansowanym efektem przestrzennym stereo
Montaż oraz instalowanie ukła…
Czy światło słoneczne może doprowadzić do utraty danych w pamięci rodzaju
A. DRAM
B. SDRAM
C. EPROM
D. EEPROM
Montaż oraz instalowanie ukła…
Jaki element elektroniczny jest określany przez symbole: S-źródło, G-bramka, D-dren?
A. Trymer
B. Tyrystor
C. Tranzystor unipolarny
D. Tranzystor bipolarny
Montaż oraz instalowanie ukła…
Na diagramie blokowym struktury wewnętrznej mikroprocesora symbol ALU oznacza
A. zewnętrzną pamięć operacyjną
B. mikroprocesor wykonany w technologii krzemowo-aluminiowej
C. rejestr akumulatora
D. jednostkę arytmetyczno-logiczną
Montaż oraz instalowanie ukła…
Jakie urządzenie jest łączone za pomocą interfejsu SATA?
A. napęd dyskietek
B. dysk twardy
C. karta graficzna
D. drukarka
Montaż oraz instalowanie ukła…
Który z protokołów przesyłania danych umożliwia transmisję różnicową sygnałów?
A. RS-485
B. GPIB
C. I2C
D. RS-232
Montaż oraz instalowanie ukła…
Jaka wartość w systemie szesnastkowym odpowiada binarnej liczbie 01101101?
A. BC
B. C6
C. 6D
D. 7B
Montaż oraz instalowanie ukła…
Czym jest multiplekser w kontekście układów kombinacyjnych?
A. konwersja kodu pierścieniowego "1 z n" na sygnał wyjściowy
B. przekazywanie sygnału cyfrowego "1 z n" wybranego adresem na wyjście
C. liczenie oraz przechowywanie impulsów
D. sterowanie wskaźnikiem 7-segmentowym
Montaż oraz instalowanie ukła…
Który układ scalony, po podłączeniu odpowiednich elementów zewnętrznych, staje się generatorem impulsów prostokątnych?
A. UL7805
B. SN74151
C. Z80
D. NE555
Montaż oraz instalowanie ukła…
Jakim skrótem opisuje się modulację szerokości impulsów?
A. FSK
B. PWM
C. QAM
D. PSK
ELM.02 Pytanie 11
Montaż oraz instalowanie ukła…
Stacja bazowa jest częścią systemu
A. sterowania mikroprocesorowego
B. telewizji kablowej
C. alarmowego
D. nawigacyjnego
Montaż oraz instalowanie ukła…
Stabilność systemu automatycznej regulacji to umiejętność systemu do
A. działania w skrajnie niskich lub skrajnie wysokich temperaturach
B. minimalizowania zakłóceń wpływających na obiekt regulacji
C. utrzymywania stabilnych parametrów obiektu po ustaniu sygnału zakłócającego
D. działania pod dużymi obciążeniami
Montaż oraz instalowanie ukła…
Jaką funkcję pełni PTY w radiu?
A. Wybieranie i przeszukiwanie typu programu
B. Odbiór wiadomości tekstowych
C. Odbiór informacji drogowych
D. Automatyczną "regulację głośności"
Montaż oraz instalowanie ukła…
Jaką rolę w systemie automatyki przemysłowej odgrywa przetwornik?
A. Przekształca sygnał z czujnika
B. Wizualizuje procesy przemysłowe
C. Rejestruje działanie sieci
D. Kontroluje pracę siłownika
ELM.02 Pytanie 15
Montaż oraz instalowanie ukła…
Który z wymienionych komponentów wykorzystuje się w systemach automatyki przemysłowej do pomiaru temperatury?
A. Triak
B. Termistor
C. Warystor
D. Tyrystor
Montaż oraz instalowanie ukła…
Aby poprawić jakość obrazu w trudnych warunkach oświetleniowych, należy zwiększyć odstęp S/N generowany przez układy elektroniczne kamery?
A. zmniejszyć
B. zwiększyć
C. wyzerować
D. wyrównać
Montaż oraz instalowanie ukła…
W jakim urządzeniu stosuje się zjawisko defleksji elektronów w polu elektromagnetycznym?
A. Nośniku optycznym
B. Ekranie LCD
C. Monitorze CRT
D. Dysku twardym
Montaż oraz instalowanie ukła…
Instrukcja CLR P1.7 wskazuje na
A. konfigurację linii 7 w porcie P1
B. wczytanie komórki znajdującej się pod adresem 1.7
C. wymazanie komórki o adresie 1.7
D. zerowanie linii 7 w porcie P1
Montaż oraz instalowanie ukła…
Jaką liczbę wyjść ma konwerter TWIN?
A. dwa wyjścia
B. osiem wyjść
C. jedno wyjście
D. cztery wyjścia
ELM.02 Pytanie 20
Montaż oraz instalowanie ukła…
Jakim skrótem literowym określa się wskaźnik błędów modulacji w cyfrowej telewizji?
A. SNR
B. MER
C. PSNR
D. BER
Montaż oraz instalowanie ukła…
Który z parametrów odnosi się do wartości 20 Mpx, podanej w specyfikacji cyfrowego aparatu fotograficznego?
A. Optyczne powiększenie obrazu
B. Cyfrowe powiększenie obrazu
C. Czas reakcji migawki
D. Rozdzielczość matrycy światłoczułej
ELM.02 Pytanie 22
Montaż oraz instalowanie ukła…
Podwyższenie dobroci Q filtru RLC w selektywnym wzmacniaczu doprowadzi do
A. wzrostu częstotliwości środkowej fo
B. spadku współczynnika prostokątności
C. wzrostu współczynnika prostokątności
D. spadku częstotliwości środkowej fo
Montaż oraz instalowanie ukła…
W regulatorze PID podwojono stałą czasową Ti (czas całkowania), co skutkuje
A. brakiem zmian w czasie regulacji
B. wydłużeniem czasu regulacji
C. wzrostem amplitudy oscylacji
D. zmniejszeniem stabilności układu
Montaż oraz instalowanie ukła…
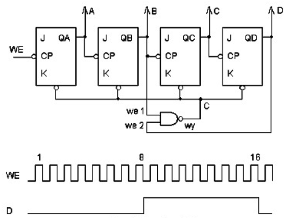
Licznik modulo 10 jest uszkodzony i zlicza do 16. Jaka jest przyczyna wadliwej pracy licznika?

A. Przerwa w obwodzie QD - we 2.
B. Przerwa w obwodzie QB - we 1.
C. Zwarcie wyjścia bramki do masy.
D. Przerwa w obwodzie C - wy.
Montaż oraz instalowanie ukła…
Jakie urządzenie cyfrowe powinno być użyte do porównania dwóch liczb zapisanych w określonym kodzie?
A. Adder.
B. Decoder.
C. Comparator.
D. Converter.
Montaż oraz instalowanie ukła…
Układ DMA stosowany w mikrokomputerach pozwala na
A. używanie pamięci RAM bez pośrednictwa CPU
B. wstrzymywanie CPU w każdym momencie
C. podwójne zwiększenie częstotliwości zegara systemu
D. realizowanie podwójnych poleceń
Montaż oraz instalowanie ukła…
Który z wymienionych standardów nie opiera się na komunikacji radiowej?
A. WiFi
B. IrDA
C. Bluetooth
D. NFC
Montaż oraz instalowanie ukła…
Czym jest watchdog?
A. system bezpośredniego dostępu do portów I/O mikroprocesora
B. typ licznika rejestrującego impulsy zewnętrzne
C. system bezpośredniego dostępu do pamięci mikroprocesora
D. rodzaj timera kontrolującego działanie mikroprocesora
Montaż oraz instalowanie ukła…
Technologia umożliwiająca bezprzewodową komunikację na krótkim zasięgu pomiędzy różnymi urządzeniami elektronicznymi to
A. BLUETOOTH
B. FIREWIRE
C. GPRS
D. WiMAX
Montaż oraz instalowanie ukła…
Wykonanie polecenia NOP przez mikrokontroler z rodziny '51
A. nie spowoduje żadnych działań, zajmie jedynie 1 cykl maszynowy
B. wykona logiczny iloczyn na odpowiednich bitach argumentów
C. spowoduje przesunięcie zawartości akumulatora w prawo
D. wywoła skok warunkowy do adresu zarejestrowanego w akumulatorze
ELM.02 Pytanie 31
Montaż oraz instalowanie ukła…
W osiedlowym szlabanie uszkodzony został pilot zdalnego sterowania działający w systemie Keeloq. Konieczna jest jego wymiana na pilot
A. jakikolwiek zmiennokodowy
B. jedynie dostarczony przez producenta szlabanu
C. uniwersalny (samouczący)
D. jakikolwiek stałokodowy
Montaż oraz instalowanie ukła…
Standard karty bezstykowej używanej w systemach zarządzania dostępem to
A. HDMI
B. FIREWARE
C. RCP
D. MIFARE
Montaż oraz instalowanie ukła…
W systemie wykorzystano przetwornik o rozdzielczości 8-bitowej. Jaka jest wartość rozdzielczości napięciowej, gdy zakres pomiarowy wynosi od 0 V do 2,56 V?
A. 320 mV
B. 32 mV
C. 100 mV
D. 10 mV
Montaż oraz instalowanie ukła…
Jakie dane identyfikuje czytnik biometryczny?
A. linie papilarne
B. zapis magnetyczny
C. kod kreskowy
D. sygnał transpondera
Montaż oraz instalowanie ukła…
Jak powinna wyglądać prawidłowa sekwencja działań przy konserwacji systemu automatyki przemysłowej?
A. Dokręcenie styków zaciskowych, kontrola przewodów ciśnieniowych, przeprowadzenie pomiarów elektrycznych instalacji, zapoznanie się z dokumentacją techniczną instalacji
B. Zapoznanie się z dokumentacją techniczną instalacji, dokręcenie styków zaciskowych, przeprowadzenie pomiarów elektrycznych instalacji, kontrola przewodów ciśnieniowych
C. Przeprowadzenie pomiarów elektrycznych instalacji, kontrola przewodów ciśnieniowych, zapoznanie się z dokumentacją techniczną instalacji, dokręcenie styków zaciskowych
D. Kontrola przewodów ciśnieniowych, przeprowadzenie pomiarów elektrycznych instalacji, zapoznanie się z dokumentacją techniczną instalacji, dokręcenie styków zaciskowych
Montaż oraz instalowanie ukła…
W jaki sposób można usunąć dane z pamięci EPROM, aby ponownie ją zaprogramować?
A. Podając odpowiedni sygnał logiczny na wejście Write Enable
B. Umieszczając układ pamięci w promieniowaniu podczerwonym
C. Umieszczając układ pamięci w promieniowaniu ultrafioletowym
D. Podając odpowiedni sygnał logiczny na wejście CLR
ELM.02 Pytanie 37
Montaż oraz instalowanie ukła…
Przedstawiona specyfikacja techniczna dotyczy
| Specyfikacja techniczna | |
|---|---|
| Tryb pracy | pentaplex |
| Liczba wejść video | 8 BNC |
| Liczba wyjść video | 1x BNC, 1x VGA, 1x HDMI |
| Liczba wejść/wyjść audio | 1/1 RCA |
| Prędkość zapisu | 200kl/s (D1), 200kl/s (CIF/QCIF) |
| Rozdzielczość | 1920x1080, 1280x1024, 1024x768 |
| Kompresja video | H.264 |
| Kompresja audio | G.711 |
| Sterowanie | RS485 |
| Archiwizacja | 1x HDD Sata III max. 4TB |
| Tryb zapisu | manualny, ciągły, alarmowy, detekcja |
| Obudowa | wolnostojąca |
| Wymiary | 325x245x45 mm (1U) |
A. manipulatora.
B. modulatora.
C. rejestratora.
D. sterownika.
ELM.02 Pytanie 38
Montaż oraz instalowanie ukła…
Jakie dodatkowe funkcje może pełnić rejestrator w systemach nadzoru?
A. Kontrola kamer z obrotnicą PTZ
B. Zasilanie kamer za pomocą BNC
C. Rozpoznawanie twarzy
D. Sterowanie dodatkowymi źródłami światła dla kamer
Montaż oraz instalowanie ukła…
Jakie elementy urządzeń elektronicznych opisuje termin LCD?
A. Sygnalizatorów akustycznych
B. Czujników zbliżeniowych
C. Barier podczerwieni
D. Wyświetlaczy ciekłokrystalicznych
Montaż oraz instalowanie ukła…
Aby zlokalizować metalowy obiekt w systemie automatyki przemysłowej, najbardziej odpowiednim rozwiązaniem będzie czujnik
A. optyczny
B. indukcyjny
C. temperatury
D. pojemnościowy