Filtrowanie pytań

Wybierz zawód, aby zobaczyć dostępne kwalifikacje

Eksploatacja systemów mechatr…

W wyniku uciągu bocznego nastąpiło prostopadłe przesunięcie maszyny które spowodowało, że maszyna o szerokości roboczej 5 m zostawia po dwóch przejazdach pas o szerokości 9,80 m. Na podstawie dokonanej analizy schematu i fragmentu instrukcji obsługi wskaż, jaką wartość należy wpisać w terminalu jako przesunięcie?

Ustalenie i ustawienie przesunięcia urządzenia:
- Ustawić prawidłową szerokość roboczą dołączonego urządzenia
- Pokrycie ustawić na 0,00 m
- Przejechać ślad 0 w obu kierunkach z uaktywnionym autopilotem
- Zmierzyć na podłożu przesunięcie śladu między oboma kierunkami jazdy w śladzie 0
- Wartość pomiaru podzielić przez 2 i wpisać, jako przesunięcie urządzenia w Terminalu.
- Test: Przy prawidłowym wprowadzeniu, ślady przejazdów dla obu kierunków jazdy w śladzie 1 i we wszystkich następnych muszą mieć takie samo pokrycie.

Ilustracja do pytania 2
A. 20 cm
B. 10 cm
C. 40 cm
D. 5 cm
ROL.08 Pytanie 3
Eksploatacja systemów mechatr…

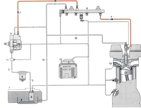
Którą cyfrą na schemacie układu paliwowego Common Rail oznaczona jest pompa wysokiego ciśnienia?

Ilustracja do pytania 3
A. 3
B. 6
C. 8
D. 4
ROL.08 Pytanie 4
Eksploatacja systemów mechatr…

Gdzie znalazł zastosowanie elektroniczny system sterujący EHR?

A. W podnośniku hydraulicznym ciągnika.
B. W pompie wtryskowej silnika.
C. W klimatyzacji ciągnika.
D. W skrzyni przekładniowej ciągnika.
Eksploatacja systemów mechatr…

Zdalne wsparcie operatora polega na

A. zdalnej obserwacji przez dealera parametrów pracy silnika.
B. możliwości kontaktu telefonicznego z serwisem podczas konfiguracji maszyny.
C. automatycznym tworzeniu dokumentacji pracy maszyny.
D. zdalnym konfigurowaniu ustawień maszyny bez wiedzy operatora.
Eksploatacja systemów mechatr…

Które położenia należy określić w celu prawidłowej kalibracji potencjometrycznego czujnika kąta skręcenia?

A. Skrajne położenia lewe i prawe oraz do jazdy na wprost.
B. Tylko do jazdy na wprost.
C. Skrajne położenia lewe i prawe.
D. Jedno ze skrajnych położeń lewe lub prawe.
ROL.08 Pytanie 7
Eksploatacja systemów mechatr…

Po włączeniu się w ciągniku komunikatu przedstawionego na rysunku należy

Ilustracja do pytania 7
A. zignorować komunikat i pracować dalej.
B. uzupełnić poziom płynu AdBlue.
C. bezzwłocznie wyłączyć silnik i wezwać serwis.
D. wymienić filtr cząstek stałych.
Eksploatacja systemów mechatr…

Na podstawie zamieszczonej tabeli określ przyczynę wystąpienia komunikatu 211.

Kod diagnostycznyTreśćOpis (przyczyna)Uwagi
211Przeciążenie komunikacji z magistralą CAN. Zresetuj wyświetlacz lub wyłącz i włącz zasilanie.Zbyt szybko naciskano przyciski wyświetlacza.Wyłącz i włącz zasilanie.

A. Uszkodzenie przewodu zasilającego lub magistrali CAN.
B. Wprowadzenie do systemu zbyt dużej liczby instrukcji w krótkim czasie.
C. Reset wyświetlacza.
D. Krótkotrwały zanik zasilania.
ROL.08 Pytanie 9
Eksploatacja systemów mechatr…

Ile sprzęgieł i hamulców zastosowano w planetarnej skrzyni przekładniowej typu Powershift, pokazanej na schemacie?

Ilustracja do pytania 9
A. Trzy sprzęgła i cztery hamulce.
B. Trzy sprzęgła i pięć hamulców.
C. Cztery sprzęgła i pięć hamulców.
D. Cztery sprzęgła i sześć hamulców.
Eksploatacja systemów mechatr…

Przetwornik ciśnienia w układzie hydraulicznym stosuje się do

A. zmiany wartości ciśnienia cieczy.
B. generowania sygnału elektrycznego odpowiednio do wartości ciśnienia wejściowego.
C. generowania sygnału w postaci ciśnienia odpowiednio do wartości prądu.
D. zmiany natężenia przepływu cieczy.
ROL.08 Pytanie 11
Eksploatacja systemów mechatr…

Symbol zaworu hydraulicznego sterowanego dwiema cewkami przedstawiono na ilustracji

A. Symbol 1
Ilustracja do odpowiedzi A
B. Symbol 2
Ilustracja do odpowiedzi B
C. Symbol 4
Ilustracja do odpowiedzi C
D. Symbol 3
Ilustracja do odpowiedzi D
Eksploatacja systemów mechatr…

Jakie powinno być ustawienie włączników DIP dla pneumatycznego siewnika rzędowego Solitair 8 o szerokości 3 m, przy którym slot X3 w skrzynce zbiorczej nie jest zajęty?

Ilustracja do pytania 12
A. DIP1 na ON , DIP2 na ON , DIP3 na OFF, DIP4 na ON.
B. DIP1 na OFF , DIP2 na OFF , DIP3 na ON, DIP4 na OFF.
C. DIP1 na ON , DIP2 na OFF , DIP3 na OFF, DIP4 na OFF.
D. DIP1 na OFF , DIP2 na OFF , DIP3 na OFF, DIP4 na ON.
ROL.08 Pytanie 13
Eksploatacja systemów mechatr…

Na ilustracji przedstawiono badanie diagnostyczne

Ilustracja do pytania 13
A. wtryskiwacza.
B. świecy żarowej.
C. pompowtryskiwacza.
D. świecy zapłonowej.
Eksploatacja systemów mechatr…

Po zakończeniu prac polowych na czas zimy nawigację rolniczą należy

A. pozostawić w ciągniku podłączoną do zasilania.
B. wymontować z ciągnika i pozostawić w pomieszczeniu warsztatowym.
C. wymontować z ciągnika, oczyścić, umieścić w opakowaniu i pozostawić w ogrzewanym pomieszczeniu.
D. odłączyć od zasilania i pozostawić w ciągniku.
ROL.08 Pytanie 16
Eksploatacja systemów mechatr…

Którą cyfrą na schemacie układu paliwowego Common Rail oznaczona jest pompa wysokiego ciśnienia?

Ilustracja do pytania 16
A. 3
B. 8
C. 4
D. 1
Eksploatacja systemów mechatr…

Na błąd nieprawidłowej kompensacji nachylenia terenu, objawiający się pozostawianiem omijaków/zakładek podczas pracy na pochyłościach przy bocznych przechyłach ciągnika największy wpływ mieć będzie błędne podanie podczas kalibracji GPS wymiaru

A. przesunięcia w kierunku prostopadłym.
B. położenia punktu zaczepu.
C. przesunięcia w kierunku równoległym.
D. wysokości anteny.
ROL.08 Pytanie 22
Eksploatacja systemów mechatr…

Do przesterowania elektrozaworu przedstawionego na rysunku należy zastosować

Ilustracja do pytania 22
A. klucz imbusowy.
B. wkrętak płaski.
C. wkrętak krzyżakowy.
D. wybijak o odpowiedniej średnicy.
ROL.08 Pytanie 24
Eksploatacja systemów mechatr…

Wyświetlacz ciągnika rolniczego wyposażonego w 4 cylindrowy silnik wysokoprężny, wskazuje błąd informujący o awarii świec żarowych. Po wykonaniu pomiaru okazało się, że natężenie przepływającego prądu jest niższe o połowę od prądu znamionowego zasilającego świece. Najbardziej prawdopodobną przyczyną takiego stanu może być

A. uszkodzenie dwóch świec.
B. brak połączenia świec z masą.
C. przepalony bezpiecznik w obwodzie zasilającym świece.
D. uszkodzony przewód zasilający świece.
Eksploatacja systemów mechatr…

Uszkodzony czujnik skrętu w ciągniku rolniczym uniemożliwi korzystanie z systemu

A. synchronizacji pracy ciągnika z maszyną.
B. telematycznego łączenia maszyny z centrum operacyjnym.
C. koordynującego funkcje pojazdu oraz narzędzia w czasie nawrotów.
D. automatycznej regulacji dawki nawozu azotowego.
ROL.08 Pytanie 29
Eksploatacja systemów mechatr…

Układ przedstawiony na ilustracji nie jest zasilony. W których punktach należy wykonać pomiar multimetrem w celu sprawdzenia uszkodzenia diody?

Ilustracja do pytania 29
A. 8 – 1
B. 6 – 7
C. 5 – 6
D. 3 – 4
Eksploatacja systemów mechatr…

Na podstawie tabeli określ numer pinu, na którym występuje napięcie zasilające (dodatnie względem masy).

Nr stykuKolorFunkcja
1ŻółtyCAN High
2RóżowyWyjście cyfrowe (PPS)
3PomarańczowyRS-232 RX
4SzaryRS-232 TX
5BiałyMasa RS-232
6PurpurowyWejście wideo
7BrązowyMasa sygnału wideo
8Czarno-białyUziemienie zasilania
9Czerwono-białyWyjście nieregulowane V+
10JasnobrązowyMasa sygnału cyfrowego
11JasnoniebieskiWejście cyfrowo-analogowe
12ZielonyCAN Low

A. 8
B. 9
C. 7
D. 5
Eksploatacja systemów mechatr…

Jeżeli nastąpiło przerwanie obsługi maszyny za pośrednictwem systemu ISOBUS, w pierwszej kolejności należy sprawdzić

A. podłączenie terminala.
B. podłączenie maszyny z ciągnikiem poprzez gniazdo ISOBUS.
C. napięcie w akumulatorze.
D. czy nie jest naciśnięty przełącznik STOP na terminalu.
ROL.08 Pytanie 33
Eksploatacja systemów mechatr…

Którą cyfrą na schemacie układu paliwowego Common Rail oznaczona jest pompa wysokiego ciśnienia?

Ilustracja do pytania 33
A. 3
B. 8
C. 1
D. 4
ROL.08 Pytanie 34
Eksploatacja systemów mechatr…

Gdzie znalazł zastosowanie elektroniczny system sterujący EHR?

A. W pompie wtryskowej silnika.
B. W klimatyzacji ciągnika.
C. W skrzyni przekładniowej ciągnika.
D. W podnośniku hydraulicznym ciągnika.
ROL.08 Pytanie 40
Eksploatacja systemów mechatr…

Rysunek przedstawia układ zasilania silnika z zapłonem samoczynnym typu common rail. Pompa wysokiego ciśnienia oznaczona jest cyfrą

Ilustracja do pytania 40
A. 6
B. 4
C. 8
D. 3