Filtrowanie pytań
Eksploatacja systemów mechatr…
A. odpowiednie umiejscowienie stanowisk ładowania.
B. codzienna i okresowa obsługa techniczna.
C. zaprojektowanie tras przejazdu.
D. aktualizacja oprogramowania.
ROL.08 Pytanie 162
Eksploatacja systemów mechatr…
Którą literą, na przedstawionym panelu komputerowym maszyn, oznaczona jest liniowa odległość od osi niesterującej do odbiornika GPS?

A. D
B. A
C. C
D. B
Eksploatacja systemów mechatr…
Rysunek przedstawia układ zasilania silnika z zapłonem samoczynnym typu common rail. Pompa wysokiego ciśnienia oznaczona jest cyfrą

A. 8
B. 4
C. 3
D. 6
Eksploatacja systemów mechatr…
Na wyświetlaczu ciągnika rolniczego pojawił się komunikat Check Injection. Należy w pierwszej kolejności sprawdzić
A. wtryskiwacze.
B. filtr paliwa.
C. pompę wtryskową.
D. przewód paliwa niskiego ciśnienia.
Eksploatacja systemów mechatr…
Do przesyłania radiowego sygnału korekcyjnego RTK wykorzystuje się
A. radiotelefon mobilny.
B. bramkę modularną.
C. antenę satelitarną.
D. stację bazową.
ROL.08 Pytanie 166
Eksploatacja systemów mechatr…
Głównym celem wprowadzenia map plonu zbieranego ziarna jest
A. tworzenie map odczynu gleby.
B. tworzenie map aplikacyjnych oraz poznanie potencjału plonotwórczego pola.
C. zmniejszenie zużycia środków ochrony roślin.
D. zmniejszenie zużycia paliwa.
ROL.08 Pytanie 167
Eksploatacja systemów mechatr…
Zastosowanie urządzenia przedstawionego na ilustracji ma na celu

A. równomierne pokrycie pola nawozem azotowym.
B. równomierne pokrycie pola nawozem fosforowym.
C. zużycie tylko tyle nawozów, ile rośliny są w stanie przyjąć.
D. nawożenie i jednoczesne gromadzenie danych o stanie upraw.
ROL.08 Pytanie 168
Eksploatacja systemów mechatr…
Ciągnik rolniczy, który nie wymaga obsługi traktorzysty w czasie pracy, nosi nazwę
A. autonomicznego.
B. hybrydowego.
C. bezobsługowego.
D. samobieżnego.
Eksploatacja systemów mechatr…
Algorytm diagnozowania usterek elektronicznych rozpoczyna się od
A. usunięcia kodów błędów.
B. interpretacji kodów błędów i ich opisu.
C. weryfikacji usterki.
D. kontroli pamięci błędów.
ROL.08 Pytanie 170
Eksploatacja systemów mechatr…
Powiększona ikona w nawigacji oznacza

A. praca po okręgu.
B. kopiowanie ostatniego przejazdu.
C. praca po linii prostej A-B.
D. brak nawigacji.
ROL.08 Pytanie 171
Eksploatacja systemów mechatr…
Którą cyfrą na ilustracji oznaczono terminal?

A. 4
B. 3
C. 2
D. 1
Eksploatacja systemów mechatr…
Na które z oznaczeń umieszczonych na multimetrze należy ustawić pokrętło miernika, aby dokonać pomiaru napięcia prądu stałego?
A. DC V
B. AC V
C. AC A
D. DC A
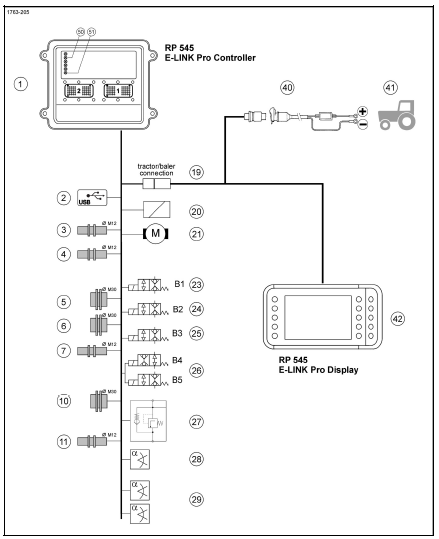
Eksploatacja systemów mechatr…
Na schemacie silnik elektryczny oznaczono numerem

A. 19
B. 27
C. 21
D. 20
Eksploatacja systemów mechatr…
Który czujnik jest oznaczony symbolem przedstawionym na ilustracji?

A. Halla.
B. Pojemnościowy.
C. Optyczny.
D. Indukcyjny.
Eksploatacja systemów mechatr…
Wskaż urządzenie wykonawcze odpowiedzialne za utrzymanie toru jazdy w systemie jazdy równoległej.
A. Odbiornik GPS.
B. Monitor.
C. Silnik elektryczny.
D. Radio RTK.
Eksploatacja systemów mechatr…
Na ilustracji pokazano diagnostykę

A. systemu ISOBUS.
B. instalacji elektrycznej.
C. układu pneumatycznego.
D. układu hydraulicznego.
Eksploatacja systemów mechatr…
Jaka jest minimalna liczba satelitów niezbędnych do precyzyjnego określenia położenia na polu ciągnika rolniczego wyposażonego w GPS?
A. 5 satelitów.
B. 2 satelity.
C. 4 satelity.
D. 3 satelity.
ROL.08 Pytanie 178
Eksploatacja systemów mechatr…
Który przycisk joysticka należy nacisnąć, aby nastąpiło włączenie sekcji opryskiwacza od lewej do prawej strony?

A. 4
B. 1
C. 2
D. 3
ROL.08 Pytanie 179
Eksploatacja systemów mechatr…
Czujniki ultradźwiękowe na belce opryskiwacza umożliwiają
A. utrzymanie belki polowej w poziomie.
B. utrzymanie stałej odległości belki polowej od powierzchni łanu.
C. składanie belki polowej po napotkaniu przeszkody.
D. utrzymania stałej odległości belki polowej od powierzchni pola.
Eksploatacja systemów mechatr…
Korzystając z informacji zawartych w tabeli, określ ilość zębów na kołach przekładni AB oraz oznaczenie koła przekładni wielostopniowej, które należy dobrać w celu uzyskania odległości nasion w rzędzie równej 11 cm dla koła wysiewającego z 36 komorami.

A. 18/23/4
B. 23/18/2
C. 18/23/5
D. 23/18/1
Eksploatacja systemów mechatr…
Którym numerem jest oznaczony pin do przyłączenia przewodu masowego przekaźnika nagrzewnicy?

A. 4
B. 12
C. 17
D. 5
ROL.08 Pytanie 182
Eksploatacja systemów mechatr…
Która z instytucji prowadzi szkolenia dotyczące rolnictwa precyzyjnego?
A. Spółdzielnia rolnicza.
B. Ministerstwo Rolnictwa i Rozwoju Wsi.
C. Krajowa Rada Izb Rolniczych.
D. Ośrodek Doradztwa Rolniczego.
Eksploatacja systemów mechatr…
Które numery mają zaciski czujnika, do których należy podłączyć napięcie zasilania?

A. 4 i 3
B. 3 i 2
C. 1 i 4
D. 1 i 3
Eksploatacja systemów mechatr…
Na której ilustracji przedstawione jest gniazdo diagnostyczne OBDII?
A. Ilustracja 3

B. Ilustracja 4

C. Ilustracja 2

D. Ilustracja 1

ROL.08 Pytanie 185
Eksploatacja systemów mechatr…
Na podstawie danych z tabeli określ koszt diagnozowania i wymiany wszystkich czujników w układzie zasilania silnika.
| Lp. | Towar / usługa | Koszt [zł brutto] |
|---|---|---|
| 1 | Czujnik temperatury paliwa | 150,00 |
| 2 | Czujnik temperatury silnika | 50,00 |
| 3 | Czujnik położenia wału rozrządu silnika | 300,00 |
| 4 | Diagnostyka czujnika | 100,00 |
| 5 | Wymiana czujnika poz. 1 i 2 | 200,00 |
| 6 | Wymiana czujnika poz. 3 | 400,00 |
A. 1 200,00 zł
B. 1 400,00 zł
C. 1 600,00 zł
D. 1 800,00 zł
ROL.08 Pytanie 186
Eksploatacja systemów mechatr…
Radar zamontowany w ciągniku rolniczym służy do
A. wyznaczenia prędkości rzeczywistej ciągnika.
B. odbioru sygnału z satelity.
C. sterowania elektrozaworami układu kierowniczego.
D. określenia jego pozycji na polu.
Eksploatacja systemów mechatr…
Który z czujników przedstawionych na rysunkach ma największy zakres pomiarowy?

A. S5
B. S3
C. S1
D. S4
ROL.08 Pytanie 188
Eksploatacja systemów mechatr…
Podczas prac z narzędziem o szerokości 8 metrów zgodnie z przejazdami pokazanymi na wyświetlaczu zaprogramowano przejazdy co

A. 24 m
B. 8 m
C. 16 m
D. 4 m
Eksploatacja systemów mechatr…
Które z ustawień łopatek wysiewających zapewni największą szerokość rozrzutu nawozu?

A. A/6-B/4
B. A/2-B/4
C. A/4-B/2
D. A/5-B/3
Eksploatacja systemów mechatr…
Który z przedstawionych na rysunkach systemów zapewnia najwyższą dokładność prowadzenia agregatów?
A. System III.

B. System II.

C. System IV.

D. System I.

Eksploatacja systemów mechatr…
Ile wynosi koszt wymiany czujników temperatury silnika i temperatury paliwa, jeżeli: – demontaż czujnika temperatury silnika trwa 10 minut, a jego montaż 5 minut, – demontaż czujnika temperatury paliwa trwa 10 minut i jego montaż trwa 10 minut, – czujnik temperatury silnika kosztuje 30,00 zł, – czujnik temperatury paliwa kosztuje 100,00 zł, – koszt 1 godziny pracy w serwisie wynosi 120,00 zł.
A. 200,00 zł
B. 180,00 zł
C. 250,00 zł
D. 190,00 zł
Eksploatacja systemów mechatr…
W silnikach ciągników Claas o mocy maksymalnej poniżej 80 kW turbosprężarka
| ARION | 460 | 450 | 440 | 430 | 420 | 410 | |
|---|---|---|---|---|---|---|---|
| Silnik | |||||||
| Producent | FPT | FPT | FPT | FPT | FPT | FPT | |
| Liczba cylindrów | 4 | 4 | 4 | 4 | 4 | 4 | |
| Pojemność | cm³ | 4500 | 4500 | 4500 | 4500 | 4500 | 4500 |
| Turbosprężarka z zaworem wastegate | ● | ● | ● | ● | – | – | |
| Turbosprężarka | – | – | – | – | ○ | ○ | |
| Moc znamionowa (ECE R 120)² | kW/KM | 99/135 | 92/125 | 85/115 | 77/105 | 70/95 | 63/85 |
| Moc maksymalna (ECE R 120)² | kW/KM | 104/140 | 97/130 | 90/120 | 82/110 | 75/100 | 67/90 |
| ● Seryjnie ○ Opcja □ Dostępne – Niedostępne | |||||||
A. występuje seryjnie.
B. jest niedostępna.
C. występuje jako opcja.
D. jest dostępna.
ROL.08 Pytanie 193
Eksploatacja systemów mechatr…
Który zabieg polowy pokazany jest na zamieszczonym rysunku ekranu roboczego?

A. Nawożenie RSM.
B. Siew kukurydzy.
C. Rozsiewanie wapna.
D. Nawożenie gnojowicą.
Eksploatacja systemów mechatr…
W celu zabezpieczenia zespołu rozdrabniającego (bębna) sieczkarni polowych przed uszkodzeniami stosuje się
A. magnetyczne wykrywacze metalu.
B. kruszarki kamieni.
C. łapacze kamieni.
D. elektromagnesy wyłapujące metale.
ROL.08 Pytanie 195
Eksploatacja systemów mechatr…
Skutkiem uszkodzenia żyroskopu w odbiorniku satelitarnym jest
A. nieprawidłowe działanie systemu prowadzenia pojazdu w terenie zalesionym.
B. brak możliwości odbioru sygnału radiowego RTK.
C. brak możliwości odbioru sygnału satelitarnego.
D. nieprawidłowe działanie systemu prowadzenia pojazdu w terenie pochyłym.
ROL.08 Pytanie 196
Eksploatacja systemów mechatr…
Zastosowanie automatycznego prowadzenia maszyny podczas wykonywania upraw z dokładnością do 3 cm dało 10% oszczędności w zużyciu paliwa. Oblicz, jaką kwotę rocznie zaoszczędzi rolnik, jeżeli w ciągu roku uprawianych jest 500 hektarów. Zużycie paliwa przed zastosowaniem systemu automatycznego prowadzenia wynosiło 25 litrów na hektar przy średniej cenie oleju napędowego na poziomie 5,00 zł.
A. 2500 zł
B. 6250 zł
C. 1250 zł
D. 13500 zł
Eksploatacja systemów mechatr…
W którym trybie prowadzona jest jazda przedstawiona na ilustracji?

A. Tryb A-B konturowy.
B. Tryb A-B.
C. Tryb konturowy.
D. Tryb jazdy po okręgu.
Eksploatacja systemów mechatr…
Na ilustracji przedstawiono wtyczkę

A. ISO-7241A.
B. hydrauliki zewnętrznej.
C. ISOBUS.
D. diagnostyczną.
ROL.08 Pytanie 199
Eksploatacja systemów mechatr…
Który parametr należy wprowadzić do nawigacji, aby zapewnić prawidłowe wykorzystanie narzędzia podczas pracy?
A. Szerokość roboczą narzędzia.
B. Głębokość roboczą narzędzia.
C. Szerokość roboczą ciągnika.
D. Prędkość roboczą ciągnika.
ROL.08 Pytanie 200
Eksploatacja systemów mechatr…
Jednostkowy licznik roboczogodzin pracy opryskiwacza przedstawia ilustracja
A. Ilustracja 4

B. Ilustracja 1

C. Ilustracja 3

D. Ilustracja 2
