Filtrowanie pytań

Wybierz zawód, aby zobaczyć dostępne kwalifikacje

ROL.08 Pytanie 201
Eksploatacja systemów mechatr…

Zrzuty ekranu terminala S10 firmy Claas pokazują sposób, w jaki przeprowadza się

Ilustracja do pytania 1
A. import projektu pracy.
B. utworzenie projektu pracy.
C. eksport projektu pracy.
D. założenie i uruchomienie nowej pracy.
Eksploatacja systemów mechatr…

Zamontowanie na belce polowej opryskiwacza czujników ultradźwiękowych umożliwia zastosowanie systemu

A. automatycznego utrzymania stałej ilości cieczy na jednostkę powierzchni.
B. automatycznej obsługi sekcji opryskiwacza.
C. automatycznego składania belki polowej po napotkaniu przeszkody.
D. automatycznego utrzymania stałej odległości belki polowej od powierzchni łanu.
Eksploatacja systemów mechatr…

Jaka korzyść wynika z zastosowania systemu synchronizacji pracy kombajnu zbożowego i ciągnika rolniczego podczas rozładunku ziarna?

A. Utrzymanie stałej odległości ciągnika od kombajnu podczas rozładunku.
B. Skrócenie czasu przejazdu ciągnika z pola do magazynu.
C. Zwiększenie wydajności kombajnu.
D. Utrzymanie stałej prędkości kombajnu podczas rozładunku ziarna.
Eksploatacja systemów mechatr…

Gospodarstwo rolne potrzebuje korzystać z dostępu do sygnału RTK przez osiem miesięcy w roku. Zdalny dostęp oferuje rolnikowi dealer, u którego rolnik zakupił system rolnictwa precyzyjnego. Na podstawie cennika zaproponuj najkorzystniejsze cenowo abonamenty.

AbonamentCena
Roczny2400,00 zł
Półroczny1500,00 zł
3–miesięczny900,00 zł
1–miesięczny350,00 zł

A. 2 abonamenty 3–miesięczne + 2 abonamenty 1–miesięczne.
B. Półroczny + 2 abonamenty 1–miesięczne.
C. 8 abonamentów 1–miesięcznych.
D. Roczny.
Eksploatacja systemów mechatr…

Podczas której z prac z użyciem systemów rolnictwa precyzyjnego jest najczęściej wykorzystywana mapa zasobności gleby?

A. Chemicznej ochrony roślin.
B. Siewu.
C. Nawożenia mineralnego.
D. Zbioru roślin.
Eksploatacja systemów mechatr…

Przedstawione na ilustracji urządzenie zamontowane na rozsiewaczu nawozów

Ilustracja do pytania 11
A. zmienia szerokość pracy w zależności od właściwości fizycznych nawozu.
B. zmienia automatycznie szczelinę w zależności od wielkości przepływu nawozu.
C. zmienia automatycznie szczelinę w zależności od fazy rozwoju rośliny uprawnej.
D. zmienia szerokość pracy w zależności od właściwości chemicznych nawozu.
ROL.08 Pytanie 213
Eksploatacja systemów mechatr…

Urządzenie przedstawione na ilustracji jest wykorzystywane w automatycznym zadawaniu

Ilustracja do pytania 13
A. wody prosiętom.
B. wody indykom.
C. paszy indykom.
D. paszy prosiętom.
ROL.08 Pytanie 214
Eksploatacja systemów mechatr…

Którą cyfrą na schemacie instalacji pneumatycznej ciągnika oznaczony jest zawór hamowania przyczepy?

Ilustracja do pytania 14
A. 2
B. 6
C. 7
D. 9
Eksploatacja systemów mechatr…

Oblicz, jaki będzie roczny koszt eksploatacji zestawu automatycznego sterowania z sygnałem korekcyjnym RTK oraz elementów wchodzących w skład stacji bazowej, jeżeli okres ich użytkowania wynosi 10 lat.

Cennik urządzeń
L.p.Nazwa podzespołuKoszt zakupu
brutto
1Zestawu automatycznego kierowania32 000 zł/zestaw
2Odbiornik satelitarny SF 600015 000 zł/szt
3Moduł MTG600 zł/szt
4Radio RTK500 zł/szt
5Roczny abonament za sygnał o dokładności 2,5 cm1 500 zł

A. 4 700 zł
B. 7 500 zł
C. 5 350 zł
D. 6 310 zł
Eksploatacja systemów mechatr…

Aktywacja systemu automatycznego prowadzenia pojazdu w nowoczesnych odbiornikach sygnału wykorzystywanych do prac polowych może nastąpić po osiągnięciu prędkości

A. 5,0 km/h
B. 9,0 km/h
C. 1,0 km/h
D. 0,1 km/h
Eksploatacja systemów mechatr…

Automatyczne wyłączanie sekcji siewnika punktowego

A. automatycznie zmienia dawkę wysiewu w zależności od rodzaju gleby.
B. informuje o zatkaniu się przewodów wysiewających.
C. reguluje gęstość wysiewu uwzględniając wilgotność gleby.
D. ogranicza nakładanie się pasów siewnych w klinach.
Eksploatacja systemów mechatr…

Przedstawione na rysunku informacje mogą posłużyć do zastosowania systemów elektronicznych sterujących pracą maszyn podczas

Ilustracja do pytania 24
A. zbioru roślin.
B. nawożenia azotem.
C. chemicznej ochrony roślin.
D. nawożenia wapnem.
Eksploatacja systemów mechatr…

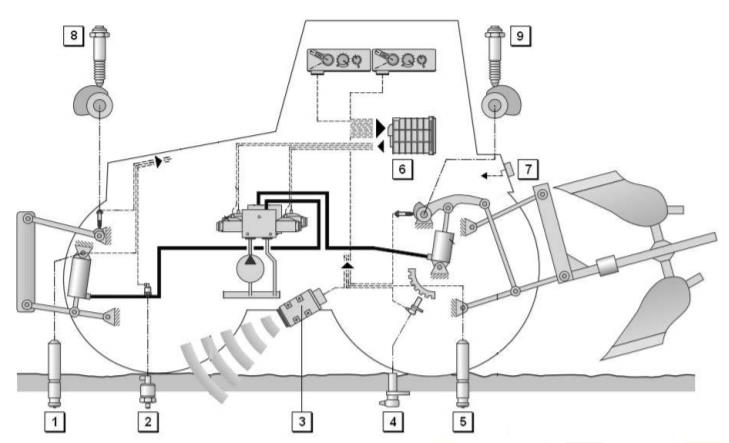
Pokazany na ilustracji system aktywnego prowadzenia narzędzia zintegrowany z ciągnikiem, umożliwia

Ilustracja do pytania 25
A. ręczne sterowanie ustawieniem maszyny względem ciągnika.
B. ręczne sterowanie ustawieniem maszyny względem rzędów uprawy.
C. automatyczne prowadzenie maszyny po polu względem rzędów uprawy.
D. automatyczną regulację głębokości pracy maszyny.
Eksploatacja systemów mechatr…

Koszt nawozów mineralnych wysianych na powierzchni 1 hektara wynosi 500,00 złotych, paliwa 40,00 złotych. Po zastosowaniu nawigacji satelitarnej do prowadzenia ciągnika i wysiewu nawozów koszt obniża się o około 15%. Koszty wysiewu nawozów na powierzchnię 10 hektarów obniżą się o

A. 1 500,00 zł
B. 430,00 zł
C. 970,00 zł
D. 810,00 zł
Eksploatacja systemów mechatr…

Wprowadzenie rolnictwa precyzyjnego przy zbiorze roślin przyczyni się do zmniejszenia

A. zużycia nawozów mineralnych.
B. kosztów eksploatacji agregatów ciągnikowych.
C. zużycia środków ochrony roślin.
D. wydajności pracy agregatów ciągnikowych.
Eksploatacja systemów mechatr…

Który z podanych elementów ramienia robota udojowego wykorzystuje do pracy czujniki optyczne?

A. Pompa podciśnienia.
B. Układ do czyszczenia i dezynfekcji strzyków.
C. Układ do lokalizacji strzyków.
D. Rurociąg do transportu mleka.
ROL.08 Pytanie 234
Eksploatacja systemów mechatr…

Określ zgodną ze sztuką w zawodzie kolejność wykonania połączenia elektrycznego.

Ilustracja do pytania 34
A. 4 – 1 – 3 – 2
B. 2 – 3 – 1 – 4
C. 2 – 4 – 1 – 3
D. 4 – 3 – 1 – 2
Eksploatacja systemów mechatr…

Wprowadzenie systemu rolnictwa precyzyjnego przy zbiorze roślin przyczynia się do zmniejszenia

A. zużycia środków ochrony roślin.
B. wydajności pracy agregatów ciągnikowych.
C. kosztów eksploatacji agregatów ciągnikowych.
D. zużycia nawozów mineralnych.
ROL.08 Pytanie 236
Eksploatacja systemów mechatr…

System ISOBUS umożliwia operatorowi ciągnika

A. jednoczesną obsługę wielu maszyn i kilku różnych wyświetlaczy.
B. obsługę różnych maszyn z wykorzystaniem wyświetlacza jednej konsoli.
C. zarządzanie współpracującą maszyną za pomocą dwóch konsoli.
D. przesyłanie danych do centrum operacyjnego za pomocą sygnału radiowego.
Eksploatacja systemów mechatr…

System MachineSync umożliwia opartą na sygnale GNSS (GPS) synchronizację

A. pracy roztrząsacza obornika z ładowarką teleskopową.
B. pracy prasy zwijającej z owijarką bel.
C. prędkości i toru jazdy pomiędzy kombajnem, a przyczepą podczas rozładunku.
D. prędkości i szerokości roboczej rozsiewacza nawozów.
ROL.08 Pytanie 239
Eksploatacja systemów mechatr…

Na ilustracji przedstawiono wyświetlacz ciągnika, w którym aktualny bieg i bieg wybrany do wykonania nawrotów oznaczone są

Ilustracja do pytania 39
A. B2 i B2
B. A i B2
C. A i B3
D. B2 i B3
Eksploatacja systemów mechatr…

Zaniki sygnału radiowego ze stacji bazowej RTK mogą być spowodowane

A. zakłóceniami ze stacji telefonii komórkowej.
B. silnym zamgleniem.
C. opadami deszczu.
D. ukształtowaniem terenu.