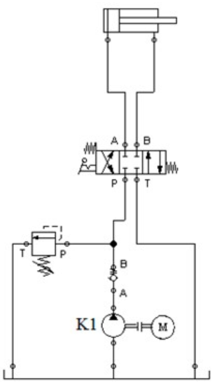
W układzie pneumatycznym, którego schemat przedstawiono na rysunku, podzespół wskazany strzałką (otoczony linią przerywaną) ma za zadanie


| Mierzony odcinek | Wartość zmierzonej rezystancji |
|---|---|
| +24 V / WE1 | 1,02 Ω |
| +24 V / WE2 | ∞ |
| +24 V / WE3 | ∞ |
| +24 V / WE4 | 2,04 Ω |
| +24 V / WE5 | ∞ |
| +24 V / WE6 | 2,12 Ω |










| Ilość wejść 24 VDC | |
| Ilość wyjść przekaźnikowych | |
| Rozszerzenie we/wy | Maksymalna ilość |
| Maksymalna ilość we/wy | |
| Pojemność programu | |
| Czas przetwarzania | Instrukcji podstawowych |
| systemowych | |
| Pamięć danych | Wewnętrznych bajtów |
| Słów wewnętrznych | |
| Timery | |
| Liczniki | |
| Zasilanie | Znamionowe napięcie zasilania |

| P = F/S |
| Kolor | Wartość | Mnożnik | Tolerancja ± % | Współczynnik temp. ± ppm/K | |
|---|---|---|---|---|---|
| 1 pasek | 2 pasek | 3 pasek | 4 pasek | Ostatni pasek | |
| czarny | 0 | 0 | x 1 Ω | 20 | 200 |
| brązowy | 1 | 1 | x 10 Ω | 1 | 100 |
| czerwony | 2 | 2 | x 100 Ω | 2 | 50 |
| pomarańczowy | 3 | 3 | x 1 k | 3 | 15 |
| żółty | 4 | 4 | x 10 k | 0 - +100 | 25 |
| zielony | 5 | 5 | x 100 k | 0.5 | |
| niebieski | 6 | 6 | x 1 M | 0.25 | 10 |
| fioletowy | 7 | 7 | x 10 M | 0,1 | 5 |
| szary | 8 | 8 | 0,05 | 1 | |
| biały | 9 | 9 | |||
| złoty | 0,1 Ω | 5 | |||
| srebrny | 0,01 Ω | 10 | |||
| brak | 20 | ||||










