Filtrowanie pytań
ELM.03 Pytanie 561
Montaż, uruchamianie i konser…
A. Tryb funkcjonowania CPU
B. Potrzeba zmian w parametrach programu
C. Tryb wstrzymania CPU
D. Brak baterii podtrzymującej zasilanie
Montaż, uruchamianie i konser…
Jaka jest wartość rezystancji rezystora przedstawionego na rysunku?

A. 10 kΩ
B. 1 kΩ
C. 10 Ω
D. 100 Ω
Eksploatacja i programowanie …
Jakim symbolem literowym jest oznaczane na schemacie układu hydraulicznego przyłącze przewodu ciśnieniowego?
A. Symbolem T
B. Symbolem B
C. Symbolem A
D. Symbolem P
ELM.03 Pytanie 564
Montaż, uruchamianie i konser…
Podsystem mechatroniczny prasy hydraulicznej został wyposażony w terminal HMI. To urządzenie nie pozwala jedynie
A. na załączanie i wyłączanie pracy prasy
B. na pomiar parametrów procesowych prasy
C. na odczyt wartości zmierzonych parametrów
D. na wizualizację przebiegu pracy prasy
Montaż, uruchamianie i konser…
Na podstawie tabeli kodów paskowych rezystorów wskaż rezystor o wartości rezystancji 1 kΩ i tolerancji 5%.
Kody paskowe rezystorów
Kolor Wartość Mnożnik Tolerancja
± % Współczynnik temp.
± ppm/K 1 pasek 2 pasek 3 pasek 4 pasek Ostatni pasek czarny 0 0 x 1 Ω 20 200 brązowy 1 1 x 10 Ω 1 100 czerwony 2 2 x 100 Ω 2 50 pomarańczowy 3 3 x 1 k 3 15 żółty 4 4 x 10 k 0 - +100 25 zielony 5 5 x 100 k 0.5 niebieski 6 6 x 1 M 0.25 10 fioletowy 7 7 x 10 M 0,1 5 szary 8 8 0,05 1 biały 9 9 złoty 0,1 Ω 5 srebrny 0,01 Ω 10 brak 20
Kody paskowe rezystorów
| Kolor | Wartość | Mnożnik | Tolerancja ± % | Współczynnik temp. ± ppm/K | |
|---|---|---|---|---|---|
| 1 pasek | 2 pasek | 3 pasek | 4 pasek | Ostatni pasek | |
| czarny | 0 | 0 | x 1 Ω | 20 | 200 |
| brązowy | 1 | 1 | x 10 Ω | 1 | 100 |
| czerwony | 2 | 2 | x 100 Ω | 2 | 50 |
| pomarańczowy | 3 | 3 | x 1 k | 3 | 15 |
| żółty | 4 | 4 | x 10 k | 0 - +100 | 25 |
| zielony | 5 | 5 | x 100 k | 0.5 | |
| niebieski | 6 | 6 | x 1 M | 0.25 | 10 |
| fioletowy | 7 | 7 | x 10 M | 0,1 | 5 |
| szary | 8 | 8 | 0,05 | 1 | |
| biały | 9 | 9 | |||
| złoty | 0,1 Ω | 5 | |||
| srebrny | 0,01 Ω | 10 | |||
| brak | 20 | ||||

A. B.
B. D.
C. A.
D. C.
Montaż, uruchamianie i konser…
Jakie napięcie musi być zastosowane do zasilania prostowniczego układu sześciopulsowego?
A. stałym 110 V
B. jednofazowym symetrycznym 2 x 115 V
C. stałym 24 V
D. trójfazowym 230 V/400 V
Eksploatacja i programowanie …
Który element układu elektronicznego przedstawiono na ilustracji?

A. Sterownik.
B. Przekaźnik.
C. Transformator.
D. Zasilacz.
Montaż, uruchamianie i konser…
W jakiej maksymalnej odległości od czoła czujnika powinien znajdować się przedmiot, aby został wykryty przez czujnik o parametrach podanych w tabeli?
| Napięcie zasilania: 12 ÷ 24V DC |
| Zasięg: 8 mm |
| Typ wyjścia: NPN N.O., NPN N.C., PNP N.O., PNP N.C. |
| Rodzaj czoła: odkryte |
| Obudowa czujnika: M18 |
| Przyłącze: przewód 2 m |
| Maksymalny prąd pracy: 100 mA |
| Czas odpowiedzi układu: max. 2 ms |
| Materiał korpusu: metal |
| Stopień ochrony: IP66 |
| Temperatura pracy: -20°C ÷ +60°C |
A. 2mm
B. 66mm
C. 8mm
D. 12mm
Montaż, uruchamianie i konser…
Jaką jednostką prędkości kątowej posługujemy się w układzie SI?
A. obr/min
B. rad/s
C. m/s
D. km/h
Montaż, uruchamianie i konser…
System napędowy, który składa się z silnika prądu przemiennego zasilanego przez falownik, działa poprawnie, gdy wzrost częstotliwości napięcia zasilającego prowadzi do
A. wzrostu obrotów silnika
B. spadku obrotów silnika
C. zmniejszenia reaktancji uzwojeń silnika
D. obniżenia wartości napięcia zasilania
Eksploatacja i programowanie …
Przedstawiony na rysunku element układu zasilającego urządzenie mechatroniczne jest pompą

A. rotacyjną.
B. mimośrodową.
C. śrubową.
D. łopatkową.
Eksploatacja i programowanie …
Konserwacja układu stycznikowo-przekaźnikowego nie obejmuje
A. dokonywania regulacji
B. oceny zużycia styków
C. usuwania kurzu
D. sprawdzania dokręcenia śrub zacisków
Montaż, uruchamianie i konser…
Jaką metodę spawania wykorzystuje się z gazem o właściwościach chemicznych aktywnych?
A. SAW
B. TIG
C. MAG
D. MIG
Eksploatacja i programowanie …
Które z poniższych wskazówek dotyczących komunikacyjnej sieci sterowników PLC jest nieprawdziwe?
A. Kable używane powinny być miedziane
B. Kable powinny charakteryzować się niską pojemnością międzyżyłową
C. Kable komunikacyjne powinny być prowadzone równolegle z kablami zasilającymi
D. Kable powinny być niskorezystancyjne, czyli mieć duży przekrój żył
ELM.06 Pytanie 575
Eksploatacja i programowanie …
Maksymalne obciążenie prądowe wyjść cyfrowych sterownika PLC 24 V DC wynosi 0,7 A. Jaką wartość mocy może mieć odbiornik, który podłączony do wyjścia sterownika, będzie pobierał prąd niższy od dopuszczalnego?
A. 10 W
B. 15 W
C. 5 W
D. 20 W
Eksploatacja i programowanie …
Jakiego komponentu należy użyć w opracowywanym systemie hydraulicznym, aby zapewnić niezmienną prędkość wysuwu tłoczyska siłownika w przypadku zmiennego obciążenia?
A. Zawór zwrotny sterowany
B. Zawór redukcyjny
C. Zawór dławiąco-zwrotny
D. Regulator natężenia przepływu
ELM.03 Pytanie 577
Montaż, uruchamianie i konser…
Ile minimalnie 8 bitowych portów we/wy powinien posiadać mikrokontroler PIC wyposażony w szeregowy
8-bitowy przetwornik analogowo-cyfrowy oznaczony ADC0831, aby można było zrealizować układ mechatroniczny przedstawiony na rysunku?

A. 3 porty.
B. 2 porty.
C. 5 portów.
D. 4 porty.
Eksploatacja i programowanie …
Który z podanych kwalifikatorów działań, używanych w metodzie SFC, definiuje zależności czasowe?
A. N
B. D
C. R
D. S
Eksploatacja i programowanie …
Który element graficzny języka LD umożliwia wykrycie zmiany stanu kontrolowanego obiektu z 0 na 1 (zbocza narastającego)?

A. A.
B. D.
C. C.
D. B.
Eksploatacja i programowanie …
Podczas eksploatacji silnika prądu stałego zauważono iskrzenie szczotek spowodowane zanieczyszczeniem komutatora. Aby pozbyć się tej awarii, należy wyłączyć silnik, a potem
A. nałożyć na komutator olej lub smar
B. oczyścić komutator i wypolerować papierem ściernym
C. przetrzeć komutator mokrą szmatką
D. wyczyścić komutator i szczotki
Montaż, uruchamianie i konser…
Który instrument pomoże w monitorowaniu jakości sprężonego powietrza pod kątem wilgotności oraz obecności kondensatu?
A. Detektor wycieków
B. Miernik punktu rosy
C. Miernik przepływu powietrza
D. Termomanometr bimetaliczny
Eksploatacja i programowanie …
Którą funkcję realizuje program?

A. NAND
B. XOR
C. AND
D. OR
Eksploatacja i programowanie …
Na rysunku zamieszczono schemat blokowy procesu pakowania kul. Którego modułu funkcyjnego należy użyć w programie realizującym ten proces?

A. CTU
B. TOF
C. TON
D. NOP
Montaż, uruchamianie i konser…
Pompa hydrauliczna z tłokowymi elementami roboczymi jest przestawiona na rysunku

A. A.
B. B.
C. D.
D. C.
Eksploatacja i programowanie …
Którą spoinę przedstawiono na rysunku?

A. Czołową typu 1/2V.
B. Czołową typu V.
C. Pachwinową.
D. Brzegową.
Montaż, uruchamianie i konser…
Aby zabezpieczyć połączenia gwintowe przed niekontrolowanym odkręceniem, należy zastosować przeciwnakrętkę oraz wykorzystać
A. dwoma kluczami nasadowymi
B. jednym kluczem nasadowym
C. dwoma kluczami płaskimi
D. jednym kluczem płaskim
ELM.06 Pytanie 587
Eksploatacja i programowanie …
Jakim momentem powinien być obciążony silnik o charakterystykach obciążenia przedstawionych na rysunku, aby jego sprawność była największa oraz jaki prąd będzie pobierał ten silnik z sieci?

A. M=3,5Nm, I=1,45 A
B. M=1,5Nm, I=0,80 A
C. M=1,5Nm, I=0,65 A
D. M=3,5Nm, I=0,95 A
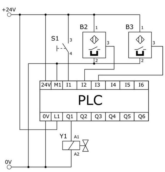
Eksploatacja i programowanie …
Jaki adres, przyznawany przez producenta w sieci, pozostaje stały w trakcie działania urządzenia i jednoznacznie je identyfikuje?
A. MAC
B. OSI
C. IP
D. TCP
ELM.03 Pytanie 589
Montaż, uruchamianie i konser…
Czynniki takie jak nacisk, długość gięcia, wysięg, przestrzeń między kolumnami, skok, prędkość dojścia, prędkość operacyjna, prędkość powrotu, pojemność zbiornika oleju oraz moc silnika to cechy charakterystyczne dla?
A. szlifierki narzędziowej
B. prasy krawędziowej
C. przecinarki plazmowej
D. frezarki uniwersalnej
Montaż, uruchamianie i konser…
Przyłącze T zaworu hydraulicznego przedstawionego na rysunku należy podłączyć do

A. pompy.
B. zbiornika oleju.
C. siłownika dwustronnego działania.
D. siłownika jednostronnego działania.
Eksploatacja i programowanie …
Jakie parametry mierzy prądnica tachometryczna?
A. odkształceń
B. naprężeń liniowych
C. prędkości obrotowych
D. wydłużeń
Eksploatacja i programowanie …
Której funkcji porównania należy użyć w celu wykrycia przekroczenia wartości temperatury przechowywanej w rejestrze R100 ponad wartość graniczną zapisaną w rejestrze R300?

A. LE (Less or Equal, "<=")
B. GT (Greater Than, ">")
C. LT (Less Than, "<")
D. GE (Greater or Equal, ">=")
ELM.03 Pytanie 593
Montaż, uruchamianie i konser…
Element oznaczony cyfrą 1

A. ogranicza wartość natężenia prądu w układzie.
B. skraca czas zapłonu świetlówki.
C. poprawia współczynnik mocy świetlówki.
D. likwiduje zjawisko stroboskopowe.
Montaż, uruchamianie i konser…
Przedstawiony element to

A. szybkozłączka elektryczna.
B. złącze grzybkowe.
C. szybkozłączka pneumatyczna.
D. szybkozłączka optyczna.
Montaż, uruchamianie i konser…
Na rysunku przedstawiono proces

A. malowania.
B. klejenia.
C. spawania.
D. cięcia.
Montaż, uruchamianie i konser…
Jaki element odpowiada symbolowi graficznemu przedstawionemu na rysunku?

A. Element dławiący.
B. Przełącznik obiegu.
C. Zawór ograniczający ciśnienie.
D. Element realizujący iloczyn logiczny.
Montaż, uruchamianie i konser…
Który miernik należy zastosować w układzie, którego schemat przedstawiono na rysunku, w celu pomiaru napięcia metodą bezpośrednią?

A. Omomierz.
B. Watomierz.
C. Woltomierz.
D. Amperomierz.
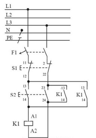
Eksploatacja i programowanie …
Na jakie napięcie znamionowe powinna być wykonana cewka stycznika K1 w układzie przedstawionym na schemacie?

A. 380 V DC
B. 230 V AC
C. 110 V DC
D. 400 V AC
Montaż, uruchamianie i konser…
Aby zachować odpowiedni poziom ciśnienia w systemach hydraulicznych, wykorzystuje się zawory
A. rozdzielające
B. dławiące
C. odcinające
D. redukujące
Eksploatacja i programowanie …
Którą grupę funkcyjną reprezentują przedstawione na rysunkach bloki?

A. Liczniki przyrostowe.
B. Komparatory.
C. Przerzutniki.
D. Multipleksery.