Filtrowanie pytań
Montaż, uruchamianie i konser…
A. Potencjometr obrotowy
B. Selsyn trygonometryczny
C. Mostek tensometryczny
D. Prądnica tachometryczna
Montaż, uruchamianie i konser…
Sensory indukcyjne działające w trybie zbliżeniowym nie mogą być używane do detekcji elementów stworzonych
A. z aluminium
B. ze stali
C. z miedzi
D. z polipropylenu
Eksploatacja i programowanie …
Który z przebiegów przedstawia prawidłowe stany wyjścia Q0.1 dla stanów wejść I0.0 i I0.1, jeżeli zależność pomiędzy zmiennymi opisana jest programem?

A. B.
B. D.
C. C.
D. A.
Montaż, uruchamianie i konser…
Wartością tarcia wewnętrznego cieczy dla oleju smarnego jest
A. lepkość
B. gęstość
C. utlenianie
D. smarność
Eksploatacja i programowanie …
Które z układów sterowania realizują funkcję logiczną NAND?

A. Układy A i C
B. Układy B i C
C. Układy C i D
D. Układy A i D
Montaż, uruchamianie i konser…
Na schemacie przedstawionym na rysunku element opisany D5 jest diodą

A. Zenera.
B. tunelową.
C. pojemnościową.
D. prostowniczą.
Eksploatacja i programowanie …
Jaki program jest używany do gromadzenia wyników pomiarów, ich wizualizacji, zarządzania procesem, alarmowania oraz archiwizacji danych?
A. InteliCAD
B. AutoCAD
C. KiCAD
D. WinCC
Montaż, uruchamianie i konser…
Na podstawie zamieszczonych danych technicznych wybierz model zasilacza do układu elektropneumatycznego, w którym cewki elektrozaworów przystosowane są do zasilania napięciem stałym o wartości 24 V. Dane techniczne
Model MDR-40-5 MDR-40-12 MDR-40-24 MDR-40-48 Wyjście Napięcie wyjściowe DC 5V 12V 24V 48V Prąd znamionowy 6A 3,33A 1,7A 0,83A Zakres prądu 0-6A 0~3,33A 0-1,7A 0-0,83A Moc znamionowa 30W 40W 40W 40W Tętnienia i szumy (max.)2) 80mVp-p 120mVp-p 150mVp-p 200mVp-p Regulacja napięcia 5-6V 12-15V 24-30V 48-56V Tolerancja napięcia3) ±2,0% ±1,0% ±1,0% ±1,0% Tolerancja napięcia przy
zmianach zasilania ±1,0% ±1,0% ±1,0% ±1,0% Tolerancja napięcia przy
zmianach obciążenia ±5,0% ±3,0% ±3,0% ±2,0% Czas ustalania, narastania 500ms, 30ms/230VAC 500ms, 30ms/115VAC przy znamionowym obciążeniu Czas podtrzymania 50ms/230VAC 20ms/115VAC przy znamionowym obciążeniu Wejście Zakres napięcia 85-264VAC 120-370VDC Zakres częstotliwości 47-63 Hz Sprawność (typ.) 78% 86% 88% 88%
Dane techniczne
| Model | MDR-40-5 | MDR-40-12 | MDR-40-24 | MDR-40-48 | |
|---|---|---|---|---|---|
| Wyjście | Napięcie wyjściowe DC | 5V | 12V | 24V | 48V |
| Prąd znamionowy | 6A | 3,33A | 1,7A | 0,83A | |
| Zakres prądu | 0-6A | 0~3,33A | 0-1,7A | 0-0,83A | |
| Moc znamionowa | 30W | 40W | 40W | 40W | |
| Tętnienia i szumy (max.)2) | 80mVp-p | 120mVp-p | 150mVp-p | 200mVp-p | |
| Regulacja napięcia | 5-6V | 12-15V | 24-30V | 48-56V | |
| Tolerancja napięcia3) | ±2,0% | ±1,0% | ±1,0% | ±1,0% | |
| Tolerancja napięcia przy zmianach zasilania | ±1,0% | ±1,0% | ±1,0% | ±1,0% | |
| Tolerancja napięcia przy zmianach obciążenia | ±5,0% | ±3,0% | ±3,0% | ±2,0% | |
| Czas ustalania, narastania | 500ms, 30ms/230VAC | 500ms, 30ms/115VAC przy znamionowym obciążeniu | |||
| Czas podtrzymania | 50ms/230VAC | 20ms/115VAC przy znamionowym obciążeniu | |||
| Wejście | Zakres napięcia | 85-264VAC | 120-370VDC | ||
| Zakres częstotliwości | 47-63 Hz | ||||
| Sprawność (typ.) | 78% | 86% | 88% | 88% | |
A. MDR-40-48
B. MDR-40-24
C. MDR-40-5
D. MDR-40-12
Eksploatacja i programowanie …
Które z przedstawionych poleceń spowoduje przesłanie programu z pamięci komputera do sterownika PLC?
A. Upload
B. Write
C. Erase Memory
D. Download
Montaż, uruchamianie i konser…
Jakie jest zastosowanie transoptora?
A. zamiany impulsów elektrycznych na promieniowanie świetlne
B. galwanicznej izolacji obwodów
C. sygnalizacji transmisji
D. galwanicznego połączenia obwodów
ELM.03 Pytanie 731
Montaż, uruchamianie i konser…
Którego urządzenia dotyczą podane w tabeli parametry?
| Ilość wejść 24 VDC | |
| Ilość wyjść przekaźnikowych | |
| Rozszerzenie we/wy | Maksymalna ilość |
| Maksymalna ilość we/wy | |
| Pojemność programu | |
| Czas przetwarzania | Instrukcji podstawowych |
| systemowych | |
| Pamięć danych | Wewnętrznych bajtów |
| Słów wewnętrznych | |
| Timery | |
| Liczniki | |
| Zasilanie | Znamionowe napięcie zasilania |
A. Sterownika PLC.
B. Czujnika optycznego.
C. Falownika.
D. Silnika.
Montaż, uruchamianie i konser…
Proces oceny stanu technicznego elementu mechanicznego zaczyna się od
A. montażu
B. obróbki
C. pomiarów
D. oględzin
Montaż, uruchamianie i konser…
Które oczko, przygotowane do założenia na śrubę w tabliczce zaciskowej silnika, jest prawidłowo uformowane i wygięte we właściwym kierunku?

A. A.
B. B.
C. D.
D. C.
Montaż, uruchamianie i konser…
W barach są skalowane
A. wiskozymetry
B. prędkościomierze
C. przepływomierze
D. manometry
Montaż, uruchamianie i konser…
Konserwacja układu stycznikowo-przekaźnikowego nie obejmuje
A. analizy zużycia styków
B. sprawdzania dokręcenia śrub zacisków
C. usuwania kurzu
D. wprowadzania regulacji
ELM.03 Pytanie 736
Montaż, uruchamianie i konser…
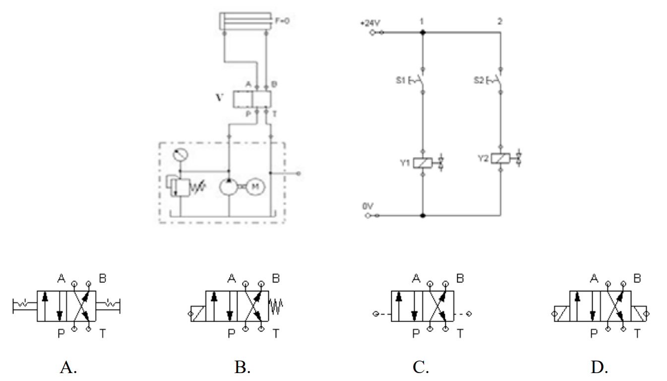
Na rysunku przedstawiono zawór

A. 4/2 sterowany elektrycznie bezpośrednio.
B. 5/2 sterowany elektrycznie pośrednio.
C. 5/2 sterowany elektrycznie bezpośrednio.
D. 4/2 sterowany elektrycznie pośrednio.
Montaż, uruchamianie i konser…
Przy wykonaniu elementu przedstawionego na rysunku była zastosowana obróbka

A. tłoczenia.
B. frezowania.
C. ciągnięcia.
D. toczenia.
ELM.06 Pytanie 738
Eksploatacja i programowanie …
Na podstawie harmonogramu czynności serwisowych przedstawionych w tabeli określ, jak często należy przeprowadzać kontrolę działania zaworów bezpieczeństwa.
| Harmonogram czynności serwisowych (fragment) | ||
|---|---|---|
| Lp. | Czynność serwisowa | Okres wykonywania |
| 1. | Sprawdzanie temperatury pracy | Codziennie |
| 2. | Kontrola przewodu zasilającego | Codziennie |
| 3. | Sprawdzanie podciśnienia generowanego przez sprężarkę | Co 3 miesiące |
| 4. | Kontrola obiegu oleju w sprężarce | Co 3 miesiące |
| 5. | Sprawdzanie zaworów | Co 6 miesięcy |
| 6. | Kontrola działania zaworów bezpieczeństwa | Co 6 miesięcy |
| 7. | Kontrola ustawień zabezpieczenia przeciążeniowego w sprężarce | Co 6 miesięcy |
| 8. | Sprawdzanie rurociągu, skraplacza, części chłodniczych | Co rok |
| 9. | Sprawdzanie łączników i bezpieczników | Co rok |
A. Raz na kwartał.
B. Raz na pół roku.
C. Raz na rok.
D. Raz na dzień.
Montaż, uruchamianie i konser…
Na ilustracji przedstawiono sprzęgło

A. elastyczne kłowe.
B. pierścieniowe.
C. jednokierunkowe.
D. elastyczne palcowe.
Eksploatacja i programowanie …
Jakie są różnice między blokiem funkcyjnym przerzutnika RS a blokiem przerzutnika SR w PLC?
A. Ilością stanów pośrednich
B. Czasem reakcji
C. Odwróceniem sygnałów Set i Reset
D. Przewagą sygnałów Set i Reset
ELM.03 Pytanie 741
Montaż, uruchamianie i konser…
Zespół elementów przedstawiony na rysunku pełni funkcję

A. filtra.
B. stabilizatora napięcia.
C. prostownika.
D. powielacza napięcia.
ELM.06 Pytanie 742
Eksploatacja i programowanie …
Które z wymienionych w tabeli czynności wchodzą w zakres oględzin napędu mechatronicznego, w którym elementem wykonawczym (napędowym) jest silnik komutatorowy?
| Lp. | Czynność |
|---|---|
| 1. | Sprawdzanie skuteczności chłodzenia elementów energoelektronicznych |
| 2. | Sprawdzanie stanu pierścieni ślizgowych i komutatorów |
| 3. | Pomiar temperatury obudowy i łożysk |
| 4. | Sprawdzanie stanu szczotek i szczotkotrzymaczy |
| 5. | Sprawdzanie jakości połączeń elementów urządzenia |
A. 2, 3, 5
B. 2, 4, 5
C. 1, 2, 4
D. 1, 2, 3
Eksploatacja i programowanie …
Młot pneumatyczny, który jest częścią robota frezarskiego, ma zamontowane urządzenie do smarowania. Jakie z zaleceń dotyczących uzupełnienia oleju, jeśli nie zostanie spełnione, może prowadzić do obrażeń pracownika obsługującego?
A. Należy wlać do młota zalecaną ilość oleju, tak aby poziom oleju nie przekraczał najniższego zwoju gwintu, a następnie umieścić korek wlewu oleju i dokręcić go.
B. Przed odkręceniem korka wlewu oleju konieczne jest odcięcie dopływu sprężonego powietrza oraz spuścić powietrze z wnętrza młota.
C. Najpierw należy oczyścić powierzchnię wokół korka wlewu oleju, a następnie przystąpić do jego odkręcania.
D. Warto sprawdzić, czy wąż doprowadzający sprężone powietrze oraz jego złącza są w dobrym stanie, a także upewnić się, że wszystkie połączenia zostały wykonane prawidłowo.
ELM.03 Pytanie 744
Montaż, uruchamianie i konser…
Obniżenie temperatury czynnika w sprężarkach skutkuje
A. wzrostem ciśnienia sprężonego powietrza
B. powiększaniem objętości sprężonego powietrza
C. skraplaniem pary wodnej oraz osuszaniem powietrza
D. osadzaniem zanieczyszczeń na dnie zbiornika
Montaż, uruchamianie i konser…
Toczenie powierzchni czołowej przedstawia rysunek

A. C.
B. B.
C. D.
D. A.
Montaż, uruchamianie i konser…
Którą z przedstawionych na ilustracji nakrętek należy zastosować w połączeniach gwintowych, aby zapewnić ochronę przed zranieniem o powierzchnię gwintu oraz nadać im estetyczny wygląd?

A. Nakrętkę 4.
B. Nakrętkę 3.
C. Nakrętkę 1.
D. Nakrętkę 2.
Montaż, uruchamianie i konser…
Którą sprężarkę zalicza się do grupy sprężarek wyporowych?

A. Turbosprężarkę.
B. Sprężarkę osiową.
C. Sprężarkę promieniową.
D. Sprężarkę śrubową.
Eksploatacja i programowanie …
Wymiana danych pomiędzy urządzeniami w sieci komunikacyjnej o danej topologii wymaga zaangażowania wszystkich urządzeń sieciowych.
A. drzewa
B. gwiazdy
C. pierścienia
D. magistrali
ELM.03 Pytanie 749
Montaż, uruchamianie i konser…
Na podstawie przedstawionych danych katalogowych sprężarek określ, który model sprężarki należy zastosować do zasilania układu pneumatycznego, w którym ciśnienie robocze wynosi 6 bar, a maksymalne natężenie przepływu czynnika roboczego ma wartość 4 dm³/s.
Dane katalogowe sprężarek
| 50Hz | R2.2IU-10-200 | R41IU-10-200 | R41IU-10-200SD | R5.5IU-10-200 |
|---|---|---|---|---|
| SPRĘŻARKA | 2.2 | 4.0 | 4.0 | 5.5 |
| Maksymalna ciśnienie robocze bar (psi) | 10 (145) | 10 (145) | 10 (145) | 10 (145) |
| Fabrycznie ustawiony reload ciśnienia bar (psi) | 10.5 (152) | 10.5 (152) | 10.5 (152) | 10.5 (152) |
| Natężenie przepływu m³/min (cfm) | 0.241 (8.5) | 0.467 (16.5) | 0.467 (16.5) | 0.660 (22.0) |
| Wartość wyzwalająca temperatury tłoczenia sprężarki | 228°C (109°F) | |||
| Temperatura otoczenia (min.)→ (max.) | +2°C (+36°F) → + 46°F(115°F) | |||
| SILNIK | ||||
| Obudowa silnika | TEFC (IP55) | |||
| Moc nominalna | 2.2KW | 4.0 KW | 4.0 KW | 5.5 KW |
| Szybkość (obr./min) | 2870 RPM | 2875 RPM | 2875 RPM | 2860 RPM |
| Klasa izolacyjności | F | |||
| Poziom głośności (dBA) | 64 | 64 | 64 | 67 |
| DANE OGÓLNE | ||||
| Resztkowa zawartość płynu chłodzącego | 3 ppm (3mg/m³) | |||
| Pojemność zbiornika odolejacza | 5.16 litres | |||
| Objętość płynu chłodzącego | 2.5 litres | |||
| Masa – 200 litr Odbiornik montowany | 174 | 183 | 183 | 188 |
| Masa – z suszarką | 218 | 227 | 227 | 232 |
| PARAMETRY ELEKTRYCZNE - 400V | ||||
| MODEL | 2.2IU | R41U | R41U-SD | R5.5U |
| Prąd przy pełnym obciążeniu (maksimum) | 6.5 A | 10.5 A | 10.5 A | 14 A |
| Prąd rozruchowy | 38.5 A | 66.5 A | 36.7 A | 49 A |
| Czas rozruchu DOL (układ gwiazda-trójkąt) | 3-5 sec (7-10 sec) | |||
| Liczba rozruchów na godzinę (maksymalnie)) | 20 | |||
| Napięcie sterowania | 110 vac | |||
| Zalecane dopuszczalne obciążenie bezpiecznika (patrz uwaga 1) | 10 | 20 | 20 | 25 |
| Zalecany przekrój przewodu AWG (patrz uwaga 2) | 1 | 1.5 | 1.5 | 2.5 |
A. R41IU-10-200SD
B. R2.2IU-10-200
C. R5.SIU-10-200
D. R41IU-10-200
ELM.06 Pytanie 750
Eksploatacja i programowanie …
W dokumentacji dotyczączej prasy pneumatycznej jako kluczowy parametr eksploatacji określono ciśnienie zasilające na poziomie 0,6 MPa ± 5%. Który z podanych pomiarów nie mieści się w akceptowalnym zakresie?
A. 630 000 Pa
B. 650 kPa
C. 600 kPa
D. 0,58 MPa
ELM.06 Pytanie 751
Eksploatacja i programowanie …
Na podstawie fragmentu instrukcji serwisowej agregatu grzewczego, określ, który z jego elementów uległ uszkodzeniu, jeśli na panelu operatorskimpojawił się numer kodu błędu F06?
| Kod błędu | Opis usterki |
|---|---|
| F00 | Błąd modułu sterującego (kasety). |
| F01 | Brak startu (po dwóch próbach). |
| F02 | Błąd płomienia (co najmniej 3-krotny). |
| F04 | Przedwczesne pojawienie się płomienia. |
| F05 | Przerwa bądź zwarcie obwodu czujnika płomienia. |
| F06 | Przerwa bądź zwarcie obwodu czujnika temperatury. |
| F07 | Przerwa bądź zwarcie obwodu pompy paliwa. |
| F08 | Przerwa bądź zwarcie lub przeciążenie, blokada silnika wentylatora dmuchawy. |
| F09 | Przerwa bądź zwarcie obwodu kotka żarowego. |
| F10 | Przegrzanie agregatu. |
| F11 | Przerwa bądź zwarcie obwodu czujnika przegrzania. |
A. Czujnik płomienia.
B. Moduł sterujący.
C. Dysza płomienia.
D. Czujnik temperatury.
Montaż, uruchamianie i konser…
Podczas instalacji systemu z kontrolerem PLC, przewody magistrali Profibus powinny
A. być wciągane do osłon jako pierwsze
B. być wciągane do osłon jako ostatnie
C. być kładzione w bezpośrednim sąsiedztwie kabli energetycznych
D. być układane jak najdalej od przewodów silnoprądowych
Montaż, uruchamianie i konser…
Przedstawiony na rysunku przyrząd służy do

A. osadzania koła zębatego na wale.
B. demontażu łożysk.
C. sprawdzania współosiowości wałów.
D. wtłaczania sworznia.
Eksploatacja i programowanie …
W niektórych sterownikach nie są dostępne wszystkie funkcje bloków czasowych. Przedstawiony program realizuje działanie timera typu

A. TP
B. TOF
C. TOFR
D. TONR
Eksploatacja i programowanie …
Zidentyfikuj sieć przemysłową z topologią w kształcie pierścienia.
A. LonWorks
B. Modbus
C. InterBus-S
D. Profibus DP
Eksploatacja i programowanie …
Która z podanych czynności związanych z eksploatacją napędu elektrycznego jest sprzeczna z zasadami obsługi tych urządzeń?
A. Odkurzanie i czyszczenie żeberek radiatorów z zanieczyszczeń szmatką
B. Kontrola pracy wentylatorów poprzez nasłuchiwanie ich działania
C. Weryfikacja połączeń elektrycznych za pomocą omomierza
D. Oczyszczenie brudnych styków łączników pilnikiem
Eksploatacja i programowanie …
Jakie minimalne parametry bitowe powinien mieć przetwornik A/C, aby w zakresie pomiarowym
0 mA ÷ 20 mA osiągnąć rozdzielczość w zaokrągleniu równą 0,01 mA?
A. 10 bitowy
B. 16 bitowy
C. 12 bitowy
D. 11 bitowy
Eksploatacja i programowanie …
W przypadku, gdy w obwodzie wymagany jest kondensator o pojemności rzędu kilku tysięcy µF, należy wybrać kondensator
A. elektrolityczny
B. ceramiczny
C. powietrzny
D. foliowy
Montaż, uruchamianie i konser…
Jakiego rodzaju kinematykę posiada manipulator, jeśli jego przestrzeń robocza przypomina prostopadłościan?
A. TTT - trzy osie prostoliniowe
B. RTT - jedną oś obrotową i dwie osie prostoliniowe
C. RRT - dwie osie obrotowe i jedną oś prostoliniową
D. RRR - trzy osie obrotowe
Eksploatacja i programowanie …
Przedstawiony na rysunku element układu zasilającego urządzenie mechatroniczne jest pompą

A. strumieniową.
B. tłokową.
C. membranową.
D. obrotową.